TXT Freedom DCS, Year 1997
Accelerator
| Sl. No. | Part description | Part number | Notes | Quantity | Purchase |
|---|---|---|---|---|---|
| 1 | Pedal box assembly | 25870-G03 | includes items 3-32, 36-40 | 1 | |
| 2 | Pedal box assembly, DCS model only | 25870-G05 | includes items 3-29, 32-40 | 1 | |
| 3 | Lock nut | 00550-G2 | 1/4 - 28 | 1 | |
| 4 | Lock nut | 00532-G4 | 5/16 - 24 | 1 | |
| 5 | Screw | 00684-G6 | #8 - 32 x 3/4" LG | 4 | |
| 6 | Screw | 00982-G01 | #4 - 14 x 5/8" LG | 2 | |
| 8 | Self threading nut | 00983-G01 | 2 | ||
| 9 | Screw | 00984-G01 | #8 - 10 x 1/2" LG | 4 | |
| 10 | Setscrew | 00486-G2 | #8 - 32 x 1/8" LG | 1 | |
| 11 | Pushnut | 00986-G01 | 19/64" I.D. | 1 | |
| 12 | Yoke | 10385-G4 | Adjustable | 1 | |
| 13 | Clevis pin | 10386-G3 | 5/16" x 15/16" LG | 1 | |
| 15 | Cotter pin | 10387-G3 | 3/32" x 3/4" LG | 1 | |
| 16 | Spring retainer | 17677-G1 | 1 | ||
| 17 | Spring retainer | 17677-G2 | 1 | ||
| 19 | Accelerator rod bushing | 17979-G1 | 1 | ||
| 20 | Accelerator pedal assembly | 25799-G01 | includes items 21 -24 | 1 | |
| 21 | Accelerator pedal pad kit | 27844-G01 | includes items 22, 23 | 1 | |
| 22 | Oval rivet | 15766-G1 | 3/8" x 15/32" LG | 6 | |
| 23 | Accelerator pedal pad | 27512-G01 | 1 | ||
| 24 | Accelerator pedal | * | 1 | ||
| 26 | Pedal box and cover | 25853-G01 | Seal and bearing | 1 | |
| 28 | Inductive throttle sensor | 25854-G01 | 1 | ||
| 29 | Accelerator rod | 25859-G01 | 1 | ||
| 30 | Micro switch | 25861-G01 | 1 | ||
| 31 | Wiring harness | 25879-G03 | Pedal box assembly | 1 | |
| 32 | Plunger | 26551-G01 | 1 | ||
| 33 | Micro switch | 25861-G02 | DCS model only | 1 | |
| 34 | Plunger cam | 26969-G01 | 1 | ||
| 35 | Wiring harness | 25879-G04 | Pedal box assembly, DCS model only | 1 | |
| 36 | Pedal bracket | 70116-G01 | 1 | ||
| 37 | Pin | 70134-G01 | 1 | ||
| 38 | Teflon washer | 17255-G1 | 1/32" x 5/8" | 1 | |
| 39 | Compression spring | 73045-G01 | 1 | ||
| 40 | Bushing | 17838-G1 | 3 | ||
| 42 | Bolt | 00715-G2 | 5/16 - 18 x 5/8" LG | 4 | |
| 43 | Pedal pivot cover | 70135-G01 | 1 |
Battery Charger
| Sl. No. | Part description | Part number | Notes | Quantity | Purchase |
|---|---|---|---|---|---|
| 1 | Powerwise charger | 28115-G01 | includes items 3-67 | 1 | |
| 2 | Powerwise + charger | 28115-G02 | includes items 3-63 and 69-71 | 1 | |
| 3 | Chassis | * | 1 | ||
| 4 | Screw | 00513-G6 | #8 - 18 x 1 3/4" LG | 2 | |
| 5 | Washer | 00559-G4 | #8 | 10 | |
| 6 | Plastic expansion nut | 11572-G3 | 2 | ||
| 7 | Heat sink | 28104-G01 | 1 | ||
| 8 | Screw | 00138-G3 | #6-32 x 3/8" LG | 2 | |
| 9 | Washer | 00559-G3 | #6 | 2 | |
| 10 | Lock washer | 00567-G3 | #6 | 2 | |
| 11 | Nut | 00525-G5 | #6 - 32 | 2 | |
| 12 | Diode | 18488-G1 | 1 | ||
| 13 | Washer | 00565-G7 | Lock 1/4 | 2 | |
| 14 | Nut | 00532-G2 | 1/4 - 28 | 2 | |
| 15 | Screw | 01005-G01 | #6 - 19 x 5/16" LG | 3 | |
| 16 | Washer | 00559-G3 | #6 | 3 | |
| 17 | Control board support | 28111-G01 | 3 | ||
| 18 | Electrical clip | 28110-G01 | 1 | ||
| 19 | Screw | 00614-G4 | #8 - 18 x 1/2" LG | 6 | |
| 20 | Cover | * | 1 | ||
| 21 | Handle | 28102-G01 | 1 | ||
| 22 | Label | 28136-G01 | Ventilation | 1 | |
| 23 | Label | 28136-G02 | Cord condition | 1 | |
| 24 | Capacitor bracket | 26979-G01 | 1 | ||
| 25 | Capacitor | 28109-G01 | 1 | ||
| 26 | Screw | 00969-G01 | #8 - 32 x 3/8" LG | 3 | |
| 27 | Screw | 00414-G5 | 1/4 - 20 x 5/8" LG | 3 | |
| 28 | Lock nut | 11027-G2 | 1/4 - 20 | 3 | |
| 29 | AC cord | 19388-G4 | 1 | ||
| 30 | Strain relief | 13557-G2 | AC | 1 | |
| 31 | Strain relief | 13557-G3 | DC | 1 | |
| 32 | DC plug assembly | 28137-G01 | includes items 33-42 | 1 | |
| 33 | Plug | 73051-G11 | Top half | 1 | |
| 34 | Plug | 73051-G12 | Bottom half | 1 | |
| 35 | Auxilary contact | 73051-G13 | 1 | ||
| 36 | DC cord | 28114-G01 | 1 | ||
| 37 | Male pin | 73051-G14 | 2 | ||
| 38 | Brass screw | 73051-G08 | #10 - 32 x 1/2" LG | 2 | |
| 39 | Magnet | 73051-G15 | 1 | ||
| 40 | Screw | 73051-G16 | #6 - 32 x 1/2" LG (Stainless steel) | 2 | |
| 41 | Lock nut | 73051-G10 | #6 - 32 | 4 | |
| 42 | Screw | 73051-G17 | #6 - 32 x 1" LG (Stainless steel) | 2 | |
| 45 | Ammeter | 28105-G01 | 1 | ||
| 46 | Screw | 00984-G01 | #8 - 10 x 1/2" LG | 2 | |
| 47 | Washer | 00559-G4 | #8 | 2 | |
| 48 | Brass washer | 01003-G01 | #10 | 4 | |
| 49 | Shoulder washer | 22589-G2 | 1 | ||
| 50 | Nylon washer | 00771-G6 | 1 | ||
| 51 | Nut | 00528-G4 | #10 - 32 | 3 | |
| 52 | 50 AMP fuse | 28106-G01 | 1 | ||
| 53 | Lock washer | 00565-G5 | #10 | 4 | |
| 54 | Screw | 00378-G4 | #10 - 24 x 1/2" LG | 2 | |
| 55 | Nut | 00526-G3 | #10 - 24 | 2 | |
| 56 | Transformer | 28103-G01 | 1 | ||
| 57 | Spacer support | 27877-G01 | 4 | ||
| 58 | Wire tie | 17618-G1 | 2 | ||
| 60 | Screw | 00372-G3 | #8 - 32 x 3/8" LG | 1 | |
| 61 | Wire | 25977-G32 | 4" | 1 | |
| 62 | Lock washer | 00565-G4 | #8 | 1 | |
| 63 | Nut | 00526-G1 | #8 - 32 | 1 | |
| 65 | Label | * | Powerwise | 1 | |
| 66 | Control board | 28126-G01 | Powerwise | 1 | |
| 67 | Power input board | 28126-G03 | Powerwise | 1 | |
| 69 | Label | * | Powerwise+ | 1 | |
| 70 | Control board | 28126-G02 | Powerwise + | 1 | |
| 71 | Power input board | 28126-G04 | Powerwise + | 1 |
Body
| Sl. No. | Part description | Part number | Notes | Quantity | Purchase |
|---|---|---|---|---|---|
| 1 | Instrument panel assembly | 71151-G01 | includes items 2-5 | 1 | |
| 2 | Ball deflector | 71153-G01 | Passenger side | 1 | |
| 3 | Ball deflector | 71154-G01 | Driver side | 1 | |
| 4 | Screw | 00614-G5 | #8 - 18 x 5/8" LG | 6 | |
| 5 | Instrument panel insert | 71158-G01 | 4 cup holder | 1 | |
| 7 | Label | 27647-G01 | Safety | 1 | |
| 8 | Serial number plate | * | 1 | ||
| 9 | EC plate | * | 1 | ||
| 11 | Cowl | 71051-G** | 1 | ||
| 12 | Rivet | 71055-G01 | 3/16" x 3/8" LG | 7 | |
| 13 | Screw | 00740-G4 | #10-32 x 1/2" LG | 4 | |
| 14 | Nut | 00921-G8 | #10 - 32 | 4 | |
| 15 | Rivet | 14601-G13 | 5/32" x 9/16" LG | 2 | |
| 16 | E-Z-GO nameplate | 19817-G2 | 1 | ||
| 17 | Pushnut | 12064-G3 | 3/16" | 2 | |
| 18 | Rivet | 10570-G11 | 3/16" x 3/4" LG | 2 | |
| 19 | Bolt | 71056-G01 | 5/16 - 18 x 5/8" LG | 4 | |
| 20 | Washer | 00570-G2 | 5/16" | 4 | |
| 21 | Bolt | 00438-G6 | 5/16 - 18 x 3/4" LG (with top) | 2 | |
| 22 | Washer | 00571-G2 | 5/16" (with top) | 2 | |
| 23 | Vinyl trim | 71115-G01 | 2 | ||
| 25 | Splash panel assembly | 71143-G01 | includes items 26-29 | 1 | |
| 26 | Panel | * | 1 | ||
| 27 | Stay bracket | * | 2 | ||
| 28 | Panel bracket | * | 1 | ||
| 29 | Rivet | * | 5/32" x 9/16" LG | 9 | |
| 31 | Upper floorpan | 70047-G01 | 1 | ||
| 32 | Rivet | 14601-G11 | 5/32" x 9/16" LG | 10 | |
| 33 | Ratchet fastener | 16816-G2 | 1 | ||
| 35 | Front shield | 27166-G02 | 1 | ||
| 36 | Front shield brace | 71015-G01 | 2 | ||
| 37 | Fastener | 16816-G2 | 2 | ||
| 38 | Screw | 00114-G6 | 1/4 - 14 x 3/4" LG | 4 | |
| 39 | Washer | 16469-G7 | 1/4" | 2 | |
| 41 | Floormat | 70048-G01 | 1 | ||
| 42 | Lower floorpan | 70451-G01 | 1 | ||
| 43 | Rivet | 14601-G13 | 5/32" x 9/16" LG | 10 | |
| 44 | Switch access cover | 70452-G01 | 1 | ||
| 45 | Rivet | 14601-G11 | 3/16" x 9/16" LG | 6 | |
| 47 | Rocker panel | 71501-G01 | Passenger side | 1 | |
| 48 | Rocker panel | 71502-G01 | Driver side | 1 | |
| 49 | Sill plate | 71507-G01 | Passenger side | 1 | |
| 50 | Sill plate | 71507-G02 | Driver side | 1 | |
| 51 | Screw | 16705-G1 | 1/4 - 20 x 1" LG (Stainless steel) | 4 | |
| 52 | Spacer | 23726-G4 | 4 | ||
| 53 | Lock nut | 00891-G2 | 1/4 - 20 | 4 | |
| 54 | Spacer | 23726-G6 | 1 | ||
| 55 | Rivet | 15058-G4 | 2 | ||
| 56 | Spacer | 23726-G7 | 1 | ||
| 59 | Seat frame | 70318-G02 | 1 | ||
| 60 | Battery rack | 70046-G01 | 1 | ||
| 61 | Bolt | 00715-G2 | 5/16 - 18 x 13/16" LG | 5 | |
| 62 | Bolt | 00438-G6 | 5/16 - 18 x 3/4" LG | 2 | |
| 63 | Washer | 00559-G8 | 5/16" | 2 | |
| 64 | Lock nut | 11098-G6 | 5/16 - 18 | 2 | |
| 65 | Torx screw | 70200-G01 | 3/8 - 16 | 2 | |
| 67 | Rear body | 71301-G** | Without taillights | 1 | |
| 68 | Rear body | 71310-G** | With taillights | 1 | |
| 69 | Fender scuffguard | 75126-G01 | Driver side | 1 | |
| 70 | Fender scuffguard | 75126-G02 | Passenger side | 1 | |
| 71 | Ratchet fastener | 16816-G2 | 8 | ||
| 72 | Access panel | 71320-G01 | 1 | ||
| 73 | Screw | 71002-G01 | #8 x 5/8" LG | 5 | |
| 74 | "J" clip | 71364-G02 | 1 | ||
| 78 | Ratchet fastener | 16816-G1 | 26 | ||
| 79 | Bagwell liner | 71318-G01 | 1 | ||
| 80 | Rivet | 18436-G1 | 1/4" x 3/4" LG | 2 | |
| 81 | Rivet | 10570-G10 | 5/32" | 6 | |
| 82 | Notched rear bumper | 71456-G01 | 4 caddy | 1 | |
| 83 | Rear bumper | 71451-G01 | 1 | ||
| 84 | Bumper plug | 71455-G01 | 4 | ||
| 85 | Bolt | 71398-G01 | 1/4 - 20 x 1 1/4" LG | 4 | |
| 86 | Washer | 00571-G2 | 5/16" | 4 | |
| 87 | Ratchet fastener | 16816-G4 | 2 | ||
| 89 | Hinge plate | 71609-G01 | 2 | ||
| 90 | Rivet | 10570-G11 | 3/16" x 3/4" LG | 4 | |
| 91 | Rivet | 10570-G12 | 1/4" x 1/2" LG | 4 | |
| 93 | Decal | 23676-G1 | Freedom | AR | |
| 94 | Decal | 75178-G01 | 4 caddy | AR | |
| 95 | Decal | 73162-G01 | DCS | AR | |
| 97 | Splash panel | 70244-G02 | 2 | ||
| 98 | Bolt | 00715-G2 | 5/16 - 18 x 13/16" LG | 4 | |
| 100 | Fender liner, extended | 71551-G05 | Passenger side | 1 | |
| 101 | Fender liner, extended | 71552-G05 | Driver side | 1 | |
| 102 | Ratchet fastener | 16816-G2 | 12 | ||
| 103 | Ratchet fastener | 16816-G2 | 8 | ||
| 106 | Foot rest assembly | 70361-G01 | includes items 107 -110 | 1 | |
| 107 | Footrest | 70350-G01 | 1 | ||
| 108 | Floormat | 70362-G01 | 1 | ||
| 109 | Reflector | 74129-G01 | 1 | ||
| 110 | Label | 74132-G01 | Warning | 1 | |
| 111 | End plug | 19853-G1 | 2 | ||
| 112 | Valance panel | 74149-G01 | 1 | ||
| 113 | Plastic rivet | 16816-G2 | 4 | ||
| 114 | Bolt | 00426-G8 | 3/8 - 16 x 1" LG | 2 | |
| 115 | Vertical frame support | 74126-G01 | Passenger side | 1 | |
| 116 | Vertical frame support | 74126-G02 | Driver side | 1 | |
| 117 | Bolt | 00427-G4 | 3/8 - 16 x 1 1/2" LG | 2 | |
| 118 | Washer | 00560-G1 | 3/8" | 10 | |
| 119 | Carriage bolt | 00769-G2 | 3/8 - 16 x 1 1/4" LG | 2 | |
| 120 | Lock nut | 11098-G5 | 3/8 - 16 | 10 |
Brakes
| Sl. No. | Part description | Part number | Notes | Quantity | Purchase |
|---|---|---|---|---|---|
| 1 | Brake pedal assembly | 70263-G01 | includes items 2-26, Vehicles with brake lights | 1 | |
| 2 | Brake pedal | * | 1 | ||
| 3 | Park brake pedal | * | 1 | ||
| 4 | Brake/Park brake pedal pad kit | 70274-G01 | Includes items 5-7 | 1 | |
| 5 | Service brake cable pad | * | 1 | ||
| 6 | Park brake pad | * | 1 | ||
| 7 | Rivet | 15766-G1 | 3/8 x 15/32" LG | 9 | |
| 9 | Service brake pedal plate | * | 1 | ||
| 10 | Pivot pin | 15932-G2 | 1 | ||
| 11 | Torsion spring | 11737-G1 | 2 | ||
| 12 | Pushnut | 12064-G1 | 5/16" | 1 | |
| 13 | Screw | 00737-G8 | #10 - 24 x 1" LG | 4 | |
| 14 | Rubber nut | 00739-G1 | #10 - 24 | 2 | |
| 15 | Brake pedal standoff | 22362-G3 | 2 | ||
| 16 | Conical spring | 27137-G01 | 2 | ||
| 17 | Lock nut | 11098-G7 | #10 - 24 | 2 | |
| 18 | Micro switch | 10606-G8 | 1 | ||
| 19 | Screw | 00645-G2 | #6 - 32 x 1 1/4" LG | 2 | |
| 20 | Washer | 00559-G3 | #6 | 2 | |
| 21 | Lock washer | 00565-G3 | #6 | 2 | |
| 22 | Nut | 00525-G5 | #6- 32 | 2 | |
| 23 | Brass screw | * | 2 | ||
| 24 | Lock washer | 00567-G3 | #6 | 6 | |
| 25 | Faston tab | 14628-G1 | 5/16" x 5/16" LG | 2 | |
| 26 | Wire tie | 17618-G1 | 3 | ||
| 30 | Brake pedal assembly | 70264-G01 | Includes items 31-39, Vehicles without brake lights | 1 | |
| 31 | Torsion spring | 11737-G1 | 2 | ||
| 32 | Pivot pin | 15932-G2 | 1 | ||
| 33 | Pushnut | 12064-G1 | 5/16" | 1 | |
| 34 | Service brake pedal | * | 1 | ||
| 35 | Park brake pedal | 70265-G01 | 1 | ||
| 36 | Brake/Park brake pedal pad kit | 70274-G01 | Includes items 37-39 | 1 | |
| 37 | Service brake pedal pad | * | 1 | ||
| 38 | Park brake pedal pad | * | 1 | ||
| 39 | Rivet | 15766-G1 | 3/8" x 15/32" LG | 9 | |
| 41 | Shoulder bolt | 70096-G01 | 3/8 - 16 x 3" LG | 1 | |
| 42 | Flanged bushing | 11079-G1 | 2 | ||
| 43 | Torsion spring | 70138-G01 | 1 | ||
| 44 | Washer | 00643-G1 | 3/8" | 1 | |
| 45 | Nut | 11098-G5 | 3/8 - 16 | 1 | |
| 47 | Compensator assembly | 70272-G04 | includes items 48 - 56 | 1 | |
| 48 | Linkage rod | 25882-G04 | 1 | ||
| 49 | Nut | 00532-G4 | 5/16 - 24 | 2 | |
| 50 | Yoke | * | 1 | ||
| 51 | Compression spring | 23463-G1 | 1 | ||
| 52 | Tube | 23061-G2 | 1 | ||
| 53 | Bushing | 17979-G1 | 1 | ||
| 54 | Washer | 15121-G1 | 3/8" | 2 | |
| 55 | Spherical nut | 00963-G01 | 5/16 - 24 | 1 | |
| 56 | Lock nut | 11098-G9 | 5/16 - 24 | 1 | |
| 58 | Equalizer and brake cable assembly | 70273-G03 | includes items 59 - 62 | 1 | |
| 59 | Equalizer bracket | 28082-G01 | 1 | ||
| 60 | Brake compensator bumper | 28083-G01 | 2 | ||
| 61 | Brake cable | * | Passenger side | 1 | |
| 62 | Brake cable | * | Driver side | 1 | |
| 64 | Retaining ring | 12305-G1 | 4 | ||
| 65 | Wire tie | 12416-G2 | 2 | ||
| 66 | Clevis pin | 10386-G3 | 5/16" x 15/16" LG | 3 | |
| 67 | Cotter pin | 10387-G3 | 3/32" x 3/4" LG | 5 | |
| 70 | Kick-off link | 70097-G01 | 1 | ||
| 71 | Flanged bearing | 17838-G1 | 2 | ||
| 72 | Teflon washer | 20835-G1 | 2 | ||
| 73 | Washer | 00559-G8 | 5/16" | 2 | |
| 74 | Cotter pin | 10387-G3 | 3/32" x 3/4" LG | 2 | |
| 75 | Kick off cam pivot | 70096-G01 | 1 | ||
| 76 | Flanged bearing | 10097-G6 | 2 | ||
| 77 | Kick-off cam | 25103-G1 | 1 | ||
| 78 | Setscrew with patch lock | 71215-G01 | 1/4 - 20 x 1/2" LG | 2 | |
| 79 | Spacer | 14134-G4 | 1 | ||
| 81 | Adjustable bumper | 70113-G01 | 1 | ||
| 82 | Lock nut | 11027-G1 | 5/16 - 18 | 1 | |
| 84 | Catch bracket | 70080-G01 | 1 | ||
| 85 | Bolt | 00414-G6 | 1/4 - 20 x 3/4" LG | 2 | |
| 86 | Lock nut | 11027-G2 | 1/4 - 20 | 2 | |
| 88 | Driver side brake assembly | 27942-G01 | includes items 90 - 97 | 1 | |
| 89 | Passenger side brake assembly | 27942-G02 | includes items 90-97 | 1 | |
| 90 | Brake shoe kit | 27945-G01 | includes item 91 | 2 | |
| 91 | Brake shoe | * | 2 | ||
| 92 | Brake spring kit | 27944-G01 | includes items 93-97 | 2 | |
| 93 | Upper spring | * | 1 | ||
| 94 | Lower spring | * | 1 | ||
| 95 | Pin | * | 2 | ||
| 96 | Cup and spring | * | 2 | ||
| 97 | Adjuster spring | * | 1 | ||
| 98 | Bolt | 17803-G2 | 5/16 - 24 x 1" LG | 8 | |
| 99 | Lock nut | 15126-G1 | 5/16 - 24 | 8 | |
| 100 | Inner brake drum washer | 21809-G1 | 2 | ||
| 101 | Brake drum assembly | 21807-G1 | includes items 102 - 103 | 2 | |
| 102 | Brake drum | * | 1 | ||
| 103 | Lug bolt | 19862-G1 | 4 | ||
| 104 | Spindle cap adapter | 24939-G2 | 2 | ||
| 105 | Outer brake drum washer | 21830-G1 | 2 | ||
| 106 | Slotted nut | 00518-G8 | 3/4 - 16 | 2 | |
| 107 | Cotter pin | 10387-G1 | 2 | ||
| 109 | Spindle cap | 12091-G2 | 2 | ||
| 111 | Brake cable bracket | 72036-G01 | Passenger side | 1 | |
| 112 | Brake cable bracket | 72036-G02 | Driver side | 1 |
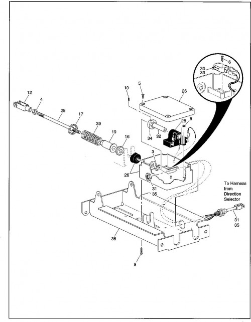
Direction Selector – DCS
| Sl. No. | Part description | Part number | Notes | Quantity | Purchase |
|---|---|---|---|---|---|
| 1 | Direction selector assembly | 73180-G01 | includes items 2-18 | ||
| 2 | Bracket | 73179-G01 | 1 | ||
| 3 | Cam | 73167-G01 | 1 | ||
| 4 | Direction selector shaft | 73171-G01 | 1 | ||
| 5 | Reverse warning buzzer | 73037-G02 | 1 | ||
| 6 | Micro switch | 73195-G01 | 1 | ||
| 7 | Micro switch | 73194-G01 | 1 | ||
| 8 | Compression spring | 73188-G01 | 1 | ||
| 9 | Bushing | 25664-G1 | 1 | ||
| 10 | Nylon washer | 00771-G4 | 1/2" | 1 | |
| 11 | Washer | 73181-G01 | 1/2" | 1 | |
| 12 | Lock nut | 14390-G1 | 3/8 - 24 | 1 | |
| 13 | Lock washer | 00565-G3 | 3/8" | 2 | |
| 14 | Nut | 00525-G5 | #6 | 2 | |
| 15 | Screw | 00138-G5 | #6 - 32 x 5/8" LG | 2 | |
| 16 | Nylon washer | 73182-G01 | 1 3/8" | 1 | |
| 17 | Wire tie | 17618-G1 | 3 | ||
| 18 | Washer | 00559-G3 | #6 | 2 | |
| 20 | Bolt | 28272-G01 | 1/4 - 20 x 5/8" LG | 2 | |
| 22 | Lock nut | 11027-G2 | 1/4 - 20 | 2 | |
| 24 | Washer | 00559-G7 | 1/4" | 2 | |
| 25 | Direction selector handle | 71905-G01 | 1 | ||
| 26 | Screw | 00740-G4 | #10 - 32 x 1/2" LG (Stainless steel) | 1 |
Electronic Speed Control – DCS
| Sl. No. | Part description | Part number | Notes | Quantity | Purchase |
|---|---|---|---|---|---|
| 1 | Speed control assembly | 73198-G01 | includes items 2-41 | 1 | |
| 2 | Lock washer | * | #10 | 2 | |
| 3 | Nut | * | 10- 32 | 2 | |
| 5 | Terminal tab | 12914-G1 | 1 | ||
| 6 | Resistor | 73150-G01 | 1 | ||
| 8 | Nut | * | 5/16 - 24 | 2 | |
| 10 | Lock washer | * | 5/16" | 2 | |
| 11 | Wire | 25972-G56 | C- B+ | 1 | |
| 13 | Nut | 11027-G2 | 1/4 - 20 | 2 | |
| 15 | Solenoid | 27855-G01 | 1 | ||
| 16 | Heatsink | 73026-G01 | 1 | ||
| 17 | Speed controller | 73144-G01 | 1 | ||
| 18 | Thermal mounting pad | 73190-G01 | 1 | ||
| 19 | Bolt | 71102-G01 | 1/4 - 20 x 3/4" LG | 5 | |
| 21 | Wire tie | 31539-G1 | 1 | ||
| 22 | Mount | 73053-G01 | 1 | ||
| 24 | Bolt | 71102-G03 | 1/4 - 20 x 1 1/4" LG | 3 | |
| 25 | Wire harness | 73152-G01 | Power | 1 | |
| 27 | Wire harness | 73191-G01 | Control | 1 | |
| 28 | Bolt | 00270-G5 | 5/16 - 18 x 5/8" LG | 3 | |
| 29 | Nut | 11027-G1 | 5/16 - 18 | 3 | |
| 31 | Solenoid bracket | 25866-G01 | 1 | ||
| 32 | Cover assembly | 73137-G01 | includes items 33 - 41 | 1 | |
| 33 | Cover | 73028-G02 | With gasket | 1 | |
| 34 | Label | 73132-G01 | Tow switch | 1 | |
| 36 | Toggle switch with seal | 73125-G01 | includes items 37, 38 | 1 | |
| 37 | Screw | * | #5 - 40 | 4 | |
| 38 | Nut | * | 15/32 - 32 | 4 | |
| 39 | Seal nut | 73139-G01 | 1 | ||
| 40 | Wire harness | 73138-G01 | Tow switch | 1 | |
| 41 | Wire tie | 17618-G1 | 1 | ||
| 43 | Bolt | 71102-G01 | 1/4 - 20 x 3/4" LG | 4 | |
| 44 | Wire | 25972-G22 | BL+ TO SOL | 1 |
Electronic Speed Control – HD
| Sl. No. | Part description | Part number | Notes | Quantity | Purchase |
|---|---|---|---|---|---|
| 1 | Electronic speed control assembly | 73055-G02 | for use on freedom vehicles only, includes items 2-28 | 1 | |
| 2 | Lock washer | * | #10 | 2 | |
| 3 | Washer | * | 5/16" | 2 | |
| 5 | Diode | 30353-G1 | 1 | ||
| 6 | Resistor | 21764-G1 | 1 | ||
| 7 | Wire harness | 28325-G01 | Charger connector | 1 | |
| 8 | Nut | * | 5/16 - 24 | 2 | |
| 9 | Nut | * | #10 - 32 | 2 | |
| 10 | Washer | 00559-G7 | 1/4" | 2 | |
| 11 | Wire | 25978-G88 | From sol | 1 | |
| 12 | Wire | 25972-G02 | SOL- B+ | 1 | |
| 13 | Wire | 25978-G10 | From sol | 1 | |
| 14 | Nut | 11027-G2 | 1/4 - 20 | 6 | |
| 16 | Solenoid | 20468-G1 | 1 | ||
| 18 | Electronic speed controller | 73060-G01 | 1 | ||
| 19 | Lock nut | 11027-G1 | 5/16 - 18 | 4 | |
| 21 | Controller mount | 74014-G01 | 1 | ||
| 24 | Screw | 00414-G5 | 1/4 - 20 x 5/8" LG | 4 | |
| 26 | Wire harness | 73095-G02 | Power | 1 | |
| 28 | Bolt | 00270-G5 | 5/16 - 18 x 5/8" LG | 4 | |
| 30 | Cover | 23723-G2 | 1 | ||
| 31 | Washer | 16469-G1 | 9/32" | 1 | |
| 32 | Wing nut | 14419-G1 | 1/4 - 20 | 1 | |
| 34 | Screw | 00715-G2 | 1/4 - 20 x 5/8" LG | 4 | |
| 35 | Nut | 11027-G2 | 1/4 - 20 | 4 |
Electrical System
| Sl. No. | Part description | Part number | Notes | Quantity | Purchase |
|---|---|---|---|---|---|
| 1 | Nut | 00702-G2 | 5/16 - 18 | 12 | |
| 2 | Battery interconnect wire | 25972-G32 | 10 1/2" LG | 1 | |
| 3 | Battery interconnect wire | 25972-G40 | 6" LG | 4 | |
| 4 | Lockwasher | 00565-G8 | 5/15" | 4 | |
| 5 | Lock washer, silicon bronze | 00993-G01 | 5/16" | 4 | |
| 6 | Nut, bronze | 28418-G01 | 5/16 - 18 | 4 | |
| 7 | Nut | 00532-G3 | 5/16 - 18 | 4 | |
| 8 | Charger receptacle wire harness assembly | 73051-G01 | 1 | ||
| 9 | Charger receptacle wire harness assembly | 73149-G01 | For use on dcs model only | 1 | |
| 10 | Receptacle cover | 73051-G03 | 1 | ||
| 11 | Receptacle bottom | 73051-G04 | 1 | ||
| 12 | Female radsok | 73051-G05 | 2 | ||
| 13 | Insulator sleeve | 73051-G06 | 1 | ||
| 14 | Reed switch | 73051-G07 | 1 | ||
| 15 | Screw | 73051-G08 | 10 - 32 x 1/2" LG | 2 | |
| 16 | Screw | 73051-G09 | 6-32 x 1 3/4" LG | 3 | |
| 17 | Lock nut | 73051-G10 | 3 | ||
| 18 | Rivet | 14601-G10 | 5/32" x 13/32" LG | 4 | |
| 19 | Wire tie | 17618-G1 | 3 | ||
| 20 | Wire | 25972-G32 | BL- TO B- | 1 | |
| 23 | Harness | 73145-G01 | Key switch, DCS model only | 1 | |
| 24 | Harness | 73041-G01 | Key switch, fleet | 1 | |
| 25 | Lock washer | 00568-G6 | 3/4" | 1 | |
| 26 | Ignition key | 17063-G1 | Set | AR | |
| 27 | Face nut | 17137-G1 | 1 | ||
| 28 | Wire tie | 17618-G1 | 1 | ||
| 29 | Ignition switch kit | XXXXX-XX | includes all mounting hardware, see section k - guages, horn and lighting for p/n | 1 | |
| 30 | Drive rivet | 33623-G02 | 3/16" x 3/8" LG | 2 | |
| 32 | Wire tie | 17618-G1 | 1 | ||
| 35 | Motor wire | 25972-G60 | 43" LG | 1 | |
| 36 | Motor wire | 25972-G37 | 40 1/2" LG | 1 | |
| 37 | Motor wire | 25972-G59 | 54 1/2" LG | 1 | |
| 38 | Motor wire | 25972-G38 | 45" LG | 1 | |
| 40 | Battery rack | 70046-G01 | 1 | ||
| 41 | Battery | XXXXX-G** | 6 volt | 6 | |
| 42 | Hold down bolt | 70121-G01 | 2 | ||
| 43 | Battery retainer | 70045-G01 | 1 | ||
| 44 | Lock nut | 11027-G1 | 5/16 - 18 | 2 | |
| 46 | Cable clamp | 27327-G01 | 2 | ||
| 47 | Rivet | 10570-G11 | 5/16" (stainless steel) | 1 |
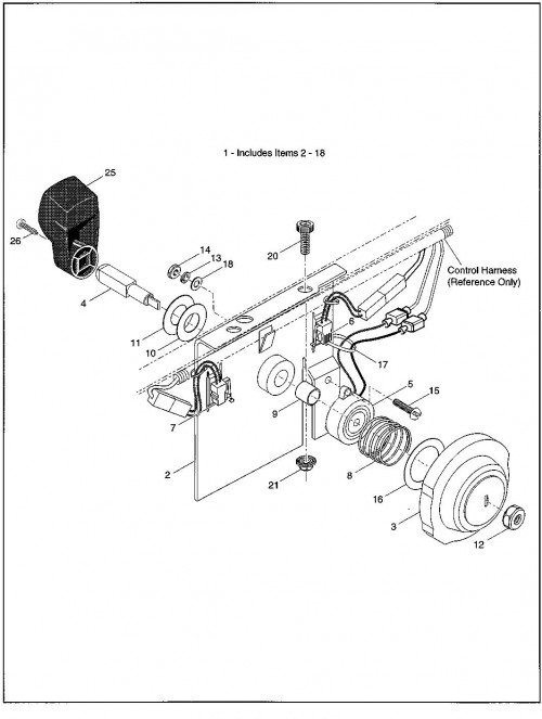
Electric Motor
| Sl. No. | Part description | Part number | Notes | Quantity | Purchase |
|---|---|---|---|---|---|
| 1 | Motor, complete | 73124-G01 | DCS model, includes items 3-12 | 1 | |
| 2 | Motor, complete | 73124-G02 | Includes items 3-11 and 14 | 1 | |
| 3 | Armature | * | 1 | ||
| 4 | Brush spring | 73120-G03 | 4 | ||
| 5 | Brush plate and box | 73120-G04 | 1 | ||
| 6 | Brush replacement kit | 73120-G05 | includes hardware | 1 | |
| 7 | Cover commutator end | 73120-G08 | 1 | ||
| 8 | Cover plate & screw | 73120-G09 | 1 | ||
| 9 | Cap | 73120-G10 | 1 | ||
| 10 | Snap ring | 73120-G06 | 1 | ||
| 11 | Bearing | 73120-G07 | 1 | ||
| 12 | Field coil kit | 73120-G02 | includes hardware | 1 | |
| 13 | Field coil kit | 73120-G11 | includes hardware | 1 |
Front Suspension
| Sl. No. | Part description | Part number | Notes | Quantity | Purchase |
|---|---|---|---|---|---|
| 1 | Front axle | 70001-G01 | 1 | ||
| 2 | Shock absorber | 70324-G01 | 2 | ||
| 3 | Shock absorber washer | 10435-G1 | 8 | ||
| 4 | Rubber shock absorber bushing | 10194-G1 | 8 | ||
| 5 | Nut | 00532-G6 | 3/8 - 24 | 4 | |
| 7 | Leaf spring | 70049-G01 | 2 | ||
| 8 | Bolt | 00463-G4 | 7/16 - 14 x 1 1/2" LG | 6 | |
| 9 | Spring plate | 70163-G02 | 4 | ||
| 10 | Lock nut | 00734-G1 | 7/16 - 14 | 12 | |
| 11 | Bolt | 00463-G6 | 7/16 - 14 x 1 3/4" LG | 6 | |
| 13 | Spindle pin | 70327-G01 | 1/2 - 13 x 5 1/2" LG | 2 | |
| 14 | Washer | 00571-G5 | 1/2" | 4 | |
| 15 | Thrust washer | 16982-G1 | 57/64" I.D. | 2 | |
| 16 | Spindle pin tube | 70328-G01 | 2 | ||
| 17 | Lock nut | 14390-G6 | 1/2 - 13 | 2 | |
| 18 | Cotter pin | 10387-G2 | 3/32" x 1" LG | 2 | |
| 20 | Spindle assembly | 70220-G01 | Driver side, includes items 21 - 29 | ||
| 21 | Spindle | * | 1 | ||
| 22 | Bearing | 16623-G1 | 2 | ||
| 23 | Grease fitting | 10389-G3 | 1 | ||
| 24 | Grease seal | 25146-G1 | 1 | ||
| 25 | Wheel hub assembly | 19932-G1 | includes items 26, 27 | 1 | |
| 26 | Lug bolt | 19862-G1 | 1/2 - 20 x 1 7/32" LG | 4 | |
| 27 | Bearing and race assembly | 50892-G1 | Complete | 1 | |
| 28 | Slotted nut | 12093-G1 | 1-14 | 1 | |
| 29 | Cotter pin | 00798-G8 | 5/32" x 1 3/4" LG | 1 | |
| 30 | Spindle assembly | 70221-G01 | Passenger side, includes items 22-29 and 31 | 1 | |
| 31 | Spindle | * | 1 | ||
| 33 | Spindle cap | 12091-G02 | 2 | ||
| 34 | Lug nut | 14723-G1 | 1/2 - 20 | 8 |
Gauges Horn and Lighting
| Sl. No. | Part description | Part number | Notes | Quantity | Purchase |
|---|---|---|---|---|---|
| 1 | Fuse block | 22674-G1 | 1 | ||
| 2 | Rivet | 71010-G01 | 5/32 x 3/8" LG | 2 | |
| 3 | Fuse | 18392-G1 | 15 AMP | 3 | |
| 5 | Horn switch button and nut | 17318-G2 | 1 | ||
| 6 | Horn switch plate | 19233-G1 | 1 | ||
| 7 | Rivet | 14601-G7 | Stainless steel, 9/16" | 2 | |
| 8 | Horn switch | 17318-G1 | 1 | ||
| 9 | Wire tie | 17618-G1 | 2 | ||
| 10 | Horn switch boot | 27068-G01 | 1 | ||
| 12 | Horn | 32860-G1 | With mounting hardware | 1 | |
| 13 | Washer | 00559-G8 | 5/16" | 1 | |
| 16 | Rivet | 10570-G11 | 3/16" x 3/4" LG | 2 | |
| 17 | Hour meter | 21573-G1 | 1 | ||
| 18 | Hour meter bracket | 74019-G01 | 1 | ||
| 19 | Wire harness | 75117-G02 | Hour meter | 1 | |
| 21 | State of charge meter | 33636-G01 | 1 | ||
| 22 | Ignition key | 17063-G1 | Set | AR | |
| 23 | Face nut | 17137-G1 | 1 | ||
| 24 | Decal | 71145-G01 | Console insert | 1 | |
| 25 | Decal | 71123-G01 | Console plate, state of charge meter w/o lights | 1 | |
| 26 | Decal | 71129-G01 | Console plate, state of charge meter w/ lights | 1 | |
| 27 | Plate | 73030-G01 | Standard console insert mount | 1 | |
| 28 | Plate | 73030-G02 | Console insert, state of charge meter | 1 | |
| 29 | Lock washer | 00568-G6 | 3/4" | 1 | |
| 30 | Ignition switch | 17421-G1 | includes all hardware | 1 | |
| 31 | Ignition switch | 33639-G01 | With lights | 1 | |
| 34 | Turn signal | 17867-G1 | With mounting hardware | 1 | |
| 35 | Flasher | 21640-G1 | 1 | ||
| 36 | Vinyl tape | * | AR | ||
| 37 | Steering column cover | 20965-G3 | Vehicles with turn signals | 1 | |
| 38 | Wire harness | 73043-G01 | Accessory | 1 | |
| 41 | Taillight assembly | 22260-G2 | Complete | 1 | |
| 42 | Taillight bumb | 21759-G1 | Replacement | AR | |
| 43 | Bezel | 74371-G01 | Driver side | 1 | |
| 44 | Bezel | 74371-G02 | Passenger side | 1 | |
| 45 | Rivet | 14601-G11 | 3/16" x 5/8" LG | 2 | |
| 46 | Wire harness | 24605-G1 | Brake light | 1 | |
| 48 | Headlight bulb | 74004-G01 | Replacement | AR | |
| 49 | Marker light bulb | 74005-G01 | Replacement | AR | |
| 50 | Turn light bulb | 74006-G01 | Replacement | AR | |
| 52 | Headlight and turn signal | 74001-G01 | 1 | ||
| 53 | Headlight and turn signal bracket | 74002-G01 | Passenger side | 1 | |
| 54 | Headlight and turn signal bar bracket | 74002-G02 | Driver side | 1 | |
| 55 | Screw | 00414-G6 | 1/4 - 20 x 3/4" LG | 2 | |
| 56 | Lock nut | 11027-G2 | 1/4 - 20 | 2 | |
| 57 | Screw | 00114-G6 | 1/4 - 14 x 3/4" LG | 8 | |
| 59 | Wire | 25978-G74 | 18 GA, red | 1 |
Rear Axle
| Sl. No. | Part description | Part number | Notes | Quantity | Purchase |
|---|---|---|---|---|---|
| 1 | Rear axle assembly | 73069-G01 | includes items 2-8 | 1 | |
| 2 | Axle shaft | 20377-G12 | Passenger side | 1 | |
| 3 | Axle shaft | 20377-G11 | Driver side | 1 | |
| 4 | Differential cover | 25228-G1 | 1 | ||
| 5 | Fill/check plug | 25226-G1 | 1 | ||
| 6 | Washer | 25227-G1 | 1 | ||
| 7 | Screw | 15558-G1 | 5/16 - 18 x 3/4" LG | 10 | |
| 8 | Vent | 73050-G01 | 1 | ||
| 11 | Bumper spline | 24261-G1 | 1 | ||
| 12 | Bolt | 00797-G2 | 1/4 - 20 x 1 1/4" LG | 3 | |
| 13 | Lock washer | 00565-G7 | 1/4" | 3 | |
| 14 | Washer | 00559-G7 | 1/4" | 3 | |
| 15 | Moly lube | 28095-G01 | 2 OZ | AR |
Rear Suspension
| Sl. No | Part description | Part number | Notes | Quantity | Purchase |
|---|---|---|---|---|---|
| 1 | Shock absorber | 70324-G01 | 2 | ||
| 2 | Shock absorber washer | 10435-G1 | 8 | ||
| 3 | Rubber shock absorber bushing | 10194-G1 | 8 | ||
| 4 | Nut | 00532-G6 | 3/8 - 24 | 4 | |
| 7 | Leaf spring kit | 70505-G01 | 2 | ||
| 8 | Leaf spring kit | 70506-G01 | Use on 4 caddy only | 2 | |
| 9 | "U" bolt | 72029-G01 | 3/8 - 16 | 4 | |
| 10 | "U" bolt | 74124-G01 | 3/8 - 16 (use on 4 caddy only) | 4 | |
| 11 | Washer | 00560-G1 | 3/8" | ||
| 12 | Lock nut | 11098-G5 | 3/8 - 16 | 8 | |
| 14 | Spacer | 70289-G02 | 4 | ||
| 15 | Rubber bushing | 70291-G01 | Leaf spring | 12 | |
| 16 | Shackle plate | 70290-G01 | 4 | ||
| 17 | Bolt | 00429-G | 3/8 - 16 x 3 1/2" LG | 4 | |
| 18 | Lock nut | 11098-G5 | 3/8 - 16 | 4 | |
| 20 | Shoulder bolt | 14158-G1 | 7/16 - 14 x 3 1/4" LG | 2 | |
| 21 | Lock nut | 12262-G1 | 3/8 - 16 | 2 |
Seating and Bag Holder
| Sl. No | Part description | Part number | Notes | Quantity | Purchase |
|---|---|---|---|---|---|
| 1 | Seat bottom assembly | 71611-G** | includes items 2 - 9 | 1 | |
| 2 | Tee nut | * | 8 | ||
| 3 | Bumper | 17074-G1 | 2 | ||
| 4 | Flat staple | * | 110 | ||
| 6 | Vinyl trim | 71012-G01 | Seat bottom | 1 | |
| 7 | Vinyl seat bottom cover | 71602-G** | 1 | ||
| 8 | Foam padding | * | Seat bottom | 1 | |
| 9 | Seat bottom | * | Wood | 1 | |
| 13 | Hip restraint | 71701-G01 | Passenger side | 1 | |
| 14 | Hip restraint | 71702-G01 | Driver side | 1 | |
| 15 | Bolt | 00414-G8 | 1/4 - 20 x 1" LG | 8 | |
| 16 | Lock washer | 00565-G7 | 1/4" | 8 | |
| 17 | Washer | 00559-G7 | 1/4" | 8 | |
| 19 | Seat hinge | 71610-G01 | 2 | ||
| 20 | Screw | 00720-G08 | #12 - 14 x 1" LG | 4 | |
| 22 | Seat back assembly | 71751-G** | includes items 23 - 29 | 1 | |
| 23 | Flat staple | * | 95 | ||
| 24 | Plastic seat back cover | 71752-G01 | 1 | ||
| 25 | Seat back | * | Wood | 1 | |
| 26 | Screw | 71002-G01 | #8 x 1" LG | 4 | |
| 27 | Tee nut | * | 4 | ||
| 28 | Foam padding | * | Seat back | 1 | |
| 29 | Vinyl seat back cover | 71753-G** | 1 | ||
| 32 | Seat support bracket | 71811-G02 | 2 | ||
| 33 | Bolt | 00414-G8 | 1/4 - 20 x 1" LG | 4 | |
| 34 | Lock washer | 00565-G7 | 1/4" | 4 | |
| 35 | Bolt | 71802-G01 | 3/8 - 16 x 2 1/4" LG | 4 | |
| 36 | Bag holder bracket | 71851-G01 | 1 | ||
| 37 | Bag retainer clamp | 71856-G01 | 2 | ||
| 38 | Bag retainer strap | 71853-G01 | 1 | ||
| 39 | Ratchet fastener | 16816-G1 | 2 | ||
| 40 | Carriage bolt | 71821-G01 | 1/4 - 20 x 1 1/2" LG | 2 | |
| 41 | Lock nut | 11027-G2 | 1/4 - 20 | 2 | |
| 44 | Seat assembly | 74131-G** | includes items 45 - 64 | 1 | |
| 45 | Seat bottom assembly | 74139-G** | includes items 46 - 58 | 1 | |
| 46 | Vinyl cover | 71602-G** | Seat bottom | 1 | |
| 47 | Foam padding | * | Seat bottom | 1 | |
| 48 | Seat bottom | * | Wood | 1 | |
| 49 | Tee nut | * | 16 | ||
| 50 | Seat trim | 71012-G01 | 1 | ||
| 51 | Flat staple | * | 110 | ||
| 52 | Flat staple | * | 48 | ||
| 53 | Seat trim | 74140-G01 | 1 | ||
| 54 | Hip restraint | 71702-G01 | Driver side | 1 | |
| 55 | Hip restraint | 71701-G01 | Passenger side | 1 | |
| 56 | Bolt | 00414-G8 | 1/4 - 20 x 1" LG | 8 | |
| 57 | Lock washer | 00565-G7 | 1/4" | 8 | |
| 58 | Washer | 00559-G7 | 1/4" | 8 | |
| 60 | Seat back assembly | 71751-G** | includes items 23 - 29 | 1 | |
| 61 | Seat support bracket | 74117-G01 | 2 | ||
| 62 | Bolt | 00414-G8 | 1/4 - 20 x 1" LG | 12 | |
| 63 | Lock washer | 00565-G2 | #5 | 12 | |
| 64 | Washer | 00559-G7 | 1/4" | 12 | |
| 66 | Nylon bushing | 17838-G1 | 4 | ||
| 67 | Quick release pin | 74134-G01 | 2 | ||
| 69 | Spacer | 70364-G01 | 2 | ||
| 70 | Seat back support | 74111-G01 | 2 | ||
| 71 | Bolt | 00414-G8 | 1/4 - 20 x 1" LG | 4 | |
| 72 | Lock washer | 00565-G7 | 1/4" | 4 | |
| 73 | Washer | 00559-G7 | 1/4" | 4 | |
| 74 | Bolt | 01006-G02 | 3/8 - 16 x 1 1/2" LG | 4 | |
| 75 | Washer | 00560-G1 | 3/8" | 4 | |
| 76 | Rubber bumper | 70113-G01 | 4 | ||
| 77 | Lock nut | 11027-G1 | 5/16 - 18 | 6 |
Steering
| Sl. No. | Part description | Part number | Notes | Quantity | Purchase |
|---|---|---|---|---|---|
| 1 | Steering box assembly | 70314-G02 | Complete, includes items 2 - 34 | 1 | |
| 2 | Steering housing | 75364-G01 | includes items 3-6 | 1 | |
| 3 | Sleeve bearing | * | 1 | ||
| 4 | Sleeve bearing | * | 1 | ||
| 5 | Flanged bearing | * | 1 | ||
| 6 | Grease fitting | 10389-G3 | 1 | ||
| 8 | Bolt | 00426-G6 | 3/8 - 16 x 3/4" LG | 2 | |
| 9 | 90 grease fitting | 18456-G1 | 1 | ||
| 10 | Rack guide cover | 70177-G01 | 1 | ||
| 11 | Gasket | 70225-G01 | 1 | ||
| 12 | Compression spring | 70178-G01 | 1 | ||
| 13 | Rack guide | 70179-G01 | 1 | ||
| 14 | Clamp | 11391-G1 | 1 | ||
| 15 | Rack cover | 70041-G01 | 1 | ||
| 16 | Gear clamp | 11391-G1 | 1 | ||
| 17 | Bellows | 70183-G01 | 1 | ||
| 18 | Gear clamp | 11391-G5 | 1 | ||
| 20 | Steering gear kit | 70299-G01 | includes items 21 - 28 | 1 | |
| 21 | Gear pinion | 70297-G01 | 1 | ||
| 22 | Ball bearing | 15112-G1 | 1 | ||
| 23 | External retaining ring | 70190-G01 | 1 | ||
| 24 | Steering rack | 70298-G01 | 1 | ||
| 25 | Rack ball end | 70192-G01 | With nut | 1 | |
| 26 | Nut | 00544-G8 | 7/16 - 20 | 1 | |
| 27 | 90 grease fitting | 18456-G1 | 2 | ||
| 28 | Retainer | 70466-G01 | 1 | ||
| 30 | Idler | 70184-G01 | 1 | ||
| 31 | Thrust washer | 70216-G01 | 1 1/2" I.D. | 1 | |
| 32 | Thrust washer | 70195-G01 | 7/8" | 1 | |
| 33 | Lock nut | 00734-G6 | 7/8 - 9 | 1 | |
| 34 | Cotter pin | 00798-G8 | 5/32" x 1 3/4" LG | 1 | |
| 36 | Steering shaft/column kit | 70360-G01 | includes items 37 - 49 | 1 | |
| 37 | Steering shaft | 14322-G3 | 1 | ||
| 38 | Steering column | 70333-G01 | 1 | ||
| 39 | Coupling | 70226-G01 | 1 | ||
| 40 | Lock nut | 00550-G1 | 1/4 - 20 | 2 | |
| 41 | Bolt | 70227-G01 | 1/4 - 20 x 7/8" LG | 2 | |
| 42 | Screw | 01022-G01 | #6 - 20 x 5/16" LG | 1 | |
| 43 | Steering housing gasket | 70223-G01 | 1 | ||
| 44 | Bolt | 00876-G2 | 3/8 - 16 x 1 1/4" LG | 3 | |
| 45 | Lock washer | 00878-G1 | 3/8" | 3 | |
| 46 | Retainer | 70466-G01 | 1 | ||
| 47 | Bushing/seal kit | 17161-G1 | includes items 42, 43 | 1 | |
| 48 | Steering column bushing | * | 1 | ||
| 49 | Shaft seal | * | 1 | ||
| 52 | Bolt | 00470-G4 | 7/16 - 20 x 2 1/2" LG | 1 | |
| 53 | Lock nut | 00734-G3 | 7/16 - 20 | 1 | |
| 54 | Bolt | 00462-G7 | 7/16 - 14 x 7/8" LG | 2 | |
| 55 | Lock washer | 00566-G2 | 7/16" | 2 | |
| 57 | Steering wheel | 18325-G1 | includes item 58 | 1 | |
| 58 | Hub cover | * | 1 | ||
| 59 | Lock nut | 14390-G2 | 5/8 - 18 | 1 | |
| 60 | Clipboard | 27102-G01 | 1 | ||
| 61 | Screw | 00999-G01 | #8 - 18 x 7/8" LG | 2 | |
| 63 | Tie rod assembly | 70074-G01 | includes items 64 - 68 | 2 | |
| 64 | Nut | 18434-G2 | 9/16 - 18 | 2 | |
| 65 | Cotter pin | 10387-G2 | 3/32" x 1" LG | 2 | |
| 66 | Slotted nut | 50209-G1 | 7/ 16 - 20 | 2 | |
| 67 | Rubber boot | 50641-G1 | 2 | ||
| 68 | Grease fitting | 10389-G3 | 2 | ||
| 70 | Slotted nut | 50209-G1 | 7/16 - 20 | 1 | |
| 71 | Cotter pin | 10387-G2 | 3/32" x 1" LG | 3 |
Wheels and Tires
| Sl. No. | Part description | Part number | Notes | Quantity | Purchase |
|---|---|---|---|---|---|
| 1 | 18 x 8.5-8 carlisle tire and wheel assembly | 27772-G01 | links, includes items 2, 11, 12 | AR | |
| 2 | 18 x 8.5-8 carlisle tire | 27772-G05 | Links | AR | |
| 3 | 18 x 8.5 - 8 carlisle tire and wheel assembly | 27772-G02 | Turf glide, includes items 4, 11, 12 | AR | |
| 4 | 18 x 8.5- 8 carlisle tire | 27772-G06 | Turf glide | AR | |
| 7 | 18 x 8.5-8 carlisle and wheel assembly | 27772-G03 | Turf saver, includes items 8, 11, 12 | AR | |
| 8 | 18 x 8.5 - 8 carlisle tire | 27772-G07 | Turf saver | AR | |
| 9 | 18 x 8.5-8 carlisle tire and wheel assembly | 27772-G04 | Fairway, includes items 10, 11, 12 | AR | |
| 10 | 18 x 8.5 - 8 carlisle tire | 27772-G08 | Fairway | AR | |
| 11 | Wheel rim | 15169-G1 | Standard 4 lug | AR | |
| 12 | Valve stem | 11657-G1 | AR |
Special Tools
| Sl. No. | Part description | Part number | Notes | Quantity | Purchase |
|---|---|---|---|---|---|
| 1 | Battery maintenance kit | 25587-G01 | |||
| 2 | Seal installation tool | 18739-G1 | Real axle shaft seal | ||
| 3 | Battery set discharger | 28251-G01 | 36 volt, 75 AMP | ||
| 4 | Current indicator | 16489-G1 | |||
| 5 | Digital multimeter | 27481-G01 | |||
| 6 | Crimping tool | 27765-G01 | |||
| 7 | Slide hammer | 15947-G1 | Axle/hub removal | ||
| 8 | Slide hammer | 18753-G1 | Axle removal only | ||
| 9 | .6 OZ brush on paint - hunter green | 28002-G04 | |||
| 10 | .6 OZ brush on paint - champagne beige | 28002-G03 | |||
| 11 | 12 OZ spray - hunter green | 28140-G09 | |||
| 12 | 12 OZ spray - champagne beige | 28140-G15 |
Accessories
| Sl. No. | Part description | Part number | Notes | Quantity | Purchase |
|---|---|---|---|---|---|
| 1 | Sun top kit | 75040-G01 | See kit instruction sheet 75055 | ||
| 2 | Sun top kit | 75123-G01 | 4 caddy only, see kit instruction sheet 75158 | ||
| 3 | Windshield kit, 4 caddy only | 75133-G01 | See kit instruction sheet 75161 | ||
| 4 | Windshield kit, Tint, 4 caddy only | 75133-G02 | See kit instruction sheet 75161 | ||
| 5 | Windshield kit, 2 bend | 75041-G03 | See kit instruction sheet 75043 | ||
| 6 | Windshield kit, 2 bend, tinted | 75041-G04 | See kit instruction sheet 75043 | ||
| 7 | Windshield kit, split | 75077-G01 | |||
| 8 | Windshield kit, split, tinted | 75077-G02 | |||
| 9 | Windshield kit, split, 4 caddy only | 75077-G03 | |||
| 10 | Windshield kit, split, tinted | 75077-G04 | |||
| 11 | Sand rake | 14735-G1 | |||
| 12 | Tow bar kit | 75310-G01 | Permanent use, See kit instruction sheet 75311 | ||
| 13 | Weather enclosure | 75078-G01 | 3 sided | ||
| 14 | Weather enclosure | 75079-G01 | 4 sided | ||
| 15 | Rear view mirror | 19528-G2 | Requires sun top, See kit instruction sheet 75162 | ||
| 16 | Message holder kit | 75094-G01 | Requires suntop | ||
| 17 | Hour meter | 75113-G02 | |||
| 18 | Cooler jug/bracket kit | 75170-G01 | |||
| 19 | Bag cover / rain curtain kit | 75191-G01 | |||
| 20 | Seat refurbishment spray | 28166-G01 | White | ||
| 21 | Ashtray kit | 75109-G02 | See kit instruction sheet 75110 | ||
| 22 | Turn signal kit | 75107-G02 | 4 caddy only | ||
| 23 | Sand bottle | 75009-G01 | See kit instruction sheet 75029 | ||
| 24 | 8" chrome hubcap | 14913-G* | See kit instruction sheet 28244 | ||
| 25 | 6" chrome hubcap | 16042-G* | See kit instruction sheet 28244 | ||
| 26 | Gold spoke hubcap | 19241-G* | See kit instruction sheet 28244 | ||
| 27 | Silver spoke hubcap | 19241-G* | See kit instruction sheet 28244 | ||
| 28 | 4 caddy kit | 74150-G01 | See kit instruction sheet 74155 | ||
| 29 | Center basket | 75003-G02 | See kit instruction sheet 75025 | ||
| 30 | Side basket | 75007-G02 | See kit instruction sheet 75026 | ||
| 31 | Scuff guards | 75127-G02 | |||
| 32 | Sun top without bag rack | 75135-G01 | See kit instruction sheet 75137 | ||
| 33 | Two bag attachment | 75183-G01 | See kit instruction sheet 75184 | ||
| 34 | Convertible carrier kit | 75179-G* | See kit insruction sheet 75283 | ||
| 35 | 4 caddy to convertible carrier kit | 75278-G* | See kit instruction sheet 75284 | ||
| 36 | 4 bag attachment | 75335-G01 | See kit instruction sheet 75336 |




































