TXT Freedom, Year 1996
Accelerator Linkage
| Sl. No. | Part description | Part number | Notes | Quantity | Purchase |
|---|---|---|---|---|---|
| 1 | Pedal box assembly | 25870-G03 | Includes items 3-32, 34, 36-40 | 1 | |
| 2 | Pedal box assembly, DCS model only | 25870-G05 | includes items 3-29, 32-40 | 1 | |
| 3 | Nut, lock | 00550-G2 | 1/4 - 28 | 1 | |
| 4 | Nut, lock | 00532-G4 | 5/16 - 24 | 1 | |
| 5 | Screw | 00684-G6 | #8 - 32 x 3/4 LG | 4 | |
| 6 | Screw | 00982-G01 | #4 - 14 X 5/8 LG | 2 | |
| 8 | Nut, self threading | 00983-G01 | 2 | ||
| 9 | Screw | 00984-G01 | #8 - 10 x 1/2 LG | 4 | |
| 10 | Setscrew | 00486-G2 | #8 - 32 x 1/8 LG | 1 | |
| 11 | Pushnut | 00986-G01 | 19/64 I.D. | 1 | |
| 12 | Yoke, clevis | 10385-G4 | Adjustable | 1 | |
| 13 | Pin, clevis | 10386-G3 | 5/16 x 15/16 LG | 1 | |
| 15 | Pin, cotter | 10387-G3 | 3/32 x 3/4 LG | 1 | |
| 16 | Retainer, spring | 17677-G1 | 1 | ||
| 17 | Retainer, spring | 17677-G2 | 1 | ||
| 19 | Bushing, accelerator rod | 17979-G1 | 1 | ||
| 20 | Accelerator pedal assembly | 25799-G01 | includes items 21 - 24 | 1 | |
| 21 | Accelerator pedal pad kit | 27844-G01 | includes items 22, 23 | ||
| 22 | Rivet, oval | 15766-G1 | 3/8 x 15/32 LG | 6 | |
| 23 | Pad, accelerator pedal | 27512-G01 | 1 | ||
| 24 | Pedal, accelerator | * | 1 | ||
| 26 | Pedal box and cover | 25853-G01 | seal and bearing | 1 | |
| 28 | Inductive throttle sensor | 25854-G01 | 1 | ||
| 29 | Accelerator rod | 25859-G01 | 1 | ||
| 30 | Switch, micro | 25861-G01 | 1 | ||
| 31 | wiring harness, pedal box assembly | 25879-G03 | 1 | ||
| 32 | Plunger | 26551-G01 | 1 | ||
| 33 | Switch, micro | 25861-G02 | DCS model only | 1 | |
| 34 | Cam, plunger | 26969-G01 | 1 | ||
| 35 | wiring harness, pedal box assembly | 25879-G04 | DCS model only | 1 | |
| 36 | Bracket, pedal | 70116-G01 | 1 | ||
| 37 | Pin, pedal pivot | 70134-G01 | 1 | ||
| 38 | Washer, teflon | 17255-G1 | 1/32 x 5/8 | 1 | |
| 39 | Spring, compression | 73046-G01 | 1 | ||
| 40 | Bushing | 17838-G1 | 3 | ||
| 42 | Bolt | 00715-G2 | 5/16 - 18 x 5/8 LG | 4 | |
| 43 | Cover, pedal pivot | 70135-G01 | 1 |
Battery Charger, Powerwise
| Sl. No. | Part description | Part number | Notes | Quantity | Purchase |
|---|---|---|---|---|---|
| 1 | Charger assembly | 28115-G01 | complete, includes items 2-58 | 1 | |
| 2 | Screw | 00372-G3 | #8 - 32 x 3/8 LG | 1 | |
| 3 | Screw | 00372-G4 | #8 - 32 x 1/2 LG | 4 | |
| 5 | Screw | 00378-G4 | #10 - 24 x 1/2 LG | 2 | |
| 6 | Screw | 00414-G5 | 1/4 - 20 x 5/8 LG | 3 | |
| 7 | Screw | 00513-G6 | #8 - 18 x 1 3/4 LG | 2 | |
| 8 | Nut | 00526-G1 | #8 - 32 | 5 | |
| 10 | Nut | 00526-G3 | #10 - 24 | 2 | |
| 11 | Nut | * | #10 - 32 | 3 | |
| 13 | Washer | 00559-G3 | #6 | 3 | |
| 14 | Washer | 00559-G4 | #8 | 12 | |
| 17 | Washer, lock | 00565-G4 | #8 | 5 | |
| 18 | Washer, lock | 00565-G5 | #10 | 4 | |
| 20 | Screw | 00614-G4 | #8 - 18 x 1/2 LG | 6 | |
| 21 | Washer, nylon, special | 00771-G6 | 1 | ||
| 22 | Screw | 00969-G01 | #8 - 32 x 3/8 LG | 3 | |
| 23 | Screw | 00984-G01 | #8 - 10 x 1/2 LG | 2 | |
| 25 | Washer, brass | * | #10 | 4 | |
| 26 | Screw | 01005-G01 | #6 - 19 x 5/16 LG | 3 | |
| 27 | Nut, lock | 11027-G2 | 1/4 - 20 | 3 | |
| 28 | Nut, plastic expansion | 11572-G3 | 2 | ||
| 29 | Strain relief | 13557-G2 | AC | 1 | |
| 30 | Strain relief | 13557-G3 | DC | 1 | |
| 32 | Cord | 19388-G4 | AC | 1 | |
| 33 | Washer, shoulder | 22589-G2 | 1 | ||
| 35 | Wire | 25977-G32 | 4" | 1 | |
| 36 | Bracket, capacitor | 26979-G01 | 1 | ||
| 37 | Support, spacer | 27877-G01 | 4 | ||
| 38 | Label, front | 28091-G01 | 1 | ||
| 40 | Cover | * | 1 | ||
| 41 | Chassis | * | 1 | ||
| 42 | Handle | 28102-G01 | 1 | ||
| 43 | Transformer | 28103-G01 | 1 | ||
| 44 | Heat sink | 28104-G01 | 1 | ||
| 45 | Ammeter | 28105-G01 | 1 | ||
| 46 | Fuse | 28106-G01 | 50 AMP | 1 | |
| 47 | Capacitor | 28109-G01 | 1 | ||
| 49 | Clip, electrical | 28110-G01 | 1 | ||
| 50 | Support, control board | 28111-G01 | 3 | ||
| 51 | Diode | 28112-G01 | 1 | ||
| 53 | Board, control | 28126-G01 | 1 | ||
| 54 | Board, power input | 28126-G03 | 1 | ||
| 55 | Top label, ventilation | 28136-G01 | 1 | ||
| 56 | Top label, cord condition | 28136-G02 | 1 | ||
| 57 | Clamp, nylon | 17618-G1 | 2 | ||
| 58 | DC plug | 28137-G** | Complete | 1 |
Battery charger, powerwise +
| Sl. No. | Part description | Part number | Notes | Quantity | Purchase |
|---|---|---|---|---|---|
| 1 | Charger assembly | 28115-G02 | complete, includes items 2-58 | 1 | |
| 2 | Screw | 00372-G3 | #8 - 32 x 3/8 LG | 1 | |
| 3 | Screw | 00372-G4 | #8 - 32 x 1/2 LG | 4 | |
| 5 | Screw | 00378-G4 | #10 - 24 x 1/2 LG | 2 | |
| 6 | Screw | 00414-G5 | 1/4 - 20 x 5/8 LG | 3 | |
| 7 | Screw | 00513-G6 | #8 - 18 x 1 3/4 LG | 2 | |
| 8 | Nut | 00526-G1 | #8 - 32 | 5 | |
| 10 | Nut | 00526-G3 | #10 - 24 | 2 | |
| 11 | Nut | 00528-G4 | #10 - 32 | 3 | |
| 13 | Washer | 00559-G3 | #6 | 3 | |
| 14 | Washer | 00559-G4 | #8 | 12 | |
| 17 | Washer, lock | 00565-G4 | #8 | 5 | |
| 18 | Washer, lock | 00565-G5 | #10 | 4 | |
| 20 | Screw | 00614-G4 | #8 - 18 x 1/2 LG | 6 | |
| 21 | Washer, nylon, special | 00771-G6 | 1 | ||
| 22 | Screw | 00969-G01 | #8 - 32 x 3/8 LG | 3 | |
| 23 | Screw | 00984-G01 | #8 - 10 x 1/2 LG | 2 | |
| 25 | Washer, brass | 01003-G01 | #10 | 4 | |
| 26 | Screw | 01005-G01 | #6 - 19 x 5/16 LG | 3 | |
| 27 | Nut, lock | 11027-G2 | 1/4 - 20 | 3 | |
| 28 | Nut, plastic expansion | 11572-G3 | 2 | ||
| 29 | Strain relief | 13557-G2 | AC | 1 | |
| 30 | Strain relief | 13557-G3 | DC | 1 | |
| 32 | Cord | 19388-G4 | AC | 1 | |
| 33 | Washer, shoulder | 22589-G2 | 1 | ||
| 35 | Wire | 25977-G32 | 4" | 1 | |
| 36 | Bracket, capacitor | 26979-G01 | 1 | ||
| 37 | Support, spacer | 27877-G01 | 4 | ||
| 38 | Label, front | 28091-G02 | 1 | ||
| 40 | Cover | * | 1 | ||
| 41 | Chassis | * | 1 | ||
| 42 | Handle | 28102-G01 | 1 | ||
| 43 | transformer | 28103-G01 | 1 | ||
| 44 | Heat sink | 28104-G01 | 1 | ||
| 45 | Ammeter | 28105-G01 | 1 | ||
| 46 | Fuse | 28106-G01 | 50 AMP | 1 | |
| 47 | Capacitor | 28109-G01 | 1 | ||
| 49 | Clip, electrical | 28110-G01 | 1 | ||
| 50 | Support, control board | 28111-G01 | 3 | ||
| 51 | Diode | 28112-G01 | 1 | ||
| 53 | Board, control | 28126-G02 | 1 | ||
| 54 | Board, power input | 28126-G04 | 1 | ||
| 55 | Top label, ventilation | 28136-G01 | 1 | ||
| 56 | Top label, cord condition | 28136-G02 | 1 | ||
| 57 | Clamp, nylon | 17618-G1 | 2 | ||
| 58 | DC plug | 28137-G** | Complete | 1 |
Body and Associated Parts
| Sl. No. | Part description | Part number | Notes | Quantity | Purchase |
|---|---|---|---|---|---|
| 1 | Instrument panel assembly | 71151-G01 | includes items 2-5 | 1 | |
| 2 | Ball deflector | 71153-G01 | Passenger side | 1 | |
| 3 | Ball deflector | 71154-G01 | Driver's side | 1 | |
| 4 | Screw | 00614-G5 | #8 - 18 x 5/8 LG | 6 | |
| 5 | Insert, 4 cup instrument panel | 71158-G01 | 1 | ||
| 8 | Label, safety | 27647-G01 | 1 | ||
| 10 | Splash panel assembly | 71143-G01 | includes items 11 - 14 | 1 | |
| 11 | Panel | * | 1 | ||
| 12 | Bracket, stay | * | 2 | ||
| 13 | Bracket, panel | * | 1 | ||
| 14 | Rivet | * | 5/32 x 9/16 LG | 9 | |
| 17 | Screw | 00740-G4 | #10-32 x 1/2 LG | 4 | |
| 18 | Nut | 00921-G8 | #10 - 32 | 4 | |
| 19 | Fastener, ratchet | 16816-G2 | 1 | ||
| 21 | Upper floorpan | 70047-G01 | 1 | ||
| 22 | Rivet | 14601-G11 | 5/32 x 9/16 LG | 10 | |
| 24 | Lower floorpan | 70451-G01 | 1 | ||
| 25 | Cover, switch access | 70452-G01 | 1 | ||
| 26 | Rivet | 14601-G11 | 3/16 x 9/16 LG | 6 | |
| 28 | Floormat | 70048-G01 | 1 | ||
| 29 | Trim, vinyl | 71115-G01 | 2 | ||
| 30 | Rivet | 14601-G13 | 5/32 x 9/16 LG | 10 | |
| 32 | Cowl | 71051-G** | 1 | ||
| 33 | Rivet | 14601-G13 | 5/32 x 9/16 LG | 2 | |
| 35 | Nameplate, E-Z-GO, gold | 19817-G2 | 1 | ||
| 36 | Pushnut | 12064-G3 | 3/16 | 2 | |
| 38 | Rivet | 71055-G01 | 3/16 x 3/8 LG | 7 | |
| 39 | Rivet | 10570-G11 | 3/16 x 3/4 LG | 2 | |
| 40 | Bolt | 71056-G01 | 5/16 - 18 x 5/8 LG | 4 | |
| 41 | Washer | 00570-G2 | 5/16 | 4 | |
| 42 | Bolt | 00438-G6 | 5/16 - 18 x 3/4 LG (with top) | 2 | |
| 43 | Washer | 00571-G2 | 5/16 (with top) | 2 | |
| 45 | Panel, splash | 70244-G02 | 2 | ||
| 50 | Fender liner, extended | 71551-G05 | Passenger side | 1 | |
| 51 | Fender liner, extended | 71552-G05 | Driver's side | 1 | |
| 52 | Ratchet fastener | 16816-G2 | 12 | ||
| 53 | Ratchet fastener | 16816-G2 | 8 | ||
| 57 | Seat frame | 70318-G02 | 1 | ||
| 58 | Battery rack | 70046-G01 | 1 | ||
| 59 | Bolt | 00715-G2 | 5/16 - 18 x 13/16 LG | 5 | |
| 60 | Bolt | 00438-G6 | 5/16 - 18 x 3/4 LG | 2 | |
| 61 | Nut, lock | 11098-G6 | 5/16 - 18 | 2 | |
| 62 | Washer | 00559-G8 | 5/16 | 2 | |
| 64 | Rear body | 71301-G** | Without taillights | 1 | |
| 65 | Rear body | 71310-G** | With taillights | 1 | |
| 66 | Scuffguard, bagwell, front | 71315-G01 | 1 | ||
| 67 | Bagwell, insert | 71761-G01 | 1 | ||
| 69 | Scuffguard, bagwell, side | 71314-G01 | Passenger side | 1 | |
| 70 | Scuffguard, bagwell, side | 71314-G02 | Driver's side | 1 | |
| 71 | Ratchet fastener | 16816-G1 | 26 | ||
| 73 | Scuffguard, fender | 75126-G01 | Driver's side | 1 | |
| 74 | Scuffguard, fender | 75126-G02 | Passenger side | 1 | |
| 75 | Ratchet fastener | 16816-G2 | 8 | ||
| 77 | Access panel | 71353-G** | 1 | ||
| 78 | Screw | 71002-G01 | #8 x 5/8 LG | 5 | |
| 79 | Clip | 71364-G02 | "J" | 1 | |
| 80 | Rivet | 10570-G12 | 1/4 x 1/2 LG | 4 | |
| 81 | Rivet | 10570-G10 | 5/32" | 6 | |
| 82 | Rivet, drive, plasti | 18436-G1 | 1/4 x 3/4 LG | 2 | |
| 83 | Plate, hinge | 71609-G01 | 2 | ||
| 84 | Rivet | 10570-G11 | 3/16 x 3/4 LG | 4 | |
| 85 | Washer | 00571-G2 | 5/16 | 4 | |
| 86 | Bumper, rear, notched | 71456-G01 | 4 caddy | 1 | |
| 87 | Bumper, rear | 71451-G01 | 1 | ||
| 88 | Bolt | 71398-G01 | 1/4 - 20 x 1 1/4 LG | 4 | |
| 89 | Plug, cover, bumper | 71455-G01 | 4 | ||
| 90 | Rivet | 71055-G01 | 3/16 | 2 | |
| 93 | Rocker panel | 71501-G01 | Passenger side | 1 | |
| 94 | Rocker panel | 71502-G01 | Driver's side | 1 | |
| 95 | Sill plate, rocker panel | 71507-G01 | Passenger side | 1 | |
| 96 | Sill plate, rocker panel | 71507-G02 | Driver's side | 1 | |
| 97 | Screw, stainless steel | 16705-G1 | 1/4 - 20 x 1 LG | 4 | |
| 98 | Spacer | 23726-G4 | 4 | ||
| 99 | Nut, lock | 00891-G2 | 1/4 - 20 | 4 | |
| 102 | Frame support, vertical | 74126-G01 | Passenger side | 1 | |
| 103 | Frame support, vertical | 74126-G02 | Driver's side | 1 | |
| 104 | Bolt | 00426-G8 | 3/8 - 16 x 1 LG | 2 | |
| 105 | Washer | 00560-G1 | 3/8 | 10 | |
| 106 | Nut, lock | 11098-G5 | 3/8 - 16 | 10 | |
| 107 | Bolt | 00427-G4 | 3/8 - 16 x 1 1/2 LG | 2 | |
| 108 | Bolt, carriage | 00769-G2 | 3/8 - 16 x 1 1/4 LG | 2 | |
| 109 | Panel, valance | 74149-G01 | 1 | ||
| 110 | Rivet, plastic | 16816-G2 | 4 | ||
| 111 | Plug, End | 19853-G1 | 2 | ||
| 112 | Foot rest assembly | 70361-G01 | includes items 113 - 116 | 1 | |
| 113 | Reflector | 74129-G01 | 1 | ||
| 114 | Label, warning | 74132-G01 | 1 | ||
| 115 | Mat, floor | 70362-G01 | 1 | ||
| 116 | Foot rest | 70350-G01 | 1 | ||
| 117 | Plate, serial number | * | 1 | ||
| 118 | Plate, EC | * | 1 | ||
| 121 | Screw | 00114-G6 | 1/4 - 14 x 3/4 LG | 4 | |
| 122 | Fastener | 16816-G2 | 2 | ||
| 124 | Front shield | 27166-G02 | 1 | ||
| 125 | Brace, front shield | 71015-G01 | 2 | ||
| 126 | Washer | 16469-G7 | 1/4 | 2 | |
| 128 | Decal, freedom | 23676-G1 | AR | ||
| 129 | Decal | 75178-G01 | 4 caddy | AR | |
| 130 | Decal, DCS | 73162-G01 | AR | ||
| 132 | Spacer | 23726-G7 | 1 | ||
| 133 | Rivet | 15058-G4 | 2 | ||
| 134 | Spacer | 23726-G6 | 1 |
Brake Linkage
| Sl. No. | Part description | Part number | Notes | Quantity | Purchase |
|---|---|---|---|---|---|
| 1 | Brake pedal assembly | 70263-G01 | includes items 2-27, vehicles with brake lights | 1 | |
| 2 | Pedal, brake | * | 1 | ||
| 3 | Pedal, park brake | * | 1 | ||
| 4 | Brake/park brake pedal pad kit | 70274-G01 | includes items 5-7 | 1 | |
| 5 | Pad, brake pedal | * | 1 | ||
| 6 | Pad, park brake | * | 1 | ||
| 7 | Rivet | 15766-G1 | 3/8 x 15/32 LG | 9 | |
| 9 | Plate, brake pedal | * | 1 | ||
| 10 | Pin, park brake pedal | 15932-G2 | 1 | ||
| 11 | Spring, torsion, park brake | 11737-G1 | 2 | ||
| 12 | Pushnut | 12064-G1 | 5/16 | 1 | |
| 13 | Screw | 00737-G8 | #10 - 24 x 1 LG | 4 | |
| 14 | Nut, rubber | 00739-G1 | #10 - 24 | 2 | |
| 15 | Standoff, brake pedal | 22362-G3 | 2 | ||
| 16 | Spring, conical | 27137-G01 | 2 | ||
| 17 | Nut, lock | 11098-G7 | #10 - 24 | 2 | |
| 18 | Switch, micro | 10606-G8 | 1 | ||
| 19 | Screw | 00645-G2 | #6 - 32 x 1 1/4 LG | 2 | |
| 20 | Washer | 00559-G3 | #6 | 2 | |
| 21 | Washer, lock | 00565-G3 | #6 | 2 | |
| 22 | Nut | 00525-G5 | #6 - 32 | 2 | |
| 23 | Screw, brass | * | 2 | ||
| 24 | Washer, lock | 00567-G3 | #6 | 6 | |
| 25 | Tab, faston | 14628-G1 | 5/16 x 5/16 LG | 2 | |
| 27 | Nylon clamp | 17618-G1 | 3 | ||
| 30 | Bolt, shoulder | 70096-G01 | 3/8 - 16 x 3 LG | 1 | |
| 31 | Bushing, flanged | 11079-G1 | 2 | ||
| 32 | Spring, torsion | 70138-G01 | 1 | ||
| 33 | Nut | 11098-G5 | 3/8 - 16 | 1 | |
| 34 | Washer | 00643-G1 | 3/8 | 1 | |
| 35 | Nut,lock | 11027-G2 | 1/4 - 20 | 2 | |
| 36 | Catch bracket, park brake | 70080-G01 | 1 | ||
| 37 | Bolt | 00414-G6 | 1/4 -20 x 3/4 LG | 2 | |
| 40 | Compensator assembly | 70272-G04 | includes items 42 - 54 | 1 | |
| 42 | Rod, link | 25882-G04 | 1 | ||
| 43 | Nut | 00532-G4 | 5/16 - 24 | 2 | |
| 44 | Nut, lock | 11098-G9 | 5/16 - 24 | 1 | |
| 46 | Yoke, brake | * | 1 | ||
| 47 | Washer | 15121-G1 | 3/8 | 2 | |
| 48 | Tube | 23061-G2 | 1 | ||
| 49 | Spring, compression | 23463-G1 | 1 | ||
| 51 | Bushing, accelerator rod | 17979-G1 | 1 | ||
| 54 | Nut, spherical | 00963-G01 | 5/16 - 24 | 1 | |
| 55 | Equalizer and brake cable assembly | 70273-G03 | includes items 56- 59 | 1 | |
| 56 | Bracket, equalizer | 28082-G01 | 1 | ||
| 57 | Cable, brake | * | passenger side | 1 | |
| 58 | Cable, brake | * | Driver's side | 1 | |
| 59 | Bumper, brake compensator | 28083-G01 | 2 | ||
| 61 | Ring, retaining | 12305-G1 | 4 | ||
| 63 | Bearing, flanged | 10097-G6 | 2 | ||
| 64 | Cam, kick-off | 25103-G1 | 1 | ||
| 66 | Spacer | 14134-G4 | 1 | ||
| 67 | Setscrew | 00491-G4 | 1/4 - 20 x 1/2 LG | 2 | |
| 72 | Nut, lock | 11027-G1 | 5/16 - 18 | 1 | |
| 73 | Adjustable bumper | 70113-G01 | 1 | ||
| 74 | Pin, clevis | 10386-G3 | 5/16 x 15/16 LG | 3 | |
| 75 | Pin, cotter | 10387-G3 | 3/32 x 3/4 LG | 5 | |
| 76 | Nylon clamp | 12416-G1 | 2 | ||
| 77 | Brake pedal assembly | 70264-G01 | includes items 78 - 88, vehicles without brake lights | 1 | |
| 78 | Spring, torsion park brake | 11737-G1 | 2 | ||
| 79 | Pushnut | 12064-G1 | 5/16 | 1 | |
| 81 | Pin, park brake | 15932-G2 | 1 | ||
| 82 | Brake pedal | * | 1 | ||
| 84 | Brake/park brake pedal pad kit | 70274-G01 | includes items 85 - 87 | 1 | |
| 85 | Pad, brake pedal | * | 1 | ||
| 86 | Pad, park brake pedal | * | 1 | ||
| 87 | Rivet | 15766-G1 | 3/8 x 15/32 LG | 9 | |
| 88 | Park brake pedal | 70265-G01 | 1 | ||
| 89 | Pivot, kick off cam | 70098-G01 | 1 | ||
| 91 | Pin, cotter | 10387-G3 | 3/32 x 3/4 LG | 2 | |
| 92 | Washer | 00559-G8 | 5/16 | 2 | |
| 93 | Washer, teflon | 20835-G1 | 2 | ||
| 95 | Bearing | 17838-G1 | 2 | ||
| 96 | Link, park brake kick-off | 70097-G01 | 1 |
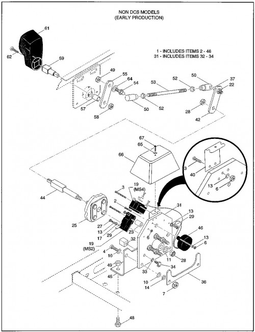
Direction Selector
| Sl. No. | Part description | Part number | Notes | Quantity | Purchase |
|---|---|---|---|---|---|
| 1 | Direction selector assembly | 73036-G01 | includes items 2-46 | 1 | |
| 2 | Screw | 00138-G4 | #6 - 32 x 1/2 LG | 3 | |
| 3 | Screw | 00139-G8 | #6 - 32 x 2 LG | 4 | |
| 4 | Bolt | 00414-G8 | 1/4 - 20 x 1 LG | 2 | |
| 6 | Nut | 00525-G5 | #6 - 32 | 8 | |
| 7 | Nut | 00532-G1 | 1/4 - 20 | 2 | |
| 10 | Washer | 00559-G7 | 1/4 | 4 | |
| 11 | Washer | 00560-G1 | 3/8 | 1 | |
| 13 | Washer, lock | 00565-G3 | #6 | 8 | |
| 14 | Washer, lock | 00565-G7 | 1/4 | 2 | |
| 17 | Washer, lock | 00567-G3 | #6 | 4 | |
| 19 | Micro switch | 10606-G2 | MS2 AND MS4 | 2 | |
| 22 | Nut, lock | 11098-G9 | 5/16 - 24 | 1 | |
| 23 | Spacer | 12806-G1 | 4 | ||
| 25 | Cam | 12835-G1 | 1 | ||
| 27 | Screw | * | 4 | ||
| 28 | Nut, lock | 14390-G1 | 3/8 - 24 | 2 | |
| 29 | Tab, faston | 14628-G1 | 5/16 x 5/16 | 4 | |
| 31 | Contact board assembly | 14651-G1 | includes items 32-34 | 1 | |
| 32 | Stop | 24940-G1 | 2 | ||
| 33 | Washer, lock | 00565-G7 | 1/4 | 2 | |
| 34 | Bolt | 00414-G6 | 1/4 - 20 x 3/4 LG | 2 | |
| 36 | Bracket, mounting support | 15461-G1 | 1 | ||
| 37 | Ball, ball joint | 15944-G3 | 1 | ||
| 40 | Bracket, cover | 73048-G01 | 1 | ||
| 42 | Arm, shift linkage | 70232-G01 | 1 | ||
| 44 | Shaft, direction selector | 73027-G01 | 1 | ||
| 45 | Bracket, direction selector mounting | 73031-G01 | 1 | ||
| 46 | Buzzer, reverse warning | 73037-G01 | 1 | ||
| 48 | Bolt | 00438-G8 | 5/16 - 18 x 3/4 LG | 2 | |
| 49 | Nut, lock | 11098-G9 | 5/16 - 24 | 2 | |
| 50 | Socket, ball joint | 14444-G3 | 2 | ||
| 52 | Nut | 00544-G4 | 5/16 - 24 | 2 | |
| 53 | Rod, linkage | 10697-G8 | 1 | ||
| 54 | Ball, joint ball | 15944-G3 | 1 | ||
| 55 | Arm, shift linkage | 70232-G02 | 1 | ||
| 57 | Bearing | 25664-G2 | 1 | ||
| 58 | Nut, lock | 14390-G1 | 3/8 - 24 | 1 | |
| 59 | Shaft, direction selector | 70233-G01 | 1 | ||
| 61 | Handle, direction selector | 71905-G01 | 1 | ||
| 62 | Screw, stainless steel | 00740-G4 | #10 - 32 x 1/2 LG | 1 | |
| 64 | Washer | 00559-G8 | 5/16 | 1 | |
| 65 | Washer, fender | 16469-G7 | 1 | ||
| 66 | Cover, direction selector | 73049-G01 | 1 | ||
| 67 | Screw | 00114-G6 | 1/4 - 14 x 3/4 LG | 1 | |
| 69 | Rivet | 14601-G16 | 5/32 (items 69 - 86 for use on dcs model only) | 2 | |
| 70 | Buzzer | 73037-G02 | 1 | ||
| 71 | Bracket, buzzer | 32043-G2 | 1 | ||
| 72 | Washer, lock | 00565-G3 | #6 | 2 | |
| 73 | Nut | 00525-G5 | #6 - 32 | 2 | |
| 74 | Screw | 00138-G4 | #6 - 32 x 1/2 LG | 2 | |
| 76 | Label, direction selector | 73127-G01 | 1 | ||
| 78 | Adapter, seat wrap | 73134-G01 | 1 | ||
| 79 | Adapter, direction selector switch | 73133-G01 | 1 | ||
| 80 | Clamp, nylon | 31539-G1 | 1 | ||
| 81 | Clamp, nylon | 17618-G1 | 2 | ||
| 83 | Boot, rubber | 73130-G01 | 1 | ||
| 85 | Knob, direction selector | 73128-G02 | 1 | ||
| 86 | Block, contact switch | 73151-G01 | 1 |
Direction Selector
| Sl. No. | Part description | Part number | Notes | Quantity | Purchase |
|---|---|---|---|---|---|
| 1 | Direction selector assembly | 73036-G01 | includes items 2-46 | 1 | |
| 2 | Screw | 00138-G6 | #6 - 32 x 3/4 LG | 3 | |
| 3 | Screw | 00139-G8 | #6 - 32 x 2 LG | 4 | |
| 4 | Bolt | 00414-G8 | 1/4 - 20 x 1 LG | 2 | |
| 6 | Nut | 00525-G5 | #6 - 32 | 8 | |
| 7 | Nut | 00532-G1 | 1/4 - 20 | 2 | |
| 10 | Washer | 00559-G7 | 1/4 | 4 | |
| 11 | Washer | 00560-G1 | 3/8 | 1 | |
| 13 | Washer, lock | 00565-G3 | #6 | 8 | |
| 14 | Washer, lock | 00565-G7 | 1/4 | 2 | |
| 17 | Washer, lock | 00567-G3 | #6 | 4 | |
| 19 | Micro switch | 10606-G2 | MS2 AND MS4 | 2 | |
| 22 | Nut, lock | 11098-G9 | 5/16 - 24 | 1 | |
| 23 | Spacer | 12806-G1 | 4 | ||
| 25 | Cam | 12835-G1 | 1 | ||
| 27 | Screw | * | 4 | ||
| 28 | Nut, lock | 14390-G1 | 3/8 - 24 | 2 | |
| 29 | Tab, faston | 14628-G1 | 5/16 x 5/16 | 4 | |
| 31 | Contact board assembly | 14651-G1 | includes items 32 - 34 | 1 | |
| 32 | Stop | 24940-G1 | 2 | ||
| 33 | Washer, lock | 00565-G7 | 1/4 | 2 | |
| 34 | Bolt | 00414-G6 | 1/4 - 20 x 3/4 LG | 2 | |
| 36 | Bracket, mounting support | 15461-G1 | 1 | ||
| 40 | Bracket, cover | 73048-G01 | 1 | ||
| 42 | Arm, shift linkage | 70232-G01 | 1 | ||
| 44 | Shaft, direction selector | 73027-G01 | 1 | ||
| 45 | Bracket, direction selector mounting | 73031-G01 | 1 | ||
| 46 | Buzzer, reverse warning | 73037-G01 | 1 | ||
| 48 | Bolt | 00438-G6 | 5/16 - 18 x 3/4 LG | 2 | |
| 49 | Nut, lock | 11098-G6 | 5/16 - 18 | 2 | |
| 50 | Washer | 00571-G2 | 5/16 | 2 | |
| 53 | Rod, linkage | 70313-G01 | 1 | ||
| 54 | Bushing | 22754-G3 | 2 | ||
| 55 | Arm, bent shift linkage | 70334-G01 | 1 | ||
| 57 | Bearing | 25664-G2 | 1 | ||
| 58 | Nut,lock | 14390-G1 | 3/8 - 24 | 2 | |
| 59 | Shaft, direction selector | 70223-G01 | 1 | ||
| 61 | Handle, direction selector | 71905-G01 | 1 | ||
| 62 | Screw, stainless steel | 00740-G4 | #10 - 32 x 1/2 LG | 1 | |
| 65 | Washer, fender, stainless steel | 16469-G7 | 1 | ||
| 66 | Cover, direction selector | 73049-G01 | 1 | ||
| 67 | Screw | 00114-G6 | 1/4 - 14 x 3/4 LG | 1 |
Electrical System
| Sl. No. | Part description | Part number | Notes | Quantity | Purchase |
|---|---|---|---|---|---|
| 1 | Receptacle holder | 18724-G1 | 1 | ||
| 2 | Screw | 00645-G2 | #6 - 32 x 1 1/4 LG | 2 | |
| 3 | Washer | 00559-G3 | #6 | 2 | |
| 4 | Nut, lock | 14390-G9 | #6 - 32 | 2 | |
| 6 | Nut | 00702-G2 | 5/16 - 24 | 12 | |
| 7 | Wire | 25972-G32 | 1 | ||
| 8 | Wire | 25972-G40 | 4 | ||
| 10 | Washer, lock | 00567-G8 | 5/16 | 8 | |
| 11 | Nut | 00532-G3 | 5/16 - 18 | 8 | |
| 13 | Clamp, twisted | 27327-G01 | 2 | ||
| 14 | Rivet, stainless steel | 10570-G11 | 5/16 | 1 | |
| 16 | Harness, key switch | 73145-G01 | DCS model only | 1 | |
| 17 | Harness, key switch | 73041-G01 | Fleet | 1 | |
| 18 | Washer, lock | 00568-G6 | 3/4 | 1 | |
| 19 | Key, ignition | 17062-G1 | Set | AR | |
| 20 | Nut, face | 17137-G1 | 1 | ||
| 22 | Clamp, nylon | 17618-G1 | 1 | ||
| 23 | Igniton switch kit, includes all mounting hardware | 17421-G1 | For freedom see section s - horn and lighting | 1 | |
| 24 | Rivet, drive | 33623-G02 | 2 | ||
| 25 | Decal, console insert plate | 71145-G01 | 1 | ||
| 26 | Plate, console insert | 73030-G01 | Key only | 1 | |
| 27 | Retainer, battery | 70045-G01 | 1 | ||
| 28 | Battery rack | 70046-G01 | 1 | ||
| 29 | Nut, lock | 11027-G1 | 5/16 - 18 | 2 | |
| 30 | Battery | XXXXX-G** | 6 volt | 6 | |
| 32 | Bolt, hold down | 70121-G01 | 2 | ||
| 33 | Clamp, nylon | 17618-G1 | 1 | ||
| 34 | Wire harness, brake | 24605-G1 | 1 | ||
| 35 | Charger receptacle and harness assy. | 73063-G01 | For use on powerwise non-dcs model only | 1 | |
| 36 | Charger receptacle and harness assy. | 73149-G01 | For use on dcs model only | 1 | |
| 37 | Rivet | 14601-G10 | 5/32 | 4 | |
| 38 | Clamp, nylon | 17618-G1 | 3 | ||
| 39 | Wire | 25972-G32 | BL- TO B- | 1 |
Front Suspension
| Sl. No. | Part description | Part number | Notes | Quantity | Purchase |
|---|---|---|---|---|---|
| 1 | Front axle | 70001-G01 | 1 | ||
| 2 | Bushing, rubber shock absorber | 10194-G1 | 8 | ||
| 3 | Washer, shock absorber | 10435-G1 | 8 | ||
| 4 | Nut | 00532-G6 | 3/8 - 24 | 4 | |
| 5 | Bolt | 00463-G6 | 7/16 - 14 x 1 3/4 LG | 6 | |
| 6 | Nut, lock | 00734-G1 | 7/16 - 14 | 12 | |
| 8 | Plate, spring | 70163-G02 | 4 | ||
| 9 | Pin, cotter | 10387-G2 | 3/32 x 1 LG | 2 | |
| 11 | Spindle assembly | 70220-G01 | Driver's side, includes items 12 - 25 | 1 | |
| 12 | Spindle | * | Driver's side | 1 | |
| 13 | Bearing | 16623-G1 | 2 | ||
| 14 | Grease fitting | 10389-G3 | 1 | ||
| 15 | Wheel hub assembly | 19932-G1 | includes items 17, 18 | 1 | |
| 17 | Wheel bolt | 19862-G1 | 1/2 - 20 | 4 | |
| 18 | Bearing and race assembly | 50892-G1 | complete | 1 | |
| 21 | Seal, grease | 25146-G1 | 1 | ||
| 23 | Nut, slotted | 12093-G1 | 17/32 | 1 | |
| 25 | Pin, cotter | 00798-G8 | 5/32 x 1 3/4 LG | 1 | |
| 26 | Spindle assembly, passenger side | 70221-G01 | Includes items 13-25 and 27 | 1 | |
| 27 | Spindle | * | Passenger side | 1 | |
| 29 | Pin, spindle | 70327-G01 | 1/2 - 13 x 5 1/2 LG | 2 | |
| 30 | Washer, thrust | 16982-G1 | 2 | ||
| 31 | Tube, spindle pin | 70328-G01 | 2 | ||
| 33 | Washer | 00571-G5 | 1/2 | 4 | |
| 35 | Nut, lock | 14390-G6 | 1/2 - 13 | 2 | |
| 36 | Spring, leaf | 70049-G01 | 2 | ||
| 38 | Bolt | 00463-G4 | 7/16 - 14 x 1 1/2 LG | 6 | |
| 39 | Shock absorber | 70324-G01 | 2 | ||
| 40 | Cap, spindle | 12091-G1 | 2 | ||
| 41 | Nut, lug | 14723-G1 | 1/2 - 20 | 8 |
Horn and Lighting
| Sl. No. | Part description | Part number | Notes | Quantity | Purchase |
|---|---|---|---|---|---|
| 1 | Fuse block | 22674-G1 | 1 | ||
| 2 | Rivet | 71010-G01 | 5/32 x 3/8 LG | 2 | |
| 3 | Fuse | 18392-G1 | 15 AMP | 3 | |
| 4 | Tape, vinyl | * | AR | ||
| 5 | Cover, steering column | 20965-G3 | Vehicles with turn signals | 1 | |
| 6 | Cap and nut, horn switch | 17318-G2 | 1 | ||
| 7 | Horn | 32860-G1 | With mounting hardware | 1 | |
| 8 | Washer | 00559-G8 | 5/16 | 1 | |
| 11 | Switch, horn | 17318-G1 | 1 | ||
| 12 | Boot, horn switch | 27068-G01 | 1 | ||
| 13 | Plate, horn switch | 19233-G1 | 1 | ||
| 14 | Rivet, stainless steel | 14601-G7 | 9/16 | 2 | |
| 15 | Clamp, nylon | 17618-G1 | 2 | ||
| 17 | Turn signal | 17867-G1 | With mounting hardware | 1 | |
| 18 | Flasher, turn signal | 21640-G1 | 1 | ||
| 19 | Screw | 00414-G6 | 1/4 - 20 x 3/4 LG | 2 | |
| 20 | Nut, lock | 11027-G2 | 1/4 - 20 | 2 | |
| 21 | Lightbar | 74001-G01 | 1 | ||
| 22 | Bracket, lightbar | 74002-G02 | Driver's side | 1 | |
| 23 | Bracket, lightbar | 74002-G01 | Passenger side | 1 | |
| 24 | Screw | 00114-G6 | 1/4 - 14 x 3/4 LG | 8 | |
| 28 | Wire | 25978-G74 | 1 | ||
| 34 | State of charge meter | 33636-G01 | 1 | ||
| 38 | Bezel, taillight | 74371-G01 | Driver's side | 1 | |
| 39 | Bezel, taillight | 74371-G02 | Passenger side | 1 | |
| 40 | Taillight assembly, complete | 22260-G2 | 1 | ||
| 41 | Rivet | 14601-G11 | 3/16 x 5/8 LG | 2 | |
| 42 | Bulb, replacement, taillight | 21759-G1 | AR | ||
| 44 | Harness, accessory | 73043-G01 | 1 | ||
| 47 | Washer, lock | 00568-G6 | 3/4 | 1 | |
| 48 | Ignition key | 17063-G1 | Set | AR | |
| 49 | Nut, face | 17137-G1 | 1 | ||
| 53 | Switch, ignition | 17421-G1 | includes all hardware | 1 | |
| 54 | Switch, ignition | 33639-G01 | With lights | 1 | |
| 57 | Bulb, replacement, headlight | 74004-G01 | AR | ||
| 58 | Bulb, replacement, marker light | 74005-G01 | AR | ||
| 59 | Bulb, replacement, turnlight | 74006-G01 | AR | ||
| 64 | Plate, console insert, state of charge meter | 73030-G02 | 1 | ||
| 65 | Decal, console plate, state of charge meter, without lights | 71123-G01 | 1 | ||
| 66 | Decal, console plate, state of charge meter, with lights | 71129-G01 | 1 | ||
| 68 | Rivet | 10570-G11 | 3/16 x 3/4 LG | 2 | |
| 69 | Hourmeter | 21573-G1 | 1 | ||
| 70 | Bracket, hourmeter | 74019-G01 | 1 | ||
| 72 | Harness, hour meter | 75117-G02 | 1 | ||
| 76 | Plate, standard console insert mount | 73030-G01 | 1 | ||
| 78 | Decal, console insert | 71145-G01 | 1 |
Motors
| Sl. No. | Part description | Part number | Notes | Quantity | Purchase |
|---|---|---|---|---|---|
| 1 | Motor, complete | 73124-G01 | DCS model only | 1 | |
| 2 | Motor, 2.0 HP, complete | 27045-G01 | includes items 6 - 25 | 1 | |
| 4 | Motor, 2.7 HP, complete | 73172-G01 | Includes items 6 - 25 | 1 | |
| 6 | End shield | 27630-G01 | 1 | ||
| 7 | Armature | * | 1 | ||
| 8 | Stator complete | * | Includes items 10 and 17 | 1 | |
| 10 | Stator shell and winding | * | 1 | ||
| 12 | Brush | 27630-G05 | with term screw | 2 | |
| 13 | Nut | 27630-G06 | 1/4 - 20 | 4 | |
| 14 | Washer | 27630-G07 | 1/4 | 4 | |
| 15 | Bushing, insulated | 27630-G08 | 2 | ||
| 17 | Brush, rigging | 27630-G09 | 1 | ||
| 18 | Screw,brush holder | 27630-G10 | 2 | ||
| 19 | Bushing, insulated | 27630-G11 | 2 | ||
| 20 | Retainer, bearing | 27630-G12 | 1 | ||
| 21 | Ball bearing | 16918-G1 | 1 | ||
| 23 | End shield | 27630-G14 | 1 | ||
| 24 | Screw, clamp | 27630-G15 | 4 | ||
| 25 | Screw, bearing retainer | 27630-G16 | 2 |
Rear Axle
| Sl. No. | Part description | Part number | Notes | Quantity | Purchase |
|---|---|---|---|---|---|
| 2 | Moly lube | 28095-G01 | 2 OZ | AR | |
| 5 | Washer | 00559-G7 | 1/4 | 3 | |
| 6 | Washer, lock | 00565-G7 | 1/4 | 3 | |
| 7 | Bolt | 00797-G2 | 1/4 - 20 x 1 1/4 LG | 3 | |
| 9 | Rear axle assembly | 73069-G01 | includes items 10 - 21 | 1 | |
| 10 | Bumper spline | 24261-G1 | 1 | ||
| 12 | Washer | 25227-G1 | 1 | ||
| 13 | Plug, fill/check | 25226-G1 | 1 | ||
| 14 | Vent assembly | 73050-G01 | push in | 1 | |
| 16 | Bracket, brake cable | 72036-G01 | Passenger side | 1 | |
| 17 | Bracket, brake cable | 72036-G02 | Driver's side | 1 | |
| 18 | Cover, differential | 25228-G1 | 1 | ||
| 19 | Axle shaft | 20377-G12 | Passenger side | 1 | |
| 20 | Axle shaft | 20377-G11 | Driver's side | 1 | |
| 21 | Screw | 15558-G1 | 5/16 - 18 x 3/4 LG | 10 |
Rear Suspension
| Sl. No. | Part description | Part number | Notes | Quantity | Purchase |
|---|---|---|---|---|---|
| 1 | Spring, leaf | 70247-G01 | 2 | ||
| 2 | Spring, leaf | 74135-G01 | use on 4 caddy only | 2 | |
| 3 | "U" bolt | 72029-G01 | 3/8 - 16 | 4 | |
| 4 | "U" bolt | 74124-G01 | 3/8 - 16 (use on 4 caddy only) | 4 | |
| 6 | Nut, lock | 11098-G5 | 3/8 - 16 | 12 | |
| 7 | Bushing, rubber | 70291-G01 | leaf spring | 12 | |
| 8 | Shackle plate | 70290-G01 | 4 | ||
| 10 | Spacer | 70289-G02 | 4 | ||
| 12 | Screw | 00429-G4 | 3/8 - 16 x 3 1/2 LG | 4 | |
| 14 | Nut, lock | 12262-G1 | 3/8 - 16 | 2 | |
| 15 | Bolt, shoulder | 14158-G1 | 7/16 - 14 x 3 1/4 LG | 2 | |
| 17 | Shock absorber | 70324-G01 | 2 | ||
| 19 | Bushing, rubber, shock absorber | 10194-G1 | 8 | ||
| 20 | Washer, shock absorber | 10435-G1 | 8 | ||
| 22 | Nut | 00532-G6 | 3/8 - 24 | 4 | |
| 24 | Nut, lock, flanged | 12262-G1 | 3/8 - 16 | 2 |
Seating and Bagrack
| Sl. No. | Part description | Part number | Notes | Quantity | Purchase |
|---|---|---|---|---|---|
| 1 | Seat bottom assembly | 71611-G** | includes items 3-17 | 1 | |
| 3 | Nut, tee | * | 8 | ||
| 5 | Bumper, seat | 17074-G1 | 2 | ||
| 8 | Staple, flat | * | 110 | ||
| 9 | Staple, flat | * | 46 | ||
| 12 | Vinyl trim, seat bottom | 71012-G01 | 1 | ||
| 13 | Vinyl seat bottom cover | 71602-G** | 1 | ||
| 14 | Foam padding, seat bottom | * | 1 | ||
| 15 | Seat bottom, wood | * | 1 | ||
| 17 | Rear trim, seat | 71608-G01 | 1 | ||
| 21 | Bolt | 00414-G8 | 1/4 - 20 x 1 LG | 4 | |
| 22 | Washer, lock | 00565-G7 | 1/4 | 4 | |
| 23 | Nut, lock | 11027-G2 | 1/4 - 20 | 2 | |
| 24 | Fastener, plastic ratchet | 16816-G1 | 2 | ||
| 25 | Seat back assembly | 71751-G** | includes items 26 - 34 | 1 | |
| 26 | Staple, flat | * | 95 | ||
| 28 | Plastic, rear cover seat back | 71752-G01 | 1 | ||
| 29 | Vinyl seat back cover | 71753-G** | 1 | ||
| 30 | Foam padding, seat back | * | 1 | ||
| 32 | Seat back, wood | * | 1 | ||
| 33 | Screw | 71002-G01 | #8 x 1 LG | 4 | |
| 34 | Nut, tee | * | 4 | ||
| 38 | Bolt | 71802-G01 | 3/8 - 16 x 2 1/4 LG | 4 | |
| 39 | Bracket, seat support | 71811-G02 | 2 | ||
| 40 | Bolt, carriage | 71821-G01 | 1/4 - 20 x 1 1/2 LG | 2 | |
| 41 | Bracket, bag holde | 71851-G01 | 1 | ||
| 42 | Strap, bag retainer | 71853-G01 | 1 | ||
| 43 | Clamp, bag retainer | 71856-G01 | 2 | ||
| 45 | Screw | 00720-G08 | #12 - 14 x 1 LG | 4 | |
| 46 | Bolt | 00414-G8 | 1/4 - 20 x1 LG | 8 | |
| 47 | Washer, lock | 00565-G7 | 1/4 | 8 | |
| 48 | Washer | 00559-G7 | 1/4 | 8 | |
| 49 | Hip restraint | 71701-G01 | Passenger side | 1 | |
| 50 | Hip restraint | 71702-G01 | Driver's side | 1 | |
| 53 | Hinge, seat | 71610-G01 | 2 | ||
| 55 | Support, seat back | 74111-G01 | items 55 - 85, for use on 4 caddy models only | 2 | |
| 56 | Bolt | 00414-G8 | 1/4 - 20 x 1 LG | 4 | |
| 57 | Washer, lock | 00565-G7 | 1/4 | 4 | |
| 58 | Washer | 00559-G7 | 1/4 | 4 | |
| 59 | Bumper, rubber | 70113-G01 | 4 | ||
| 60 | Nut, lock | 11027-G1 | 5/16 - 18 | 6 | |
| 61 | Bolt | 01006-G02 | 3/8 - 16 x 1 1/2 LG | 4 | |
| 62 | Washer | 00560-G1 | 3/8 | 4 | |
| 64 | Seat assembly | 74131-G** | includes items 65 - 79 | 1 | |
| 65 | Seat bottom assembly | 74139-G** | includes items 66 - 77 | 1 | |
| 66 | Vinyl cover, seat bottom | 71602-G** | 1 | ||
| 67 | Foam, seat bottom | * | 1 | ||
| 68 | Wood, seat bottom | * | 1 | ||
| 69 | Nut, tee | * | 16 | ||
| 70 | Trim, seat, front | 74140-G01 | 1 | ||
| 71 | Staple, flat | * | 110 | ||
| 72 | Staple, flat | * | 48 | ||
| 73 | Hip restraint | 71702-G01 | Driver's side | 1 | |
| 74 | Hip restraint | 71701-G01 | Passenger side | 1 | |
| 75 | Bolt | 00414-G8 | 1/4 - 20 x 1 LG | 8 | |
| 76 | Trim, seat, rear | 71608-G01 | 1 | ||
| 77 | Washer | 00559-G7 | 1/4 | 8 | |
| 78 | Washer, lock | 00565-G7 | 1/4 | 8 | |
| 79 | Seat back assembly | 71751-G** | includes items 26 - 34 | 1 | |
| 80 | Bracket, rear seat support | 74117-G01 | 2 | ||
| 81 | Bolt | 00414-G8 | 1/4 - 20 x 1 LG | 12 | |
| 82 | Washer, lock | 00565-G2 | #5 | 12 | |
| 83 | Washer | 00559-G7 | 1/4 | 12 | |
| 84 | Bushing, nylon | 17838-G1 | 4 | ||
| 85 | Pin, hitch | 74134-G01 | 2 | ||
| 86 | Spacer | 70364-G01 | 2 |
Solid State Speed Control
| Sl. No. | Part description | Part number | Notes | Quantity | Purchase |
|---|---|---|---|---|---|
| 1 | Electronic speed control assembly, MID 1996 and later | 73056-G04 | includes items 2-31 | 1 | |
| 2 | Washer, lock | * | #10 | 2 | |
| 3 | Nut | * | 10 - 32 | 2 | |
| 5 | Diode | 30353-G1 | 1 | ||
| 6 | Resistor | 21764-G1 | 1 | ||
| 7 | Wire harness, control | 73103-G02 | 1 | ||
| 8 | Nut | * | 5/16 - 24 | 2 | |
| 10 | Washer, lock | * | 5/16 | 2 | |
| 11 | Wire | 25972-G02 | SOL- B+ | 1 | |
| 12 | Wire | 25978-G10 | SOL- B- | 1 | |
| 13 | Nut | 11027-G2 | 1/4 - 20 | 2 | |
| 15 | Solenoid | 27855-G01 | 1 | ||
| 16 | Heatsink | 73026-G01 | 1 | ||
| 17 | Electronic speed controller | 25864-G02 | 1 | ||
| 18 | Pad, thermal mounting | 73190-G01 | 1 | ||
| 19 | Bolt | 71102-G01 | 1/4 - 20 x 3/4 LG | 2 | |
| 20 | Cover | 73028-G01 | 1 | ||
| 21 | Wire tie | 31539-G1 | 1 | ||
| 22 | Mount | 73053-G01 | 1 | ||
| 24 | Bolt | 71102-G01 | 1/4 -20 x 3/4 LG | 3 | |
| 25 | Wire harness, power | 73039-G02 | 1 | ||
| 27 | Bolt | 00270-G5 | 5/16 - 18 x 5/8 LG | 4 | |
| 29 | Nut | 11027-G1 | 5/16 - 18 | 4 | |
| 31 | Bracket, solenoid | 25866-G01 | 1 | ||
| 33 | Bolt | 71102-G01 | 1/4 - 20 x 3/4 LG | 4 | |
| 34 | Wire harness, control | 73040-G01 | 1 |
Solid State Speed Control
| Sl. No. | Part description | Part number | Notes | Quantity | Purchase |
|---|---|---|---|---|---|
| 1 | Electronic speed control assembly, early to mid 1996 | 73056-G02 | includes items 2-31 | 1 | |
| 2 | Washer, lock | * | #10 | 2 | |
| 3 | Nut | * | 10 - 32 | 2 | |
| 5 | Diode | 30353-G1 | 1 | ||
| 6 | Resistor | 21764-G1 | 1 | ||
| 7 | Wire harness, control | 73103-G02 | 1 | ||
| 8 | Nut | * | 5/16 - 24 | 2 | |
| 10 | Washer, lock | * | 5/16 | 2 | |
| 11 | Wire | 25972-G02 | SOL- B+ | 1 | |
| 12 | Wire | 25978-G10 | SOL- B- | 1 | |
| 13 | Nut | 11027-G2 | 1/4 - 20 | 2 | |
| 15 | Solenoid | 27855-G01 | 1 | ||
| 16 | Heatsink | 73026-G01 | 1 | ||
| 17 | Electronic speed controller | 25864-G02 | 1 | ||
| 18 | Pad, thermal mounting | 73190-G01 | 1 | ||
| 19 | Bolt | 71102-G01 | 1/4 - 20 x 3/4 LG | 2 | |
| 20 | Cover | 73028-G01 | 1 | ||
| 21 | Wire tie | 31539-G1 | 1 | ||
| 22 | Mount | 73053-G01 | 1 | ||
| 24 | Bolt | 71102-G01 | 1/4 - 20 x 3/4 LG | 3 | |
| 25 | Wire harness, power | 73039-G01 | 1 | ||
| 27 | Bolt | 00270-G5 | 5/16 - 18 x 5/8 LG | 4 | |
| 29 | Nut | 11027-G1 | 5/16 - 18 | 4 | |
| 31 | Bracket, solenoid | 25866-G01 | 1 | ||
| 33 | Bolt | 71102-G01 | 1/4 - 20 x 3/4 LG | 4 | |
| 34 | Wire harness, control | 73040-G01 | 1 |
Solid State Speed Control – HD
| Sl. No. | Part description | Part number | Notes | Quantity | Purchase |
|---|---|---|---|---|---|
| 1 | Solid state speed control assembly - for use on freedom vehicles only | 73055-G02 | includes items 2 - 28 | 1 | |
| 2 | Washer, lock | * | #10 | 2 | |
| 3 | Washer | * | 5/16 | 2 | |
| 5 | Diode | 30353-G1 | 1 | ||
| 6 | Resistor | 21764-G1 | 1 | ||
| 7 | Wire harness, charger connector | 28325-G01 | 1 | ||
| 8 | Nut | * | 5/16 - 24 | 2 | |
| 9 | Nut | * | #10 - 32 | 2 | |
| 10 | Washer | 00559-G7 | 1/4 | 2 | |
| 11 | Wire, from SOL | 25978-G88 | 1 | ||
| 12 | Wire | 25972-G02 | SOL- B+ | 1 | |
| 13 | Wire, from SOL | 25978-G10 | 1 | ||
| 14 | Nut | 11027-G2 | 1/4 - 20 | 6 | |
| 16 | Solenoid | 20468-G1 | 1 | ||
| 18 | Solid state speed controller | 73060-G01 | 1 | ||
| 19 | Nut, lock | 11027-G1 | 5/16 - 18 | 4 | |
| 21 | Mount, controller | 74014-G01 | 1 | ||
| 24 | Screw | 00414-G5 | 1/4 - 20 x 5/8 LG | 4 | |
| 26 | Wire harness, power | 73095-G02 | 1 | ||
| 28 | Bolt | 00270-G5 | 5/16 - 18 x 5/8 LG | 4 | |
| 30 | Cover, solid state speed control | 23723-G2 | 1 | ||
| 31 | Washer, fender | 16469-G1 | 1 | ||
| 32 | Wing nut | 14419-G1 | 1 | ||
| 34 | Screw | 00715-G2 | 1/4 - 20 x 5/8 LG | 4 | |
| 35 | Nut | 11027-G2 | 1/4 - 20 | 4 | |
Steering
| Sl. No. | Part description | Part number | Notes | Quantity | Purchase |
|---|---|---|---|---|---|
| 1 | Steering box assembly, complete | 70314-G01 | includes items 2 - 10 | 1 | |
| 2 | Steering houseing | 75364-G01 | includes items 3 - 6 | 1 | |
| 3 | Bearing, sleeve | * | 1 | ||
| 4 | Bearing, sleeve | * | 1 | ||
| 5 | Bearing, flanged | * | 1 | ||
| 6 | Grease fitting | 10389-G3 | 1 | ||
| 8 | Bolt | 00426-G6 | 3/8 - 16 x .75 LG | 2 | |
| 9 | Grease fitting | 18456-G1 | 90 | 1 | |
| 10 | Cover, rack guide | 70177-G01 | 1 | ||
| 11 | Gasket, rack guide cover | 70225-G01 | 1 | ||
| 12 | Spring, compression | 70178-G01 | 1 | ||
| 13 | Guide, rack | 70179-G01 | 1 | ||
| 14 | Clamp | 11391-G1 | 1 | ||
| 15 | Cover, rack | 70041-G01 | 1 | ||
| 16 | Clamp | 11391-G1 | 1 | ||
| 17 | Rack cover bellows | 70183-G01 | 1 | ||
| 18 | Clamp | 11391-G5 | 1 | ||
| 20 | Steering gear kit | 70299-G01 | includes items 21 - 28 | 1 | |
| 21 | Gear pinion | * | 1 | ||
| 22 | Ball bearing | * | 1 | ||
| 23 | External retaining ring | * | 1 | ||
| 24 | Steering rack | * | 1 | ||
| 25 | Rack ball end | * | With nut | 1 | |
| 26 | Nut | * | 7/ 16 - 20 | 1 | |
| 27 | 90 grease fitting | * | 2 | ||
| 28 | Internal retaining ring | * | 1 | ||
| 30 | Steering shaft/column kit | 70360-G01 | includes items 31 - 43 | 1 | |
| 31 | Steering shaft | 14322-G3 | 1 | ||
| 32 | Steering column | 70333-G01 | 1 | ||
| 33 | Coupling | 70226-G01 | 1 | ||
| 34 | Lock nut | 00550-G1 | 1/4 - 20 | 2 | |
| 35 | Bolt | 70227-G01 | 1/4 - 20 x 7/8" LG | 2 | |
| 36 | Screw | 00118-G2 | #6 - 18 x 1/4"LG | 1 | |
| 37 | Steering housing gasket | 70223-G01 | 1 | ||
| 38 | Bolt | 00876-G2 | 3/8 - 16 x 1 1/4" LG | 3 | |
| 39 | Lock washer | 00878-G1 | 3/8" | 3 | |
| 40 | Internal retaining ring | 70189-G01 | 1 | ||
| 41 | Bushing / seal kit | 17161-G1 | includes items 42, 43 | 1 | |
| 42 | Steering column bushing | * | 1 | ||
| 43 | Shaft seal | * | 1 | ||
| 45 | Idler | 70184-G01 | 1 | ||
| 47 | Thrust washer | 70216-G01 | 1 1/2" I.D. | 1 | |
| 48 | Thrust washer | 70195-G01 | 7/8" | 1 | |
| 49 | Lock nut | 00734-G6 | 7/8 - 9 | 1 | |
| 50 | Cotter pin | 00798-G8 | 5/32 x 1 3/4" LG | 1 | |
| 52 | Bolt | 00470-G4 | 7/16 - 20 x2 1/2" LG | 1 | |
| 53 | Lock nut | 00734-G3 | 7/16 - 20 | 1 | |
| 54 | Bolt | 00462-G7 | 7/16 - 14 x 7/8" LG | 2 | |
| 55 | Lock washer | 00566-G2 | 7/16" | 2 | |
| 57 | Steering wheel | 18325-G1 | includes item 58 | 1 | |
| 58 | Hub cover | * | 1 | ||
| 59 | Lock nut | 14390-G2 | 5/8 - 18 | 1 | |
| 60 | Clipboard | 27102-G01 | 1 | ||
| 61 | Screw | 00999-G01 | #8 - 18 x 7/8" LG | 2 | |
| 63 | Tie rod assembly | 70074-G01 | includes items 64 - 68 | 2 | |
| 64 | Nut | 18434-G2 | 9/16 - 18 | 2 | |
| 65 | Cotter pin | 10387-G2 | 3/32 x 1" LG | 2 | |
| 66 | Slotted nut | 50209-G1 | 7/16 -20 | 2 | |
| 67 | Rubber boot | 50641-G1 | 2 | ||
| 68 | Grease fitting | 10389-G3 | 2 | ||
| 70 | Slotted nut | 50209-G1 | 7/16 - 20 | 1 | |
| 71 | Cotter pin | 10387-G2 | 3/32 x 1" LG | 3 |
Wheel Brake, Bendix
| Sl. No. | Part description | Part number | Notes | Quantity | Purchase |
|---|---|---|---|---|---|
| 1 | Driver side brake assembly | 27942-G01 | includes items 3 - 10 | 1 | |
| 2 | Passenger side brake assembly | 27942-G02 | includes items 3 - 10 | 1 | |
| 3 | Brake shoe kit | 27945-G01 | includes item 4 | 2 | |
| 4 | Brake shoe | * | 2 | ||
| 5 | Brake spring kit | 27944-G01 | includes items 6-10 | 2 | |
| 6 | Upper spring | * | 1 | ||
| 7 | Lower spring | * | 1 | ||
| 8 | Pin | * | 2 | ||
| 9 | Cup and spring | * | 2 | ||
| 10 | Adjuster spring | * | 1 | ||
| 11 | Bolt | 17803-G2 | 5/16 - 24 x 1" LG | 8 | |
| 12 | Lock nut | 15126-G1 | 5/16 - 24 | 8 | |
| 13 | Inner brake drum washer | 21809-G1 | 2 | ||
| 14 | Brake drum assembly | 21807-G1 | includes items 15 - 16 | 2 | |
| 15 | Brake drum | * | 1 | ||
| 16 | Lug bolt | 19862-G1 | 4 | ||
| 17 | Spindle cap adapter | 24939-G2 | 2 | ||
| 18 | Outer brake drum washer | 21830-G1 | 2 | ||
| 19 | Slotted nut | 00518-G8 | 3/4 - 16 | 2 | |
| 20 | Cotter pin | 10387-G1 | 2 | ||
| 22 | Spindle cap | 12091-G2 | 2 | ||
| 24 | Passenger side brake cable bracket | 72036-G01 | 1 | ||
| 25 | Driver side brake cable bracket | 72036-G02 | 1 |
Wheel Brake, Non-Bendix
| Sl. No. | Part description | Part number | Notes | Quantity | Purchase |
|---|---|---|---|---|---|
| 1 | Brake assembly, passenger side | 22997-G2 | includes items 2-8, 14-30 | 1 | |
| 2 | Backing plate | 22518-G1 | 1 | ||
| 3 | Adjuster | 23360-G1 | 1 | ||
| 4 | Lever assembly | 23357-G1 | includes items 5-8, 14-16 | 1 | |
| 5 | Spring | * | 1 | ||
| 6 | Retainer | * | 1 | ||
| 7 | Washer, shoulder | * | 1 | ||
| 8 | Torsion spring, passenger side | 23536-G1 | Silver | 1 | |
| 9 | Brake assembly, driver's side | 22997-G1 | Includes items 10 - 30 | 1 | |
| 10 | Backing plate | 22519-G1 | 1 | ||
| 11 | Adjuster | 23361-G1 | 1 | ||
| 12 | Lever assembly | 23358-G1 | includes items 5-7, 13-16 | 1 | |
| 13 | Torsion spring, dirver's side | 23537-G1 | Gold | 1 | |
| 14 | Adjuster body | 23363-G1 | 1 | ||
| 15 | Washer | 23382-G1 | 1/4 | 1 | |
| 16 | Thrust washer | 23362-G1 | 1/4 | 1 | |
| 18 | Dust cover | 22511-G1 | 1 | ||
| 19 | Anchor block | 23356-G1 | 1 | ||
| 20 | Washer, lock | 00565-G1 | 1/4 | 2 | |
| 21 | Nut | 13632-G1 | 6 MM | 2 | |
| 23 | Spring, brake adjuster | 23359-G1 | 1 | ||
| 24 | Spring, brake anchor | 17290-G1 | 1 | ||
| 25 | Clamp, shoe | 17291-G1 | 2 | ||
| 26 | Pin, shoe clamp tension | 17292-G1 | 2 | ||
| 28 | Brake shoe set | 23364-G1 | includes items 29, 30 | 1 | |
| 29 | Brake shoe, trailing | 23354-G1 | 1 | ||
| 30 | Brake shoe, leading | 23355-G1 | 1 | ||
| 33 | Bolt | 17083-G2 | 5/16 - 24 x 1 LG | 8 | |
| 34 | Nut, lock | 15126-G1 | 5/16 - 24 | 8 | |
| 37 | Washer, inner wheel rim | 15485-G1 | 2 | ||
| 40 | Brake drum with lug bolts | 19186-G1 | 2 | ||
| 43 | Washer, outer wheel rim | 15487-G1 | 2 | ||
| 45 | Pin, cotter | 10387-G1 | 1/8 x 1 1/2 LG | 2 | |
| 46 | Nut, slotted | 15483-G1 | 5/8 - 18 | 2 | |
| 47 | Cap, spindle | 12091-G2 | 2 | ||
| 49 | Adapter, spindle cap | 24939-G1 | 2 |
Wheels and Tires
| Sl. No. | Part description | Part number | Notes | Quantity | Purchase |
|---|---|---|---|---|---|
| 1 | 18 x 8.5-8 carlisle tire and wheel assembly, links | 27772-G01 | Includes items 2, 11, 12 | AR | |
| 2 | 18 x 8.5-8 carlisle tire, links | 27772-G05 | AR | ||
| 3 | 18 x 8.5-8 carlisle tire and wheel assembly, turf glide | 27772-G02 | includes items 4, 11, 12 | AR | |
| 4 | 18 x 8.5-8 carlisle tire, turf glide | 27772-G06 | AR | ||
| 7 | 18 x 8.5-8 carlisle tire and wheel assembly, turf saver | 27772-G03 | includes items 8, 11, 12 | AR | |
| 8 | 18 x 8.5-8 carlisle tire, turf saver | 27772-G07 | AR | ||
| 9 | 18 x 8.5-8 carlisle tire and wheel assembly, fairway | 27772-G04 | includes items 10, 11, 12 | AR | |
| 10 | 18 x 8.5 -8 carlisle tire, fairway | 27772-G08 | AR | ||
| 11 | Wheel rim, 4 lug, standard | 15169-G1 | AR | ||
| 12 | Valve stem | 11657-G1 | AR |
Special Tools
| Sl. No. | Part description | Part number | Notes | Quantity | Purchase |
|---|---|---|---|---|---|
| 1 | Battery maintenance kit | 25587-G01 | |||
| 2 | Seal installation tool | 18739-G1 | Rear axle shaft seal | ||
| 3 | Battery set discharger | 28251-G01 | 36 volt, 75 AMP | ||
| 4 | Current indicator | 16489-G1 | |||
| 5 | Multimeter, digital | 27481-G01 | |||
| 6 | Crimping tool | 27765-G01 | |||
| 7 | Slide hammer | 15947-G1 | Axle/hub removal | ||
| 8 | Slide hammer | 18753-G1 | Axle removal only | ||
| 9 | 5 Gallons | 25730-G03 | |||
| 10 | 12 quart case | 25730-G04 | |||
| 11 | 55 gallon drum | 25730-G05 | |||
| 12 | .6 ounce brush on paint - hunter green | 28002-G04 | |||
| 13 | .6 ounce brush on paint - champagne beige | 28002-G03 | |||
| 14 | 12 ounce spray - hunter green | 28140-G09 | |||
| 15 | 12 ounce spray - champagne beige | 28140-G15 |
Accessories
| Sl. No. | Part description | Part number | Notes | Quantity | Purchase |
|---|---|---|---|---|---|
| 1 | Sun top kit | 75040-G01 | See kit instruction sheet 75055 | ||
| 2 | Sun top kit | 75123-G01 | 4 caddy only, See kit instruction sheet 75158 | ||
| 3 | Windshield kit, 4 caddy only | 75133-G01 | See kit instruction sheet 75161 | ||
| 4 | Windshield kit, tint, 4 caddy only | 75133-G02 | See kit instruction sheet 75161 | ||
| 5 | Windshield kit, 2 bend | 75041-G03 | See kit instruction sheet 75043 | ||
| 6 | Windshield kit, 2 bend, tinted | 75041-G04 | |||
| 7 | Windshield kit, split | 75077-G01 | |||
| 8 | Windshield kit, split, tinted | 75077-G02 | |||
| 9 | Windshield kit, split, 4 caddy only | 75077-G03 | |||
| 10 | Windshield kit, split, tinted | 75077-G04 | |||
| 11 | Sand rake | 14735-G1 | |||
| 12 | Tow bar kit | 75310-G01 | Permanent use, See kit instruction sheet 75311 | ||
| 13 | Weather enclosure | 75078-G01 | 3 sided | ||
| 14 | Weather enclosure | 75079-G01 | 4 sided | ||
| 15 | Rear view mirror | 19528-G2 | Requires sun top, See kit instruction sheet 75162 | ||
| 16 | Message holder kit | 75094-G01 | Requires suntop | ||
| 17 | Hourmeter | 75113-G02 | Electric only, See kit instruction sheet 75118 | ||
| 18 | Cooler jug/ bracket kit | 75170-G01 | |||
| 19 | Bag cover/ rain curtain kit | 75191-G01 | |||
| 20 | Seat rufurbishment spray | 28166-G01 | White | ||
| 21 | Ahstray kit | 75109-G02 | |||
| 22 | Turnsignal kit | 75107-G02 | 4 caddy only | ||
| 23 | Sand bottle | 75009-G01 | See kit instruction sheet 75029 | ||
| 24 | 8" chrome hubcap | 14913-G* | See kit instruction sheet 28244 | ||
| 25 | 6" chrome hubcap | 16042-G* | See kit instruction sheet 28244 | ||
| 26 | Gold spoke hubcap | 19241-G* | See kit instruction sheet 28244 | ||
| 27 | Silver spoke hubcap | 19241-G* | See kit instruction sheet 28244 | ||
| 28 | 4 caddy kit | 74150-G01 | See kit instruction sheet 74155 | ||
| 29 | Center basket | 75003-G02 | See kit instruction sheet 75025 | ||
| 30 | Side basket | 75007-G02 | See kit instruction sheet 75026 | ||
| 31 | Scuff guards | 75127-G02 | See kit instruction sheet | ||
| 32 | Sun top without bag rack | 75135-G01 | See kit instruction sheet 75137 | ||
| 33 | Two bag attachment | 75183-G01 | See kit instruction sheet 75184 | ||
| 34 | Convertible carrier kit | 75179-G* | See kit instruction sheet 75283 | ||
| 35 | 4 caddy to convertible carrier kit | 75278-G* | See kit instruction sheet 75284 | ||
| 36 | 4 bag attachment | 75335-G01 | See kit instruction sheet 75336 |















































