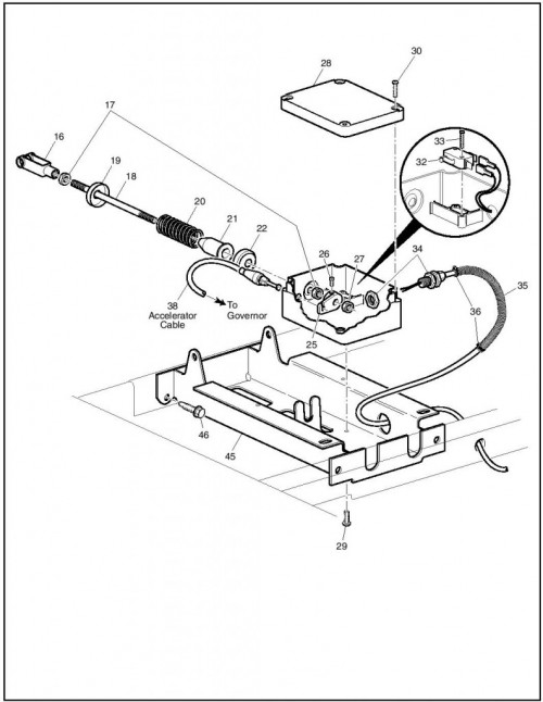
Shuttle 2+2, Year 2006

Accelerator

2006 GAS Freedom_1_Accelerator

2006 GAS Freedom_1_Accelerator _2

2006 GAS Freedom_1_Accelerator _3

Sl. No.Part descriptionPart numberNotesQuantityPurchase
1Pedal box assembly72717-G04includes items 3 - 451
3Accelerator pedal assembly25799-G03Includes items 4 - 71
4Accelerator pedal pad kit27844-G01Includes items 5 - 61
5Oval rivet15766-G13/16" x 7/16" LG 6
6Accelerator pedal pad27512-G011
7Accelerator pedal*1
8Nylon bushing17838-G13
9Pedal pivot pin74432-G011
10Push nut12064-G69/32"1
11Clevis pin10386-G35/16" x 13/16" LG1
12Teflon washer17255-G15/16"1
13Cotter pin10387-G33/32" x 3/4" LG 1
16Clevis yoke10385-G4Adjustable1
17Nut00532-G45/16 - 242
18Accelerator rod72072-G011
19Spring retainer17677-G23/8"1
20Compression spring73046-G011
21Accelerator rod bushing17979-G11
22Spring retainer17677-G11/2"1
25Micro switch cam72716-G011
26Setscrew00487-G31/4 - 20 x 3/8" LG 1
27Lock nut15126-G15/16 - 241
28Pedal box and cover25853-G031
29Screw01051-G01#8 - 16 x 1/2" LG 4
30Screw00684-G6#8 - 32 x 3/4" LG (Stainless steel)2
32Micro switch25861-G011
33Screw01050-G01#4 - 20 x 5/8" LG 2
34Wire harness72201-G04Pedal box1
35Flex loom17313-G1BulkAR
36Wire tie17618-G12
38Accelerator cable72713-G011
40Accelerator cable bushing72706-G011
41Compression spring72707-G011
42Clip washer25727-G023/16"1
43Lock nut00734-G5#10 - 321
45Accelerator pedal bracket70116-G021
46Bolt00715-G25/16 - 18 x 13/16" LG 4
47Pedal pivot cover70135-G011
49Accelerator cable mounting bracket72701-G021
50Lock nut26830-G01M8 x 1.25 MM2
51Throttle cable mounting bracket72703-G021
52Lock nut26830-G01M8 x 1.25 MM2
55Governor arm72708-G011
56Lock nut26830-G01M8 x 1.25 MM1
61Accelerator cable bracket72055-G011
62Wire tie17618-G11
64Governor cover / label assembly74457-G02Includes items 65, 661
65Governor cover72705-G011
66Label24880-G01Warning - governor1
67Bonded washer00915-G11/4"2
68Rivet14601-G113/16" x 9/16" LG (Aluminum)2
70Throttle cable72714-G011
71Wire tie17618-G11

Air filter

2006 GAS Freedom_2_Air filter

Sl. No.Part descriptionPart numberNotesQuantityPurchase
1Air filter bracket75878-G02Cable actuated carburetor1
2Bolt12547-G3M6 x 1MM X 20MM LG1
3Lock washer00664-G71/4"1
4Washer00559-G71/4"1
5Bolt00415-G21/4 - 20 x 1 1/4" LG 2
6Washer00559-G71/4"2
7Lock nut14390-G41/4 - 202
8Rivet14601-G112
9Bonded washer00915-G12
10Air cleaner canister assembly72607-G01includes items 11 - 151
11Air cleaner canister72598-G011
12Air cleaner cover72599-G011
13Air cleaner latch72604-G012
14Air cleaner dust collector28462-G011
15Air cleaner element28463-G011
16Hose clamp11391-G71
17Hose72592-G01Air filter to carburetor1
18Hose clamp11391-G62
19Carburetor gasket26727-G012
20Choke / throttle bracket74498-G021
21Choke / throttle cover6041171
22Carburetor adapter72591-G011
23PCV hose72151-G011
24Carbureor mounting spacer23726-G114
25Washer00664-G71/4"2
26Nut13632-G1M6 x 14
27Carburetor baffle72605-G011
28Stud72514-G012
29Bolt and washer25532-G1M8 x 1.25 x 18 MM2

Body – Front

2006 GAS Freedom_3_Body - Front

Sl. No.Part descriptionPart numberNotesQuantityPurchase
1Instrument panel assembly71151-G01Includes items 2-51
2Deflector71153-G01Passenger side1
3Deflector71154-G01Driver side1
4Screw00614-G5#8 - 18 x 5/8" LG 6
5Instrument panel insert71158-G014 cup holder1
8Vinyl trim71115-G012
9Rivet71055-G013/16" x 1" LG (Aluminum)10
12Splash panel71413-G011
13Ratchet fastener16816-G21/4" x 3/4" LG5
16Label603872Safety1
18Label74443-G01Anti-rollback1
22Bolt01038-G011/4 - 20 x 11/16" LG 4
23Washer16469-G11/4"2
24Rivet01057-G011/4" x 1" LG 2
25Front shield27166-G041
26Front shield brace70725-G022
29Cowl71051-G**1
30Rivet71055-G013/16" x 1" LG (Aluminum)9
31Rivet10570-G113/16" x 3/4" LG (Stainless steel)2
32Bolt71056-G015/16 - 18 x 5/8" LG 4
33Washer00570-G25/164
34Bolt00438-G65/16 - 18 x 3/4" LG (with top)2
35Washer00571-G25/16"2
37E-Z-GO nameplate71037-G02Gold1
38Nut, self-threaded71597-G015MM STUD X 10MM HEX2
45Instrument panel woodgrain applique kit74239-G011

Body – Mid Section

2006 GAS Freedom_4_Body - Mid Section

Sl. No.Part descriptionPart numberNotesQuantityPurchase
1Upper floorpan70662-G011
2Lower floorpan70451-G011
3Access cover70452-G011
4Rivet14601-G113/16" x 9/16" LG (Aluminum)16
5Floormat70995-G011
6Floormat with horn hole70995-G021
9Seat frame70440-G041
10Bolt00715-G25/16 - 18 x 4/5" LG 2
13Battery tray6004961
14Splash panel70244-G031
15Bolt00715-G25/16 - 18 x 4/5" LG 4
18Fender liner71812-G01Passenger side1
19Fender liner71812-G02Driver side1
20Ratchet fastener16816-G21/4" x 3/4" LG 8

Body Rear

2006 GAS Freedom_5_Body Rear

Sl. No.Part descriptionPart numberNotesQuantityPurchase
1Rear body71912-G4**Without taillights, includes items 3, 41
2Rear body71334-G0**With taillights, includes items 3, 41
3Bagwell liner71318-G011
4Ratchet fastener16816-G11/4" x 9/16" LG 26
5Rivet10570-G105/32" x 9/16" LG (Stainless steel)6
6Rivet10570-G121/4" x 9/16" LG (Aluminum)4
7Rivet18436-G11/4" x 3/4" LG 2
11Fender scuffguard75126-G01Driver side1
12Fender scuffguard75126-G02Passenger side1
13Ratchet fastener16816-G21/4" x 3/4" LG 8
17Access panel71320-G011
18J' clip71364-G021
19Screw01107-G01#8 x 5/8" LG (Stainless steel)5
23Seat hinge plate71609-G012
24Rivet10570-G113/16" x 3/4" LG (Stainless steel)4
28Rear bumper71578-G011
29Washer00571-G25/16"4
30Bolt71102-G011/4 - 20 x 3/4" LG 4
31Bumper plug71514-G014
32Rivet14601-G173/16" x 9/16" LG (Aluminum)4
36Rear bumper71456-G01Shuttle 2+21
37Bolt71398-G011/4 - 20 x 1 1/4" LG 2
38Bumper plug71455-G014
39Bolt71102-G011/4 - 20 x 3/4" LG 2
40J' type nut retainer71554-G012
41Bumper stay71455-G014
45Rocker panel71501-G01Passenger side1
46Rocker panel71502-G01Driver side1
47Rivet15058-G63/16" x 15/16" LG (Aluminum)4
51Sill plate71507-G01Passenger side1
52Sill plate71507-G02Driver side1
53Screw16705-G11/4 - 20 x 1" LG (Stainless steel)4
54Spacer23726-G45/16"4
55Lock nut14390-G41/4 - 204
59Label75960-G01Freedom2
60Label75962-G01Freedom SE2
61Label75964-G01Freedom LE2
62Label35434-G01Shuttle2
63Label35430-G19TXT 2+22
68Label*Serial number1
72Seat wrap mounted noise suppressor74024-G011

Body – Footrest

2006 GAS Freedom_6_Body - Footrest

Sl. No.Part descriptionPart numberNotesQuantityPurchase
1Footrest assembly70361-G01includes items 2 - 51
2Footrest70633-G011
3Floor mat70362-G011
5Label74074-G01Warning1
6End cap19853-G11"2
8Vertical frame support74126-G01Passenger side1
9Vertical frame support74126-G02Driver side1
10Bolt00427-G63/8 - 16 x 1 1/2" LG 2
11Washer00560-G13/8"10
12Carriage bolt00769-G23/8 - 16 x 1 1/4" LG 2
13Lock nut11098-G53/8 - 1610
14Bolt01006-G023/8 - 16 x 1" LG 2
16Valance panel74149-G011
17Ratchet fastener16816-G21/4" x 3/4" LG 4
19Support75268-G011
20Self threading screw00106-G6#12 - 24 x 3/4" LG 2
21End cap19859-G13/4"2
22Hole plug20271-G21/2"2
26Two bag attachment kit75183-G01includes items 27 - 301
27Two bag attachment75188-G011
28Knob22238-G23/8 - 16 x 1 1/2" LG 1
29Teflon washer17255-G15/16"1
30Support bracket75187-G011

Body – Accessories

2006 GAS Freedom_7_Body - Accessories

Sl. No.Part descriptionPart numberNotesQuantityPurchase
1Sand bottle divot repair kit28661-G01Includes items 2 - 41
2Bolt71102-G011/4 - 20 x 3/4" LG1
3Sand bottle holder28660-G011
4Sand bottle28659-G011
7Basket divot repair kit23300-G01includes scoop1
10Side basket kit75007-G02Includes items 11 - 131
11Side basket75460-G011
12Bolt71102-G011/4 - 20 x 3/4" LG 3
13Flat washer00793-G21/4" (Stainless steel)3
16Center basket kit75003-G02includes items 17 - 201
17Center basket75461-G011
18Bolt71102-G011/4 - 20 x 3/4" LG 2
19Flat washer00793-G21/4" (Stainless steel)2
20Screw01105-G01#10 x 5/8" LG (Stainless steel)2

Body – Accessories

2006 GAS Freedom_8_Body - Accessories Continued - a

Sl. No.Part descriptionPart numberNotesQuantityPurchase
1Message holder75509-G01one piece1
2Message holder75496-G011
5Cooler jug and bracket kit75495-G011
6Box cooler and bracket kit75344-G011
9Rake holder25885-G011
10Square head bolt00989-G061/4 - 20 x 3/4" LG 2
11Lock nut11027-G21/4 - 202
12Rake14735-G11

Body – Accessories

2006 GAS Freedom_9_Body - Accessories Continued - b

Sl. No.Part descriptionPart numberNotesQuantityPurchase
1Four bag attachment kit75335-G01includes items 2 - 181
2Top assembly*1
3Bottom assembly*1
4Clevis pin17651-G25/16 x 1 1/8" LG 1
5Push nut28129-G015/16"1
6Clevis pin17651-G25/16 x 1 1/8" LG 1
7Clevis pin17651-G35/16 x 1/2" LG 2
8Washer00559-G85/16"3
9Push nut28129-G015/16"3
10Clevis pin*3/8 x 1 1/4" LG 2
11Washer00560-G13/8"2
12Push nut*3/8"2
13Rubber bumper13728-G12
14Screw00150-G6#10 - 24 x 3/4" LG2
15Washer00559-G5#102
16Lock washer00565-G5#102
17Nut00526-G3#10 - 242
18Label*Warning1
23Ash tray kit75109-G02includes items 24 - 271
24Ash tray27731-G011
25Gasket27736-G011
26Bracket75108-G021
27Screw00100-G4#10 - 16 x 1/2" LG 4

Brakes

2006 GAS Freedom_10_Brakes

2006 GAS Freedom_10_Brakes _2

2006 GAS Freedom_10_Brakes _3

Sl. No.Part descriptionPart numberNotesQuantityPurchase
1Brake pedal assembly70612-G02without brake lights, includes items 2 - 101
2Torsion spring70681-G012
3Pivot pin70682-G011
4Pushnut01071-G015/16"2
5Brake pedal*1
6Park brake pedal70611-G021
7Brake/Park brake pedal pad kit70274-G01includes items 8 - 101
8Service brake pad*1
9Park brake pedal pad*1
10Oval rivet15766-G13/16" x 7/16" LG 9
12Shoulder bolt70582-G013/8 - 16 x 4" LG (Stainless steel)1
13Flanged bushing70581-G012
14Torsion spring70676-G011
15Washer00643-G13/8"1
16Lock nut11098-G53/8 - 161
18Compensator assembly70272-G04includes items 19, 201
19Spherical nut00963-G015/16 - 241
20Lock nut11098-G95/16 - 241
22Equalizer and brake cable assembly70969-G03includes items 23 - 261
23Equalizer bracket28082-G011
24Brake compensator bumper28083-G012
25Brake cable*Driver side1
26Brake cable*Passenger side1
28Retaining ring01111-G014/5" (Stainless steel)4
30Clevis pin10386-G35/16" x 13/16" LG 1
31Cotter pin10387-G33/32" x 3/4" LG 3
32Clevis pin14443-G25/16" x 5/8" LG 2
34Kick-off link70601-G011
35Nylon bushing17838-G12
36Teflon washer20835-G13/8"2
37Washer00559-G85/16"2
38Cotter pin10387-G33/32" x 3/4" LG 2
39Kick-off cam pivot70098-G011
40Flanged bearing10097-G62
41Kick-off cam70587-G011
42Setscrew71215-G011/4 - 20 x 1/2" LG 2
43Spacer14134-G41
45Adjustable bumper70113-G011
46Lock nut11027-G15/16 - 181
48Catch bracket70080-G021
49Bolt00414-G61/4 - 20 x 3/4" LG 2
50Lock nut14390-G41/4 - 202
53Brake pedal assembly70690-G02with brake lights, includes items 54 - 791
54Brake pedal*1
55Park brake pedal70611-G021
56Brake/Park brake pedal pad kit70274-G01Includes items 57 - 591
57Service brake pad*1
58Park brake pad*1
59Oval rivet15766-G13/16" x 7/16" LG9
61Brake pedal plate70258-G021
62Pivot pin70682-G011
63Torsion spring70681-G012
64Pushnut12064-G15/16"1
65Screw00737-G8#10 - 24 x 7/8" LG 4
66Rubber nut00739-G1#10 - 242
67Brake pedal standoff22362-G32
68Conical spring27137-G012
69Lock nut11098-G7#10 - 242
70Micro switch10606-G81
71Bolt00957-G1#6 - 32 x 1 1/4" LG 2
72Washer00559-G5#102
73Washer00559-G3#64
74Lock washer00565-G3#62
75Nut00525-G5#6 - 322
76Screw and lock washer13514-G1#6 - 32 x 1/4" LG (Brass)2
77Push on male terminal14628-G12
78Wire harness24605-G1Brake light1
79Wire tie17618-G13
82Brake assembly70998-G01Driver side, includes items 84-92, 94, 951
83Brake assembly70998-G02passenger side, includes items 84-91, 93-951
84Brake shoe kit70794-G01Includes item 852
85Brake shoe*2
86Brake spring kit27944-G01Includes items 87 - 912
87Upper spring*1
88Lower spring*1
89Pin*2
90Cup and spring*2
91Adjuster spring*1
92Brake adjuster kit72582-G01Driver side, includes items 94, 951
93Brake adjuster kit72582-G02Passenger side, includes items 94, 951
94Adjuster*1
95Teflon washer*2
96Bolt17083-G25/16 - 24 x 1" LG 8
97Lock nut15126-G15/ 16 - 248
98Inner brake drum washer21809-G11 5/16" O.D. X 1" I.D. X 1/32"2
100Brake drum assembly21807-G1includes items 101 - 1022
101Brake drum*1
102Lug bolt19862-G11/2 - 20 x 1 3/16" LG 4
105Outer brake drum washer21830-G12
106Castellated nut00518-G83/4 - 162
107Cotter pin10387-G11/8" x 1 1/2" LG 2
108Spindle cap74175-G012
110Brake cable bracket72036-G01Passenger side1
111Brake cable bracket72036-G02Driver side1

Carburetor and Choke

2006 GAS Freedom_11_Carburetor and Choke

2006 GAS Freedom_11_Carburetor and Choke _2

Sl. No.Part descriptionPart numberNotesQuantityPurchase
1Carburetor72840G01For vehicles originally equipped with 295cc (EH29C & EH292C) engines, includes items 3 - 151
2Carburetor72840G03For vehicles originally equipped with 350cc (EH35C & EH352C) engines, includes items 4 - 161
3Main jet26646G06#801
4Pilot jet26649G05#461
5Plug26841G011
6Gasket72306G011
7Needle valve72578G011
8Float26648G011
9Float pin26840G011
10Float bowl gasket26843G011
11Float chamber26844G011
12Bowl screw26839G011
13Bowl gasket26838G011
14Drain screw72579G011
15Vent tube26650G011
16Main jet26646G29#851
20Main jet26646G**#**, for elevations of 3000 FT - 6000 FT1
21Main jet26646G**#**, for elevations of 6000 FT - 10000 FT1
24Carburetor mount gasket26726G012
25Carburetor shield603871for fuji 295 engine1
26Carburetor insulator72854G011
27Carburetor mount gasket26726G01for fuji 295 engine1
29Choke cable25693G0422 1/4" LG with nuts 1
32Lock washer00568G49/16"1
33Jam nut00545G49/16 - 181
34Retainer72155G011
35Choke cable adapter72154G011
36Jam nut00544G45/16 - 242

Clutch

2006 GAS Freedom_12_Clutch

Sl. No.Part descriptionPart numberNotesQuantityPurchase
1Drive clutch26952-G011
3Bolt00473-G97/16 - 20 x 6 1/2" LG 1
4Lock washer00566-G27/16"1
5Pilot washer25757-G11
7Driven clutch assembly26301-G02includes items 8 - 151
8Movable sheave*Includes items 9 - 101
9Screw00979-G01#10 - 24 x 7/8" LG3
10Ramp button26479-G013
11Cam*1
12Spacer24600-G11 1/2"1
13Compression spring26304-G011
14Sheave and post*1
15Heavy duty retaining ring27270-G011
17Bolt00441-G85/16 - 18 x 4" LG 1
18Lock washer00565-G85/16"1
19Retaining washer25756-G11
20Drive belt72054-G011
22Drive belt72328-G01High altitude1
24Drive clutch26952-G01High altitude1
25Driven clutch assembly26301-G03High altitude, includes items 12, 14, 15, 26, 27, 28, 291
26Cam*1
27Compression spring26304-G011
28Movable sheave*Includes items 9, 291
29Ramp button, 4 cycle 72324-G013

Direction Selector

2006 GAS Freedom_13_Direction Selector

Sl. No.Part descriptionPart numberNotesQuantityPurchase
1Direction selector assembly72721-G05includes items 2 - 331
2Direction selector bracket with bushing72737-G021
3Direction selctor shaft70233-G011
4Direction selector cam72738-G011
5Lock nut14390-G13/8 - 241
6Bushing25664-G21
8Neutral lock pin72724-G011
9Compression spring72733-G013/8" x 5/8" LG 1
10Neutral lock bracket72729-G011
11Lock nut00734-G21/4 - 281
12Extension spring28574-G011
13Ball stud72732-G011/4"1
14Lock nut00734-G5#10 - 321
17Micro switch72736-G011
18Screw01062-G01#4 - 40 x 1" LG 2
19Washer00559-G1#42
20Lock washer00565-G1#42
21Nut00526-G2#4 - 402
24Reverse warning buzzer73290-G031
25Screw01063-G01#6 - 32 x 3/8" LG 2
2618 GA wire25978-G345Red 7"1
29Push / pull shifter cable6028911
30Cup washer25727-G011/4"4
31Compression spring72735-G0119/32" x 1" LG 2
32Shifter bracket with bushing72730-G011
33Lock nut00734-G5#10 - 321
36Screw70227-G011/4 - 20 x 7/8" LG 2
37Lock nut11027-G21/4 - 202
40Lock nut26830-G01M8 x 1.25 MM1
43Direction selector handle71205-G011
44Screw00740-G4#10 - 32 x 1/2" LG (Stainless steel)1
47Wire tie31539-G11
48Cable clip01072-G012

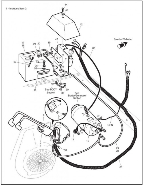
Electrical System

2006 GAS Freedom_14_Electrical System

2006 GAS Freedom_14_Electrical System _2

2006 GAS Freedom_14_Electrical System _3

2006 GAS Freedom_14_Electrical System _4

2006 GAS Freedom_14_Electrical System _5

2006 GAS Freedom_14_Electrical System _6

Sl. No.Part descriptionPart numberNotesQuantityPurchase
1Pulser coil72865-G01EH292C & EH352C engines, includes item 21
2Bolt and washer assembly26707-G01M5 x 0.8 x 10 MM LG2
6Ignition coil72866-G01EH292C & EH352C engines, incl. spark plug wires1
7Flat washer*2
8Lock washer*2
9Screw72871-G012
136 GA wire25887-G01Black, 6" F1 - A21
14Terminal cover25682-G13
17Battery H.D.600597Prolink1
18Battery24775-G*12V1
19Bolt00962-G15/16 - 18 x 1 1/4" LG 2
20Lock washer00993-G015/16" (Silicon bronze)2
21Nut00994-G015/16 - 18 (Silicon bronze)2
23Battery hold down72101-G021
24Bolt00438-G65/16 - 18 x 3/4" LG 1
25Lock washer00565-G85/16"1
26Washer00571-G25/16"1
28Battery cable601227 -ve, prolink 1
29Ground cable27044-G031
3014 GA wire25976-G19Black 6"1
31Bolt00438-G65/16 - 18 x 3/4" LG 2
32Lock nut11027-G15/16 - 182
33Flanged bolt26676-G01M6 x 1 X 23 MM LG1
356 GA wire25972-G85Black 23", F2 -SOL1
37Wire harness74938-G01Control, EH292C & EH352C engines1
40Wire tie17618-G1AR
42Cover73049-G011
43Washer16469-G11/4"1
44Screw00114-G61/4 - 14 x 3/4" LG 1
47AElec. Plate assy72909-G01EH292C & EH352C engines, incl. items 48 - 721
47BElectrical plate assy72909-G02Prolink, EH29C & EH35C engines 1
48Bracket73057-G011
49Voltage regulator27739-G011
50Solenoid27153-G011
51Bolt00415-G21/4 - 20 x 1 1/4" LG 1
52Bolt00414-G81/4 - 20 x 1" LG 1
53Lock nut11027-G21/4 - 202
56Ignitor72872-G01EH292C & EH352C engines1
57Bolt00414-G51/4 - 20 x 5/8" LG 1
58Lock nut11027-G21/4 - 201
62Faston tab73446-G01902
63Lock washer00565-G5#102
64Nut00526-G4#10 - 322
6718 GA wire25978-G56Black, 5 3/4"1
69In-line fuse holder600418-G011
70Lock washer00565-G85/16"2
71Jam nut00544-G45/16 - 242
726 GA wire25972-G33Black, 24", B+ -SOL1
73Battery cable601226 +ve, prolink 1
76Fuse block22674-G11
77Rivet01041-G011/8" x 13/16" LG 2
7815 AMP fuse18392-G13
81Horn32860-G11
82Bolt00414-G51/4 - 20 x 5/8" LG 1
83Washer00559-G75/16"1
84Lock nut14390-G41/4 - 201
86Horn switch17318-G11
87Horn switch cap and nut17318-G21
88Horn switch boot27068-G011
89Horn switch label19233-G11
90Rivet71055-G013/16" x 1" LG (aluminum)2
93Headlight mount bracket74236-G03Passenger side1
94Headlight mount bracket74236-G04Driver side1
95Bolt01038-G011/4 - 20 x 11/16" LG 2
96Bolt00414-G61/4 - 20 x 3/4" LG 2
97Lock nut11027-G21/4 - 202
98Headlight and turn signal light74001-G011
99Screw00114-G61/4 - 14 x 3/4" LG 4
101Headlight bulb74004-G01AR
102Marker light bulb74005-G01AR
103Turn signal bulb74006-G01AR
105Bezel74371-G01Driver side1
106Bezel74371-G02Passenger side1
107J' clip71364-G028
108Countersunk screw71425-G01#88
109Brake / taillight lamp22288-G21
110Rivet14601-G113/16" x 9/16" LG (Aluminum)4
111Taillight bulb21759-G1AR
113Turn signal kit75107-G02Includes items 114 - 1181
114Turn signal17867-G1With mounting hardware, includes item 1151
115Turn signal flasher21640-G11
116Flex loom32307-G33/8 x 8" LG 1
117Wire tie17618-G12
118Steering column cover20965-G31
120Wire harness72228-G01Accessory1
121Key switch kit18602-G1w/o lights - standard - with hardware1
122Key switch17955-G1Without lights - non standard1
123Key switch18027-G1Without lights - individually keyed1
124Key switch33639-G**With lights1
125Lock washer00568-G63/4"1
126Face nut17137-G13/4 - 201
127Key17063-G1Set1
128Wire harness73041-G01Key switch1
131Plate73030-G01Key switch only1
132Label71145-G01Key switch only, without headlights 1
133Label71181-G01Key switch only, with headlights 1
136Plate73030-G04Fuel guage and oil light1
137Label71127-G01Oil light and fuel gauge w/o headlights1
138Label71131-G01Oil light and fuel gauge with headlights1
139Fuel gauge21553-G11
140Indicator light23474-G11
141Wire harness74311-G01Oil light/Fuel gauge1
14218 GA wire25978-G122Red, 6" LG 1
145Plate73030-G04Low fuel and oil light indicator1
146Label71125-G01Low fuel and oil light w/o headlights1
147Label71183-G01Low fuel and oil light with headlights1
148Indicator light23474-G12
149Wire harness74311-G01Oil light / fuel light1
15018 GA wire25978-G122Red, 6" LG 1
152Drive rivet33623-G023/16" x 3/8' LG 2
155Hour meter kit75114-G02includes items 156 - 1601
156Hour meter21573-G11
157Hour meter bracket74019-G021
158Screw00379-G4#10 - 24 x 1/2" LG 2
159Lock nut14390-G10#10 - 242
160Wire harness75117-G01Hour meter1

Engine 9 HP and Muffler

2006 GAS Freedom_15_Engine 9 HP and Muffler

Sl no.Part descriptionPart numberNotesQuantityPurchase
1Engine604254EH292C, includes items 3-10, 12-201
3Timing belt26626-G011
4Timing belt cover72908-G011
5Timing belt cover grommet26631-G011
6Bolt26678-G01M6 x 1 x 12 MM LG3
8Ignition coil bracket72885-G011
9Spark plug25523-G5NGK FR2A-D2
12Valve cover72848-G011
13Valve cover gasket72876-G011
14Flanged bolt26676-G01M6 x 1 x 23 MM LG6
15Oil filler cap26601-G011
16Oil filler 'O' ring26720-G011
17Oil filter26591-G011
18Oil filter 'O' ring26710-G011
19Bolt and washer26680-G01M6 x 1 x 12 MM LG3
20Stud603911M6 x 1 x 135 MM LG2
23Muffler74829-G011
24Exhuast gasket25531-G011
25Nut72851-G01M8 x 1.25 MM2
26Bolt and washer25532-G1M8 x 1.25 x 18 MM LG1
27Bolt00438-G85/16 - 18 x 1" LG 1
28Lock washer00565-G85/16"3
29Washer00642-G85/16"1

Engine 11 HP and Muffler

2006 GAS Freedom_16_Engine 11 HP and Muffler

Sl. No.Part descriptionPart numberNotesQuantityPurchase
1Engine72846-G02For vehicles originally equipped with 350cc (EH35C), includes items 3 - 201
3Timing belt26626-G011
4Timing belt cover72908-G011
5Timing belt cover grommet26631-G011
6Bolt26678-G01M6 x 1 x 12 MM LG3
9Ignition coil bracket72869-G011
10Spark plug72867-G01NGK BPR5ES2
12Valve cover72848-G011
13Valve cover gasket72876-G011
14Flanged bolt26676-G01M6 x 1 x 23 MM LG6
15Oil filler cap26601-G011
16Oil filler 'O' ring26720-G011
17Oil filter26591-G011
18Oil filter 'O' ring26710-G011
19Bolt and washer26680-G01M6 x 1 x 12 MM LG3
20Stud72307-G01M6 x 1 x 115MM LG2
23Muffler74829-G011
24Exhaust gasket25531-G011
25Flange nut72851-G01M8 x 1.25 MM2
26Bolt and washer25532-G1M8 x 1.25 x 18 MM LG1
27Bolt00438-G85/16 - 18 x 1" LG 1
28Lock washer00565-G85/16"3
29Washer00642-G85/16"1

Engine Mounting

2006 GAS Freedom_17_Engine Mounting

Sl. No.Part descriptionPart numberNotesQuantityPurchase
1Front engine mount72010-G011
2Rear engine mount72011-G011
3Bolt00463-G47/16 - 14 x 1 1/2" LG 4
4Lock washer00566-G27/16"4
5Washer00922-G37/16"4
8Bolt00428-G63/8 - 16 x 2 3/4" LG 2
9Spacer72016-G012
10Crossmember brace70269-G021
11Mount bracket72044-G021
12Washer00643-G13/8"2
13Lock nut11098-G53/8 - 162
14Bolt00438-G75/16 - 18 x 7/8" LG 2
15Washer01110-G035/16" (Stainless steel)2
16Lock nut01109-G015/16 - 18 (Stianless steel)2
19Bolt00430-G43/8 - 16 x 4 1/2" LG 1
20Washer15121-G13/8"1
21Plastic washer72050-G012 1/4" OD X 5/8" ID X 1/8"4
22Washer72051-G012 1/2" OD X 5/8" ID X 1/8"2
23Isolation mount72015-G011
24Washer72051-G023/8"1
25Lock nut11098-G53/8 - 161
28Engine guard72719-G031
29Bolt00463-G47/16 - 14 x 1 1/2" LG 4
30Lock washer00566-G27/16"4
31Washer00922-G37/16"4
34Bolt00439-G15/16 - 18 x 1 1/8" LG 1
35Lock nut11098-G65/16 - 18 (Stainless steel)1
38U' bolt72035-G017/16 - 14 x 3 7/16" x 3 9/16" LG 2
39Washer00922-G37/16"4
40Lock nut00734-G17/16 - 144

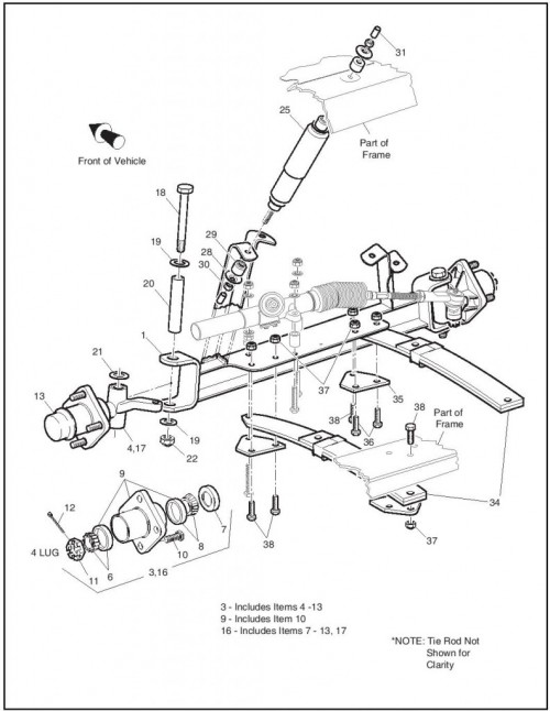
Front Suspension and Steering

2006 GAS Freedom_18_Front Suspension and Steering

2006 GAS Freedom_18_Front Suspension and Steering _2

2006 GAS Freedom_18_Front Suspension and Steering _3

Sl. No.Part descriptionPart numberNotesQuantityPurchase
1Front axle6025131
3Spindle and hub assembly70942-G034 lug, Passenger side, includes items 4 - 131
4Spindle assembly70940-G04Passenger side, includes items 5 - 61
5Bearing70648-G011
6Bearing70749-G01DP41
7Grease seal25146-G11
8Roller bearing and race assembly50892-G12
9Wheel hub assembly with races70589-G14 lug, includes item 101
10Lug bolt19862-G11/2 - 20 x 1 7/32" LG 4
11Slotted nut12093-G11 -141
12Cotter pin00798-G85/32" x 1 3/4" LG1
13Spindle cap12091-G22
16Spindle and hub assembly70673-G034 lug, Driver side, includes items 7-13 & 171
17Spindle assembly70742-G02Driver side, includes items 5-61
18Bolt00407-G61/2 - 13 x 6" LG 2
19Washer00560-G31/2"4
20King pin tube70745-G012
21Thrust washer70754-G01Stainless steel2
22Lock nut14390-G61/2 - 132
25Shock absorber76419-G012
28Shock absorber washer10435-G18
29Rubber shock absorber bushing10194-G18
30Nut00532-G63/8 - 244
31Vinyl cap10044-G014
34Leaf spring70664-G03Heavy duty, see part number on spring 2
35Spring plate70163-G034
36Bolt00463-G47/16 - 14 x 1 1/2" LG 4
37Lock nut00734-G17/16 - 1411
38Bolt00463-G67/16 - 14 x 1 3/4" LG 7
41Rack and pinion unit74964-G02Complete, includes items 42 - 651
42Steering rack cover & bearing70965-G011
43Jam nut*1/2 - 201
44Retaining ring70750-G01External1
45Ball bearing15115-G11
46Pinion70603-G011
47Retaining ring70751-G01Internal1
48Seal pinion70638-G011
49Rack steering70604-G011
50Screw01053-G0110 - 321
51Rack loader70590-G011
52Spring compression70666-G011
53Gasket rack loader70645-G011
54Cover rack loader70591-G011
55Screw71102-G011/4 - 202
56Grease fitting, straight 10389-G31
57Rack ball joint70695-G01includes items 58 - 601
58Rubber boot50641-G11
59Slotted nut50209-G27/16 - 201
60Cotter pin10387-G23/32" x 1" LG 1
61Rod end74694-G01Inner1
62Rack boot70961-G011
63Wire tie12416-G21
64Wire tie11391-G81
65Tag steering wheel6043281
74Bolt00464-G67/16 - 14 x 2 3/4" LG 2
75Bolt01068-G017/16 - 14 x 3 1/2" LG 1
76Spacer70667-G022
77Spacer70667-G03Short1
78Nut00532-G77/16- 141
79Flat washer00560-G27/16"7
80Lock nut00734-G17/16 - 143
83Steering shaft70607-G011
85Steering column kit70758-G05includes items 86 - 881
86Steering column70610-G031
87Steering column bushing28569-G011
88Screw01022-G01#6 - 20 x 5/16" LG 1
95Bolt01006-G013/8 - 16 x 1 1/4" LG with patchlock 4
96Lock washer00879-G13/8"4
98Intermediate shaft70580-G01includes items 99, 1001
99Bolt01055-G01M8 x 1 1/4" LG 2
100Lock washer00565-G85/16"2
102Retaining ring70751-G01Internal1
103Retaining ring70888-G01External1
104Ball bearing15112-G11
105Wave washer70887-G011
106Steering wheel6029791
113Lock nut14390-G25/8 - 181
114Clipboard71950-G011
117Tie rod assembly74604-G01includes items 118 - 1221
118Threaded rod74603-G0124" LG 1
119Tie rod end70902-G01Left hand threads1
120Jam nut01069-G01M12 x 1.25-05 (Left hand threads)1
121Tie rod end70902-G02Right hand threads1
122Jam nut01069-G02M12 x 1.25-05 (Right hand threads)1
124Lock nut00734-G17/16 - 142

Fuel System – California Requirement

2006 GAS Freedom_19_Fuel System - California Requirement

Sl. No.Part descriptionPart numberNotesQuantityPurchase
1Fuel tank72092G01For vehicles without gauge1
2Fuel tank cap72282G011
3Spacer70486G011
4Washer00559G85/16"2
5Lock nut01109G015/16 - 18 (Stainless steel)2
7Fuel tank assembly with level switch72231G01Includes items 8-141
8Fuel tank72092G02For vehicles with fuel guage1
9Fuel tank cap72282G011
10Fuel level sender adapter72229G011
11Screw72230G01#6 - 32 x 1/2" LG 2
12Fuel level sender20048G2includes item 131
13Gasket*1
14Screw72232G01#10 x 3/4" LG5
16Bolt00438G85/16 - 18 x 1" LG 1
17Washer00559G85/16"2
18Lock nut01109G015/16 - 18 (Stainless steel)1
21Fuel hose, california requirement 604596Bulk14"
22Fuel line filter12902G11
23Clamp18292G15
24Fuel pump72873G011
25Screw00114G61/4 - 14 x 3/4" LG 2
26Low pressure fuel line27183G01Bulk26"
27Fuel hose, california requirement 604596Bulk16"
28Hose clamp11391G41/4"3
29Wire tie17618G13
30Vinyl trim22280G1Black (Bulk)7"

Fuel System

2006 GAS Freedom_20_Fuel System

Sl. No.Part descriptionPart numberNotesQuantityPurchase
1Fuel tank72092G01For vehicles without gauge1
2Fuel tank cap72282G011
3Spacer70486G011
4Washer00559G85/16"2
5Lock nut01109G015/16 - 18 (Stainless steel)2
7Fuel tank assembly with level switch72231G01Includes items 8-141
8Fuel tank72092G02For vehicles with fuel gauge1
9Fuel tank cap72282G011
10Fuel level sender adapter72229G011
11Screw72230G01#6 - 32 x 1/2" LG 2
12Fuel level sender20048G2includes item 131
13Gasket*1
14Screw with seal72232G01#10 x 3/4" LG 5
16Bolt00438G85/16 - 18 x 1" LG 1
17Washer00559G85/16"2
18Lock nut01109G015/16 - 18 (Stainless steel)1
21Low pressure fuel line17470G1Bulk4"
22Fuel line filter72084G011
23Clamp18292G15
24Fuel pump72873G011
25Screw00114G61/4 - 14 x 3/4" LG 2
26Low pressure fuel line27183G01Bulk26"
27Low pressure fuel line17470G1Bulk26"
28Hose clamp11391G41/4"3
29Wire tie17618G13
30Vinyl trim22280G1Black (Bulk)7

Rear Axle

2006 GAS Freedom_21_Rear Axle

Sl. No.Part descriptionPart numberNotesQuantityPurchase
1Rear axle72715-G0113.32:1, includes items 3-231
2Rear axle, freedom HP72715-G0210.67:1, includes items 3 - 231
3Flanged bolt26823-G01M8 x 1.25 x 100 MM LG5
4Flanged bolt26824-G01M8 x 1.25 x 110 MM LG2
5Bolt*M8 x 1.25 x 146 MM LG2
6Flanged bolt72052-G01M8 x 1.25 x 130 MM LG1
7Flange nut72269-G01M8 x 1.25 MM12
8Oil check plug26768-G011
9Gasket26769-G018 MM1
10Oil drain plug26770-G011
11Gasket26771-G0114 MM1
12Oil filler plug26772-G011
13Input shaft seal26761-G011
14Shifter shaft seal26762-G011
15Axle shaft seal72259-G012
17Axle tube72115-G01Driver side1
18Axle tube72116-G01Passenger side1
19Axle shaft72056-G01Driver side1
20Axle shaft72057-G01Passenger side1
21Retaining ring26814-G014
22Ball bearing26811-G012
23Flanged bolt72260-G01M10 x 1.5 x 23 MM LG10
26Axle bracket72017-G021
27Lock nut26830-G01M8 x 1.25 MM2
28Spacer75048-G011/2"1

Rear Suspension

2006 GAS Freedom_22_Rear Suspension

Sl. No.Part descriptionPart numberNotesQuantityPurchase
1Leaf spring set603109Contains 2 springs1
2Isomount base plate72028-G022
3Isomount bushing72117-G012
4Isomount cap72037-G012
5U' bolt72618-G013/8 - 16 x 2" x 2 1/2" LG 4
6Washer00560-G13/8"8
7Lock nut11098-G53/8 - 168
9Flanged bushing70291-G014
10Shoulder bolt14158-G13/8 - 16 x 3 1/4" LG 2
11Lock nut12262-G13/8 - 162
13Bolt00665-G93/8 - 16 x 3 1/2" LG (Stainless steel)4
14Shackle plate70290-G024
15Flanged bushing70291-G018
16Spacer70289-G024
17Lock nut11098-G53/8 -164
19Shock absorber76418-G012
20Shock absorber washer10435-G18
21Rubber bushing10194-G18
22Nut00532-G63/8 - 244
23Vinyl cap10044-G014
25Leaf spring set74207-G03Use on shuttle 2+2 and convertible carrier only, contains 2 springs 1

Seating – Shuttle 2+2

2006 GAS Freedom_24_Seating - Shuttle 2+2

2006 GAS Freedom_24_Seating - Shuttle 2+2_2

Sl. No.Part descriptionPart numberNotesQuantityPurchase
1Seat bottom assembly71611-G**includes items 2-41
2Vinyl seat bottom cover71602-G**1
3Vinyl trm71012-G01Seat bottom1
4Rubber pad17074-G12
7Hip restraint71701-G01Passenger side1
8Hip restraint71702-G01Driver side1
9Bolt00661-G81/4 - 20 x 1" LG (stainless steel)8
12Seat hinge71610-G012
13Screw00720-G08#12 - 14 x 1" LG (Stainless steel)6
16Seat back assembly71751-G**Includes items 17 - 191
17Vinyl seat back cover71753-G**1
18Plastic seat back cover71752-G011
19Screw01107-G01#8 x 5/8' LG (Stainless steel)4
22Spacer70364-G012
23Seat back support74111-G012
24Bolt01006-G023/8 - 16 x 1 1/2" LG 4
25Washer00560-G13/8"4
26Adjustable bumper70113-G014
27Lock nut11027-G15/16 - 186
28Latch bracket - left74508-G021
29Bolt00661-G81/4 - 20 x 1" LG (Stainless steel)4
30Lock washer00664-G71/4" (Stainless steel)4
34Seat bottom assembly74139-G**Includes items 42 - 441
35Vinyl cover71602-G**seat bottom1
36Trim74140-G011
37Trim71012-G011
40Hip restraint71702-G01Driver side1
41Hip restraint71701-G01Passenger side1
42Bolt00661-G81/4 - 20 x 1" LG (Stainless steel)8
45Seat back assembly71751-G**Includes items 17 - 191
48Seat support bracket72918-G012
49Bolt71204-G011/4 - 20 x 1" LG (Stainless steel)12
51Nylon bushing17838-G14
53Bolt00440-G45/16 - 18 x 2 1/4" LG 2
54Washer00559-G85/16"2
55Lock nut11098-G65/16 - 182

Seating – Convertible Carrier

2006 GAS Freedom_25_Seating - Convertible Carrier

2006 GAS Freedom_25_Seating - Convertible Carrier _2

Sl. No.Part descriptionPart numberNotesQuantityPurchase
1Seat bottom assembly71611-G**Includes items 2 - 41
2Vinyl seat bottom cover71602-G**1
3Vinyl trim71012-G01Seat bottom1
4Rubber pad17074-G12
7Hip restraint71701-G01Passenger side1
8Hip restraint71702-G01Driver side1
9Bolt71204-G011/4 - 20 x 1' LG (stainless steel)8
12Seat hinge71610-G012
13Screw00720-G08#12 - 14 x 1" LG (Stainless steel)4
16Seat back assembly71751-G**Includes items 17 - 191
17Vinyl seat back cover71753-G**1
18Plastic seat back cover71752-G011
19Screw01107-G01#8 x 5/8" LG (Stainless steel)4
22Spacer70364-G012
23Seat back support74111-G012
24Bolt01006-G023/8 - 16 x 1 1/2" LG 4
25Washer00560-G13/8"4
26Adjustable bumper70113-G012
27Lock nut11027-G15/16 - 182
28Latch bracket - left74508-G021
29Bolt00661-G81/4 - 20 x 1" LG (Stainless steel)4
30Lock washer00664-G71/4" (Stainless steel)4
33Seat back assembly71751-G**Includes items 17 - 191
34Seat back support75258-G011
35Bolt00661-G81/4 - 20 x 1" LG (Stainless steel)4
36Lock washer00664-G61/4" (Stainless steel)4
37Screw16705-G61/4 - 20 x 1 3/4" LG (Stainless steel)2
38Acorn nut00520-G11/4 - 20 (Stainless steel)2
39End cap75261-G013/4"2
41Bed71062-G011
42Seat bottom assembly71063-G**includes item 431
43Seat bottom75197-G**includes item 441
44Vinyl seat bottom cover75252-G**1
45Screw00762-G25/16 - 18 x 1 1/2" LG (Stainless steel)2
46Lock washer00664-G85/16" (Stainless steel)4
47Acorn nut00520-G35/16 - 18 (Stainless steel)2
48End cap75261-G013/4"4
51Bed front71060-G01Includes mat1
52Bolt00661-G61/4 - 20 x 3/4" LG (Stainless steel)4
53Lock washer00664-G71/4" (Stainless steel)4
54Support frame75193-G011
55Bolt00438-G85/16 - 18 x 1" LG 2
56Washer00559-G85/16"2
57Lock nut75279-G15/16 - 182
58Bolt00440-G45/16 - 18 x 2 1/2" LG 2
59Nylon bushing17838-G14
60Washer00559-G85/16"2
61Lock nut11098-G65/16 - 18 (Stainless steel)2
62Handrail75196-G012
63Screw00762-G25/16 - 18 x 1 1/4" LG (Stainless steel)2
64Lock washer00664-G85/16" (Stainless steel)2
65Acorn nut00520-G35/16 - 18 (Stainless steel)2
66End cap75261-G021"4
69Side basket75460-G01Black2
70Self threading screw00106-G6#12 - 24 x 3/4" LG 4

Starter – Generator

2006 GAS Freedom_26_Starter - Generator

Sl. No.Part descriptionPart numberNotesQuantityPurchase
1Starter / generator27065-G01includes items 2 - 271
2Armature26870-G011
3Rear ball bearing26871-G011
4Front ball bearing26872-G011
5bearing holder26873-G011
8Field coil26875-G011
9Insulating brush assembly26876-G01F'2
10Pole core setscrew26877-G014
11Front cover26878-G011
12Rear cover27879-G011
13Terminal assembly26880-G01A'2
16Brush holder assembly26881-G01includes items 17 - 191
17Brush26658-G014
18Brush spring26882-G014
19Brush connector26883-G012
22Key26884-G011
23Pulley26885-G011
24Brush and pulley hardware kit26886-G011
25Brush 1 cover26887-G013
26Brush 2 cover26888-G012
27Housing hardware kit26889-G012
31Bolt00938-G41/2 - 13 x 8" LG 1
32Washer00560-G31/2"2
33Lock washer00566-G31/2"1
34Nut00533-G11/2 - 131
37Starter / generator adjuster28617-G011
38Jam nut00544-G53/8 - 161
39Nut00532-G53/8 - 161
40Washer00560-G13/8"1
41Push nut12064-G45/16"1
44Starter / generator belt26414-G011

Tow Bar – Permanent

2006 GAS Freedom_27_Tow Bar - Permanent

2006 GAS Freedom_27_Tow Bar - Permanent_2

Sl. No.Part descriptionPart numberNotesQuantityPurchase
1Mounting plate75318-G011
2Stop mount plate75319-G011
3Screw16705-G11/4 - 20 x 1" LG (Stainless steel)3
4Lock nut00891-G21/4 - 20 (Stainless steel)3
5Female stop75338-G021
8Tow bar assembly75304-G01Towing vehicle, includes items 9-291
9Tow bar75299-G011
10Upper pivot75302-G011
11Lower pivot75291-G011
12Bolt00410-G81/2 - 20 x 3" LG 1
13Washer00675-G31/2" (Stainless steel)1
14Spring washer75339-G011
15Washer00571-G51/2"1
16Lock nut11098-G81/2 - 201
17Latch stop75362-G011
18Washer75340-G013/8"2
19Pivot pin75360-G011
20Spring pin13571-G71
21Latch75303-G011
22Compression spring20852-G21
23Cup washer25661-G021
24Shoulder bolt13005-G45/16 - 18 x 2" LG 1
25Label75370-G01Warning1
26Male stop75338-G031
27Bolt12547-G46MM X 1 X 30 MM LG1
28Lock washer00565-G85/16"1
29Acorn nut00520-G35/16 - 18 (Stainless steel)1
31Tow bar hitch assembly75308-G01Towed vehicle, includes items 32-481
32Hitch75305-G011
33Pivot bolt75292-G011
34Thrust washer75309-G012
35Washer75342-G013/4"1
36Castellated nut00518-G83/4 - 161
37Cotter pin10387-G11/8" x 1 1/2" LG 2
38Bearing75307-G011
39Lock washer00566-G63/4"1
40Nut00533-G83/4 - 161
42Tie rod assembly602981includes items 43 - 481
43Threaded rod6030891
44Tie rod end27205-G01Left hand threads1
45Jam nut18434-G3M12 x 1.25-05 (Left hand threads)1
46Tie rod end27205-G02Right hand threads1
47Jam nut18434-G4M12 x 1.25-05 (Right hand threads)1
48Cotter pin10387-G22
49Lock nut00734-G37/16 - 142

Tow Bar – Casual

2006 GAS Freedom_28_Tow Bar - Casual

Sl. No.Part descriptionPart numberNotesQuantityPurchase
1Casual tow bar75033-G01includes items 2-151
2Tow bar*1
3Tie rod75034-G01includes nut and cotter pin1
4Coupling75060-G011
5Lock pin*1
6Compression spring75065-G011
7Washer00922-G23/8"1
8Cotter pin10387-G23/32" x 1" LG 1
9Safety pin75068-G011
10Wire rope14869-G51
11Ferrule16783-G13
12Ferrule75067-G011
13Hex head plug75035-G021
14Wire rope14869-G31
15Label75091-G01Warning1

Weather Protection – Shuttle 2+2

2006 GAS Freedom_30_Weather Protection - Shuttle 2+2

2006 GAS Freedom_30_Weather Protection - Shuttle 2+2_2

Sl. No.Part descriptionPart numberNotesQuantityPurchase
1Sun top75123-G01Shuttle 2+2, includes items 2 - 201
2Rear strut75074-G01Driver side1
3Rear strut75074-G02Passenger side1
4Bolt00665-G53/8 - 16 x 1 3/4" LG (Stainless steel)4
5Washer00679-G13/8 (Stainless steel)18
6Washer00771-G53/84
7Lock nut00891-G53/8 - 1610
8End cap19853-G11"2
9Front strut75125-G011
10Bolt00440-G25/16 - 18 x 2 1/4" LG 4
11Lock washer00905-G85/16"4
12Spacer75048-G011/2"2
13Lock washer00879-G13/8"4
14Sun top27604-G011
15Bolt00674-G83/8 - 16 x 5" LG (stainless steel)2
16Spacer18716-G12
17Washer00653-G13/8" (Stainless steel)2
18Bolt00665-G33/8 - 16 x 2 1/2" LG (Stainless steel)2
19Bolt00665-G63/8 - 16 x 2" LG (Stainless steel)2
20Spacer24647-G11/4"2
23Rear view mirror kit19528-G2includes items 24 - 261
24Rear view mirror19496-G11
25Support bracket19502-G021
26Screw19527-G1#8 - 32 x 5/8" LG (Stainless steel)1
28Windshield kit75524-G02Shuttle 2+2, includes items 29 - 351
29Windshield*1
30SashEGWHC1226" LG 2
31ScrewEGWHS121/4 - 20 x 1 3/4" LG (Stainless steel)2
32WasherEGWHW121/4" (Stainless steel)4
33Rubber grommetEGWHG132
34Lock nutEGWHN121/4 - 20 (Stainless steel)2
35LabelEGWHL14Safety1
37Fold down windshield kit74910-G02Shuttle 2+2, includes items 38 - 481
38Windshield*1
39Sash110-032A12" LG 2
40ScrewEGWHS121/4 - 20 x 1 3/4" LG (Stainless steel)2
41WasherEGWHW121/4" (Stainless steel)4
42Rubber grommetEGWHG132
43Lock nutEGWHN121/4 - 20 (Stainless steel)2
44Top grip110-055C3/4" x 2"2
45Top grip fastener136-0082
47Bottom grip110-056C2
48LabelEGWHL14Safety1

Wheels and Tires

2006 GAS Freedom_31_Wheels and Tires

Sl. No.Part descriptionPart numberNotesQuantityPurchase
1Tire and wheel assembly28757-G01links 18 x 8.50-8, includes items 2-44
2Tire28764-G01Links 18 x 8.50 - 81
3Wheel rim28759-G014 Lug1
4Valve stem11657-G21
6Wheel and tire assembly28757-G03Turf saver 18 x 8.50 - 8, includes items 7-94
7Tire28764-G03Turf saver 18 x 8.50 - 81
8Wheel rim28759-G014 lug1
9Valve stem11657-G21
11Wheel and tire assembly28842-G01Sure trail 18.5 x 8.50 - 8 load range C, includes items 12 - 144
12Tire28764-G08Sure trail 18.5 x 8.50 - 8 load range C1
13Wheel rim28759-G014 lug1
14Valve stem11657-G21
16Wheel and tire assembly28757-G02Turf glide 18 x 8.5 - 8, includes items 17 - 194
17Tire28764-G02Turf glide 18 x 8.5 - 81
18Wheel rim28759-G014 lug1
19Valve stem11657-G21
21Wheel and tire assembly28757-G04Fairway 18 x 8.5 - 8, includes items 22 - 244
22Tire28764-G04Fairway 18 x 8.5 - 81
23Wheel rim28759-G014 lug1
24Valve stem11657-G21
26Lug nut14723-G11/2 - 2016
286" chrome hubcap 16042-G014
296" chrome hubcap 16042-G02Set of four1
308" chrome hubcap 14913-G014
318" chrome hubcap 14913-G02Set of four1
32Gold spoke hubcap19241-G024
33Gold spoke hubcap19241-G04Set of four1
34Silver spoke hubcap19241-G014
35Silver spoke hubcap19241-G03Set of four1
38Alloy wheel and tire assembly600599includes items 39 - 424
39Tire6017681
40Alloy wheel6017661
41Alloy wheel cap6013531
42Valve stem601767Chrome1
44Alloy wheel lug nut60135416

Options Accessories

Sl. No.Part descriptionPart numberNotesQuantityPurchase
12 Bag attachment75183-G01Body - footrest
24 Bag attachment75335-G01Body - accessories
3Alloy wheel and tire assembly600599Wheels and tires
4Alloy wheel cap601353Wheels and tires
5Alloy wheel lug nut601354Wheels and tires
68" chrome hubcap 14913-G*Wheels and tires
76" chrome hubcap 16042-G*Wheels and tires
8Gold spoke hubcap19241-G*Wheels and tires
9Silver spoke hubcap19241-G*Wheels and tires
10Ashtray kit75109-G02Body - accessories
11Bag cover / rain curtain kit75191-G01Weather protection - golf car
12Convertible carrier kit75179-G*Body, seating - Convertible carrier
13Center basket75003-G01Body - accessories
14Cooler jug and bracket kit75495-G01Body - accessories
15Cooler box and bracket kit75344-G01Body - accessories
16Divot repair kit23300-G1Body - accessories
17High altitude conversion kit72754-G02Carburetor and choke
18High altitude conversion kit72754-G01Carburetor and choke
19Hour meter75114-G02Electrical system
20Message holder kit75509-G01Body - accessories
21Message holder kit75496-G01Body - accessories
22Rear view mirror19528-G2Weather protection - golf car
23Sand bottle28661-G01Body - Accessories
24Sand rake14735-G1Body - accessories
25Sand rake holder75006-G01Body - accessories
26Shuttle 2+2 kit74150-G**Body, seating - shuttle 2+2
27Side basket75007-G**Body - accessories
28Sun top kit, golf car75040-G**Weather protection - golf car
29Sun top kit, shuttle 2+275123-G01Weather protection - shuttle 2+2
30Tow bar kit75033-G01Tow bar - Casual
31Tow bar kit75310-G01Tow bar - Permanent
32Turn signal kit75107-G02Electrical system
33Weather enclosure75078-G013 sided, Weather protection - golf car
34Weather enclosure75492-G013 sided, Weather protection - shuttle 2+2
35Weather enclosure75079-G014 Sided, Weather protection - golf car
36Windshield kit75524-G01Weather protection - golf car
37Windshield kit75524-G02Weather protection - shuttle 2+2
38Windshield kit75525-G01Weather protection fold down, golf car
39Windshield kit75525-G02Weather protection fold down, shuttle 2+2

Specialty Products

Sl. No.Part descriptionPart numberNotesQuantityPurchase
1High resistance spark plug wire set26733-G02
2Clutch puller19779-G2Drive
3Flywheel puller27111-G01
4Current indicator16489-G2
5Digital multimeter27481-G01
6Slide hammer15947-G1Axle / hub removal
7Slide hammer18753-G1Axle removal only
8Compression tester72524-G01
9Feeler gauge72525-G01
10Techometer72526-G01
114 cycle engine oil25730-G035 gallon19 liter
124 cycle engine oil25730-G0412 quart case
134 cycle engine oil25730-G061 quart bottle950 ml
14Pen 3 ounce - hunter green28432-G0289 ml
15Pen 3 ounce - champagne beige28432-G0189 ml
16Pen 3 ounce - white28432-G0589 ml
17Pen 3 ounce - industrial yellow28432-G0389 ml
18Pen 3 ounce - orange28432-G0489 ml
19Pen 3 ounce - steel b lue pearl28432-G2489 ml
20Pen 3 ounce - olive green28432-G**89 ml
21Pen 3 ounce - camouflage paint75831-G01Three pens89 ml
22Aerosol 12 ounce - hunter green28140-G09360 ml
23Aerosol 12 ounce - Champagne beige28140-G15360 ml
24Aerosol 12 ounce - white28140-G03360 ml
25Aerosol 12 ounce - industrial yellow28140-G14360 ml
26Aerosol 12 ounce - orange28140-G13360 ml
27Aerosol 12 ounce - Steel blue pearl28140-G**360 ml
28Aerosol 12 ounce - olive green28140-G**360 ml
29Formula 40 vinyl - coat white28166-G01
30Plexus cleaner28433-G017 ounce, For windshields 210 ml
31Plexus cleaner28433-G0213 ounce, For windshields 380 ml
32Battery protector75500-G0114 ounce spray410 ml
33Carburetor & choke cleaner75501-G0115 ounce spray440 ml
34White lithium grease75502-G0114 ounce spray410 ml
35Penetrant/Lubricant75503-G0115 ounce spray440 ml
36Multi purpose cleaner & degreaser75504-G0114 ounce spray410 ml
37Multi purpose hand cleaner75505-G0132 ounce liquid950 ml
38Battery cleaner75506-G0132 ounce with trigger sprayer950 ml
39Bio-degradeable cleaner75507-G0132 ounce with trigger sprayer950 ml
40Multi purpose value pack75508-G01
Battery protector4 ounce spray120 ml
Penetrant/Lubricant4 ounce spray120 ml
White lithium grease4 ounce spray120 ml
Carburetor & choke cleaner4 ounce spray120 ml