Shuttle 2+2 – Gas, Year 2002
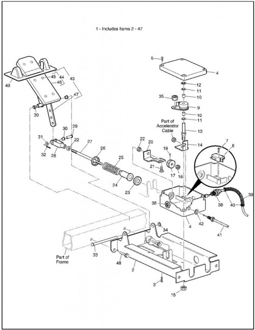
Accelerator – All Cables
| Sl. No. | Part description | Part number | Notes | Quantity | Purchase |
|---|---|---|---|---|---|
| 1 | Pedal box assembly | 72717-G01 | includes items 3-45 | 1 | |
| 3 | Accelerator pedal assembly | 25799-G01 | includes items 4-7 | 1 | |
| 4 | Accelerator pedal pad kit | 27844-G01 | includes items 5-6 | 1 | |
| 5 | Oval rivet | 15766-G1 | 3/16" x 3/8" LG | 6 | |
| 6 | Accelerator pedal pad | 27512-G01 | 1 | ||
| 7 | Accelerator pedal | * | 1 | ||
| 8 | Nylon bushing | 17838-G1 | 3 | ||
| 9 | Pedal pivot pin | 74432-G01 | 1 | ||
| 10 | Push nut | 12064-G6 | 9/32" | 1 | |
| 11 | Clevis pin | 10386-G3 | 5/16" x 1" LG | 1 | |
| 12 | Teflon washer | 17255-G1 | 5/16" | 1 | |
| 13 | Cotter pin | 10387-G3 | 3/32" x 3/4" LG | 1 | |
| 16 | Clevis yoke | 10385-G4 | Adjustable | 1 | |
| 17 | Lock nut | 00532-G4 | 5/16 - 24 | 2 | |
| 18 | Accelerator rod | 72072-G01 | 1 | ||
| 19 | Spring retainer | 17677-G2 | 1 | ||
| 20 | Compression spring | 73046-G01 | 1 | ||
| 21 | Accelerator rod bushing | 17979-G1 | 1 | ||
| 22 | Spring retainer | 17877-G1 | 1 | ||
| 25 | Micro switch cam | 72716-G01 | 1 | ||
| 26 | Setscrew | 00487-G3 | 1/4 - 20 x 3/8" LG | 1 | |
| 27 | Lock nut | 00550-G4 | 5/16 - 24 | 1 | |
| 28 | Pedal box and cover | 25853-G03 | 1 | ||
| 29 | Screw | 01051-G01 | #8 - 16 x 1/2" LG | 4 | |
| 30 | Screw | 00684-G6 | #8 - 32 x 3/4" LG | 4 | |
| 32 | Micro switch | 25861-G01 | 1 | ||
| 33 | Screw | 01050-G01 | 4 - 20 x 5/8" LG | 2 | |
| 34 | Wire harness | 72201-G04 | Pedal box | 1 | |
| 35 | Loom flex | 17313-G1 | Bulk | AR | |
| 36 | Wire tie | 17618-G1 | 2 | ||
| 38 | Accelerator cable | 72713-G01 | 1 | ||
| 40 | Accelerator cable bushing | 72706-G01 | 1 | ||
| 41 | Compression spring | 72707-G01 | 1 | ||
| 42 | Cup washer | 25727-G02 | 1 | ||
| 43 | Lock nut | 00734-G5 | #10 - 32 | 1 | |
| 45 | Accelerator pedal bracket | 70116-G01 | 1 | ||
| 46 | Bolt | 00715-G2 | 5/16 - 18 x 13/16" LG | 4 | |
| 47 | Pedal pivot cover | 70135-G01 | 1 | ||
| 49 | Accelerator cable mounting bracket | 72701-G01 | 1 | ||
| 50 | Lock nut | 26830-G01 | M8 x 1.25 MM | 2 | |
| 51 | Throttle cable mounting bracket | 72703-G01 | 1 | ||
| 52 | Lock nut | 26830-G01 | M8 X 1.25 MM | 2 | |
| 55 | Governor arm | 72708-G01 | 1 | ||
| 56 | Lock nut | 26830-G01 | M8 X 1.25 MM | 1 | |
| 58 | Clamp | 11845-G3 | 1 | ||
| 59 | Lock nut | 26830-G01 | M8 X 1.25 MM | 1 | |
| 61 | Accelerator cable bracket | 72055-G01 | 1 | ||
| 62 | Wire tie | 17618-G1 | 1 | ||
| 64 | Governor cover/Decal assembly | 74457-G01 | includes items 65, 66 | 1 | |
| 65 | Governor cover | 72705-G01 | 1 | ||
| 66 | Label | 24880-G01 | Warning - governor | 1 | |
| 67 | Bonded washer | 00915-G1 | 1/4" | 2 | |
| 68 | Rivet | 14601-G11 | 3/16" x 9/16" LG | 2 | |
| 70 | Throttle cable | 72714-G01 | 1 | ||
| 71 | Wire tie | 17618-G1 | 1 |
Accelerator – Cable and Linkages
| Sl. No. | Part description | Part number | Notes | Quantity | Purchase |
|---|---|---|---|---|---|
| 1 | Pedal box assembly | 72062-G01 | includes items 2 - 47 | 1 | |
| 2 | Accelerator pedal bracket | 70116-G01 | 1 | ||
| 3 | Screw | 01051-G01 | #8 - 16 x 1/2" LG | 4 | |
| 4 | Pedal box and cover | 25853-G02 | 1 | ||
| 5 | Screw | 00684-G6 | #8 - 32 x 3/4" LG | 4 | |
| 6 | Micro switch | 25861-G01 | 1 | ||
| 7 | Screw | 01050-G01 | #4 - 20 x 5/8" LG | 2 | |
| 9 | Control arm | 72066-G01 | 1 | ||
| 10 | Bearing | 23860-G1 | 2 | ||
| 11 | Nylon washer | 24621-G1 | 5/16" | 2 | |
| 12 | Push nut | 12064-G1 | 5/16" | 1 | |
| 13 | Pivot rod | 25768-G01 | 1 | ||
| 14 | Pivot bracket | 72199-G01 | 1 | ||
| 15 | Lock nut | 14390-G1 | 3/8 - 24 | 1 | |
| 17 | Micro switch cam | 72198-G03 | 1 | ||
| 18 | Lock nut | 00550-G4 | 5/16 - 24 | 1 | |
| 19 | Setscrew | 00487-G3 | 1/4 - 20 x 3/8" LG | 1 | |
| 20 | Control arm link | 72074-G01 | 1 | ||
| 21 | Shoulder bolt | 72225-G01 | #10 -24 x 11/16" LG | 1 | |
| 22 | Lock nut | 00532-G4 | 5/16 - 24 | 2 | |
| 23 | Spring retainer | 17677-G1 | 1 | ||
| 24 | Accelerator rod bushing | 17979-G1 | 1 | ||
| 25 | Compression spring | 73046-G01 | 1 | ||
| 26 | Spring retainer | 17677-G2 | 1 | ||
| 27 | Accelerator rod | 72072-G01 | 1 | ||
| 28 | Clevis yoke | 10385-G4 | Adjustable | 1 | |
| 29 | Clevis pin | 10386-G3 | 5/16" x 1" LG | 1 | |
| 30 | Nylon bushing | 17838-G1 | 3 | ||
| 31 | Teflon washer | 17255-G1 | 5/16" | 1 | |
| 32 | Cotter pin | 10387-G3 | 3/32" x 3/4" LG | 1 | |
| 33 | Pedal pivot pin | 74432-G01 | 1 | ||
| 34 | Push nut | 12064-G6 | 9/32" | 1 | |
| 35 | Lock nut | 14390-G10 | #10 - 24 | 1 | |
| 36 | Wheel bearing grease | 12730-G1 | Not illustrated | A/R | |
| 38 | Wire harness | 72201-G02 | Pedal box | 1 | |
| 39 | Loom flex | 17313-G1 | Bulk | AR | |
| 40 | Wire tie | 17618-G1 | 2 | ||
| 41 | Accelerator cable | 72065-G01 | 1 | ||
| 42 | Washer | 00559-G8 | 5/16" | 1 | |
| 43 | Accelerator pedal assembly | 25799-G01 | includes items 44 - 47 | 1 | |
| 44 | Accelerator pedal pad kit | 27844-G01 | includes items 45 -46 | 1 | |
| 45 | Oval rivet | 15766-G1 | 3/16" x 3/8" LG | 6 | |
| 46 | Accelerator pedal pad | 27512-G01 | 1 | ||
| 47 | Accelerator pedal | * | |||
| 48 | Bolt | 00715-G2 | 5/16 - 18 x 13/16" LG | 4 | |
| 49 | Pedal pivot cover | 70135-G01 | 1 | ||
| 51 | Choke cable | 25693-G04 | With nuts | 1 | |
| 52 | Lock washer | 00568-G4 | 9/16" | 1 | |
| 53 | Nut | 00545-G4 | 9/16 - 18 | 1 | |
| 55 | Retainer | 72155-G01 | 1 | ||
| 56 | Choke cable adapter | 72154-G01 | 1 | ||
| 58 | Jam nut | 00544-G4 | 5/16 - 24 | 2 | |
| 59 | Carburetor linkage rod | 25737-G01 | includes items 60 - 62 | 1 | |
| 60 | Adjusting rod | 23722-G1 | Short | 1 | |
| 61 | Ball joint socket | 24465-G1 | 2 | ||
| 62 | Nut | 00526-G4 | #10 - 32 | 2 | |
| 64 | Carburetor linkage bellcrank | 25760-G01 | includes items 65 - 72 | 1 | |
| 65 | Carburetor pivot | 25759-G01 | 1 | ||
| 66 | Bearing | 23860-G1 | 2 | ||
| 67 | Nylon washer | 24621-G1 | 5/16" | 2 | |
| 68 | Pivot rod | 25768-G01 | 1 | ||
| 69 | Push nut | 12064-G1 | 5/16" | 1 | |
| 70 | Ball joint ball | 24479-G1 | 2 | ||
| 71 | Lock washer | 00565-G5 | #10 | 2 | |
| 72 | Nut | 00526-G4 | #10-32 | 2 | |
| 73 | Pivot bracket | 72197-G01 | 1 | ||
| 74 | Lock nut | 14390-G1 | 3/8 - 24 | 1 | |
| 75 | Bolt | 00414-G8 | 1/4-20x 1" LG | 2 | |
| 76 | Lock nut | 14390-G4 | 1/4 - 20 | 2 | |
| 78 | Throttle linkage rod assembly | 72254-G01 | includes items 79 - 81 | 1 | |
| 79 | Adjusting rod | 72255-G01 | Long | 1 | |
| 80 | Ball joint socket | 24465-G1 | 2 | ||
| 81 | Nut | 00526-G4 | #10-32 | 2 | |
| 83 | Governor pivot bracket assembly | 25702-G01 | includes items 84 - 94 | 1 | |
| 84 | Bellcrank bracket | 25655-G01 | 1 | ||
| 85 | Lock nut | 14390-G1 | 3/8 - 24 | 1 | |
| 86 | Governor pivot assembly | 25763-G01 | includes items 87 - 94 | 1 | |
| 87 | Governor pivot | 25762-G01 | 1 | ||
| 88 | Bearing | 23860-G1 | 2 | ||
| 89 | Nylon washer | 24621-G1 | 5/16" | 2 | |
| 90 | Pivot rod | 25768-G01 | 1 | ||
| 91 | Push nut | 12064-G1 | 5/16" | 1 | |
| 92 | Ball joint ball | 24479-G1 | 2 | ||
| 93 | Lock washer | 00565-G5 | #10 | 2 | |
| 94 | Nut | 00526-G4 | #10-32 | 2 | |
| 96 | Bolt | 00276-G6 | 5/16 - 24 x 3/4" LG | 2 | |
| 97 | Lock washer | 00565-G8 | 5/16" | 2 | |
| 99 | Governor linkage rod | 25737-G03 | includes items 100 - 102 | 1 | |
| 100 | Adjusting rod | 23722-G1 | 1 | ||
| 101 | Ball joint socket | 24465-G1 | 2 | ||
| 102 | Nut | 00526-G4 | #10-32 | 2 | |
| 104 | Governor bellcrank assembly | 25690-G01 | includes items 105 - 117 | 1 | |
| 105 | Governor bellcrank | 25765-G01 | 1 | ||
| 106 | Ball joint ball | 24479-G1 | 1 | ||
| 107 | Lock nut | 00734-G5 | #10 - 32 | 1 | |
| 108 | Lock nut | 14390-G4 | 1/4 - 20 | 1 | |
| 109 | Governor bracket assembly | 22751-G2 | includes items 110 - 117 | 1 | |
| 110 | Governor bracket | 22752-G1 | 1 | ||
| 111 | Governor rod | 25274-G1 | 1 | ||
| 112 | Bushing | 22754-G1 | 1 | ||
| 113 | Cup washer | 25661-G01 | 2 | ||
| 114 | Compression spring | 23578-G1 | 1 | ||
| 115 | Bushing | 22754-G2 | 1 | ||
| 116 | Governor adjuster | 23859-G1 | 1 | ||
| 117 | Nut | 00526-G4 | #10-32 | 1 | |
| 118 | Setscrew | 00491-G4 | 1/4-20 x 1/2" LG | 2 | |
| 119 | Spring | 25738-G01 | 1 | ||
| 120 | Safety seal | 25286-G1 | 3/8" | 1 | |
| 121 | Push nut | 12064-G3 | 3/16" | 1 | |
| 123 | Accelerator cable bracket | 25653-G01 | 1 | ||
| 124 | Lock washer | 26826-G01 | 8 mm | 2 | |
| 125 | Nut | 26827-G01 | M8 X 1.25 MM | 2 | |
| 127 | Accelerator cable bracket | 72055-G01 | 1 | ||
| 128 | Wire tie | 17618-G1 | 7 |
Air Filter
| Sl. No. | Part description | Part number | Notes | Quantity | Purchase |
|---|---|---|---|---|---|
| 1 | Carburetor / air box gasket | 72710-G01 | 2 | ||
| 2 | Choke/Throttle bracket | 72739-G01 | 1 | ||
| 3 | Choke bracket | 26728-G01 | 1 | ||
| 4 | Spacer | 23726-G6 | 7/16" | 4 | |
| 5 | Housing | 72178-G01 | 1 | ||
| 6 | Lock washer | 00664-G7 | 6 MM | 2 | |
| 7 | Nut | 13632-G1 | M6 x 1 | 4 | |
| 8 | Baffle | 72529-G01 | 1 | ||
| 9 | Stud | 72514-G01 | M6 x 1 x 39 MM LG | 2 | |
| 11 | Housing mount grommet | 72147-G01 | 2 | ||
| 12 | Spacer | 23726-G7 | 9/16" | 2 | |
| 13 | Bolt and washer | 26671-G01 | M6 x 1 x 30 MM LG | 2 | |
| 14 | Washer | 26701-G01 | 6.5 MM | 2 | |
| 16 | Air filter element | 72368-G01 | 1 | ||
| 17 | Air filter cover | 72179-G01 | 1 | ||
| 18 | Latch | 72145-G01 | 3 | ||
| 20 | Inlet cover | 72146-G01 | 1 | ||
| 21 | Screw | 00614-G5 | #8 - 18 x 5/8" LG | 6 | |
| 23 | PCV hose | 72151-G01 | 1 | ||
| 24 | Label | 74093-G01 | Warning | 1 |
Body and Associated Parts
| Sl. No. | Part description | Part number | Notes | Quantity | Purchase |
|---|---|---|---|---|---|
| 1 | Instrument panel assembly | 71151-G01 | includes items 2 - 5 | 1 | |
| 2 | Deflector | 71153-G01 | passenger side | 1 | |
| 3 | Deflector | 71154-G01 | Driver side | 1 | |
| 4 | Screw | 00614-G5 | #8 - 18 x 5/8" LG | 6 | |
| 5 | Instrument panel insert | 71158-G01 | Four cup | 1 | |
| 6 | Label | 27826-G01 | Safety | 1 | |
| 9 | Splash panel | 71413-G01 | 1 | ||
| 10 | Ratchet fastener | 16816-G2 | 1/4" x 3/4" LG | 4 | |
| 11 | Ratchet fastener | 16816-G2 | 1/4" x 3/4" LG | 1 | |
| 14 | Vinyl trim | 71115-G01 | 2 | ||
| 15 | Rivet | 71055-G01 | 3/16" x 3/8" LG | 10 | |
| 17 | Bolt | 01038-G01 | 1/4 - 20 x 1/2" LG | 4 | |
| 18 | Washer | 16469-G1 | 1/4" | 2 | |
| 19 | Rivet, KTR | 01057-G01 | 1/4" x 1" LG | 2 | |
| 20 | Front shield | 27166-G02 | 1 | ||
| 21 | Front shield brace | 70725-G01 | 2 | ||
| 22 | Upper floorpan | 70662-G01 | 1 | ||
| 24 | Lower floorpan | 70451-G01 | 1 | ||
| 25 | Access cover | 70452-G01 | 1 | ||
| 26 | Rivet | 14601-G11 | 3/16" x 9/16" LG | 16 | |
| 27 | Floormat | 70663-G01 | 1 | ||
| 28 | Floormat with horn hole | 70663-G02 | 1 | ||
| 31 | Cowl | 71051-G** | 1 | ||
| 32 | Rivet | 71055-G01 | 3/16"x 3/8" LG | 9 | |
| 33 | Rivet | 10570-G11 | 3/16" x 3/4" LG | 2 | |
| 34 | Bolt | 71056-G01 | 5/16 - 18 x 5/8" LG | 4 | |
| 35 | Washer | 00570-G2 | 5/16 | 4 | |
| 36 | Bolt | 00438-G6 | 5/16 - 18 x 3/4" LG (with top) | 2 | |
| 37 | Washer | 00571-G2 | 5/16" (With top) | 2 | |
| 39 | E-Z-GO nameplate | 71037-G02 | Gold | 1 | |
| 40 | Pushnut | 12064-G3 | 3/16" | 2 | |
| 42 | Serial number plate | * | 1 | ||
| 43 | Ec plate | * | 1 | ||
| 44 | Rivet | 01041-G01 | 5/32" x 7/8" LG | 4 | |
| 46 | Splash panel | 70244-G02 | 1 | ||
| 47 | Battery tray | 70245-G01 | 1 | ||
| 48 | Bolt | 00715-G2 | 5/16 - 18 x 13/16" LG | 8 | |
| 49 | Bagwell noise suppressor | 22744-G1 | 1 | ||
| 50 | Fender liner | 71812-G01 | Passenger side | 1 | |
| 51 | Fender liner | 71812-G02 | Driver side | 1 | |
| 52 | Ratchet fastener | 16816-G2 | 1/4" x 3/4" LG | 8 | |
| 53 | Seat frame | 70440-G01 | For dual cable direction selector | 1 | |
| 54 | Seat frame | 70440-G03 | For single cable direction selector | 1 | |
| 55 | Bolt | 00715-G2 | 5/16 - 18 x 13/16" LG | 2 | |
| 56 | Seat support noise suppressor | 72112-G01 | 1 | ||
| 57 | Rear body | 71912-G** | Without taillights, includes items 59, 60 | 1 | |
| 58 | Rear body | 71334-G** | With taillights, includes items 59, 60 | 1 | |
| 59 | Bagwell liner | 71318-G01 | 1 | ||
| 60 | Ratchet fastener | 16816-G1 | 1/4" x 5/8" LG | 26 | |
| 61 | Fender scuffguard | 75126-G01 | Driver side | 1 | |
| 62 | Fender scuffguard | 75126-G02 | Passenger side | 1 | |
| 63 | Ratchet fastener | 16816-G2 | 1/4" x 3/4" LG | 8 | |
| 64 | Access panel | 71320-G01 | 1 | ||
| 65 | Screw | 71002-G01 | #8 x 5/8" LG | 5 | |
| 66 | "J" clip | 71364-G02 | 1 | ||
| 67 | Rivet | 10570-G12 | 1/4" x 1/2" LG | 4 | |
| 68 | Rivet | 10570-G10 | 5/32" x 9/16" LG | 6 | |
| 69 | Plastic drive rivet | 18436-G1 | 1/4" x 5/8" LG | 2 | |
| 70 | Seat hinge plate | 71609-G01 | 2 | ||
| 71 | Rivet | 10570-G11 | 3/16" x 3/4" LG | 4 | |
| 72 | Rear bumper | 70939-G01 | 1 | ||
| 73 | Washer | 00559-G8 | 5/16" | 4 | |
| 74 | Bolt | 71102-G01 | 1/4-20 x 3/4" LG | 4 | |
| 75 | Bumper plug | 71514-G01 | 4 | ||
| 76 | Rivet | 14601-G17 | 3/16" x 9/16" LG | 4 | |
| 77 | Notched rear bumper | 71456-G01 | 1 | ||
| 78 | Bolt | 71398-G01 | 1/4 - 20 x 1 1/4" LG | 4 | |
| 79 | Bumper plug | 71455-G01 | 4 | ||
| 83 | Rocker panel | 71501-G03 | Passenger side | 1 | |
| 84 | Rocker panel | 71502-G01 | Driver side | 1 | |
| 85 | Rivet | 15058-G6 | 3/16" x 3/4" LG | 4 | |
| 86 | Spacer | 23726-G4 | 4 | ||
| 88 | Sill plate | 71507-G01 | Passenger side | 1 | |
| 89 | Sill plate | 71507-G02 | Driver side | 1 | |
| 90 | Screw | 16705-G1 | 1/4 - 20 x 1" LG (Stainless steel) | 4 | |
| 91 | Spacer | 23726-G4 | 4 | ||
| 92 | Lock nut | 00891-G2 | 1/4 - 20 | 4 | |
| 94 | Vertical frame support | 74126-G01 | Passenger side | 1 | |
| 95 | Vertical frame support | 74126-G02 | Driver side | 1 | |
| 96 | Bolt | 00427-G4 | 3/8 - 16 x 1 1/2" LG | 2 | |
| 97 | Washer | 00560-G1 | 3/8" | 10 | |
| 98 | Lock nut | 11098-G5 | 3/8 - 16 | 10 | |
| 99 | Carriage bolt | 00769-G2 | 3/8 - 16 x 1 1/4" LG | 2 | |
| 100 | Bolt | 00426-G8 | 3/8 - 16 x 1" LG | 2 | |
| 101 | Valance panel | 74149-G01 | 1 | ||
| 102 | Ratchet fastener | 16816-G2 | 1/4" x 3/4" LG | 4 | |
| 103 | End cap | 19853-G1 | 1" | 2 | |
| 104 | Footrest assembly | 70361-G01 | includes items 105 - 108 | 1 | |
| 105 | Reflector | 74129-G01 | 1 | ||
| 106 | Label | 74132-G01 | Warning | 1 | |
| 107 | Floormat | 70362-01 | 1 | ||
| 108 | Footrest | 70350-G01 | 1 | ||
| 109 | Decal | 23676-G1 | Freedom | AR | |
| 110 | Decal | 27504-G01 | Freedom HP | AR | |
| 111 | Decal | 35434-G01 | Shuttle | AR | |
| 112 | Decal | 35430-G19 | 2+2 | AR | |
| 114 | Sand bottle divot repair kit | 75009-G01 | includes items 115 - 117 | 1 | |
| 115 | Bolt | 71102-G01 | 1/4 - 20 x 3/4" LG | 1 | |
| 116 | Sand bottle holder | 27374-G01 | 1 | ||
| 117 | Sand bottle | 27373-G01 | 1 | ||
| 119 | Side basket kit | 75007-G02 | includes items 120 - 122 | 1 | |
| 120 | Side basket | 75460-G01 | 1 | ||
| 121 | Bolt | 71102-G01 | 1/4 - 20 x 3/4" LG | 3 | |
| 122 | Flat washer | 01031-G01 | 1/4" | 3 | |
| 123 | Basket divot repair kit | 23300-G01 | includes scoop | 1 | |
| 124 | Center basket kit | 75003-G02 | includes items 125 - 128 | 1 | |
| 125 | Center basket | 75461-G01 | 1 | ||
| 126 | Bolt | 71102-G01 | 1/4 - 20 x 3/4" LG | 2 | |
| 127 | Flat washer | 01031-G01 | 1/4" | 2 | |
| 128 | Plastite screw | 01032-G01 | #10 x 5/8" LG | 2 | |
| 130 | Cooler jug and bracket kit | 75495-G01 | 1 | ||
| 131 | Box cooler and bracket kit | 75344-G01 | 1 | ||
| 133 | Rake holder | 25885-G01 | 1 | ||
| 134 | Square head bolt | 00989-G06 | 1/4 - 20 x 3/4" LG | 2 | |
| 135 | Lock nut | 11027-G2 | 1/4 - 20 | 2 | |
| 136 | Rake | 14735-G1 | 1 | ||
| 138 | Two bag attachment kit | 75183-G01 | includes items 139 - 142 | 1 | |
| 139 | Bag attachment | 75188-G01 | 1 | ||
| 140 | Knob | 22238-G2 | 3/8 - 16 x 1 1/2" LG | 1 | |
| 141 | Teflon washer | 17255-G1 | 5/16" | 1 | |
| 142 | Support bracket | 75187-G01 | 1 | ||
| 144 | Four bag attachment kit | 75355-G01 | includes items 145 - 161 | 1 | |
| 145 | Top assembly | * | 1 | ||
| 146 | Bottom assembly | * | 1 | ||
| 147 | Clevis pin | 17651-G2 | 5/16 x 1 1/4" LG | 1 | |
| 148 | Push nut | 28129-G01 | 5/16" | 1 | |
| 149 | Clevis pin | 17651-G2 | 5/16 x 1 1/4" LG | 1 | |
| 150 | Clevis pin | 17651-G3 | 5/16 x 5/8" LG | 2 | |
| 151 | Washer | 00559-G8 | 5/16" | 3 | |
| 152 | Push nut | 28129-G01 | 5/16" | 3 | |
| 153 | Clevis pin | * | 3/8 x 1 1/4" LG | 2 | |
| 154 | Washer | 00560-G1 | 3/8" | 2 | |
| 155 | Push nut | * | 3/8" | 2 | |
| 156 | Rubber bumper | 13728-G1 | 2 | ||
| 157 | Screw | 00150-G6 | #10 - 24 x 3/4" LG | 2 | |
| 158 | Washer | 00559-G5 | #10 | 2 | |
| 159 | Lock washer | 00565-G5 | #10 | 2 | |
| 160 | Nut | 00526-G3 | #10 - 24 | 2 | |
| 161 | Warning label | * | 1 | ||
| 162 | Message holder | 75509-G01 | One piece | 1 | |
| 163 | Message holder | 75496-G01 | 1 | ||
| 164 | Ash tray kit | 75109-G02 | includes items 165 - 168 | 1 | |
| 165 | Ash tray | 27731-G01 | 1 | ||
| 166 | Gasket | 27736-G01 | 1 | ||
| 167 | Bracket | 75108-G01 | 1 | ||
| 168 | Screw | 00100-G4 | #10 - 16 x 1/2" LG | 4 | |
| 170 | Bolt | 01038-G01 | 1/4 - 20 x 11/16" LG | 2 | |
| 171 | J-type nut retainer | 01042-G01 | 2 | ||
| 172 | Bumper stay | 71457-G01 | 4 | ||
| 174 | Seat wrap noise suppressor | 74024-G01 | 1 | ||
| 177 | Support tube | 75268-G01 | 1 | ||
| 178 | Screw | 00106-G6 | #12 - 24 x 3/4" LG | 2 | |
| 179 | End cap | 19859-G1 | 3/4" | 2 | |
| 180 | Hole plug | 20271-G2 | 1/2" | 2 |
Brakes
| Sl. No. | Part description | Part number | Notes | Quantity | Purchase |
|---|---|---|---|---|---|
| 1 | Brake pedal assembly | 70612-G01 | Without brake lights, includes items 2-10 | 1 | |
| 2 | Torsion spring | 70681-G01 | 2 | ||
| 3 | Pivot pin | 70682-G01 | 1 | ||
| 4 | Pushnut | 01071-G01 | 5/16" | 2 | |
| 5 | Brake pedal | * | 1 | ||
| 6 | Park brake pedal | 70611-G01 | 1 | ||
| 7 | Brake/park brake pedal pad kit | 70274-G01 | Includes items 8 - 10 | 1 | |
| 8 | Service brake pad | * | 1 | ||
| 9 | Park brake pedal pad | * | 1 | ||
| 10 | Oval rivet | 15766-G1 | 3/16"x 3/8" LG | 9 | |
| 12 | Shoulder bolt | 70582-G01 | 3/8 - 16 x 4" LG | 1 | |
| 13 | Flanged bushing | 70581-G01 | 2 | ||
| 14 | Torsion spring | 70676-G01 | 1 | ||
| 15 | Washer | 00643-G1 | 3/8" | 1 | |
| 16 | Lock nut | 11098-G5 | 3/8 - 16 | 1 | |
| 18 | Compensator assembly | 70272-G04 | Includes items 19, 20 | 1 | |
| 19 | Spherical nut | 00963-G01 | 5/16 - 24 | 1 | |
| 20 | Lock nut | 11098-G9 | 5/16 - 24 | 1 | |
| 22 | Equalizer and brake cable assembly | 70716-G03 | includes items 23-26 | 1 | |
| 23 | Equalizer bracket | 28082-G01 | 1 | ||
| 24 | Brake compensator bumper | 28083-G01 | 2 | ||
| 25 | Brake cable | * | Driver side | 1 | |
| 26 | Brake cable | * | Passenger side | 1 | |
| 28 | Retaining ring | 12305-G1 | 4 | ||
| 30 | Clevis pin | 10386-G3 | 5/16" x 1" LG | 1 | |
| 31 | Cotter pin | 10387-G3 | 3/32" x 3/4" LG | 3 | |
| 32 | Clevis pin | 14443-G2 | 5/16" x 3/4" LG | 2 | |
| 34 | Kick-off link | 70601-G01 | 1 | ||
| 35 | Nylon bushing | 17838-G1 | 2 | ||
| 36 | Teflon washer | 20835-G1 | 3/8" | 2 | |
| 37 | Washer | 00559-G8 | 5/16" | 2 | |
| 38 | Cotter pin | 10387-G3 | 3/32" x 3/4" LG | 2 | |
| 39 | Kick-off cam pivot | 70098-G01 | 1 | ||
| 40 | Flanged bearing | 10097-G6 | 2 | ||
| 41 | Kick-off cam | 70587-G01 | 1 | ||
| 42 | Setscrew | 71215-G01 | 1/4 - 20 x 1/2" LG | 2 | |
| 43 | Spacer | 14134-G4 | 1 | ||
| 45 | Adjustable bumper | 70113-G01 | 1 | ||
| 46 | Lock nut | 11027-G1 | 5/16 - 18 | 1 | |
| 48 | Catch bracket | 70080-G01 | 1 | ||
| 49 | Bolt | 00414-G6 | 1/4 - 20 x 3/4" LG | 2 | |
| 50 | Lock nut | 00891-G2 | 1/4 - 20 | 2 | |
| 53 | Brake pedal assembly | 70690-G01 | With brake lights, includes items 54 - 80 | 1 | |
| 54 | Brake pedal | * | 1 | ||
| 55 | Park brake pedal | 70611-G01 | 1 | ||
| 56 | Brake/park brake pedal pad kit | 70274-G01 | Includes items 57 - 59 | 1 | |
| 57 | Service brake pad | * | 1 | ||
| 58 | Park brake pad | * | 1 | ||
| 59 | Oval rivet | 15766-G1 | 3/16" x 3/8" LG | 9 | |
| 61 | Service brake pedal plate | 70258-G02 | 1 | ||
| 62 | Pivot pin | 70682-G01 | 1 | ||
| 63 | Torsion spring | 70681-G01 | 2 | ||
| 64 | Pushnut | 12064-G1 | 5/16" | 1 | |
| 65 | Screw | 00737-G8 | #10 - 24 x 1" LG | 4 | |
| 66 | Rubber nut | 00739-G1 | #10 - 24 | 2 | |
| 67 | Brake pedal standoff | 22362-G3 | 2 | ||
| 68 | Conical spring | 27137-G01 | 2 | ||
| 69 | Lock nut | 11098-G7 | #10 - 24 | 2 | |
| 70 | Micro switch | 10606-G8 | 1 | ||
| 71 | Screw | 00957-G1 | #6 - 32 x 1 1/4" LG | 2 | |
| 72 | Washer | 00559-G5 | #10 | 2 | |
| 73 | Washer | 00559-G3 | #6 | 4 | |
| 74 | Lock washer | 00565-G3 | #6 | 2 | |
| 75 | Nut | 00525-G5 | #6 - 32 | 2 | |
| 76 | Screw and lock washer | 13514-G1 | #6 | 2 | |
| 78 | Faston tab | 14628-G1 | 2 | ||
| 79 | Wire harness | 24605-G1 | Brake light | 1 | |
| 80 | Wire tie | 17618-G1 | 3 | ||
| 82 | Brake assembly | 70793-G01 | Driver side, includes items 84-92, 94, 95 | 1 | |
| 83 | Brake assembly | 70793-G02 | Passenger side, includes items 84-91, 93-95 | 1 | |
| 84 | Brake shoe kit | 70794-G01 | Includes item 85 | 2 | |
| 85 | Brake shoe | * | 2 | ||
| 86 | Brake spring kit | 27944-G01 | Includes items 87-91 | 2 | |
| 87 | Upper spring | * | 1 | ||
| 88 | Lower spring | * | 1 | ||
| 89 | Pin | * | 2 | ||
| 90 | Cup and spring | * | 2 | ||
| 91 | Adjuster spring | * | 1 | ||
| 92 | Brake adjuster kit | 72582-G01 | Driver side, includes items 94, 95 | 1 | |
| 93 | Brake adjuster kit | 72582-G02 | Passenger side, includes items 94, 95 | 1 | |
| 94 | Adjuster | * | 1 | ||
| 95 | Teflon washer | * | 2 | ||
| 96 | Bolt | 17083-G2 | 5/16 - 24 x 1" LG | 8 | |
| 97 | Lock nut | 15126-G1 | 5/16 - 24 | 8 | |
| 98 | Inner brake drum washer | 21809-G1 | 1 5/16" O.D. X 1" I.D. X 1/32" | 2 | |
| 100 | Brake drum assembly | 21807-G1 | Includes items 101 - 102 | 2 | |
| 101 | Brake drum | * | 1 | ||
| 102 | Lug bolt | 19862-G1 | 1/2 - 20 | 4 | |
| 105 | Outer brake drum washer | 21830-G1 | 2 | ||
| 106 | Slotted nut | 00518-G8 | 3/4 - 16 | 2 | |
| 107 | Cotter pin | 10387-G1 | 1/8" x 1 1/2" LG | 2 | |
| 108 | Spindle cap | 74175-G01 | 2 | ||
| 110 | Brake cable bracket | 72036-G01 | Passenger side | 1 | |
| 111 | Brake cable bracket | 72036-G02 | Driver side | 1 |
Carburetor
| Sl. No. | Part description | Part number | Notes | Quantity | Purchase |
|---|---|---|---|---|---|
| 1 | Carburetor assembly | 72558-G02 | includes items 3 - 18 | 1 | |
| 3 | Main jet | 26646-G07 | #90 | 1 | |
| 4 | Carburetor body | * | 1 | ||
| 5 | Pilot screw | * | 1 | ||
| 6 | Pilot jet | 26649-G05 | #46 | 1 | |
| 7 | Plug | 26841-G01 | 1 | ||
| 8 | Gasket | 72306-G01 | 1 | ||
| 9 | Needle valve | 72578-G01 | 1 | ||
| 10 | Main nozzle | 72576-G01 | 1 | ||
| 11 | Float | 26648-G01 | 1 | ||
| 12 | Float pin | 26840-G01 | 1 | ||
| 13 | Float bowl gasket | 26843-G01 | 1 | ||
| 14 | Float chamber | 26844-G01 | 1 | ||
| 15 | Bowl screw | 26839-G01 | 1 | ||
| 16 | Bowl gasket | 26838-G01 | 1 | ||
| 17 | Drain screw | * | 1 | ||
| 18 | Vent tube | 26650-G01 | 2 | ||
| 21 | Main jet | 26646-G08 | #86, for elevations of 3000 ft - 6000 ft | 1 | |
| 22 | Main jet | 26646-G02 | #84, for elevations of 6000 ft - 10000 ft | 1 | |
| 25 | Carburetor mount gasket | 26726-G01 | 2 | ||
| 26 | Carburetor insulator | 26637-G01 | 1 | ||
| 29 | Choke cable | 25693-G04 | With nuts | 1 | |
| 30 | Lock washer | 00568-G4 | 9/16" | 1 | |
| 31 | Nut | 00545-G4 | 9/16/2018 | 1 | |
| 32 | Retainer | 72155-G01 | 1 | ||
| 33 | Choke cable adapter | 72154-G01 | 1 | ||
| 34 | Jam nut | 00544-G4 | 5/16 - 24 | 2 |
Clutches
| Sl. No. | Part description | Part number | Notes | Quantity | Purchase |
|---|---|---|---|---|---|
| 1 | Drive clutch | 26952-G01 | 1 | ||
| 3 | Bolt | 00473-G9 | 7/16 -20 x 6 1/2" LG | 1 | |
| 4 | Lock washer | 00566-G2 | 7/16" | 1 | |
| 5 | Pilot washer | 25757-G1 | 1 | ||
| 7 | Driven clutch assembly | 26301-G02 | includes items 8 - 15 | 1 | |
| 8 | Movable sheave | * | includes items 9-10 | 1 | |
| 9 | Screw | 00979-G01 | #10 - 24 x 7/8" LG | 3 | |
| 10 | Ramp button | 26479-G01 | 3 | ||
| 11 | Cam | * | 1 | ||
| 12 | Spacer | 24600-G1 | 1 | ||
| 13 | Compression spring | 26304-G01 | 1 | ||
| 14 | Sheave and post | * | 1 | ||
| 15 | Heavy duty retaining ring | 27270-G01 | 1 | ||
| 17 | Bolt | 00441-G8 | 5/16 - 18 x 4" LG | 1 | |
| 18 | Lock washer | 00565-G8 | 5/16" | 4 | |
| 19 | Retaining washer | 25756-G1 | 1 | ||
| 20 | Drive belt | 72054-G01 | 1 | ||
| 22 | Drive belt | 72328-G01 | High altitude | 1 | |
| 24 | Drive clutch | 26952-G01 | High altitude | 1 | |
| 25 | Driven clutch assembly | 26301-G03 | High altitude, includes items 12,14,15,26,27,28,29 | 1 | |
| 26 | Cam | * | 1 | ||
| 27 | Compression spring | 26304-G01 | 1 | ||
| 28 | Movable sheave | * | Includes items 9, 29 | 1 | |
| 29 | Ramp button | 72324-G01 | 4 cycle | 3 |
Direction Selector – Single Cable
| Sl. No. | Part description | Part number | Notes | Quantity | Purchase |
|---|---|---|---|---|---|
| 1 | Direction selector assembly | 72721-G01 | includes items 2 - 33 | 1 | |
| 2 | Direction selector bracket with bushing | 74456-G01 | 1 | ||
| 3 | Direction selector shaft | 70233-G01 | 1 | ||
| 4 | Direction selector cam | 72738-G01 | 1 | ||
| 5 | Lock nut | 14390-G1 | 3/8 - 24 | 1 | |
| 8 | Neutral lock pin | 72724-G01 | 1 | ||
| 9 | Compression spring | 72733-G01 | 3/8" x 5/8" LG | 1 | |
| 10 | Neutral lock bracket | 72729-G01 | 1 | ||
| 11 | Lock nut | 00734-G2 | 1/4 - 28 | 1 | |
| 12 | Extension spring | 28574-G01 | 1 | ||
| 13 | Ball stud | 72732-G01 | 1 | ||
| 14 | Lock nut | 00734-G5 | #10 - 32 | 1 | |
| 17 | Micro switch | 72736-G01 | 1 | ||
| 18 | Screw | 01062-G01 | #4 - 40 x 1" LG | 2 | |
| 19 | Washer | 00559-G1 | #4 | 2 | |
| 20 | Lock washer | 00565-G1 | #4 | 2 | |
| 21 | Nut | 00526-G2 | #4 - 40 | 2 | |
| 24 | Reverse warning buzzer | 73290-G03 | 1 | ||
| 25 | Screw | 01063-G01 | #6 - 32 x 3/8" LG | 2 | |
| 26 | 18 GA wire | 25978-G345 | Red 7" | 1 | |
| 29 | Push / pull shifter cable | 72734-G01 | 1 | ||
| 30 | Cup washer | 25727-G01 | 4 | ||
| 31 | Compression spring | 72735-G01 | 19/32" X 1" LG | 2 | |
| 32 | Shifter bracket with bushing | 74455-G01 | 1 | ||
| 33 | Lock nut | 00734-G5 | #10 - 32 | 1 | |
| 36 | Screw | 70227-G01 | 1/4 - 20 x 7/8" LG | 2 | |
| 37 | Lock nut | 11027-G2 | 1/4 - 20 | 2 | |
| 40 | Lock nut | 26830-G01 | M8 x 1.25 mm | 1 | |
| 43 | Direction selector handle | 71205-G01 | 1 | ||
| 44 | Screw | 00740-G4 | #10 - 32 x 1/2" LG (Stainless steel) | 1 | |
| 47 | Wire tie | 17618-G1 | 1 | ||
| 48 | Cable clip | 01072-G01 | 2 |
Direction Selector – Dual Cable
| Sl. No. | Part description | Part number | Notes | Quantity | Purchase |
|---|---|---|---|---|---|
| 1 | Direction selector assembly | 70594-G01 | includes items 2- 29 | 1 | |
| 2 | Direction selector bracket | 25684-G01 | 1 | ||
| 3 | Bushing | 25664-G1 | 1 | ||
| 5 | Direction selector shaft | 27537-G01 | 1 | ||
| 6 | Direction selector cam | 25745-G01 | 1 | ||
| 8 | Lock nut | 14390-G1 | 3/8 - 24 | 1 | |
| 13 | Micro switch | 10606-G1 | 1 | ||
| 15 | Spacer | 27151-G01 | 1 | ||
| 16 | Screw | 00645-G2 | #6 - 32 x 1 1/4" LG | 2 | |
| 17 | Lock washer | 00565-G3 | #6 | 4 | |
| 18 | Washer | 00559-G3 | #6 | 4 | |
| 19 | Nut | 00525-G5 | #6 - 32 | 4 | |
| 20 | Faston tab | 14628-G1 | 1 | ||
| 21 | Screw and washer assembly | * | 2 | ||
| 22 | 18 GA wire | 25978-G234 | Red 6" | 1 | |
| 23 | Reverse warning buzzer | 73290-G03 | 1 | ||
| 24 | Screw | 00138-G5 | #6 - 32 x 5/8" LG | 2 | |
| 25 | Lock washer | 00567-G3 | #6 | 2 | |
| 26 | Washer | 00559-G7 | 1/4 | 2 | |
| 28 | Bolt | 00414-G6 | 1/4 - 20 x 3/4" LG | 2 | |
| 29 | Lock nut | 11027-G2 | 1/4 - 20 | 2 | |
| 30 | Cable kit | 27170-G01 | includes items 31 - 39 | 2 | |
| 31 | Cup washer | 25727-G01 | 4 | ||
| 32 | Spring | 27764-G01 | 2 | ||
| 33 | Nut | 11098-G7 | #10 - 24 | 2 | |
| 34 | Cotter pin | 10387-G8 | 1/16" x 3/4" LG | 2 | |
| 35 | Shifter control cable | 25691-G01 | 2 | ||
| 37 | Spacer | 23726-G5 | 2 | ||
| 38 | Clevis pin | 23176-G1 | 5/16" x 1/2" LG | 2 | |
| 39 | Wire tie | 17618-G1 | 1 | ||
| 40 | Shifter lever nut | 26830-G01 | M8 x 1.25 MM | 1 | |
| 42 | Direction selector handle | 71205-G01 | 1 | ||
| 43 | Screw | 00740-G4 | #10 - 32 x 1/2" LG (Stainless steel) | 1 | |
| 44 | Shifter control pivot | 72619-G01 | 1 |
Electrical System
| Sl. No. | Part description | Part number | Notes | Quantity | Purchase |
|---|---|---|---|---|---|
| 1 | Ignition pickup assembly | 26651-G02 | includes item 2 | 1 | |
| 2 | Bolt and washer assembly | 26707-G01 | M5 X .8 X 10 MM LG | 1 | |
| 5 | Ignition coil assembly | 26652-G01 | includes items 6 - 10 | 1 | |
| 6 | Ignition coil | * | 1 | ||
| 7 | Spacer | * | 1 | ||
| 8 | Lock washer | * | 1 | ||
| 9 | Nut | * | 1 | ||
| 10 | Screw | * | 1 | ||
| 11 | Nut | 13632-G1 | M6 x 1 | 2 | |
| 14 | 6 GA wire | 25887-G01 | Black 6", F1 - A2 | 1 | |
| 15 | Terminal cover | 25682-G1 | 3 | ||
| 18 | Battery | 24775-G* | 12V | 1 | |
| 19 | Bolt | 00962-G1 | 5/16 - 18 x 1 1/4" LG | 2 | |
| 20 | Lock washer | 00993-G01 | 5/16" (Silicon bronze) | 2 | |
| 21 | Nut | 00994-G01 | 5/16 - 18 (Silicon bronze) | 2 | |
| 23 | Battery hold down | 72101-G01 | 1 | ||
| 24 | Bolt | 00438-G6 | 5/16 - 18 x 3/4" LG | 1 | |
| 25 | Lock washer | 00565-G8 | 5/16" | 1 | |
| 26 | Washer | 00571-G2 | 5/16" | 1 | |
| 29 | Ground cable | 27044-G03 | 1 | ||
| 30 | 14 GA wire | 25976-G19 | Black 6" | 1 | |
| 31 | Bolt | 00438-G6 | 5/16 - 18 x 3/4" LG | 2 | |
| 32 | Lock nut | 11027-G1 | 5/16 - 18 | 2 | |
| 33 | Screw | 26676-G01 | M6 x 1 x 23 MM LG | 1 | |
| 35 | 6 GA wire | 25972-G85 | Black 23", F2 - SOL | 1 | |
| 37 | Wire harness | 70899-G01 | Control, single cable direction selector | 1 | |
| 38 | Wire harness | 70595-G01 | Control, dual cable direction selector | 1 | |
| 40 | Wire tie | 17618-G1 | AR | ||
| 42 | Cover | 73049-G01 | 1 | ||
| 43 | Washer | 16469-G1 | 1/4" | 1 | |
| 44 | Screw | 00114-G6 | 1/4 - 14 x 3/4" LG | 1 | |
| 47 | Electrical plate assembly | 73059-G01 | includes items 48 - 73 | 1 | |
| 48 | Bracket | 73057-G01 | 1 | ||
| 49 | Voltage regulator | 27739-G01 | 1 | ||
| 50 | Bolt | 00415-G2 | 1/4 - 20 x 1 1/4" LG | 1 | |
| 51 | Lock nut | 11027-G2 | 1/4 - 20 | 1 | |
| 53 | Ignitor | 27746-G01 | 1 | ||
| 54 | Bolt | 00414-G8 | 1/4 - 20 x 1" LG | 1 | |
| 55 | Bolt | 00414-G5 | 1/4 - 20 x 5/8" LG | 1 | |
| 57 | Solenoid | 27153-G01 | 1 | ||
| 58 | Bolt | 00414-G5 | 1/4 - 20 x 5/8" LG | 1 | |
| 59 | Lock nut | 11027-G2 | 1/4 - 20 | 3 | |
| 61 | Faston tab | 12914-G2 | 2 | ||
| 62 | Washer | 00650-G7 | 1/4" | 1 | |
| 63 | Lock washer | 00565-G7 | 1/4" | 1 | |
| 64 | Nut | 00532-G1 | 1/4 - 20 | 1 | |
| 66 | Faston tab | 12914-G1 | 2 | ||
| 67 | Lock washer | 00565-G5 | #10 | 2 | |
| 68 | Nut | 00526-G4 | #10 - 32 | 2 | |
| 69 | 18 GA wire | 25978-G56 | Black 5 3/4" | 1 | |
| 70 | In-line fuse holder | 22585-G3 | 1 | ||
| 71 | Lock washer | 00565-G8 | 5/16" | 2 | |
| 72 | Nut | 00544-G4 | 5/16 - 24 | 2 | |
| 73 | 6 GA wire | 25972-G33 | Black, 24", B+ -SOL | 1 | |
| 76 | Fuse block | 22674-G1 | 1 | ||
| 77 | Rivet | 01041-G01 | 5/32" x 3/8" LG | 2 | |
| 78 | 15 AMP fuse | 18392-G1 | 3 | ||
| 81 | Horn | 32860-G1 | 1 | ||
| 82 | Bolt | 00414-G5 | 1/4 - 20 x 5/8" LG | 1 | |
| 83 | Washer | 00559-G7 | 1/4" | 1 | |
| 84 | Lock nut | 00891-G2 | 1/4 - 20 | 1 | |
| 86 | Horn switch | 17318-G1 | 1 | ||
| 87 | Horn switch cap and nut | 17318-G2 | 1 | ||
| 88 | Horn switch boot | 27068-G01 | 1 | ||
| 89 | Horn swtich label | 19233-G1 | 1 | ||
| 90 | Rivet | 71055-G01 | 5/32" x 3/8" Grip, stainless steel | 2 | |
| 93 | Headlight mount bracket | 74236-G01 | Passenger side | 1 | |
| 94 | Headlight mount bracket | 74236-G02 | Driver side | 1 | |
| 95 | Bolt | 01038-G01 | 1/4 - 14 x 3/4" LG | 2 | |
| 96 | Bolt | 00414-G6 | 1/4 - 20 x 3/4" LG | 2 | |
| 97 | Lock nut | 11027-G2 | 1/4 - 20 | 2 | |
| 98 | Headlight and turn signal ligh | 74001-G01 | 1 | ||
| 99 | Screw | 00114-G6 | 1/4 - 14 x 3/4" LG | 4 | |
| 101 | Headlight bulb | 74004-G01 | AR | ||
| 102 | Marker light bulb | 74005-G01 | AR | ||
| 103 | Turn signal bulb | 74006-G01 | AR | ||
| 105 | Bezel | 74371-G01 | Driver side | 1 | |
| 106 | Bezel | 74371-G02 | Passenger side | 1 | |
| 107 | J' clip | 71364-G02 | 8 | ||
| 108 | Countersunk screw | 71425-G01 | #8 | 8 | |
| 109 | Taillight assembly | 22288-G2 | 1 | ||
| 110 | Rivet | 14601-G11 | 3/16" x 9/16" LG | 4 | |
| 111 | Taillight bulb | 21759-G1 | AR | ||
| 113 | Turn signal | 17867-G1 | With mounting hardware, includes item 114 | 1 | |
| 114 | Turn signal flasher | 21640-G1 | 1 | ||
| 115 | Flex loom | 32307-G3 | 3/8 x 8" LG | 1 | |
| 116 | Wire tie | 17618-G1 | 2 | ||
| 117 | Steering column cover | 20965-G3 | 1 | ||
| 119 | Wire harness | 72228-G01 | Accessory | 1 | |
| 121 | Ignition switch kit | 17421-G1 | w/o lights - standard - with hardware | 1 | |
| 122 | Ignition switch kit | 17955-G1 | Without lights - non standard | 1 | |
| 123 | Ignition switch | 18027-G1 | Without lights - individually keyed | 1 | |
| 124 | Ignition switch | 33639-G** | With lights | 1 | |
| 125 | Lock washer | 00568-G6 | 3/4" | 1 | |
| 126 | Face nut | 17137-G1 | 3/4 - 20 | 1 | |
| 127 | Ignition key | 17063-G1 | Set | 1 | |
| 128 | Wire harness | 73041-G01 | Key switch | 1 | |
| 131 | Plate | 73030-G01 | Ignition switch only | 1 | |
| 132 | Label | 71145-G01 | Ignition switch only, without headlights | 1 | |
| 133 | Label | 71181-G01 | Ignition switch only, with headlights | 1 | |
| 136 | Plate | 73030-G04 | Fuel gauge and oil light | 1 | |
| 137 | Label | 71127-G01 | Oil light and fuel gauge w/o headlights | 1 | |
| 138 | Label | 71131-G01 | Oil light and fuedl gauge with headlights | 1 | |
| 139 | Fuel gauge | 21553-G1 | 1 | ||
| 140 | Indicator light | 23474-G1 | 1 | ||
| 141 | Harness | 74311-G01 | Oil light / fuel gauge | 1 | |
| 142 | 18 GA wire | 25978-G122 | Red, 6" LG | 1 | |
| 145 | Plate | 73030-G03 | Low fuel and oil light indicator | 1 | |
| 146 | Label | 71125-G01 | Low fuel and low oil w/o headlights | 1 | |
| 147 | Label | 71183-G01 | Oil and fuel lights with headlights | 1 | |
| 148 | Indicator light | 23474-G1 | 2 | ||
| 149 | Harness | 74309-G01 | Oil light / fuel light | 1 | |
| 150 | 18 GA wire | 25978-G74 | Red, 6" LG | 1 | |
| 152 | Drive rivet | 33623-G02 | 3/16" x 3/8" LG | 2 | |
| 155 | Hour meter kit | 75114-G02 | includes items 156 - 160 | 1 | |
| 156 | Hour meter assembly | 21573-G1 | 1 | ||
| 157 | Hour meter bracket | 74019-G01 | 1 | ||
| 158 | Screw | 00150-G4 | #10 - 24 x 1/2" LG | 2 | |
| 159 | Lock nut | 11098-G7 | #10 - 24 | 2 | |
| 160 | Wire harness | 75117-G01 | Hour meter | 1 |
Engine and Muffler
| Sl. No. | Part description | Part number | Notes | Quantity | Purchase |
|---|---|---|---|---|---|
| 1 | Engine | 28590-G02 | 295cc | 1 | |
| 3 | Timing belt | 26626-G01 | 1 | ||
| 4 | Timing belt cover | 26630-G01 | 1 | ||
| 5 | Timing belt cover grommet | 26631-G01 | 1 | ||
| 6 | Bolt | 26678-G01 | M6 x 1 x 12 MM LG | 3 | |
| 8 | Ignition coil bracket | 26657-G01 | 1 | ||
| 9 | Spark plug wire set | 26733-G01 | 2 with boots | 1 | |
| 10 | Spark plug | 25523-G3 | NGK BPR4ES - resistor | 2 | |
| 12 | Valve cover | 26600-G01 | 1 | ||
| 13 | Valve cover gasket | 26719-G01 | 1 | ||
| 14 | Flanged bolt | 26676-G01 | M6 x 1 x 23 MM LG | 6 | |
| 16 | Oil filler cap | 26601-G01 | 1 | ||
| 17 | Oil filler "O" ring | 26720-G01 | 1 | ||
| 19 | Oil filter | 26591-G01 | 1 | ||
| 20 | Oil filter "O" ring | 26710-G01 | 1 | ||
| 21 | Bolt and washer | 26680-G01 | M6 x 1 x 12MM LG | 3 | |
| 23 | Carburetor | XXXXX-XX | See carburetor section | X | |
| 24 | Stud | 26667-G01 | 2 | ||
| 26 | Muffler | 72019-G01 | 1 | ||
| 27 | Exhaust gasket | 25531-G1 | 1 | ||
| 28 | Bolt and washer | 25532-G1 | M8 x 1.25 x 18 MM LG | 4 | |
| 30 | Bolt | 00438-G8 | 5/16 - 18 x 1" LG | 1 | |
| 31 | Lock washer | 00565-G8 | 5/16" | 1 | |
| 32 | Washer | 00642-G8 | 5/16" | 1 | |
| 34 | Breather cover gasket | 72555-G01 | 2 | ||
| 35 | Breather plate | 72657-G01 | 1 | ||
| 36 | Breather cover gasket | 72554-G01 | 2 | ||
| 37 | Breather box | 72658-G01 | 1 | ||
| 38 | Breather plate | 72676-G01 | 1 | ||
| 39 | Breather cover | 72659-G01 | 1 | ||
| 40 | Flanged bolt | 72680-G01 | M6 x 1 x 70 MM LG | 2 | |
| 42 | Aluminum gasket | 72656-G01 | 2 | ||
| 43 | Banjo union | 72655-G01 | 1 | ||
| 44 | Banjo bolt | 72654-G01 | 1 | ||
| 46 | Rubber return hose | 72653-G01 | Includes items 47 - 49 | 1 | |
| 47 | Rubber hose | 72677-G01 | 6MM ID X 12 MM OD X 145 MM LG | 1 | |
| 48 | Mesh protective cover | 72678-G01 | 1 | ||
| 49 | Hose clamp | 72679-G01 | 2 |
Engine Mounting
| Sl. No. | Part description | Part number | Notes | Quantity | Purchase |
|---|---|---|---|---|---|
| 1 | Front engine mount | 72010-G01 | 1 | ||
| 2 | Rear engine mount | 72011-G01 | 1 | ||
| 3 | Bolt | 00463-G4 | 7/16 - 14 x 1 1/2" LG | 4 | |
| 4 | Lock washer | 00566-G2 | 7/16" | 4 | |
| 5 | Washer | 00922-G3 | 7/16" | 4 | |
| 8 | Bolt | 00428-G6 | 3/8 - 16 x 2 3/4" LG | 2 | |
| 9 | Isolator spacer | 72016-G01 | 2 | ||
| 10 | Crossmember brace | 70269-G01 | 1 | ||
| 11 | Mount bracket | 72044-G01 | 1 | ||
| 12 | Washer | 00643-G1 | 3/8" | 2 | |
| 13 | Lock nut | 11098-G5 | 3/8 - 16 | 2 | |
| 14 | Bolt | 00438-G7 | 5/16 - 18 x 7/8" LG | 2 | |
| 15 | Washer | 00571-G2 | 5/16" | 2 | |
| 16 | Lock nut | 11098-G6 | 5/16 - 18 | 2 | |
| 19 | Bolt | 00430-G4 | 3/8 - 16 x 4 1/2" LG | 1 | |
| 20 | Washer | 15121-G1 | 1 1/4" x 3/8" | 1 | |
| 21 | Plastic washer | 72050-G01 | 2 1/2" x 5/8" | 4 | |
| 22 | Washer | 72051-G01 | 2 1/2" x 5/8" | 2 | |
| 23 | Isolation mount | 72015-G01 | 1 | ||
| 24 | Washer | 72051-G02 | 2 1/2" x 11/32" | 1 | |
| 25 | Lock nut | 11098-G5 | 3/8 - 16 | 1 | |
| 28 | Engine guard | 72719-G01 | 1 | ||
| 29 | Bolt | 00463-G4 | 7/16 - 14 x 1 1/2" LG | 4 | |
| 30 | Lock washer | 00566-G2 | 7/16" | 4 | |
| 31 | Washer | 00922-G3 | 7/16" | 4 | |
| 34 | Bolt | 00439-G1 | 5/16 - 18 x 1 1/8" LG | 1 | |
| 35 | Lock nut | 11098-G6 | 5/16 - 18 | 1 | |
| 38 | U' bolt | 72035-G01 | 7/16 - 14 | 2 | |
| 39 | Washer | 00922-G3 | 7/16" | 4 | |
| 40 | Lock nut | 00734-G1 | 7/16 - 14 | 4 |
Front Suspension and Steering
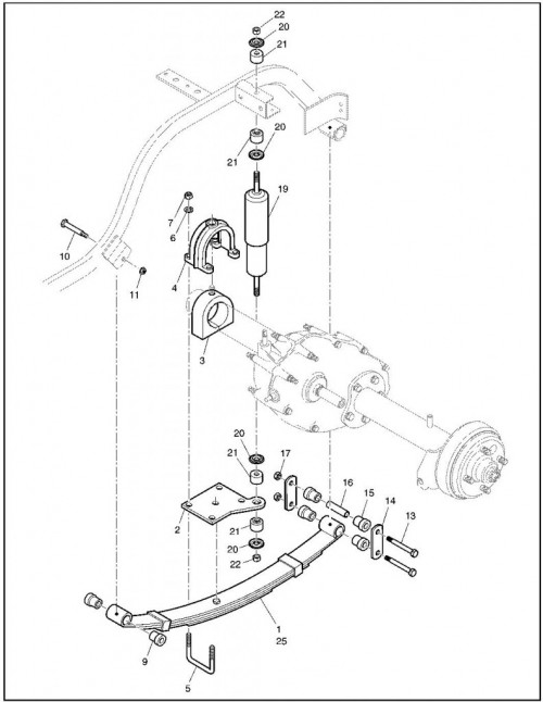
| Sl. No. | Part description | Part number | Notes | Quantity | Purchase |
|---|---|---|---|---|---|
| 1 | Front axle | 70744-G01 | 1 | ||
| 3 | Spindle and hub assembly, 4 lug | 70942-G01 | Passenger side, includes items 4-10 | 1 | |
| 4 | Spindle assembly | 70942-G02 | Passenger side | 1 | |
| 5 | Grease seal | 25146-G1 | 1 | ||
| 6 | Roller bearing and race assembly | 50892-G1 | 2 | ||
| 7 | Wheel hub assembly with races, 4 lug | 70895-G01 | includes item 8 | 1 | |
| 8 | Lug bolt | 19862-G1 | 1/2 - 20 x 1 7/32" LG | 4 | |
| 9 | Slotted nut | 12093-G1 | 1 - 14 | 1 | |
| 10 | Cotter pin | 00798-G8 | 5/32" x 1 3/4" LG | 1 | |
| 11 | Spindle cap | 12091-G2 | 2 | ||
| 14 | Spindle and hub assembly, 4 lug | 70673-G01 | Driver side, includes items 5-10, 15 | 1 | |
| 15 | Spindle assembly | 70673-G02 | Driver side | 1 | |
| 18 | Spindle and hub assembly, 5 lug | 70943-G01 | Passenger side, includes items 19 - 25 | 1 | |
| 19 | Spindle assembly | 70942-G02 | Passenger side | 1 | |
| 20 | Grease seal | 12092-G1 | 1 | ||
| 21 | Roller bearing and race assembly | 50892-G1 | 2 | ||
| 22 | Wheel hub assembly with races, 5 lug | 70772-G01 | Includes item 23 | 1 | |
| 23 | Lug bolt | 30143-G1 | 1/2 - 20 x 1 7/32" LG | 5 | |
| 24 | Slotted nut | 12093-G1 | 1- 14 | 1 | |
| 25 | Cotter pin | 00798-G8 | 5/32" x 1 3/4" LG | 1 | |
| 29 | Spindle and hub assembly, 5 lug | 70797-G01 | Driver side, includes items 20-25, 30 | 1 | |
| 30 | Spindle assembly | 70673-G02 | Driver side | 1 | |
| 33 | Bolt | 00407-G6 | 1/2 - 13 x 6" LG | 2 | |
| 34 | Washer | 00560-G3 | 1/2" | 4 | |
| 35 | King pin tube | 70745-G01 | 2 | ||
| 36 | Thrust washer | 70754-G01 | Stainless steel | 2 | |
| 37 | Lock nut | 14390-G6 | 1/2 - 13 | 2 | |
| 40 | Shock absorber | 70928-G01 | 2 | ||
| 41 | Shock absorber boot | 70509-G01 | 2 | ||
| 42 | Wire tie | 31539-G1 | 4 | ||
| 43 | Shock absorber washer | 10435-G1 | 8 | ||
| 44 | Rubber bushing | 10194-G1 | 8 | ||
| 45 | Nut | 00532-G6 | 3/8 - 24 | 4 | |
| 48 | Leaf spring | 70597-G02 | See part number on spring | 2 | |
| 49 | Leaf spring | 70664-G02 | Heavy duty, see part number on spring | 2 | |
| 50 | Spring plate | 70163-G02 | 4 | ||
| 51 | Bolt | 00463-G4 | 7/16 - 14 x 1 1/2" LG | 2 | |
| 52 | Lock nut | 00734-G1 | 7/16 - 14 | 9 | |
| 53 | Bolt | 00463-G6 | 7/16 - 14 x 1 3/4" LG | 9 | |
| 56 | Rack and pinion unit | 70602-G01 | Complete, includes items 57-60, 63-68 | 1 | |
| 57 | Rack extension | 70694-G01 | 1 | ||
| 58 | Jam nut | * | 1/2 - 20 | 1 | |
| 59 | Rack boot | 70675-G01 | 1 | ||
| 60 | Wire tie | 17618-G1 | 1 | ||
| 61 | Wire tie | 12416-G2 | 1 | ||
| 63 | Pinion seal | 70638-G01 | 1 | ||
| 64 | Rack ball joint | 70695-G01 | Includes items 65 - 68 | 1 | |
| 65 | Rubber boot | 50641-G1 | 1 | ||
| 66 | Slotted nut | 50209-G2 | 7/16 - 20 | 1 | |
| 67 | Cotter pin | 10387-G2 | 3/32" x 1" LG | 1 | |
| 68 | Grease fitting, straight | 10389-G3 | 1 | ||
| 70 | Bolt | 00464-G6 | 7/16 - 14 x 2 3/4" LG | 2 | |
| 71 | Bolt | 01068-G01 | 7/16 - 14 x 3 1/2" LG | 1 | |
| 72 | Spacer | 70667-G02 | 2 | ||
| 73 | Spacer | 70667-G03 | Short | 1 | |
| 74 | Nut | 00532-G7 | 7/16 - 14 | 1 | |
| 75 | Flat washer | 00560-G2 | 7/16" | 4 | |
| 76 | Lock nut | 00734-G1 | 7/16 - 14 | 3 | |
| 79 | Steering shaft | 70607-G01 | 1 | ||
| 81 | Steering column kit | 70758-G03 | includes items 82 - 84 | 1 | |
| 82 | Steering column | 70610-G01 | 1 | ||
| 83 | Steering column bushing | 28569-G01 | 1 | ||
| 84 | Screw | 01022-G01 | #6 - 20 x 5/16" LG | 1 | |
| 86 | Steering column kit | 70758-G04 | Horn, includes items 87 - 89 | 1 | |
| 87 | Steering column | 70610-G02 | 1 | ||
| 88 | Steering column bushing | 28569-G01 | 1 | ||
| 89 | Screw | 01022-G01 | #6 - 20 x 5/16" LG | 1 | |
| 91 | Bolt | 01006-G01 | 3/8 - 16 x 1 1/4" LG with patchlock | 4 | |
| 92 | Lock washer | 00879-G1 | 3/8" | 4 | |
| 94 | Intermediate shaft | 70580-G01 | includes items 95, 96 | 1 | |
| 95 | Bolt | 01055-G01 | M8 x 1 1/4" LG | 2 | |
| 96 | Lock washer | 00565-G8 | 5/16" | 2 | |
| 98 | Retaining ring | 70751-G01 | internal | 1 | |
| 99 | Retaining ring | 70888-G01 | External | 1 | |
| 100 | Ball bearing | 15112-G1 | 1 | ||
| 101 | Wave washer | 70887-G01 | 1 | ||
| 102 | Steering wheel | 71146-G01 | 1 | ||
| 103 | Steering wheel cover | 71147-G01 | 1 | ||
| 104 | Label | 71047-G01 | E-Z-GO | 1 | |
| 105 | Label | 74405-G01 | Cushman | 1 | |
| 106 | Steering wheel | 71948-G01 | 1 | ||
| 107 | Clipboard | 71950-G01 | 1 | ||
| 108 | Hub cover | 71949-G01 | 1 | ||
| 109 | Lock nut | 14390-G2 | 5/8 - 18 | 1 | |
| 111 | Tie rod end | 27205-G01 | Left hand thread, includes items 112 - 114 | 1 | |
| 112 | Rubber boot | 50641-G1 | 1 | ||
| 113 | Slotted nut | 50209-G2 | 7/16 - 20 | 1 | |
| 114 | Jam nut | 18434-G3 | 9/16 - 18, left hand thread | 1 | |
| 115 | Grease fitting, straight | 10389-G3 | 1 | ||
| 116 | Cotter pin | 10387-G2 | 3/32" x 1" LG | 1 | |
| 118 | Tie rod end | 27205-G02 | Right hand thread, includes items 119 - 121 | 1 | |
| 119 | Rubber boot | 50641-G1 | 1 | ||
| 120 | Slotted nut | 50209-G2 | 7/16 - 20 | 1 | |
| 121 | Jam nut | 18434-G4 | 9/16 - 18, right hand thread | 1 | |
| 122 | Grease fitting, straight | 10389-G3 | 1 | ||
| 123 | Cotter pin | 10387-G2 | 3/32" x 1" LG | 1 | |
| 126 | Tie rod assembly | 70876-G02 | includes items 127 - 131 | 1 | |
| 127 | Threaded rod | 70897-G02 | 24" LG | 1 | |
| 128 | Tie rod end | 70902-G01 | Left hand threads | 1 | |
| 129 | Jam nut | 01069-G01 | M12 x 1.25-05 (Left hand threads) | 1 | |
| 130 | Tie rod end | 70902-G02 | Right hand threads | 1 | |
| 131 | Jam nut | 01069-G02 | M12 x 1.25-05 (Right hand threads) | 1 | |
| 133 | Lock nut | 00734-G1 | 7/16 - 14 | 2 |
Fuel System
| Sl. No. | Part description | Part number | Notes | Quantity | Purchase |
|---|---|---|---|---|---|
| 1 | Fuel tank | 72092-G01 | For vehicles without gauge | 1 | |
| 2 | Fuel tank cap | 72282-G01 | 1 | ||
| 3 | Fuel level sender adapter | 72229-G01 | 1 | ||
| 4 | Screw | 72230-G01 | #6 - 32 x 1/2" LG | 2 | |
| 5 | Fuel level sender | 20048-G2 | Elec. Fuel gauge, includes items 6,7 | 1 | |
| 6 | Gasket | * | 1 | ||
| 7 | Screw | 72232-G01 | #10 - 32 x 3/4" LG | 5 | |
| 9 | Fuel tank | 72092-G02 | For electric fuel gauge | 1 | |
| 10 | Bolt | 00438-G8 | 5/16 - 18 x 1" LG | 1 | |
| 11 | Washer | 00559-G8 | 5/16" | 4 | |
| 12 | Spacer | 70483-G01 | 1 | ||
| 13 | Lock nut | 11098-G6 | 5/16 - 18 | 3 | |
| 14 | Fuel gauge | 72281-G01 | Mechanical | 1 | |
| 15 | Grommet | 72280-G04 | 1 | ||
| 16 | Fuel tank | 72092-G04 | for mechanical gauge | 1 | |
| 18 | Fuel filter | 72084-G01 | 1 | ||
| 19 | Tubing | 17470-G1 | 3 1/4" LG (Bulk) | 2 | |
| 20 | Clamp | 18292-G1 | 5 | ||
| 21 | Fuel pump | 72021-G01 | 1 | ||
| 22 | Screw | 00114-G6 | 1/4 - 14 x 3/4" LG | 2 | |
| 24 | Tubing | 17470-G1 | 16" LG (bulk) | AR | |
| 25 | Hose clamp | 11391-G4 | 3 | ||
| 26 | Pulse tubing | 27183-G01 | 16" LG (bulk) | AR | |
| 28 | Wire tie | 17618-G1 | 3 | ||
| 29 | Vinyl trim | 22280-G1 | 6 1/4" LG (bulk) | AR | |
| 30 | Label | 26459-G01 | Unleaded gasoline only | 1 |
Rear Axle – Single Cable Shifter
| Sl. No. | Part description | Part number | Notes | Quantity | Purchase |
|---|---|---|---|---|---|
| 1 | Rear axle | 72715-G01 | 13.32:1, includes items 3 - 23 | 1 | |
| 2 | Rear axle, freedom HP | 72715-G02 | 10.67:1, includes items 3 -23 | 1 | |
| 3 | Flanged bolt | 26823-G01 | M8 x 1.25 x 100 MM LG | 5 | |
| 4 | Flanged bolt | 26824-G01 | M8 x 1.25 x 110 MM LG | 2 | |
| 5 | Bolt | * | M8 x 1.25 x 146 MM LG | 2 | |
| 6 | Flanged bolt | 72052-G01 | M8 x 1.25 x 130 MM LG | 1 | |
| 7 | Flange nut | 72269-G01 | M8 x 1.25 MM | 12 | |
| 8 | Oil check plug | 26768-G01 | 1 | ||
| 9 | Gasket | 26769-G01 | 8 MM | 1 | |
| 10 | Oil drain plug | 26770-G01 | 1 | ||
| 11 | Gasket | 26771-G01 | 14 MM | 1 | |
| 12 | Oil filler plug | 26772-G01 | 1 | ||
| 13 | Input shaft seal | 26761-G01 | 1 | ||
| 14 | Shifter shaft seal | 26762-G01 | 1 | ||
| 15 | Axle shaft seal | 72259-G01 | 2 | ||
| 17 | Axle tube | 72115-G01 | Driver side | 1 | |
| 18 | Axle tube | 72116-G01 | Passenger side | 1 | |
| 19 | Axle shaft | 72056-G01 | Driver side | 1 | |
| 20 | Axle shaft | 72057-G01 | Passenger side | 1 | |
| 21 | Retaining ring | 26814-G01 | 4 | ||
| 22 | Ball bearing | 26811-G01 | 2 | ||
| 23 | Flanged bolt | 72260-G01 | M10 x 1.5 x 23MM LG | 10 | |
| 26 | Axle bracket | 72017-G01 | 1 | ||
| 27 | Lock nut | 26830-G01 | M8 x 1.25 MM | 2 | |
| 28 | Spacer | 75048-G01 | 1/2" | 1 |
Rear Axle – Dual Cable Shifter
| Sl. No. | Part description | Part number | Notes | Quantity | Purchase |
|---|---|---|---|---|---|
| 1 | Rear axle | 72031-G01 | 13.32:1, includes items 3 - 28 | 1 | |
| 2 | Rear axle, freedom HP | 72031-G02 | 10.67:1, includes items 3-28 | 1 | |
| 3 | Flanged bolt | 26823-G01 | M8 x 1.25 x 100 MM LG | 7 | |
| 4 | Flanged bolt | 26824-G01 | M8 X 1.25 x 110 MM LG | 1 | |
| 5 | Flanged bolt | 72053-G01 | M8 x 1.25 x 120 MM LG | 1 | |
| 6 | Flanged bolt | 72052-G01 | M8 x 1.25 x 130 MM LG | 1 | |
| 7 | Lock washer | 26826-G01 | M8 | 14 | |
| 8 | Nut | 26827-G01 | M8 x 1.25 MM | 14 | |
| 9 | Oil check plug | 26768-G01 | 1 | ||
| 10 | Gasket | 26769-G01 | 8 MM | 1 | |
| 11 | Oil drain plug | 26770-G01 | 1 | ||
| 12 | Gasket | 26771-G01 | 14 MM | 1 | |
| 13 | Oil filler plug | 26772-G01 | 1 | ||
| 14 | Input shaft seal | 26761-G01 | 1 | ||
| 15 | Shifter shaft seal | 26762-G01 | 1 | ||
| 16 | Axle shaft seal | 26766-G01 | 2 | ||
| 18 | Axle tube | 72115-G01 | Driver side | 1 | |
| 19 | Axle tube | 72116-G01 | Passenger side | 1 | |
| 20 | Axle shaft | 72056-G01 | Driver side | 1 | |
| 21 | Axle shaft | 72057-G01 | Passenger side | 1 | |
| 22 | Retaining ring | 26814-G01 | 4 | ||
| 23 | Ball bearing | 26811-G01 | 2 | ||
| 25 | Flanged bolt | 72260-G01 | M10 x 1.5 x 23 MM LG | 10 | |
| 28 | Shifter cable bracket | 26815-G01 | 1 | ||
| 29 | Axle bracket | 72017-G01 | 1 | ||
| 30 | Spacer | 75048-G01 | 1/2" | 1 |
Rear Suspension
| Sl. No. | Part description | Part number | Notes | Quantity | Purchase |
|---|---|---|---|---|---|
| 1 | Leaf spring set | 70505-G01 | Contains 2 springs | 1 | |
| 2 | Isomount base plate | 72028-G01 | 2 | ||
| 3 | Isomount bushing | 72117-G01 | 2 | ||
| 4 | Isomount cap | 72037-G01 | 2 | ||
| 5 | U' bolt | 72618-G01 | 3/8 - 16 | 4 | |
| 6 | Washer | 00560-G1 | 3/8" | 8 | |
| 7 | Lock nut | 11098-G5 | 3/8 - 16 | 8 | |
| 9 | Flanged bushing | 70291-G01 | 4 | ||
| 10 | Shoulder bolt | 14158-G1 | 3/8 - 16 x 3 1/4" LG | 2 | |
| 11 | Lock nut | 12262-G1 | 3/8 - 16 | 2 | |
| 13 | Bolt | 00429-G4 | 3/8 - 16 x 3 1/2" LG | 4 | |
| 14 | Shackle plate | 70290-G01 | 4 | ||
| 15 | Flanged bushing | 70291-G01 | 8 | ||
| 16 | Spacer | 70289-G02 | 4 | ||
| 17 | Lock nut | 11098-G5 | 3/8 - 16 | 4 | |
| 19 | Shock absorber | 70324-G01 | 2 | ||
| 20 | Shock absorber washer | 10435-G1 | 8 | ||
| 21 | Rubber bushing | 10194-G1 | 8 | ||
| 22 | Nut | 00532-G6 | 3/8 - 24 | 4 | |
| 25 | Leaf spring set | 70506-G01 | Use on shuttle 2+2 and convertible carrier only, contains 2 springs | 1 |
Seating – Shuttle 2+2
| Sl. No. | Part description | Part number | Notes | Quantity | Purchase |
|---|---|---|---|---|---|
| 1 | Seat bottom assembly | 71611-G** | includes items 2-9 | 1 | |
| 2 | Tee nut | * | 8 | ||
| 3 | Rubber pad | 17074-G1 | 2 | ||
| 4 | Flat staple | * | 110 | ||
| 6 | Vinyl trim | 71012-G01 | Seat bottom | 1 | |
| 7 | Vinyl seat bottom cover | 71602-G** | 1 | ||
| 8 | Foam padding | * | Seat bottom | 1 | |
| 9 | Seat bottom | * | Wood | 1 | |
| 13 | Hip restraint | 71701-G01 | Passenger side | 1 | |
| 14 | Hip restraint | 71702-G01 | Driver side | 1 | |
| 15 | Bolt | 71204-G01 | 1/4 - 20 x 7/8" LG | 8 | |
| 19 | Seat hinge | 71610-G01 | 2 | ||
| 20 | Screw | 00720-G08 | #12 - 14 x 1" LG | 6 | |
| 22 | Seat back assembly | 71751-G** | includes items 23 - 29 | 1 | |
| 23 | Flat staple | * | 95 | ||
| 24 | Plastic seat back cover | 71752-G01 | 1 | ||
| 25 | Seat back | * | Wood | 1 | |
| 26 | Screw | 71002-G01 | #8 x 5/8" LG | 4 | |
| 27 | Tee nut | * | 4 | ||
| 28 | Foam padding | * | Seat back | 1 | |
| 29 | Vinyl seat back cover | 71753-G** | 1 | ||
| 33 | Seat bottom assembly | 74139-G** | includes items 34 - 44 | 1 | |
| 34 | Vinyl cover | 71602-G** | Seat bottom | 1 | |
| 35 | Foam padding | * | Seat bottom | 1 | |
| 36 | Seat bottom | * | Wood | 1 | |
| 37 | Tee nut | * | 16 | ||
| 38 | Trim | 74140-G01 | 1 | ||
| 39 | Flat staple | * | 110 | ||
| 41 | Trim | 71012-G01 | 1 | ||
| 42 | Hip restraint | 71702-G01 | Driver side | 1 | |
| 43 | Hip restraint | 71701-G01 | Passenger side | 1 | |
| 44 | Bolt | 00414-G8 | 1/4 - 20 x 1" LG | 8 | |
| 46 | Seat back assembly | 71751-G** | includes items 23 - 29 | 1 | |
| 47 | Seat support bracket | 74117-G01 | 2 | ||
| 48 | Bolt | 00414-G8 | 1/4 - 20 x 1" LG | 12 | |
| 49 | Lock washer | 00565-G7 | 1/4" | 12 | |
| 50 | Nylon bushing | 17838-G1 | 4 | ||
| 51 | Quick release pin | 74134-G01 | 2 | ||
| 53 | Spacer | 70364-G01 | 2 | ||
| 54 | Seat back support | 74111-G01 | 2 | ||
| 55 | Bolt | 00414-G8 | 1/4 - 20 x 1" LG | 4 | |
| 56 | Lock washer | 00565-G7 | 1/4" | 4 | |
| 57 | Bolt | 01006-G02 | 3/8 - 16 x 1 1/2" LG | 4 | |
| 58 | Washer | 00560-G1 | 3/8" | 4 | |
| 59 | Rubber bumper | 70113-G01 | 4 | ||
| 60 | Lock nut | 11027-G1 | 5/16 - 18 | 6 |
Seating, Convertible Carrier
| Sl. No. | Part description | Part number | Notes | Quantity | Purchase |
|---|---|---|---|---|---|
| 1 | Seat bottom assembly | 71611-G** | includes items 2 - 9 | 1 | |
| 2 | Tee nut | * | 8 | ||
| 3 | Rubber pad | 17074-G1 | 2 | ||
| 4 | Flat staple | * | 110 | ||
| 5 | Flat staple | * | 46 | ||
| 6 | Vinyl trim | 71012-G01 | Seat bottom | 1 | |
| 7 | Vinyl seat bottom cover | 71602-G** | 1 | ||
| 8 | Foam padding | * | Seat bottom | 1 | |
| 9 | Seat bottom | * | Wood | 1 | |
| 13 | Hip restraint | 71701-G01 | Passenger side | 1 | |
| 14 | Hip restraint | 71702-G01 | Driver side | 1 | |
| 15 | Bolt | 00414-G8 | 1/4 - 20 x 1" LG | 8 | |
| 19 | Seat hinge | 71610-G01 | 2 | ||
| 20 | Screw | 00720-G08 | #12 - 14 x 1" LG | 4 | |
| 22 | Seat back assembly | 71751-G** | includes items 23 - 29 | 1 | |
| 23 | Flat staple | * | 95 | ||
| 24 | Plastic seat back cover | 71752-G01 | 1 | ||
| 25 | Seat back | * | Wood | 1 | |
| 26 | Screw | 71002-G01 | #8 x 5/8" LG | 4 | |
| 27 | Tee nut | * | 4 | ||
| 28 | Foam padding | * | Seat back | 1 | |
| 29 | Vinyl seat back cover | 71753-G** | 1 | ||
| 31 | Spacer | 70364-G01 | 2 | ||
| 32 | Seat back support | 74111-G01 | 2 | ||
| 33 | Bolt | 00414-G8 | 1/4 - 20 x 1" LG | 4 | |
| 34 | Lock washer | 00565-G7 | 1/4" | 4 | |
| 35 | Bolt | 01006-G02 | 3/8 - 16 x 1 1/2" LG | 4 | |
| 36 | Washer | 00560-G1 | 3/8" | 4 | |
| 37 | Rubber bumper | 70113-G01 | 2 | ||
| 38 | Lock nut | 11027-G1 | 5/16 - 18 | 2 | |
| 40 | Seat back assembly | 71751-G** | includes items 23 - 29 | 1 | |
| 41 | Seat back mount | 75258-G01 | 1 | ||
| 42 | Bolt | 00414-G8 | 1/4 - 20 x 1" LG | 4 | |
| 43 | Lock washer | 00565-G7 | 1/4" | 4 | |
| 44 | Bolt | 16705-G6 | 1/4 - 20 x 1 3/4" LG | 2 | |
| 45 | Accorn nut | 00520-G1 | 1/4 - 20 | 2 | |
| 46 | End plug | 19859-G1 | 3/4" | 2 | |
| 48 | Bed | 75229-G01 | 1 | ||
| 49 | Seat bottom assembly | 75263-G01 | Includes item 50 | 1 | |
| 50 | Seat bottom | 75197-G** | includes item 51 | 1 | |
| 51 | Vinyl seat bottom cover | 75252-G01 | 1 | ||
| 52 | Screw | 00762-G4 | 5/16 - 18 x 1 1/2" LG | 2 | |
| 53 | Teflon washer | 17255-G1 | 5/16" | 4 | |
| 54 | Lock nut | 00654-G3 | 5/16 - 18 | 2 | |
| 55 | End cap | 19859-G1 | 3/4" | 4 | |
| 58 | Bed front | 75273-G01 | includes mat | 1 | |
| 59 | Bolt | 00661-G6 | 1/4 - 20 x 3/4" LG | 4 | |
| 60 | Washer | 00559-G8 | 5/16" | 4 | |
| 61 | Support frame | 75193-G01 | 1 | ||
| 62 | Bolt | 00438-G8 | 5/16 - 18 x 1" LG | 2 | |
| 63 | Washer | 00559-G8 | 5/16" | 2 | |
| 64 | Lock nut | 11027-G1 | 5/16 - 18 | 2 | |
| 65 | Bolt | 00440-G4 | 5/16 - 18 x 2 1/2" LG | 2 | |
| 66 | Nylon bushing | 17838-G1 | 4 | ||
| 67 | Washer | 00559-G8 | 5/16" | 2 | |
| 68 | Lock nut | 00654-G3 | 5/16 - 18 | 2 | |
| 69 | Handrail | 75196-G01 | 2 | ||
| 70 | Bolt | 00762-G02 | 5/16 - 18 x 1 1/4" LG | 2 | |
| 71 | Lock washer | 00664-G8 | 5/16" | 2 | |
| 72 | Acorn nut | 00520-G3 | 5/16 - 18 | 2 | |
| 73 | End cap | 75261-G02 | 1" | 4 |
Starter / Generator
| Sl. No. | Part description | Part number | Notes | Quantity | Purchase |
|---|---|---|---|---|---|
| 1 | Starter / generator | 27065-G01 | includes items 2 - 43 | 1 | |
| 2 | Armature | 26870-G01 | includes items 3 - 5 | 1 | |
| 3 | Rear ball bearing | 26871-G01 | 1 | ||
| 4 | Front ball bearing | 26872-G01 | 1 | ||
| 5 | Bearing holder | 26873-G01 | 1 | ||
| 8 | Field coil | 26875-G01 | 1 | ||
| 9 | Insulating brush assembly | 26876-G01 | F', includes items 10 -13 | 2 | |
| 10 | Nut | * | 2 | ||
| 11 | Lock washer | * | 2 | ||
| 12 | Washer | * | 2 | ||
| 13 | Insulator | * | 1 | ||
| 14 | Pole core setscrew | 26877-G01 | 4 | ||
| 15 | Front cover | 26878-G01 | 1 | ||
| 16 | Rear cover | 27879-G01 | 1 | ||
| 17 | Terminal assembly | 26880-G01 | A', includes items 18 - 23 | 2 | |
| 18 | Terminal | * | 2 | ||
| 19 | Insulator | * | 2 | ||
| 20 | Insulator | * | 2 | ||
| 21 | Washer | * | 4 | ||
| 22 | Lock washer | * | 4 | ||
| 23 | Nut | * | 4 | ||
| 25 | Brush holder assembly | 26881-G01 | includes items 26 - 28 | 1 | |
| 26 | Brush | 26656-G01 | 4 | ||
| 27 | Brush spring | 26882-G01 | 4 | ||
| 28 | Brush connector | 26883-G01 | 2 | ||
| 30 | Key | 26884-G01 | 1 | ||
| 31 | Pulley | 26885-G01 | 1 | ||
| 32 | Brush and pulley hardware kit | 26886-G01 | includes items 33 - 37 | 1 | |
| 33 | Nut | * | 1 | ||
| 34 | Lock washer | * | 1 | ||
| 35 | Screw | * | 3 | ||
| 36 | Screw | * | 4 | ||
| 37 | Screw | * | 2 | ||
| 38 | Brush 1 cover | 26887-G01 | 3 | ||
| 39 | Brush 2 cover | 26888-G01 | 2 | ||
| 40 | Housing hardware kit | 26889-G01 | includes items 41 - 43 | 2 | |
| 41 | Bolt | * | 2 | ||
| 42 | Lock washer | * | 2 | ||
| 43 | Washer | * | 2 | ||
| 47 | Bolt | 00938-G4 | 1/2 - 13 x 8" LG | 1 | |
| 48 | Washer | 00560-G3 | 1/2" | 2 | |
| 49 | Lock washer | 00566-G3 | 1/2" | 1 | |
| 50 | Nut | 00533-G1 | 1/2 - 13 | 1 | |
| 52 | Starter / generator adjuster | 28617-G01 | 1 | ||
| 53 | Jam nut | 00544-G5 | 3/8 - 16 | 1 | |
| 54 | Nut | 00532-G5 | 3/8 - 16 | 1 | |
| 55 | Washer | 00560-G1 | 3/8" | 1 | |
| 56 | Push nut | 12064-G4 | 5/16" | 1 | |
| 58 | Starter / generator belt | 26414-G01 | 1 |
Tow Bar – Permanent
| Sl. No. | Part description | Part number | Notes | Quantity | Purchase |
|---|---|---|---|---|---|
| 1 | Mounting plate | 75318-G01 | 1 | ||
| 2 | Stop mount plate | 75319-G01 | 1 | ||
| 3 | Screw | 16705-G1 | 1/4 - 20 x 1" LG | 3 | |
| 4 | Lock nut | 00891-G2 | 1/4 - 20 | 3 | |
| 5 | Female stop | 75338-G02 | 1 | ||
| 8 | Tow bar | 75304-G01 | Towing vehicle, includes items 9 - 29 | 1 | |
| 9 | Tow bar | 75299-G01 | 1 | ||
| 10 | Upper pivot | 75302-G01 | 1 | ||
| 11 | Lower pivot | 75291-G01 | 1 | ||
| 12 | Bolt | 00410-G8 | 1/2 - 20 x 3" LG | 1 | |
| 13 | Washer | 00675-G3 | 1/2" | 1 | |
| 14 | Spring washer | 75339-G01 | 1 | ||
| 15 | Washer | 00571-G5 | 1/2" | 1 | |
| 16 | Lock nut | 11098-G8 | 1/2 - 20 | 1 | |
| 17 | Latch stop | 75362-G01 | 1 | ||
| 18 | Delrin washer | 75340-G01 | 3/8" | 2 | |
| 19 | Pivot pin | 75360-G01 | 2 | ||
| 20 | Spring pin | 13571-G7 | 2 | ||
| 21 | Latch | 75303-G01 | 1 | ||
| 22 | Compression spring | 20852-G2 | 1 | ||
| 23 | Cup washer | 25661-G02 | 1 | ||
| 24 | Shoulder bolt | 13005-G4 | 5/16 - 18 x 1 5/8" LG | 1 | |
| 25 | Label | 75370-G01 | Warning | 1 | |
| 26 | Male stop | 75338-G03 | 1 | ||
| 27 | Bolt | 12547-G4 | 6MM x 1 x 30 MM LG | 1 | |
| 28 | Lock washer | 00565-G8 | 5/16" | 1 | |
| 29 | Acorn nut | 00520-G3 | 5/16 - 18 | 1 | |
| 31 | Tow bar hitch | 75308-G01 | Towed vehicle, includes items 32 - 48 | 1 | |
| 32 | Hitch | 75305-G01 | 1 | ||
| 33 | Pivot bolt | 75292-G01 | 1 | ||
| 34 | Thrust washer | 75309-G01 | 2 | ||
| 35 | Washer | 75342-G01 | 3/4" | 1 | |
| 36 | Castellated nut | 00518-G8 | 3/4 - 16 | 1 | |
| 37 | Cotter pin | 10387-G1 | 1/8" x 1 1/2" LG | 2 | |
| 38 | Bearing | 75307-G01 | 1 | ||
| 39 | Lock washer | 00566-G6 | 3/4" | 1 | |
| 40 | Nut | 00533-G8 | 3/4 - 16 | 1 | |
| 42 | Tie rod assembly | 70905-G01 | includes items 43 - 47 | 1 | |
| 43 | Threaded rod | 70903-G01 | 1 | ||
| 44 | Tie rod end | 70902-G01 | Left hand threads | 1 | |
| 45 | Jam nut | 01069-G01 | M12 x 1.25-05 (Left hand threads) | 1 | |
| 46 | Tie rod end | 70902-G02 | Right hand threads | 1 | |
| 47 | Jam nut | 01069-G02 | M12 x 1.25-05 (Right hand threads) | 1 | |
| 48 | Lock nut | 00734-G1 | 7/ 16 - 14 | 2 | |
| 51 | Tie rod end | 27205-G01 | Left hand thread, includes items 52, 55, 56 | 1 | |
| 52 | Jam nut | 18434-G3 | 9/16 - 18 (Left hand thread) | 1 | |
| 53 | Tie rod end | 27205-G02 | Right hand thread, includes items 54 - 56 | 1 | |
| 54 | Jam nut | 18434-G4 | 9/16 - 18 (Right hand thread) | 1 | |
| 55 | Rubber boot | 50641-G1 | 1 | ||
| 56 | Slotted nut | 50209-G2 | 7/16 - 20 | 1 | |
| 58 | Grease fitting, straight | 10389-G3 | 2 | ||
| 59 | Cotter pin | 10387-G2 | 3/32" x 1" LG | 2 |
Tow Bar – Casual
| Sl. No. | Part description | Part number | Notes | Quantity | Purchase |
|---|---|---|---|---|---|
| 1 | Casual tow bar | 75033-G01 | includes items 2 - 15 | 1 | |
| 2 | Tow bar | * | 1 | ||
| 3 | Tir rod | 75034-G01 | Includes nut and cotter pin | 1 | |
| 4 | Coupling | 75060-G01 | 1 | ||
| 5 | Lock pin | * | 1 | ||
| 6 | Compression spring | 75065-G01 | 1 | ||
| 7 | Washer | 00922-G2 | 3/8" | 1 | |
| 8 | Cotter pin | 10387-G2 | 3/32" x 1" LG | 1 | |
| 9 | Safety pin | 75068-G01 | 1 | ||
| 10 | Wire rope | 14869-G5 | 1 | ||
| 11 | Ferrule | 16783-G1 | 3 | ||
| 12 | Ferrule | 75067-G01 | 1 | ||
| 13 | Hex head plug | 75035-G02 | 1 | ||
| 14 | Wire rope | 14869-G3 | 1 | ||
| 15 | Label | 75091-G01 | Warning | 1 |
Weather Protecion – Shuttle 2+2
| Sl. No. | Part description | Part number | Notes | Quantity | Purchase |
|---|---|---|---|---|---|
| 1 | Sun top | 75123-G01 | Shuttle 2+2, includes items 2 - 20 | 1 | |
| 2 | Rear strut | 75074-G01 | Driver side | 1 | |
| 3 | Rear strut | 75074-G02 | Passenger side | 1 | |
| 4 | Bolt | 00665-G5 | 3/8 - 16 x 1 3/4" LG | 4 | |
| 5 | Washer | 00679-G1 | 3/8 | 18 | |
| 6 | Washer | 00771-G5 | 3/8 | 4 | |
| 7 | Lock nut | 00891-G5 | 3/8 - 16 | 10 | |
| 8 | End cap | 19853-G1 | 1" | 2 | |
| 9 | Front strut | 75125-G01 | 1 | ||
| 10 | Bolt | 01035-G01 | 5/16 - 18 x 2 1/4" LG | 4 | |
| 11 | Lock washer | 00905-G8 | 5/16" | 4 | |
| 12 | Spacer | 75048-G01 | 1/2" | 2 | |
| 13 | Washer | 00879-G1 | 3/8" | 4 | |
| 14 | Sun top | 27604-G01 | 1 | ||
| 15 | Bolt | 00674-G8 | 3/8 - 16 x 5" LG | 2 | |
| 16 | Spacer | 18716-G1 | 2 | ||
| 17 | Washer | 00653-G1 | 3/8" (Stainless steel) | 2 | |
| 18 | Bolt | 00665-G3 | 3/8 - 16 x 2 1/2" LG (Stainless steel) | 2 | |
| 19 | Bolt | 00665-G6 | 3/8 - 16 x 2" LG | 2 | |
| 20 | Spacer | 24647-G1 | 1/4" | 2 | |
| 23 | Rear view mirror kit | 19528-G2 | Includes items 24 - 26 | 1 | |
| 24 | Rear view mirror | 19496-G1 | 1 | ||
| 25 | Support bracket | 19502-G2 | 1 | ||
| 26 | Screw | 19527-G1 | #8 - 32 x 5/8" LG (Stainless steel) | 1 | |
| 28 | Windshield kit | 75524-G02 | Shuttle 2+2, includes items 29 - 35 | 1 | |
| 29 | Windshield | * | 1 | ||
| 30 | Sash | EGWHC12 | 26" LG | 2 | |
| 31 | Screw | EGWHS12 | 1/4 - 20 x 1 3/4" LG (stainless steel) | 2 | |
| 32 | Washer | EGWHW12 | 1/4" (Stainless steel) | 4 | |
| 33 | Rubber grommet | EGWHG13 | 2 | ||
| 34 | Lock nut | EGWHN12 | 1/4 - 20 (stainless steel) | 2 | |
| 35 | Label | EGWHL-14 | Safety | 1 | |
| 37 | Fold down windshield kit | 75525-G02 | Shuttle 2+2, includes items 38 - 44 | 1 | |
| 38 | Windshield | * | 1 | ||
| 39 | Sash | EGWHC10 | 12" LG | 2 | |
| 40 | Screw | EGWHS12 | 1/4 - 20 x 1 3/4" LG (stainless steel) | 2 | |
| 41 | Washer | EGWHW12 | 1/4" (Stainless steel) | 4 | |
| 42 | Rubber grommet | EGWHG13 | 2 | ||
| 43 | Lock nut | EGWHN12 | 1/4 - 20 (Stainless steel) | 2 | |
| 44 | Top grip | 137-010 | 3/4" x 2" | 2 | |
| 45 | Top grip fastener | 136-008 | 2 | ||
| 46 | Label | EGWHL-14 | Safety | 1 |
Wheels and Tires
| Sl. No. | Part description | Part number | Notes | Quantity | Purchase |
|---|---|---|---|---|---|
| 1 | Tire and wheel assembly | 27772-G09 | Links 1 18 x 8.5 - 8, includes items 2 -4 | AR | |
| 2 | Links 1 carlisle tire | 27772-G10 | 18 x 8.5 - 8 | AR | |
| 3 | Wheel rim | 15169-G1 | 4 lug | AR | |
| 4 | Valve stem | 11657-G1 | AR | ||
| 5 | Wheel and tire assembly | 27772-G03 | Turf saver 18 x 8.5 - 8, includes items 6 - 8 | AR | |
| 6 | Carlisle tire | 27772-G07 | Turf saver 18 x 8.5 - 8 | AR | |
| 7 | Wheel rim | 15169-G1 | 4 lug | AR | |
| 8 | Valve stem | 11657-G1 | AR | ||
| 9 | Wheel and tire assembly | 27775-G01 | USA trail 6-ply 18.5 x 8.5 - 8, includes items 10 - 12 | AR | |
| 10 | Carlisle tire | 27775-G02 | USA trail, 6 ply 18 x 8.5 - 8 | AR | |
| 11 | Wheel rim | 15169-G1 | 4 lug | AR | |
| 12 | Valve stem | 11657-G1 | AR | ||
| 13 | Wheel and tire assembly | 27772-G02 | Turf glide 18 x 8.5 - 8, includes items 14 - 16 | AR | |
| 14 | Carlisle tire | 27772-G06 | Turf glide 18 x 8.5 - 8 | AR | |
| 15 | Wheel rim | 15169-G1 | 4 lug | AR | |
| 16 | Valve stem | 11657-G1 | AR | ||
| 17 | Wheel an | 27772-G04 | Fairway 18 x 8.5 - 8, includes items 18 - 20 | AR | |
| 18 | Carlisle tire | 27772-G08 | Fairway 18 x 8.5 -8 | AR | |
| 19 | Wheel rim | 15169-G1 | 4 lug | AR | |
| 20 | Valve stem | 11657-G1 | AR | ||
| 22 | 8" Chrome hubcap | 14913-G** | AR | ||
| 23 | 6" chrome hubcap | 16042-G** | AR | ||
| 24 | Gold spoke hubcap | 19241-G** | AR | ||
| 25 | Silver spoke hubcap | 19241-G** | AR |
Specialty Products
| Sl. No. | Part description | Part number | Notes | Quantity | Purchase |
|---|---|---|---|---|---|
| 1 | High resistance spark plug wire set | 26733-G02 | |||
| 2 | Clutch puller | 19779-G1 | 2 prong | ||
| 3 | Clutch puller | 19779-G2 | 3 prong - 4 cycle | ||
| 4 | Flywheel puller | 27111-G01 | |||
| 5 | Cam pulley tool | 27851-G01 | |||
| 6 | Current indicator | 16489-G2 | |||
| 7 | Digital multi-meter | 27481-G01 | |||
| 8 | Crimping tool | 27765-G01 | |||
| 9 | Slide hammer | 15947-G1 | Axle / hub removal | ||
| 10 | Slide hammer | 18753-G1 | Axle removal only | ||
| 11 | Valve seat cutter kit | 72516-G01 | |||
| 12 | Flex-hone cylinder hone - 240 Grit | 72517-G01 | |||
| 13 | Flex-hone honing oil - 1 quart | 72518-G01 | 950 Ml | ||
| 14 | Flex-hone cleaning brush | 72519-G01 | |||
| 15 | Piston ring installer | 72521-G01 | |||
| 16 | Valve grinder - cup type | 72522-G01 | |||
| 17 | Grinding compund - 280/320 grit | 72523-G01 | |||
| 18 | Compression tester | 72524-G01 | |||
| 19 | Feeler gauge | 72525-G01 | |||
| 20 | Tachometer | 72526-G01 | |||
| 21 | 4 cycle engine oil | 25730-G03 | 5 gallon | 19 liter | |
| 22 | 4 cycle engine oil | 25730-G04 | 12 quart case | ||
| 23 | 4 cycle engine oil | 25730-G06 | 1 quart bottle | 950 Ml | |
| 24 | Touch up pen - hunter green | 28432-G02 | |||
| 25 | Touch up pen - champagne beige | 28432-G01 | |||
| 26 | Touch up pen - white | 28432-G05 | |||
| 27 | 12 ounce spray - hunter green | 28140-G09 | |||
| 28 | 12 ounce spray - champagne beige | 28140-G15 | |||
| 29 | 12 ounce spray - white | 28140-G03 | |||
| 30 | Formula 40 vinyl coat - white | 28166-G01 | |||
| 31 | Plexus cleaner | 28433-G01 | 7 ounce, For windshields | 210 Ml | |
| 32 | Plexus cleaner | 28433-G02 | 13 ounce, For windshields | 380 Ml | |
| 33 | Battery protector | 75500-G01 | 14 ounce spray | 410 Ml | |
| 34 | Carburetor & choke cleaner | 75501-G01 | 15 ounce spray | 440 Ml | |
| 35 | White lithium grease | 75502-G01 | 14 ounce spray | 410 Ml | |
| 36 | Penetrant/Lubricant | 75503-G01 | 15 ounce spray | 440 Ml | |
| 37 | Multi-purpose cleaner & degreaser | 75504-G01 | 14 ounce spray | 410 Ml | |
| 38 | Multi-purpose hand cleaner | 75505-G01 | 32 ounce liquid | 950 Ml | |
| 39 | Battery cleaner | 75506-G01 | 32 ounce with trigger sprayer | 950 Ml | |
| 40 | Bio-degradeable cleaner | 75507-G01 | 32 ounce with trigger sprayer | 950 Ml | |
| 41 | Multi-purpose value pack | 75508-G01 | |||
| Battery Protector | 4 ounce, spray | 120 Ml | |||
| Penetrant/Lubricant | 4 ounce, spray | 120 Ml | |||
| White lithium grease | 4 ounce, spray | 120 Ml | |||
| Carburetor & choke cleaner | 4 ounce, spray | 120 Ml |
Accessories
| Sl. No. | Part description | Part number | Notes | Quantity | Purchase |
|---|---|---|---|---|---|
| 1 | Sun top kit | 75040-G** | See weather protection, golf car | ||
| 2 | Sun top kit | 75123-G01 | See weather protection, shuttle 2+2 | ||
| 3 | Windshield kit | 75524-G01 | See weather protection, golf car | ||
| 4 | Windshield kit | 75524-G02 | See weather protection, shuttle 2+2 | ||
| 5 | Windshield kit | 75525-G01 | See weather protection, fold down, golf car | ||
| 6 | Windshield kit | 75525-G02 | See weather protection, fold down, shuttle 2+2 | ||
| 7 | Sand rake | 14735-G1 | See body | ||
| 8 | Tow bar kit | 75310-G01 | See tow bar (Permanent) | ||
| 9 | Weather enclosure | 75078-G01 | 3 sided, See weather protection, golf car | ||
| 10 | Weather enclosure | 75492-G01 | 3 sided, See weather protection, shuttle 2+2 | ||
| 11 | Weather enclosure | 75079-G01 | 4 sided, See weather protection, golf car | ||
| 12 | Rear view mirror | 19528-G2 | Requires sun top, See weather protection, golf car | ||
| 13 | Message holder kit | 75094-G01 | Requires sun top, See body | ||
| 14 | Hourmeter | 75114-G02 | See gauges, horn and lighting section | ||
| 15 | Cooler jug / bracket kit | 75495-G01 | See body | ||
| 16 | Bag cover / rain curtain kit | 75191-G01 | See weather protection, golf car | ||
| 17 | Ashtray kit | 75109-G02 | See body | ||
| 18 | Turn signal kit | 75107-G02 | See electrical | ||
| 19 | Sand bottle | 75009-G01 | See body | ||
| 20 | 8" chrome hubcap | 14913-G* | See wheels and tires | ||
| 21 | 6" chrome hubcap | 16042-G* | See wheels and tires | ||
| 22 | Gold spoke hubcap | 19241-G* | See wheels and tires | ||
| 23 | Silver spoke hubcap | 19241-G* | See wheels and tires | ||
| 24 | Shuttle 2+2 kit | 74150-G* | See body, seating, shuttle 2+2 | ||
| 25 | Center basket | 75003-G02 | See body | ||
| 26 | Side basket | 75007-G02 | See body | ||
| 27 | Two bag attachment | 75183-G01 | See body | ||
| 28 | Convertible carrier kit | 75179-G* | See body, seating, convertible carrier | ||
| 29 | 4 bag attachment | 75335-G01 | See body |














































