Refresher , Year 2006+
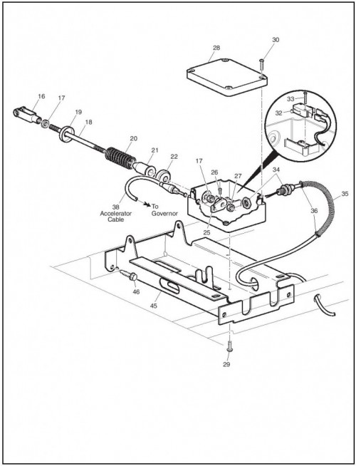
Accelerator
| Sl. No. | Part description | Part number | Notes | Quantity | Purchase |
|---|---|---|---|---|---|
| 1 | Pedal box assembly | 72717-G05 | includes items 3 - 45 | 1 | |
| 3 | Accelerator pedal assembly | 25799-G03 | includes items 4-7 | 1 | |
| 4 | Accelerator pedal pad kit | 27844-G01 | includes items 5-6 | 1 | |
| 5 | Oval rivet | 15766-G1 | 3/16" x 3/8" LG | 6 | |
| 6 | Accelerator pedal pad | 27512-G01 | 1 | ||
| 7 | Accelerator pedal | * | 1 | ||
| 8 | Nylon bushing | 17838-G1 | 3 | ||
| 9 | Pedal pivot pin | 74432-G01 | 1 | ||
| 10 | Push nut | 12064-G6 | 9/32" | 1 | |
| 11 | Clevis pin | 10386-G3 | 5/16" x 1" LG | 1 | |
| 12 | Teflon washer | 17255-G1 | 5/16" | 1 | |
| 13 | Cotter pin | 10387-G3 | 3/32" x 3/4" LG | 1 | |
| 16 | Clevis yoke | 10385-G4 | Adjustable | 1 | |
| 17 | Lock nut | 00532-G4 | 5/16-24 | 2 | |
| 18 | Accelerator rod | 72072-G01 | 1 | ||
| 19 | Spring retainer | 17677-G2 | 1 | ||
| 20 | Compression spring | 73046-G01 | 1 | ||
| 21 | Accelerator rod bushing | 17979-G1 | 1 | ||
| 22 | Spring retainer | 17677-G1 | 1 | ||
| 25 | Micro switch cam | 72716-G01 | 1 | ||
| 26 | Setscrew | 00487-G3 | 1/4 - 20 x 3/8" LG | 1 | |
| 27 | Lock nut | 15126-G1 | 5/16-24 | 1 | |
| 28 | Pedal box and cover | 25853-G03 | 1 | ||
| 29 | Screw | 01051-G01 | #8 - 16 x 1/2" LG | 4 | |
| 30 | Screw | 00684-G6 | #8 - 32 x 3/4" LG | 4 | |
| 32 | Micro switch | 25861-G01 | 1 | ||
| 33 | Screw | 01050-G01 | #4 - 20 x 5/8" LG | 2 | |
| 34 | Wire harness | 72201-G04 | Pedal box | 1 | |
| 35 | Loom flex | 17313-G1 | Bulk | AR | |
| 36 | Wire tie | 17618-G1 | 2 | ||
| 38 | Accelerator cable | 72713-G02 | 1 | ||
| 40 | Accelerator cable bushing | 72706-G01 | 1 | ||
| 41 | Compression spring | 72707-G01 | 1 | ||
| 42 | Cup washer | 25727-G02 | 1 | ||
| 43 | Lock nut | 00734-G5 | #10 - 32 | 1 | |
| 45 | Accelerator pedal bracket | 70116-G02 | 1 | ||
| 46 | Bolt | 00715-G2 | 5/16 - 18 x 13/16" LG | 4 | |
| 47 | Pedal pivot cover | 70135-G01 | 1 | ||
| 49 | Accelerator cable mounting bracket | 72701-G02 | 1 | ||
| 50 | Lock nut | 26830-G01 | M8 x 1.25 MM | 2 | |
| 51 | Throttle cable mounting bracket | 72703-G02 | 1 | ||
| 52 | Lock nut | 26830-G02 | M8 x 125 MM | 2 | |
| 55 | Governor arm | 72708-G01 | 1 | ||
| 56 | Lock nut | 26830-G01 | M8 x 1.25 MM | 1 | |
| 58 | Clamp | 11845-G3 | 1 | ||
| 59 | Lock nut | 26830-G01 | M8 X 1.25 MM | 1 | |
| 61 | Accelerator cable bracket | 72055-G01 | 1 | ||
| 62 | Wire tie | 17618-G1 | 1 | ||
| 65 | Governor cover | 72705-G02 | 1 | ||
| 67 | Bonded washer | 00915-G1 | 1/4" | 2 | |
| 68 | Rivet | 14601-G11 | 3/16" x 9/16" LG | 2 | |
| 70 | Throttle cable | 72714-G01 | 1 | ||
| 71 | Wire tie | 17618-G1 | 1 |
Air filter
| SL. NO. | PART DESCRIPTION | PART NUMBER | NOTES | QUANTITY | PURCHASE |
|---|---|---|---|---|---|
| 1 | Inlet adapter | 72416-G01 | 1 | ||
| 2 | Gasket | 72415-G01 | 1 | ||
| 3 | Rivet | 71055-G01 | 3/16" x 3/8" LG | 4 | |
| 4 | Clamp | 11391-G2 | 1 | ||
| 5 | Hose | 72637-G02 | Convoluted | 1 | |
| 7 | Hose clamp | 11391-G1 | 1 | ||
| 8 | Rivet | 14601-G11 | 3/16" x 9/16" LG | 2 | |
| 9 | Washer | 00915-G1 | #14 ID | 2 | |
| 10 | Air cleaner canister assembly | 72607-G01 | Includes items 11 - 14 | 1 | |
| 11 | Air cleaner Canister | 72598-G01 | 1 | ||
| 12 | Air cleaner cover | 72599-G01 | 1 | ||
| 13 | Air cleaner latch | 72604-G01 | 2 | ||
| 14 | Air cleaner dust collector | 28462-G01 | 1 | ||
| 15 | Air cleaner element | 28463-G01 | 1 | ||
| 16 | Hose clamp | 11391-G7 | 1 | ||
| 17 | Hose | 72592-G01 | Air filter to carburetor | 1 | |
| 18 | Hose clamp | 11391-G6 | 1 | ||
| 19 | Carburetor gasket | 26727-G01 | 2 | ||
| 20 | Choke / throttle bracket | 74498-G02 | 1 | ||
| 21 | Choke throttle cover | 74499-G02 | 1 | ||
| 22 | Carburetor adapter | 72591-G01 | 1 | ||
| 23 | PCV hose | 72151-G01 | 1 | ||
| 24 | Carburetor mounting spacer | 23726-G11 | 4 | ||
| 25 | Washer | 00664-G7 | 1/4" | 2 | |
| 26 | Nut | 13632-G1 | M6 x 1 | 4 | |
| 27 | Carburetor baffle | 72605-G01 | 1 | ||
| 28 | Stud | 72514-G01 | 2 | ||
| 29 | Bolt | 25532-G1 | M8 x 1.25 x 20 MM | 2 | |
| 34 | Air filter bracket | 75878-G02 | Cable actuated carburetor | 1 | |
| 35 | Bolt | 12547-G3 | M6 X 1MM X 20MM LG | 1 | |
| 36 | Lock washer | 00664-G7 | 1/4" | 1 | |
| 37 | Washer | 00559-G7 | 1/4" | 1 | |
| 38 | Bolt | 00415-G2 | 1/4 - 20 x 1 1/4" LG | 2 | |
| 39 | Washer | 00559-G7 | 1/4" | 2 | |
| 40 | Lock nut | 14390-G4 | 1/4-20 | 2 |
Body
| SL. NO. | PART DESCRIPTION | PART NUMBER | NOTES | QUANTITY | PURCHASE |
|---|---|---|---|---|---|
| 1 | Upper floorpan | 70662-G01 | Axle mounted steering | 1 | |
| 2 | Rivet | 14601-G11 | 3/16" x 9/16" LG | 9 | |
| 4 | Lower floorpan | 70451-G01 | 1 | ||
| 5 | Rivet | 14601-G11 | 3/16" x 9/16" LG | 7 | |
| 6 | Access cover | 70452-G01 | 1 | ||
| 8 | Instrument panel assembly | 71151-G03 | Includes items 9-12 | 1 | |
| 9 | Deflector | 71153-G01 | Passenger side | 1 | |
| 10 | Deflector | 71154-G01 | Driver side | 1 | |
| 11 | Screw | 00614-G5 | #8 - 18 x 5/8" LG | 6 | |
| 12 | Instrument panel insert | 71158-G01 | Four cup | 1 | |
| 14 | Label | 35964-G01 | Safety, Pictograph | 1 | |
| 17 | Splash panel | 71413-G01 | 1 | ||
| 18 | Ratchet fastener | 16816-G2 | 1/4" x 3/4" LG | 5 | |
| 20 | Vinyl trim | 71115-G01 | 2 | ||
| 21 | Rivet | 71055-G01 | 3/16" x 1" LG | 10 | |
| 23 | Cowl | 71468-G** | LX/SE | 1 | |
| 24 | Nameplate | 74813-G01 | E-Z-GO, oval | 1 | |
| 25 | Nameplate | 28907-G01 | Jacobsen, oval | 1 | |
| 26 | Nameplate | 74401-G01 | Cushman, oval | 1 | |
| 27 | Rivet | 71055-G01 | 3/16" x 1" LG | 9 | |
| 28 | Rivet | 71055-G01 | 3/16" x 1" LG | 6 | |
| 29 | Fender flare | 71338-G01 | Driver side | 1 | |
| 30 | Fender flare | 71338-G02 | Passenger side | 1 | |
| 32 | Front shield | 27166-G04 | 1 | ||
| 33 | Front shield brace | 70725-G02 | 2 | ||
| 34 | Screw | 01038-G01 | 1/4 - 20 x 1/2" LG | 4 | |
| 35 | Washer | 16469-G1 | 1/4" | 2 | |
| 36 | Rivet, KTR | 01057-G01 | 1/4" x 1"LG | 2 | |
| 38 | Bumper | 74265-G02 | 1 | ||
| 40 | Washer | 00570-G2 | 5/16" | 2 | |
| 41 | Spacer | 75048-G04 | 1" | 2 | |
| 42 | Spacer | 75048-G01 | 1/2" | 2 | |
| 43 | Lock washer | 00905-G8 | 5/16" | 4 | |
| 44 | Bolt | 01035-G02 | 5/16 - 18 x 2 1/2" LG | 4 | |
| 46 | Cowl support bracket | 71101-G01 | 1 | ||
| 47 | Self tapping screw | 71102-G02 | 1/4 - 20 x 1/2" LG | 3 | |
| 48 | Rivet | 71055-G01 | 3/16" x 1 1/8" LG | 1 | |
| 50 | Glove box doors | 75459-G01 | Both sides | 1 | |
| 51 | Glove box door | 75459-G02 | Driver side | 1 | |
| 52 | Glove box door | 75459-G03 | Passenger side | 1 | |
| 54 | Label | 600823 | MPT | 2 | |
| 55 | Label | 600817 | 1200 | 2 | |
| 57 | Label | 74099-G01 | tilt warning pictograph | 2 | |
| 59 | Label | 28915-G01 | Jacobsen hauler, driver side | 1 | |
| 60 | Label | 28915-G02 | Jacobsen hauler, passenger side | 1 | |
| 61 | Label | 74099-G01 | 1200 | 2 | |
| 63 | Label | 75743-G01 | Refresher | 2 | |
| 65 | Label | 600811 | Cushman commander, driver side | 2 | |
| 69 | Serial number plate | * | 1 | ||
| 71 | Rocker panel | 71439-G03 | Driver side | 1 | |
| 72 | Rocker panel | 71439-G04 | Passenger side | 1 | |
| 73 | Fender spacer | 71424-G01 | Driver side | 1 | |
| 74 | Fender spacer | 71424-G02 | Passenger side | 1 | |
| 75 | Brace | 71440-G03 | Driver side | 1 | |
| 76 | Brace | 71440-G04 | Passenger side | 1 | |
| 77 | Screw | 00789-G2 | #10 - 24 x 1 1/4" LG | 4 | |
| 78 | Spacer | 23726-G2 | 1/4" | 2 | |
| 79 | Washer | 00660-G5 | #10 | 4 | |
| 80 | Lock nut | 14390-G10 | #10 - 24 | 4 | |
| 82 | Screw | 16705-G1 | 1/4 - 20 x 1" LG | 4 | |
| 83 | Spacer | 23726-G2 | 1/4" | 4 | |
| 84 | Washer | 00559-G7 | 1/4" | 4 | |
| 85 | Lock nut | 14390-G4 | 1/4-20 | 4 | |
| 88 | Hole plug | 20271-G9 | 1/2" | 1 | |
| 90 | Floormat | 70663-G04 | Axle mounting steering | 1 | |
| 91 | Seat support panel | 71977-G** | W/Driver side louvers | 1 | |
| 94 | Rivet | 10570-G10 | 5/32" x 9/16" LG | 8 | |
| 95 | Seat hinge plate | 71609-G01 | 2 | ||
| 96 | Rivet | 10570-G11 | 3/16" x 3/4" LG | 4 | |
| 97 | Side panel | 71674-G01 | Driver side | 1 | |
| 98 | Side panel | 71674-G02 | Passenger side | 1 | |
| 99 | Rivet | 10570-G10 | 5/32" x 9/16" LG | 4 | |
| 100 | Rivet | 10570-G12 | 1/4" x 1/2" LG | 4 | |
| 101 | Washer | 16469-G7 | 1/4" | 4 | |
| 103 | Splash panel | 70244-G03 | 1 | ||
| 104 | Bolt | 00715-G2 | 5/16 - 18 x 13/16" LG | 2 | |
| 105 | Bolt | 00438-G8 | 5/16 - 18 x 1" LG | 2 | |
| 106 | Washer | 00559-G8 | 5/16" | 2 | |
| 107 | Lock nut | 11098-G6 | 5/16-18 | 2 | |
| 109 | Fender | 74893-G01 | Driver side | 1 | |
| 110 | Fender | 74893-G02 | Passenger side | 1 | |
| 111 | Fender with taillight | 74893-G03 | Driver side | 1 | |
| 112 | Fenter with taillight | 74893-G04 | Passenger side | 1 | |
| 113 | Lock nut | 14390-G4 | 1/ 4- 20 | 4 | |
| 114 | Washer | 00642-G7 | 1/4" | 8 | |
| 115 | Bolt | 00414-G6 | 1/4 - 20 x 7/8" LG | 4 | |
| 116 | Rear panel | 74890-G01 | 1 | ||
| 117 | Rivet | 71055-G01 | 3/16" x 1" LG | 4 | |
| 118 | Ratchet fastener | 16816-G2 | 1/4" x 3/4" LG | 10 | |
| 119 | Seat filler panel | 74891-G01 | Driver side | 1 | |
| 120 | Seat filler panel | 74891-G02 | Passenger side | 1 | |
| 121 | Rivet | 10570-G10 | 5/32" x 9/16" LG | 6 | |
| 123 | Label | 74755-G01 | E-shield | 1 | |
| 125 | Hitch receiver | 74348-G02 | 1 | ||
| 126 | Bolt | 00463-G4 | 7/16 - 14 x 1 1/2" LG | 4 | |
| 127 | Washer | 00922-G3 | 7/16" | 4 | |
| 128 | Lock nut | 00734-G1 | 7/16- 14 | 4 | |
| 129 | Screw | 00198-G8 | 5/16 - 18 x 1" LG | 1 | |
| 130 | Washer | 00559-G8 | 5/16" | 1 | |
| 131 | Lock nut | 11098-G6 | 5/16-18 | 1 | |
| 132 | Clevis hitch | 74338-G02 | 1 | ||
| 133 | Clevis pin | 14443-G7 | 1/2" x 2 1/2" LG | 1 | |
| 134 | Cotter pin | 19314-G1 | 2 1/2' LG | 1 | |
| 136 | Clevis pin | 21317-G01 | 5/8" x 3" LG | 1 | |
| 137 | Cotter pin | 21683-G1 | 15/32" x 2 11/16" LG | 1 | |
| 139 | Angle hitch | 74339-G02 | 1 | ||
| 140 | Clevis pin | 21317-G01 | 5/8" x 3" LG | 1 | |
| 141 | Cotter pin | 21683-G1 | 15/32" x 2 11/16" LG | 1 | |
| 142 | Heavy duty hitch | 74351-G02 | 1 | ||
| 143 | Hitch ball | 31757-G1 | 1 7/8" | 1 | |
| 144 | Lock washer | 00566-G6 | 3/4" | 1 | |
| 145 | Nut | 00702-G11 | 3/4-16 | 1 | |
| 146 | Clevis pin | 21317-G01 | 5/8" x 3" LG | 1 | |
| 147 | Cotter pin | 21683-G1 | 15/32" x 2 11/16" LG | 1 | |
| 148 | Drop angle hitch | 74489-G02 | 1 | ||
| 149 | Clevis pin | 21317-G01 | 5/8" x 3" LG | 1 | |
| 150 | Cotter pin | 21683-G1 | 15/32" x 2 11/16" LG | 1 | |
| 151 | Drop ball hitch | 74491-G02 | 1 | ||
| 152 | Clevis pin | 21317-G01 | 5/8" x 3' LG | 1 | |
| 153 | Cotter pin | 21683-G1 | 15/32" x 2 11/16" LG | 1 | |
| 154 | Hitch ball | 31757-G1 | 1 7/8" | 1 | |
| 155 | Lock washer | 00566-G6 | 3/4" | 1 | |
| 156 | Nut | 00702-G11 | 3/4-16 | 1 | |
| 157 | Drop clevis hitch | 74495-G02 | 1 | ||
| 158 | Clevis pin | 21317-G01 | 5/8" x 3" LG | 1 | |
| 159 | Cotter pin | 21683-G1 | 15/32" x 2 11/16" LG | 1 | |
| 160 | Clevis pin | 14443-G7 | 1/2" x 2 1/2" LG | 1 | |
| 161 | Cotter pin | 19314-G1 | 2 1/2" LG | 1 | |
| 163 | Seat frame | 70440-G04 | 1 | ||
| 164 | Screw | 00715-G2 | 3/8 - 16 x 1/4" LG | 2 | |
| 166 | Ash tray kit | 75109-G04 | Includes items 167 - 170 | 1 | |
| 167 | Ash tray | 27731-G01 | 1 | ||
| 168 | Gasket | 27736-G01 | 1 | ||
| 169 | Bracket | 75108-G02 | 1 | ||
| 170 | Screw | 00100-G4 | #10 - 16 x 1/2" LG | 4 | |
| 172 | Battery tray | 600496 | 1 | ||
| 173 | Bolt | 00715-G2 | 5/16 - 18 x 13/16" LG | 2 | |
| 174 | Bolt | 00438-G8 | 5/16 - 18 x 1" LG | 2 | |
| 175 | Washer | 00571-G2 | 5/16" | 2 | |
| 176 | Lock nut | 11098-G6 | 5/16- 18 | 2 |
Brakes – Front Disc
| SL. NO. | PART DESCRIPTION | PART NUMBER | NOTES | QUANTITY | PURCHASE |
|---|---|---|---|---|---|
| 1 | Brake pedal assembly | 74723-G01 | Without brake lights, includes items 2-11 | 1 | |
| 2 | Torsion spring | 70681-G01 | 2 | ||
| 3 | Pivot pin | 70682-G01 | 1 | ||
| 4 | Pushnut | 01071-G01 | 5/16" | 1 | |
| 5 | Brake pedal | * | 1 | ||
| 6 | Park brake pedal | 74724-G01 | 1 | ||
| 7 | Brake/park brake pedal pad kit | 70274-G01 | includes items 8 -10 | 1 | |
| 8 | Service brake pad | * | 1 | ||
| 9 | Park brake pedal pad | * | 1 | ||
| 10 | Oval rivet | 15766-G1 | 3/16" x 15/32" LG | 9 | |
| 11 | Washer, teflon | 20835-G1 | 3/8" | 2 | |
| 12 | Shoulder bolt | 70582-G01 | 3/8 - 16 x 4" LG | 1 | |
| 13 | Flanged bushing | 70581-G01 | 2 | ||
| 14 | Torsion spring | 70676-G01 | 1 | ||
| 15 | Washer | 00643-G1 | 3/8" | 1 | |
| 16 | Lock nut | 11098-G5 | 3/8 - 16 | 1 | |
| 18 | Compensator assembly | 70272-G04 | includes items 19, 20 | 1 | |
| 19 | Spherical nut | 00963-G01 | 5/16 - 24 | 1 | |
| 20 | Lock nut | 11098-G9 | 5/16 - 24 | 1 | |
| 22 | Equalizer and brake cable assembly | 70969-G05 | includes items 23 - 26 | 1 | |
| 23 | Equalizer bracket | 28082-G01 | 1 | ||
| 24 | Brake compensator bumper | 28083-G01 | 2 | ||
| 25 | Brake cable | * | Driver side | 1 | |
| 26 | Brake cable | * | Passenger side | 1 | |
| 28 | Retaining ring | 01111-G01 | S.S. | 4 | |
| 30 | Clevis pin | 10386-G3 | 5/16" x 1" LG | 3 | |
| 31 | Cotter pin | 10387-G3 | 3/32" x 3/4" LG | 3 | |
| 32 | Clevis pin | 10386-G3 | 5/16" x 3/4" LG | 2 | |
| 34 | Kick-off link | 70601-G01 | 1 | ||
| 35 | Nylon bushing | 17838-G1 | 2 | ||
| 36 | Teflon washer | 20835-G1 | 3/8" | 2 | |
| 37 | Washer | 00559-G8 | 5/16" | 2 | |
| 38 | Cotter pin | 10387-G3 | 3/32" x 3/4" LG | 2 | |
| 39 | Kick-off cam pivot | 70098-G01 | 1 | ||
| 40 | Flanged bearing | 10097-G6 | 2 | ||
| 41 | Kick-off cam | 70587-G01 | 1 | ||
| 42 | Setscrew | 71215-G01 | 1/4 - 20 x 1/2" LG | 2 | |
| 43 | Spacer | 14134-G4 | 1 | ||
| 45 | Adjustable bumper | 70113-G01 | 1 | ||
| 46 | Lock nut | 11027-G1 | 5/16 - 18 | 1 | |
| 48 | Catch bracket | 70080-G02 | 1 | ||
| 49 | Bolt | 00141-G8 | 1/4 - 20 x 3/4" LG | 2 | |
| 50 | Lock nut | 00891-G2 | 1/4 - 20 | 2 | |
| 53 | Brake pedal assembly | 74874-G01 | with brake lights, includes items 54 - 80 | 1 | |
| 54 | Brake pedal | * | 1 | ||
| 55 | Park brake pedal | 74724-G01 | 1 | ||
| 56 | Brake/park brake pedal pad kit | 70274-G01 | Includes items 57 - 59 | 1 | |
| 57 | Service brake pad | * | 1 | ||
| 58 | Park brake pad | * | 1 | ||
| 59 | Oval rivet | 15766-G1 | 3/16" x 15/32" LG | 9 | |
| 61 | Brake pedal plate | 70258-G03 | 1 | ||
| 62 | Pivot pin | 70682-G01 | 1 | ||
| 63 | Torsion spring | 70681-G01 | 2 | ||
| 64 | Pushnut | 01071-G01 | 5/16" | 1 | |
| 65 | Screw | 00737-G8 | #10 - 24 x 1" LG | 4 | |
| 66 | Rubber nut | 00739-G1 | #10 - 24 | 2 | |
| 67 | Brake pedal standoff | 74535-G01 | 2 | ||
| 68 | Conical spring | 27137-G01 | 2 | ||
| 69 | Lock nut | 14390-G10 | #10 - 24 | 2 | |
| 70 | Micro switch | 10606-G8 | 1 | ||
| 71 | Screw | 00957-G1 | #6 - 32 x 1 1/4" LG | 2 | |
| 72 | Washer | 00559-G5 | #10 | 2 | |
| 73 | Washer | 00559-G3 | #6 | 4 | |
| 74 | Lock washer | 00565-G3 | #6 | 2 | |
| 75 | Nut | 00525-G5 | #6 - 32 | 2 | |
| 76 | Screw and lock washer | 13514-G1 | #6 | 2 | |
| 77 | Washer, teflon | 20835-G1 | 3/8" | 2 | |
| 78 | Faston tab | 14628-G1 | 2 | ||
| 79 | Wire harness | 24605-G1 | Brake light | 1 | |
| 80 | Wire tie | 17618-G1 | 3 | ||
| 82 | Spring plate | 74731-G02 | Passenger side | 1 | |
| 83 | Spring plate | 74731-G01 | Driver side | 1 | |
| 84 | Four link rod | 74730-G01 | 2 | ||
| 85 | Lock nut | 01084-G01 | M10 - 1.25 | 4 | |
| 86 | Brake line | 74736-G01 | 1 | ||
| 87 | Screw | 01038-G01 | 1/4 - 20 x 11/16" LG | 1 | |
| 88 | Wire retainer | 74875-G01 | 2 | ||
| 90 | Spindle, caliper and disc hub assembly | 602281 | Driver side, includes items 91 - 103 | 1 | |
| 91 | Disc brake spindle | 602176 | Driver side | 1 | |
| 93 | Slotted nut | 12093-G1 | 1 | ||
| 94 | Drive flange stud | 74864-G01 | 4 | ||
| 95 | Roller bearing | 11750-G2 | 2 | ||
| 96 | Bearing race | 51141-G1 | 2 | ||
| 97 | Disc brake hub | 74673-G01 | 1 | ||
| 98 | Flanged bearing | 70648-G01 | 1 | ||
| 99 | Washer | 00566-G1 | 3/8" | 2 | |
| 100 | Bolt | 00426-G8 | 3/8 - 16 x 1 | 2 | |
| 101 | Bearing | 70749-G01 | 1 | ||
| 102 | Cotter pin | 00798-G8 | 1 | ||
| 103 | Grease seal | 25146-G1 | 1 | ||
| 104 | Caliper | 74733-G02 | Driver side | 1 | |
| 105 | Spindle, caliper and disc hub assembly | 602288 | Passenger side, includes items 93 - 103, 106, 107 | 1 | |
| 106 | Disc brake spindle | 602158 | Passenger side | 1 | |
| 109 | Kingpin tube | 70745-G01 | 2 | ||
| 110 | Thrust washer | 70754-G01 | 2 | ||
| 111 | Washer | 00560-G3 | 1/2" | 4 | |
| 112 | Lock nut | 14390-G6 | 1/2 - 13 | 2 | |
| 113 | Capscrew | 00407-G6 | 1/2 - 13 x 6" LG | 2 | |
| 114 | Caliper | 74733-G01 | Passenger side | 1 | |
| 115 | Front disc brake brake actuator assembly | 74702-G01 | Includes items 116 - 133 | 1 | |
| 116 | Cotter pin | 10387-G3 | 3/32 x 3/4" LG | 1 | |
| 117 | Nylon bushing | 17838-G1 | 1 | ||
| 118 | Clevis pin | 10386-G3 | 5/16 x 1" LG | 1 | |
| 119 | Upper actuator pivot | 74753-G01 | 1 | ||
| 120 | Acetal bushing | 70581-G02 | 4 | ||
| 121 | Shoulder bolt | 74711-G01 | 1 | ||
| 122 | Washer | 00560-G3 | 1/2" | 1 | |
| 123 | Bolt | 13437-G3 | 1/2 - 13 x 6" LG | 2 | |
| 125 | Lock nut | 800697 | 5/16 - 18 | 2 | |
| 126 | Master cylinder | 74742-G01 | 1 | ||
| 127 | Brake actuator assembly housing | 74703-G01 | 1 | ||
| 128 | Lock nut | 11098-G5 | 3/8 - 16 | 1 | |
| 129 | Washer | 00679-G1 | 3/8" Stainless | 1 | |
| 130 | Lower actuator pivot | 74707-G01 | 1 | ||
| 131 | Clevis yoke | 10385-G4 | 1 | ||
| 132 | Brake actuator assembly cover | 74873-G01 | 1 | ||
| 133 | Screw | 01038-G01 | 1/4 - 20 Swageform | 4 | |
| 135 | Bolt | 00414-G8 | 1/4 - 20 x 1 1/4' LG | 4 | |
| 136 | Lock nut | 00891-G2 | 1/4 - 20 | 4 | |
| 138 | Cotter pin | 10387-G3 | 3/32 x 3/4 | 2 | |
| 139 | Washer, nylon | 20835-G1 | 1 | ||
| 140 | Nylon bushing | 17838-G1 | 2 | ||
| 141 | Actuator linkage | 74865-G01 | 1 | ||
| 142 | Washer | 00771-G5 | 3/8" | 1 | |
| 143 | Disc brake pad and pin kit | 74917-G01 | services one corner | 1 | |
| 144 | Brake pads | * | 2 | ||
| 145 | Brake pad retainer pins | * | 2 |
Brakes
| SL. NO. | PART DESCRIPTION | PART NUMBER | NOTES | QUANTITY | PURCHASE |
|---|---|---|---|---|---|
| 1 | Brake pedal assembly | 70612-G02 | Without brake lights, includes items 2 - 10 | 1 | |
| 2 | Torsion spring | 70681-G01 | 2 | ||
| 3 | Pivot pin | 70682-G01 | 1 | ||
| 4 | Pushnut | 01071-G01 | 5/16" | 1 | |
| 5 | Brake pedal | * | 1 | ||
| 6 | Park brake pedal | 70611-G02 | 1 | ||
| 7 | Brake/Park brake pedal pad kit | 70274-G01 | includes items 8-10 | 1 | |
| 8 | Service brake pad | * | 1 | ||
| 9 | Park brake pedal pad | * | 1 | ||
| 10 | Oval rivet | 15766-G1 | 3/16" x 3/8" LG | 9 | |
| 12 | Shoulder bolt | 70582-G01 | 3/8 - 16 x 4" LG | 1 | |
| 13 | Flanged bushing | 70581-G01 | 2 | ||
| 14 | Torsion spring | 70676-G01 | 1 | ||
| 15 | Washer | 00643-G1 | 3/8" | 1 | |
| 16 | Lock nut | 11098-G5 | 3/8 - 16 | 1 | |
| 18 | Compensator assembly | 70272-G04 | includes items 19, 20 | 1 | |
| 19 | Spherical nut | 00963-G01 | 5/16-24 | 1 | |
| 20 | Lock nut | 11098-G9 | 5/16 - 24 | 1 | |
| 22 | Equalizer and brake cable assembly | 70969-G05 | includes items 23 - 26 | 1 | |
| 23 | Equalizer bracket | 28082-G01 | 1 | ||
| 24 | Brake compensator bumper | 28083-G01 | 2 | ||
| 25 | Brake cable | * | Driver side | 1 | |
| 26 | Brake cable | * | Passenger side | 1 | |
| 28 | Retaining ring | 01111-G01 | Stainless steel | 4 | |
| 30 | Clevis pin | 10386-G3 | 5/16" x 1" LG | 3 | |
| 31 | Cotter pin | 10387-G3 | 3/32" x 3/4" LG | 3 | |
| 32 | Clevis pin | 14443-G2 | 5/16" x 3/4" LG | 2 | |
| 34 | Kick-off link | 70601-G01 | 1 | ||
| 35 | Nylon bushing | 17838-G1 | 2 | ||
| 36 | Teflon washer | 20835-G1 | 3/8" | 2 | |
| 37 | Washer | 00559-G8 | 5/16" | 2 | |
| 38 | Cotter pin | 10387-G3 | 3/32" x 3/4" LG | 2 | |
| 39 | Kick-off cam pivot | 70098-G01 | 1 | ||
| 40 | Flanged bearing | 10097-G6 | 2 | ||
| 41 | Kick-off cam | 70587-G01 | 1 | ||
| 42 | Setscrew | 71215-G01 | 1/4 - 20 x 1/2" LG | 2 | |
| 43 | Spacer | 14134-G4 | 1 | ||
| 45 | Adjustable bumper | 70113-G01 | 1 | ||
| 46 | Lock nut | 11027-G1 | 5/16- 18 | 1 | |
| 48 | Catch bracket | 70080-G02 | 1 | ||
| 49 | Bolt | 00414-G6 | 1/4 - 20 x 3/4" LG | 2 | |
| 50 | Lock nut | 00891-G2 | 1/4 - 20 | 2 | |
| 53 | Brake pedal assembly | 70690-G02 | With brake lights, includes items 54 - 80 | 1 | |
| 54 | Brake pedal | * | 1 | ||
| 55 | Park brake pedal | 70611-G02 | 1 | ||
| 56 | Brake/Park brake pedal pad kit | 70274-G01 | includes items 57 - 59 | 1 | |
| 57 | Service brake pad | * | 1 | ||
| 58 | Park brake pad | * | 1 | ||
| 59 | Oval rivet | 15766-G1 | 3/16"x 3/8" LG | 9 | |
| 61 | Brake pedal plate | 70258-G03 | 1 | ||
| 62 | Pivot pin | 70682-G01 | 1 | ||
| 63 | Torsion spring | 70681-G01 | 2 | ||
| 64 | Pushnut | 01071-G01 | 5/16" | 1 | |
| 65 | Screw | 00737-G8 | #10 - 24 x 1" LG | 4 | |
| 66 | Rubber nut | 00739-G1 | #10 - 24 | 2 | |
| 67 | Brake pedal standoff | 74535-G01 | 2 | ||
| 68 | Conical spring | 27137-G01 | 2 | ||
| 69 | Lock nut | 14390-G10 | #10 - 24 | 2 | |
| 70 | Micro switch | 10606-G8 | 1 | ||
| 71 | Screw | 00957-G1 | #6 - 32 x 1 1/4" LG | 2 | |
| 72 | Washer | 00559-G5 | #10 | 2 | |
| 73 | Washer | 00559-G3 | #6 | 4 | |
| 74 | Lock washer | 00565-G3 | #6 | 2 | |
| 75 | Nut | 00525-G5 | #6 - 32 | 2 | |
| 76 | Screw and lock washer | 13514-G1 | #6 | 2 | |
| 78 | Faston tab | 14628-G1 | 2 | ||
| 79 | Wire harness | 24605-G1 | Brake light | 1 | |
| 80 | Wire tie | 17618-G1 | 3 | ||
| 82 | Brake assembly | 70998-G01 | Driver side, includes items 84 - 92 | 1 | |
| 83 | Brake assembly | 70998-G02 | Passenger side, incl. items 84-91, 93 | 1 | |
| 84 | Brake shoe kit | 70794-G01 | includes item 85 | 2 | |
| 85 | Brake shoe | * | 2 | ||
| 86 | Brake spring kit | 27944-G01 | includes items 87 - 91 | 2 | |
| 87 | Upper spring | * | 1 | ||
| 88 | Lower spring | * | 1 | ||
| 89 | Pin | * | 2 | ||
| 90 | Cup and spring | * | 2 | ||
| 91 | Adjuster spring | * | 1 | ||
| 92 | Brake adjuster kit | 72582-G01 | Driver side, includes items 94, 95 | 1 | |
| 93 | Brake adjuster kit | 72582-G02 | Passenger side, includes items 94, 95 | 1 | |
| 94 | Adjuster | * | 1 | ||
| 95 | Teflon washer | * | 2 | ||
| 96 | Bolt | 17083-G2 | 5/16 - 24 x 1" LG | 8 | |
| 97 | Lock nut | 15126-G1 | 5/16 - 24 | 8 | |
| 98 | Inner brake drum washer | 21809-G1 | 1 5/16" OD X 1" ID X 1/32" | 2 | |
| 100 | Brake drum assembly | 21807-G1 | includes items 101 - 102 | 2 | |
| 101 | Brake drum | * | 1 | ||
| 102 | Lug bolt | 19862-G1 | 1/2 - 20 | 4 | |
| 105 | Outer brake drum washer | 21830-G1 | 2 | ||
| 106 | Slotted nut | 00518-G8 | 3/4 - 16 | 2 | |
| 107 | Cotter pin | 10387-G1 | 1/8" x 1 1/2" LG | 2 | |
| 108 | Spindle cap | 74175-G01 | 2 | ||
| 110 | Brake cable bracket | 72036-G03 | Passenger side | 1 | |
| 111 | Brake cable bracket | 72036-G04 | Driver side | 1 | |
| 112 | Brake cable bracket | 75870-G04 | Passenger side | 1 | |
| 113 | Brake cable bracket | 75870-G03 | Driver side | 1 | |
| 114 | Brake drum assembly | 21807-G2 | Includes items 115 - 116 | 2 | |
| 115 | Brake drum | * | 1 | ||
| 116 | Lug bolt | 19862-G2 | 1/2 - 20 x 1 5/8" | 4 |
Cab
| Sl. No. | Part Description | Part number | Notes | Quantity | Purchase |
|---|---|---|---|---|---|
| 1 | Steel cab | 72684-G** | Without doors, replacement parts and accessories may be obtained from curtis cab, inc. | 1 | |
| 3 | Vinyl door kit | 75855-G01 | 1 | ||
| 4 | Steel door kit | 75856-G** | 1 | ||
| 6 | Ball cage | 75853-G01 | 1 |
Carburetor and Choke
| Sl. No. | Part description | Part number | Notes | Quantity | Purchase |
|---|---|---|---|---|---|
| 1 | Carburetor | 72840-G01 | For vehicles originally equipped with 295cc (EH29C & EH292C)Engines, includes items 3-17 | 1 | |
| 2 | Carburetor | 72840-G02 | For vehicles originally equipped with 350cc (EH35C & EH352C) engines, includes items 3-17 | 1 | |
| 3 | Main jet | 26646-G08 | #86 | 1 | |
| 4 | Pilot jet | 26649-G05 | #46 | 1 | |
| 5 | Plug | 26841-G01 | 1 | ||
| 6 | Gasket | 72306-G01 | 1 | ||
| 7 | Needle valve | 72578-G01 | 1 | ||
| 8 | Float | 26648-G01 | 1 | ||
| 9 | Float pin | 26840-G01 | 1 | ||
| 10 | Float bowl gasket | 26843-G01 | 1 | ||
| 11 | Float chamber | 26844-G01 | 1 | ||
| 12 | Bowl screw | 26839-G01 | 1 | ||
| 13 | Bowl gasket | 26838-G01 | 1 | ||
| 14 | Drain screw | 72579-G01 | 1 | ||
| 15 | Vent tube | 26650-G01 | 2 | ||
| 16 | Screw | 72317-G01 | 1 | ||
| 17 | Nut | 72310-G01 | 1 | ||
| 20 | Main jet | 26646-G** | #**, for elevations of 3000 FT - 6000 FT | 1 | |
| 21 | Main jet | 26646-G** | #**, for elevations of 6000 FT - 10000 FT | 1 | |
| 24 | Carburetor mount gasket | 26726-G01 | 2 | ||
| 25 | Carburetor insulator | 72883-G01 | For fuji engine EH29C | 1 | |
| 26 | Carburetor insulator | 72854-G01 | for fuji engine EH35C | 1 | |
| 29 | Choke cable | 25693-G04 | 22 1/4" LG with nuts | 1 | |
| 30 | Choke cable | 72401-G01 | 60 1/4" LG with nuts | 1 | |
| 31 | Choke cable | 72401-G02 | 31 1/2" LG with nuts | 1 | |
| 32 | Lock washer | 00568-G4 | 9/16" | 1 | |
| 33 | Jam nut | 00545-G4 | 9/16 - 18 | 1 | |
| 34 | Retainer | 72155-G02 | 1 | ||
| 35 | Choke cable adapter | 72154-G01 | 1 | ||
| 36 | Jam nut | 00544-G4 | 5/16-24 | 2 |
Clutch
| Sl. No. | Part description | Part Number | Notes | Quantity | Purchase |
|---|---|---|---|---|---|
| 1 | Drive clutch | 26952-G01 | 1 | ||
| 3 | Bolt | 00473-G9 | 7/16 - 20 x 6 1/2" LG | 1 | |
| 4 | Lock washer | 00566-G2 | 7/16" | 1 | |
| 5 | Pilot washer | 25757-G1 | 1 | ||
| 7 | Driven clutch assembly | 26301-G03 | includes items 8-15 | 1 | |
| 8 | Movable sheave | * | includes items 9 - 10 | 1 | |
| 9 | Screw | 00979-G01 | #10 - 24 x 7/8" LG | 3 | |
| 10 | Ramp button | 72324-G01 | 3 | ||
| 11 | Cam | * | 1 | ||
| 12 | Spacer | 24600-G1 | 1 | ||
| 13 | Compression spring | 26304-G01 | 1 | ||
| 14 | Sheave and post | * | 1 | ||
| 15 | Heavy duty retaining ring | 27270-G01 | 1 | ||
| 17 | Bolt | 00441-G8 | 5/16 - 18 x 4" LG | 1 | |
| 18 | Lock washer | 00565-G8 | 5/16" | 4 | |
| 19 | Retaining washer | 25756-G1 | 1 | ||
| 20 | Drive belt | 72328-G01 | Severe duty | 1 |
Direction selector
| Sl. No. | Part description | Part Number | Notes | Quantity | Purchase |
|---|---|---|---|---|---|
| 1 | Direction selector assembly e-coat | 72721-G06 | includes items 2 - 33 | 1 | |
| 2 | Direction selector bracket | 72737-G02 | 1 | ||
| 3 | Direction selector shaft | 70233-G01 | 1 | ||
| 4 | Direction selector cam | 72738-G01 | 1 | ||
| 5 | Lock nut | 14390-G1 | 3/8 - 24 | 1 | |
| 8 | Neutral lock pin | 72724-G01 | 1 | ||
| 9 | Compression spring | 72733-G01 | 3/8" x 5/8" LG | 1 | |
| 10 | Neutral lock latch | 72729-G01 | 1 | ||
| 11 | Lock nut | 00734-G2 | 1/4 - 28 | 1 | |
| 12 | Extension spring | 28574-G01 | 1 | ||
| 13 | Ball stud | 72732-G01 | 1 | ||
| 14 | Lock nut | 00734-G5 | #10 - 32 | 1 | |
| 17 | Micro switch | 72736-G01 | 1 | ||
| 18 | Screw | 01062-G01 | #4 - 40 x 1" LG | 2 | |
| 19 | Washer | 00559-G1 | #4 | 2 | |
| 20 | Lock washer | 00565-G1 | #4 | 2 | |
| 21 | Nut | 00526-G2 | #4 - 40 | 2 | |
| 24 | Reverse warning buzzer | 73290-G03 | 1 | ||
| 25 | Screw | 01063-G01 | #6 - 32 x 3/8" LG | 2 | |
| 26 | 18 GA wire | 25978-G345 | Red 7" | 1 | |
| 29 | Shifter cable | 72734-G03 | 1 | ||
| 30 | Cup washer | 25727-G01 | 4 | ||
| 31 | Compression spring | 72735-G01 | 19/32" X 1" LG | 2 | |
| 32 | Shifter arm | 72730-G01 | 1 | ||
| 33 | Lock nut | 00734-G5 | #10 - 32 | 1 | |
| 36 | Screw | 70227-G01 | 1/4 - 20 x 7/8" LG | 2 | |
| 37 | Lock nut | 11027-G2 | 1/4 - 20 | 2 | |
| 40 | Lock nut | 26830-G01 | M8 x 1.25 MM | 1 | |
| 43 | Direction selector handle | 71205-G01 | 1 | ||
| 44 | Screw | 00740-G4 | #10 - 32 x 1/2" LG (Stainless steel) | 1 | |
| 47 | Wire tie | 17618-G1 | 1 | ||
| 48 | Cable clip | 01072-G01 | 2 |
Electrical
| Sl. NO. | Part Description | Part Number | Notes | Quantity | Purchase |
|---|---|---|---|---|---|
| 1 | Ignition pickup assembly | 72865-G01 | includes item 2 | 1 | |
| 2 | Bolt and washer assembly | 26707-G01 | M5 x 0.8 x 10 MM LG | 2 | |
| 6 | Ignition coil | 72866-G01 | EH292C & EH352C engines, Incl. spark plug wires | 1 | |
| 7 | Flat washer | * | 2 | ||
| 8 | Lock washer | * | 2 | ||
| 9 | Screw | 72871-G01 | 2 | ||
| 13 | 6 GA wire | 25887-G01 | Black, 6" F1 - A2 | 1 | |
| 14 | Terminal cover | 25682-G1 | 3 | ||
| 18 | Battery | 24775-G* | 12V | 1 | |
| 19 | Bolt | 00962-G1 | 5/16 - 18 x 1 1/4" LG | 2 | |
| 20 | Lock washer | 00993-G01 | 5/16" (silicon bronze) | 2 | |
| 21 | Nut | 00994-G01 | 5/16 - 18 (Silicon bronze) | 2 | |
| 23 | Battery hold down | 72101-G01 | 1 | ||
| 24 | Bolt | 00438-G6 | 5/16 - 18 x 3/4" LG | 1 | |
| 25 | Lock washer | 00565-G8 | 5/16" | 1 | |
| 26 | Washer | 00571-G2 | 5/16" (Stainless steel) | 1 | |
| 29 | Ground cable | 27044-G03 | 1 | ||
| 30 | 14 GA wire | 25976-G19 | Black 6" | 1 | |
| 31 | Bolt | 00438-G6 | 5/16 - 18 x 3/4" LG | 2 | |
| 32 | Lock nut | 11027-G1 | 5/16 - 18 | 2 | |
| 33 | Flanged bolt | 26676-G01 | M6 x 1 x 23 MM LG | 1 | |
| 35 | 6 GA wire | 25972-G58 | Black 26", F2 - SOL | 1 | |
| 37 | Wire harness | 74935-G01 | Control | 1 | |
| 40 | Wire tie | 17618-G1 | AR | ||
| 42 | Cover | 73049-G01 | 1 | ||
| 43 | Washer | 16469-G1 | 1/4" | 1 | |
| 44 | Screw | 00114-G6 | 1/4 - 14 x 3/4" LG | 1 | |
| 47 | Electrical plate assembly | 72909-G01 | Includes items 48 - 72 | 1 | |
| 48 | Bracket | 73057-G01 | 1 | ||
| 49 | Voltage regulator | 27739-G01 | 1 | ||
| 50 | Solenoid | 27153-G01 | 1 | ||
| 51 | Bolt | 00415-G2 | 1/4 - 20 x 1 1/4" LG | 1 | |
| 52 | Bolt | 00414-G8 | 1/4 - 20 x 1" LG | 1 | |
| 53 | Lock nut | 11027-G2 | 1/4 -20 | 2 | |
| 56 | Ignitor | 72872-G01 | 1 | ||
| 57 | Bolt | 00414-G5 | 1/4 - 20 x 5/8" LG | 1 | |
| 58 | Lock nut | 11027-G2 | 1/4 - 20 | 1 | |
| 62 | Faston tab | 73446-G01 | 90 | 2 | |
| 63 | Lock washer | 00565-G5 | #10 | 2 | |
| 64 | Nut | 00526-G4 | #10 - 32 | 2 | |
| 67 | 18 GA wire | 25978-G56 | Black, 5 3/4" | 1 | |
| 69 | In-line fuse holder | 22585-G3 | 1 | ||
| 70 | Lock washer | 00565-G8 | 5/16" | 2 | |
| 71 | Jam nut | 00544-G4 | 5/16 - 24 | 2 | |
| 72 | 6 GA wire | 25972-G33 | Black, 24", B+ -SOL | 1 | |
| 79 | Fuse block | 35211-G01 | 6 position | 1 | |
| 80 | Screw | 00379-G2 | #10 - 24 x 1 1/4" LG | 2 | |
| 81 | Washer | 00559-G5 | #10 | 2 | |
| 82 | Lock nut | 14390-G10 | #10 - 24 | 2 | |
| 83 | Fuse | 35212-G01 | 15 AMP | AR | |
| 84 | Push on male terminal | 12914-G1 | 1 | ||
| 85 | Lock washer | 00567-G5 | #10 | 1 | |
| 86 | Nut | 00526-G4 | #10 - 32 | 1 | |
| 88 | Horn | 32860-G1 | 1 | ||
| 89 | Horn switch | 17318-G1 | 1 | ||
| 90 | Horn switch cap and nut | 17318-G2 | 1 | ||
| 91 | Horn switch boot | 27068-G01 | 1 | ||
| 92 | Horn switch label | 19233-G1 | 1 | ||
| 93 | Rivet | 71055-G01 | 3/16" x 1" LG (Aluminum) | 2 | |
| 96 | Headlight | 22523-G1 | Includes item 122 (LX / SE) | 2 | |
| 97 | Screw | 00906-G6 | #10 - 16 x 1" LG | 2 | |
| 98 | Jumper wire | 74337-G01 | Headlight | 2 | |
| 99 | Turn signal light | 20570-G3 | includes items 100 - 105 | 2 | |
| 100 | Turn signal light | 20574-G3 | 1 | ||
| 101 | Washer | 00660-G7 | 1/4" | 1 | |
| 102 | Wire assembly | 20606-G1 | 1 | ||
| 103 | Lock washer | 00567-G7 | 1/4" | 1 | |
| 104 | Nut | 00532-G1 | 1/4 - 20 | 1 | |
| 105 | Push-on male terminal | 18995-G1 | 1 | ||
| 106 | Lens, amber | 20574-G5 | 1 | ||
| 107 | Screw | 00118-G5 | #6 - 18 x 5/8' LG | 2 | |
| 108 | Turn signal jumper, RED/BLACK | 74056-G01 | Passenger side | 1 | |
| 109 | Turn signal Jumper, Green / Black | 74056-G02 | Driver side | 1 | |
| 112 | Taillight assembly | 32739-G2 | Complete | 2 | |
| 115 | Turn signal | 17867-G1 | With mounting hardware, incl. item 116 | 1 | |
| 116 | Turn signal flasher | 21640-G1 | 1 | ||
| 117 | Flex loom | 32307-G3 | 3/8 x 8" LG | 1 | |
| 118 | Wire tie | 17618-G1 | 2 | ||
| 119 | Steering column cover | 20965-G3 | 1 | ||
| 122 | Ignition switch kit | 33639-G02 | W/o lights - standard - with hardware | 1 | |
| 123 | Ignition switch | 33639-G03 | Without lights - non standard | 1 | |
| 124 | Ignition switch | 18027-G1 | Without lights - individually keyed | 1 | |
| 125 | Ignition switch | 33639-G** | With lights | 1 | |
| 126 | Lock washer | 00568-G6 | 3/4" | 1 | |
| 127 | Face nut | 17137-G1 | 3/4 - 20 | 1 | |
| 128 | Ignition key | 17063-G1 | Set | 1 | |
| 129 | Wire harness | 73041-G01 | Key switch | 1 | |
| 132 | Plate | 601015 | Ignition switch only | 1 | |
| 133 | Decal | 71181-G02 | Ignition switch only, without headlights | 1 | |
| 134 | Decal | 71181-G01 | Ignition switch only, with headlights | 1 | |
| 137 | Plate | 73030-G04 | Fuel gauge and oil light | 1 | |
| 138 | Decal | 71127-G01 | Oil light and fuel guage w/o headlights | 1 | |
| 139 | Decal | 71131-G01 | Oil light and fuel gauge with headlights | 1 | |
| 140 | Fuel gauge | 21553-G1 | 1 | ||
| 141 | Indicator light | 23474-G1 | 1 | ||
| 142 | Harness | 74311-G01 | Oil light / fuel gauge | 1 | |
| 143 | 18 GA wire | 25978-G122 | Red 6" | 1 | |
| 145 | Drive rivet | 33623-G02 | 3/16" x 3/8" LG | 2 | |
| 147 | Console insert assembly | 74444-G** | With or w/o power outlet, includes items 148 - 151 | 1 | |
| 148 | Console insert plate | 71077-G** | 1 | ||
| 149 | Decal | 35966-G** | Console insert plate | 1 | |
| 150 | Power outlet | 71078-G01 | 12 volt | 1 | |
| 151 | Rivet | 14601-G10 | 5/32" x 7/16" LG | 2 | |
| 152 | Drive rivet | 33623-G02 | 5/32" x 5/16" LG | 3 | |
| 153 | Wire harness | 71081-G01 | Power outlet | 1 | |
| 155 | Hour meter kit | 75114-G02 | includes items 156 - 160 | 1 | |
| 156 | Hour meter assembly | 21573-G1 | 1 | ||
| 157 | Hour meter bracket | 74019-G02 | 1 | ||
| 158 | Screw | 00379-G4 | #10 - 24 x 1/2" LG | 2 | |
| 159 | Lock nut | 14390-G10 | #10 - 24 | 2 | |
| 160 | Wire harness | 75117-G01 | Hour meter | 1 | |
| 163 | Work light bar with lights and / or strobe | 71323-G** | Includes items 164 - 181, 184 and / or 192 | 1 | |
| 164 | Strut | 75838-G03 | Driver side | 1 | |
| 165 | Strut | 75838-G04 | Passenger side | 1 | |
| 166 | Wire harness | 75346-G01 | Work light | 1 | |
| 167 | Brace | 71294-G02 | 1 | ||
| 168 | Cover plate | 71293-G02 | 1 | ||
| 169 | Switch harness | 75347-G01 | 1 | ||
| 170 | Console insert plate | 73522-G** | 1 | ||
| 171 | Strobe light mount | 33201-G03 | Used only with strobe light | 1 | |
| 172 | Hardware kit | 75365-G01 | includes items 173 - 181 | 1 | |
| 173 | Bolt | 00685-G7 | 5/16 - 18 x 1 3/4" LG | 6 | |
| 174 | Washer | 00660-G8 | 5/16" | 12 | |
| 175 | Washer | 15121-G1 | 3/8" x 1 1/4" | 2 | |
| 176 | Lock nut | 01109-G01 | 5/16 - 18 | 4 | |
| 177 | Acorn nut | 00918-G3 | 5/16 - 18 | 2 | |
| 178 | Drive rivet | 33623-G02 | 3/16" x 3/8" LG | 3 | |
| 179 | Grommet | 20367-G1 | 2 | ||
| 180 | Screw | 16705-G3 | 1/4 - 20 x 3/4" LG | 2 | |
| 181 | Lock nut | 14390-G4 | 1/4 - 20 | 2 | |
| 184 | Work light kit | 20383-G2 | includes items 185 - 190 | 1 | |
| 185 | Work light | 20209-G2 | Rectangular | 2 | |
| 186 | Lock washer | 00566-G3 | 1/2" | 2 | |
| 187 | Nut | 00533-G1 | 1/2 - 13 | 2 | |
| 188 | Light switch | 17317-G1 | 1 | ||
| 189 | Tab adapter | 17902-G1 | 1 | ||
| 190 | 16 GA wire | 20053-G1 | Red 5 3/8" | 1 | |
| 192 | Strobe light kit | 20385-G3 | includes items 193 - 198 | 1 | |
| 193 | Strobe light | 20394-G4 | 1 | ||
| 194 | Screw | 00379-G4 | #10 - 24 x 1/2" LG | 3 | |
| 195 | Lock nut | 14390-G10 | #10 - 24 | 3 | |
| 196 | Light switch | 17317-G1 | 1 | ||
| 197 | Tab adapter | 17902-G1 | 1 | ||
| 198 | 16 GA wire | 20053-G1 | Red 5 3/8" | 1 | |
| 201 | Hole plug | 20271-G10 | 1 |
Engine and Muffler
| Sl. No. | Part description | Part number | Notes | Quantity | Purchase |
|---|---|---|---|---|---|
| 1 | Engine | 72846-G02 | EH352C, includes items 3 - 20 | 1 | |
| 3 | Timing belt | 26626-G01 | 1 | ||
| 4 | Timing belt cover | 72908-G01 | 1 | ||
| 5 | Timing belt cover grommet | 26631-G01 | 1 | ||
| 6 | Bolt | 26678-G01 | M6 x 1 x 12MM LG | 3 | |
| 9 | Ignition coil bracket | 72869-G01 | 1 | ||
| 10 | Spark plug | 25523-G3 | NGK BPR4ES | 2 | |
| 12 | Valve cover | 72848-G01 | 1 | ||
| 13 | Valve cover gasket | 72876-G01 | 1 | ||
| 14 | Flanged bolt | 26676-G01 | M6 x 1 x 23 MM LG | 6 | |
| 15 | Oil filler cap | 26601-G01 | 1 | ||
| 16 | Oil filler 'O' ring | 26720-G01 | 1 | ||
| 17 | Oil filter | 26591-G01 | 1 | ||
| 18 | Oil filter 'O' ring | 26710-G01 | 1 | ||
| 19 | Bolt and washer | 26680-G01 | M6 x 1 x 12 MM LG | 3 | |
| 20 | Stud | 72307-G01 | M6 x 1 x 115MM LG | 2 | |
| 23 | Muffler | 74829-G01 | 1 | ||
| 24 | Exhaust gasket | 25531-G1 | 1 | ||
| 25 | Nut | 26827-G01 | M8 x 1.25MM | 2 | |
| 26 | Bolt and washer | 25532-G1 | M8 x 1.25 x 18 MM LG | 1 | |
| 27 | Bolt | 00438-G8 | 5/16 - 18 x 1" LG | 1 | |
| 28 | Lock washer | 00565-G8 | 5/16" | 1 | |
| 29 | Washer | 00642-G8 | 5/16" | 1 |
Engine Mounting
| Sl. NO. | Part description | Part number | Notes | Quantity | Purchase |
|---|---|---|---|---|---|
| 1 | Front engine mount | 72010-G01 | 1 | ||
| 2 | Rear engine mount | 72011-G01 | 1 | ||
| 3 | Bolt | 00463-G4 | 7/16 - 14 x 1 1/2" LG | 4 | |
| 4 | Lock washer | 00566-G2 | 7/16" | 4 | |
| 5 | Washer | 00922-G3 | 7/16" | 4 | |
| 8 | Bolt | 00428-G6 | 3/8 - 16 x 2 3/4" LG | 2 | |
| 11 | Mount bracket | 72044-G02 | 1 | ||
| 12 | Washer | 00643-G1 | 3/8" | 2 | |
| 13 | Lock nut | 11098-G5 | 3/8 - 16 | 2 | |
| 19 | Bolt | 00430-G4 | 3/8 - 16 x 4 1/2" LG | 1 | |
| 20 | Washer | 15121-G1 | 1 1/4" x 3/8" | 1 | |
| 21 | Plastic washer | 72050-G01 | 2 1/2" x 5/8" | 4 | |
| 22 | Washer | 72051-G01 | 2 1/2" x 5/8" | 2 | |
| 23 | Isolation mount | 72015-G01 | 1 | ||
| 24 | Washer | 72051-G02 | 2 1/2" x 11/32" | 1 | |
| 25 | Lock nut | 11098-G5 | 3/8 - 16 | 1 | |
| 28 | Engine guard | 72719-G01 | 1 | ||
| 29 | Bolt | 00463-G4 | 7/16 - 14 x 1 1/2" LG | 4 | |
| 30 | Lock washer | 00566-G2 | 7/16" | 4 | |
| 31 | Washer | 00922-G3 | 7/16" | 4 | |
| 34 | Bolt | 00439-G2 | 5/16 - 18 x 1 1/8" LG | 1 | |
| 35 | Lock nut | 11098-G6 | 5/16 - 18 | 1 | |
| 38 | U' bolt | 72035-G01 | 7/16 - 14 | 2 | |
| 39 | Washer | 00922-G3 | 7/16" | 4 | |
| 40 | Lock nut | 00734-G1 | 7/16 - 14 | 4 |
Front Suspension Steering
| Sl. No. | Part description | Part Number | Notes | Quantity | Purchase |
|---|---|---|---|---|---|
| 1 | Front axle | 602513 | 1 | ||
| 3 | Spindle and hub assembly, 4 Lug | 70942-G03 | Passenger side, includes items 4-13 | 1 | |
| 4 | Spindle assembly | 70940-G04 | Passenger side, includes items 5-6 | 1 | |
| 5 | Bearing | 70648-G01 | 1 | ||
| 6 | Bearing | 70749-G01 | DP4 | 1 | |
| 7 | Grease seal | 25146-G1 | 1 | ||
| 8 | Roller bearing and race assembly | 50892-G1 | 2 | ||
| 9 | Wheel hub assembly with races, 4 Lug | 70589-G1 | Includes item 10 | 1 | |
| 10 | Lug bolt | 19862-G1 | 1/2 - 20 x 1 7/32" LG | 4 | |
| 11 | Slotted nut | 12093-G1 | 1-14 | 1 | |
| 12 | Cotter pin | 00798-G8 | 5/32" x 1 3/4" LG | 1 | |
| 13 | Spindle cap | 12091-G2 | 2 | ||
| 16 | Spindle and hub assembly, 4 Lug | 70673-G03 | Driver side, includes items 7-13 & 17 | 1 | |
| 17 | Spindle assembly | 70742-G02 | Driver side, includes items 5-6 | 1 | |
| 18 | Bolt | 00407-G6 | 1/2 - 13 x 6' LG | 2 | |
| 19 | Washer | 00560-G3 | 1/2" | 4 | |
| 20 | King pin tube | 70745-G01 | 2 | ||
| 21 | Thrust washer | 70754-G01 | Stainless steel | 2 | |
| 22 | Lock nut | 14390-G6 | 1/2 - 13 | 2 | |
| 25 | Shock absorber | 76419-G01 | 2 | ||
| 28 | Shock absorber washer | 10435-G1 | 8 | ||
| 29 | Rubber shock absorber bushing | 10194-G1 | 8 | ||
| 30 | Nut | 00532-G6 | 3/8 - 24 | 4 | |
| 31 | Vinyl cap | 10044-G01 | 4 | ||
| 34 | Leaf spring | 70664-G03 | Heavy duty, see part number on spring | 2 | |
| 35 | Spring plate | 70163-G03 | 4 | ||
| 36 | Bolt | 00463-G4 | 7/16 - 14 x 1 1/2" LG | 4 | |
| 37 | Lock nut | 00734-G1 | 7/16 - 14 | 11 | |
| 38 | Bolt | 00463-G6 | 7/16 - 14 x 1 3/4" LG | 7 | |
| 41 | Rack and pinion unit | 74964-G02 | complete, includes items 42 - 65 | 1 | |
| 42 | Steering rack cover & bearing | 70965-G01 | 1 | ||
| 43 | Jam nut | * | 1/2 - 20 | 1 | |
| 44 | Retaining ring | 70750-G01 | External | 1 | |
| 45 | Ball bearing | 15115-G1 | 1 | ||
| 46 | Pinion | 70603-G01 | 1 | ||
| 47 | Retaining ring | 70751-G01 | Internal | 1 | |
| 48 | Seal pinion | 70638-G01 | 1 | ||
| 49 | Rack steering | 70604-G01 | 1 | ||
| 50 | Screw | 01053-G01 | 10 - 32 | 1 | |
| 51 | Rack loader | 70590-G01 | 1 | ||
| 52 | Spring compression | 70666-G01 | 1 | ||
| 53 | Gasket rack loader | 70645-G01 | 1 | ||
| 54 | Cover rack loader | 70591-G01 | 1 | ||
| 55 | Screw | 71102-G01 | 1/4 - 20 | 2 | |
| 56 | Grease fitting, straight | 10389-G3 | 1 | ||
| 57 | Rack ball joint | 70695-G01 | includes items 58 - 60 | 1 | |
| 58 | Rubber boot | 50641-G1 | 1 | ||
| 59 | Slotted nut | 50209-G2 | 7/16 - 20 | 1 | |
| 60 | Cotter pin | 10387-G2 | 3/32" x 1" LG | 1 | |
| 61 | Rod end | 74694-G01 | Inner | 1 | |
| 62 | Rack boot | 70961-G01 | 1 | ||
| 63 | Wire tie | 12416-G2 | 1 | ||
| 64 | Wire tie | 11391-G8 | 1 | ||
| 65 | Tag steering wheel | 604328 | 1 | ||
| 74 | Bolt | 00464-G6 | 7/16 - 14 x 2 3/4" LG | 2 | |
| 75 | Bolt | 01068-G01 | 7/16 - 14 x 3 1/2" LG | 1 | |
| 76 | Spacer | 70667-G02 | 2 | ||
| 77 | Spacer | 70667-G03 | Short | 1 | |
| 78 | Nut | 00532-G7 | 7/16 - 14 | 1 | |
| 79 | Flat washer | 00560-G2 | 7/16" | 7 | |
| 80 | Lock nut | 00734-G1 | 7/16 - 14 | 3 | |
| 83 | Steering shaft | 70607-G01 | 1 | ||
| 85 | Steering column kit | 70758-G05 | includes items 86 - 88 | 1 | |
| 86 | Steering column | 70610-G03 | 1 | ||
| 87 | Steering column bushing | 28569-G01 | 1 | ||
| 88 | Screw | 01022-G01 | #6 - 20 x 5/16" LG | 1 | |
| 95 | Bolt | 01006-G01 | 3/8 - 16 x 1 1/4' LG with patchlock | 4 | |
| 96 | Lock washer | 00879-G1 | 3/8" | 4 | |
| 98 | Intermediate shaft | 70580-G01 | includes items 99, 100 | 1 | |
| 99 | Bolt | 01055-G01 | M8 x 1 1/4" LG | 2 | |
| 100 | Lock washer | 00565-G8 | 5/16" | 2 | |
| 102 | Retaining ring | 70751-G01 | Internal | 1 | |
| 103 | Retaining ring | 70888-G01 | External | 1 | |
| 104 | Ball bearing | 15112-G1 | 1 | ||
| 105 | Wave washer | 70887-G01 | 1 | ||
| 106 | Steering wheel | 602980 | 1 | ||
| 107 | Steering wheel cover | 71147-G01 | 1 | ||
| 108 | Label | 74815-G01 | E-Z-GO | 1 | |
| 109 | Label | 74954-G01 | Cushman | 1 | |
| 113 | Lock nut | 14390-G2 | 5/8 - 18 | 1 | |
| 114 | Label | 28909-G01 | Jacobsen | 1 | |
| 117 | Tie rod assembly | 74604-G01 | Includes items 118 - 122 | 1 | |
| 118 | Threaded rod | 74603-G01 | 24" LG | 1 | |
| 119 | Tie rod end | 70902-G01 | Left hand threads | 1 | |
| 120 | Jam nut | 01069-G01 | M12 x 1.25-05 (Left hand threads) | 1 | |
| 121 | Tie rod end | 70902-G02 | Right hand threads | 1 | |
| 122 | Jam nut | 01069-G02 | M12 x 1.25-05 (Right hand threads) | 1 | |
| 124 | Lock nut | 00734-G1 | 7/16 - 14 | 2 |
Fuel System
| Sl. No. | Part description | Part number | Notes | Quantity | Purchase |
|---|---|---|---|---|---|
| 1 | Fuel tank | 72092-G01 | For vehicles without gauge | 1 | |
| 2 | Fuel tank cap | 72282-G01 | 1 | ||
| 3 | Fuel level sender adapter | 72229-G01 | 1 | ||
| 4 | Screw | 72230-G01 | #6 - 32 x 1/2" LG | 2 | |
| 5 | Fuel level sender | 20048-G2 | Elec. Fuel gauge, includes items 6, 7 | 1 | |
| 6 | Gasket | * | 1 | ||
| 7 | Screw | 72232-G01 | #10 - 32 x 3/4" LG | 5 | |
| 9 | Fuel tank | 72092-G02 | For electric fuel gauge | 1 | |
| 10 | Bolt | 00438-G8 | 5/16 - 18 x 1" LG | 1 | |
| 11 | Washer | 00559-G8 | 5/16" | 4 | |
| 12 | Spacer bolt | 70483-G01 | 1 | ||
| 13 | Lock nut | 11098-G6 | 5/16 - 18 (Stainless steel) | 3 | |
| 15 | Fuel tank cap with gauge | 14099-G2 | 1 | ||
| 17 | Fuel pick up tube | 18287-G1 | 1 | ||
| 18 | Fuel filter | 72084-G01 | 1 | ||
| 19 | Fuel system tubing | 17470-G1 | 14" LG, 1/4" ID X 1/2" OD (Bulk) | AR | |
| 20 | Clamp | 18292-G1 | 5 | ||
| 21 | Fuel pump | 72873-G01 | 1 | ||
| 22 | Screw | 00114-G6 | 1/4 - 14 x 3/4" LG | 2 | |
| 24 | Fuel system tubing | 17470-G1 | 26" LG, 1/4" ID X 1/2" OD (Bulk) | AR | |
| 25 | Hose clamp | 11391-G4 | 1/4" | 3 | |
| 26 | Tubing | 27183-G01 | 1/4" I.D. X 1/2" O.D. (Bulk) | AR | |
| 28 | Wire tie | 17618-G1 | 1 | ||
| 29 | Vinyl trim - black | 22280-G1 | Bulk | AR | |
| 30 | Label | 26459-G01 | Unleaded gasoline only | 1 | |
| 31 | Fuel filter - carb | 12902-G1 | 1 | ||
| 32 | Fuel system tubing | 604596 | 26" LG, 1/4" ID X 1/2" OD (Bulk) | AR | |
| 33 | Tubing | 27183-G01 | 1/4" I.D. X 1/2" O.D. (Bulk) | AR | |
| 35 | Fuel system tubing | 604596 | 14" LG, 1/4" ID X 1/2" OD (Bulk) | AR | |
| 38 | Label, carb emission | 604589 | Top of timing belt cover | 1 |
Rear Axle
| Sl. No. | Part description | Part number | Notes | Quantity | Purchase |
|---|---|---|---|---|---|
| 1 | Rear axle | 74520-G01 | 13.32:1, includes items 3 - 23 | 1 | |
| 3 | Flanged bolt | 26823-G01 | M8 x 1.25 x 100MM LG | 5 | |
| 4 | Flanged bolt | 26824-G01 | M8 x 1.25 x 110 MM LG | 2 | |
| 5 | Bolt | * | M8 X 1.25 X 146 MM LG | 2 | |
| 6 | Flanged bolt | 72052-G01 | M8 x 1.25 x 130MM LG | 1 | |
| 7 | Flange nut | 72269-G01 | M8 x 1.25 MM | 12 | |
| 8 | Oil check plug | 26768-G01 | 1 | ||
| 9 | Gasket | 26769-G01 | 8 MM | 1 | |
| 10 | Oil drain plug | 26770-G01 | 1 | ||
| 11 | Gasket | 26771-G01 | 14 MM | 1 | |
| 12 | Oil filler plug | 26772-G01 | 1 | ||
| 13 | Input shaft seal | 26761-G01 | 1 | ||
| 14 | Shifter shaft seal | 26762-G01 | 1 | ||
| 15 | Axle shaft seal | 72259-G01 | 2 | ||
| 17 | Axle tube | 72249-G01 | Driver side | 1 | |
| 18 | Axle tube | 72248-G01 | Passenger side | 1 | |
| 19 | Axle shaft | 72056-G01 | Driver side | 1 | |
| 20 | Axle shaft | 72057-G01 | Passenger side | 1 | |
| 21 | Retaining ring | 26814-G01 | 4 | ||
| 22 | Ball bearing | 26811-G01 | 2 | ||
| 23 | Flanged bolt | 72260-G01 | M10 x 1.5 x 23 MM LG | 10 | |
| 26 | Axle bracket | 72017-G02 | 1 | ||
| 27 | Lock nut | 26830-G01 | M8 x 1.25 MM | 2 | |
| 28 | Spacer | 75048-G01 | 1/2" | 1 | |
| 31 | Differential scuff guard kit | 72347-G02 | Includes items 32 - 33 | 1 | |
| 32 | Differential skid plate | 72349-G02 | 1 | ||
| 33 | Flanged bolt | 26824-G01 | M8 x 1.25 x 110 MM LG | 2 |
Refresher Unit
| Sl. No. | Part description | Part number | Notes | Quantity | Purchase |
|---|---|---|---|---|---|
| 1 | Refresher unit | 74434-G01 | complete, includes items 3 - 49 | 1 | |
| 8 | Refresher unit mounting frame | 74421-G02 | Front | 1 | |
| 9 | Engine access door | 74392-G02 | 1 | ||
| 10 | Access door hinge | 33121-G01 | 1 | ||
| 11 | Screw | 00106-G6 | 12 - 24 x 3/4" LG | 4 | |
| 12 | Bolt | 00414-G5 | 1/4 - 20 x 1/2" LG | 4 | |
| 13 | Lock nut | 00891-G2 | 1/4 - 20 | 4 | |
| 14 | Rivet | 10570-G10 | 5/32: (stainless steel) | 2 | |
| 15 | Lock nut | 11098-G6 | 5/16 - 18 | 2 | |
| 16 | Refresher unit mounting frame | 71545-G01 | Rear | 1 | |
| 18 | Bolt | 00427-G8 | 3/8 - 16 x 2" LG | 4 | |
| 19 | Bolt | 00439-G8 | 5/16 - 18 x 2" LG | 2 | |
| 20 | Washer | 00559-G8 | 5/16" | 4 | |
| 21 | Lock nut | 11027-G5 | 5/16 - 18 | 4 | |
| 23 | Seat back support | 70008-G01 | Driver side | 1 | |
| 24 | Seat back support | 70008-G02 | Passenger side | 1 | |
| 25 | Side cover | 74855-G01 | 2 | ||
| 26 | Bolt | 00438-G8 | 5/16 - 18 x 1" LG | 4 | |
| 27 | Washer | 00559-G8 | 5/16" | 4 | |
| 28 | Lock nut | 11098-G6 | 5/16 - 18 | 4 | |
| 29 | Front strut | 75045-G06 | 1 | ||
| 30 | Spacer | 75048-G01 | 2 | ||
| 31 | Lock washer | 00905-G8 | 5/16" (Black) | 4 | |
| 32 | Washer | 00879-G1 | 3/8" x 1" | 6 | |
| 33 | Bolt | 01035-G02 | 5/16 - 18 x 2 1/2" LG | 4 | |
| 35 | Bolt | 16705-G6 | 1/4 - 20 x 1 1/2' LG | 2 | |
| 36 | Washer | 00559-G7 | 1/4" | 4 | |
| 37 | Lock nut | 00891-G2 | 1/4-20 | 2 | |
| 38 | Top mounting plate | 74191-G02 | 1 | ||
| 39 | Decal | 36002-G01 | Warning | 3 | |
| 40 | Decal | 35991-G01 | Warning | 1 | |
| 41 | Mirror | 74202-G01 | 6" | 2 | |
| 42 | Mirror mounting bracket | 74203-G02 | 2 | ||
| 43 | Windshield | 75021-G03 | 1 | ||
| 44 | Bolt | 16705-G6 | 1/4 - 20 x 1 3/4" LG | 4 | |
| 45 | Rubber grommet | 72147-G01 | 4 | ||
| 46 | Spacer | 23726-G7 | 4 | ||
| 47 | Washer | 00660-G7 | 1/4" | 8 | |
| 48 | Lock nut | 00891-G2 | 1/4 - 20 | 4 | |
| 49 | Bumper | 75124-G01 | 2 | ||
| 53 | Sign board | 74346-G01 | 2 | ||
| 54 | Condiment tray | 75793-G01 | 1 | ||
| 55 | Bottle caddy | 75794-G01 | 1 | ||
| 56 | Cash drawer | 75795-G01 | 1 | ||
| 57 | Mini bottle carrier | 75796-G01 | 1 | ||
| 58 | Humidor | 75797-G01 | 1 | ||
| 59 | Credit card machine mount | 75798-G01 | 1 | ||
| 60 | Food warmer | 75891-G01 | 1 | ||
| 62 | Canopy | EZRAM10064 | 1 | ||
| 63 | Self tapping screw | H1092 | 10MM X 1/2" LG | 40 | |
| 64 | Canopy frame | EZRAM10060 | Rear | 1 | |
| 65 | Canopy frame | EZRAM10061 | Front | 1 | |
| 66 | Bolt | H1075 | 1/4 - 20 x 2" | 7 | |
| 67 | Bolt | H1077 | 1/4 - 20 x 1 1/4' LG | 2 | |
| 68 | Washer | H1079 | 1/4" | 18 | |
| 69 | Lock nut | H1078 | 1/4 - 20 | 9 | |
| 71 | Bolt | H1083 | 5/16 - 18 x 1 1/4' LG | 4 | |
| 72 | Washer | H1019 | 5/16" | 8 | |
| 73 | Lock nut | H1017 | 5/16 - 18 | 4 | |
| 75 | Cold storage door | EZRAM10033 | Front | 1 | |
| 76 | Cold storage door | EZRAM10037 | Rear | 1 | |
| 77 | Consumable ice door | EZRAM10041 | 1 | ||
| 78 | Canopy upright | EZRAM10022 | 1 | ||
| 79 | Hose mounting bracket | EZRAM10069 | 1 | ||
| 80 | Compression hinge | H4007 | 1 | ||
| 81 | Trash door hinge | EZRAM10075 | 1 | ||
| 82 | Trash bin | B6001 | 1 | ||
| 83 | Trash door latch | H4008 | 1 | ||
| 84 | Trash door compartment | EZRAM10045 | 1 | ||
| 85 | Door seal gasket | M6003 | 1 | ||
| 86 | Lock | H2006 | Cold storage door | 1 | |
| 88 | Hose mounting bracket | EZRAM10069 | 2 | ||
| 89 | Spigot valve | H5012 | 2 | ||
| 90 | Drain hose | H5000 | 36" LG | 1 | |
| 91 | Hose adapter | H5007 | 3/4" x 1/2" | 2 | |
| 92 | Combination elbow | H5006 | 3 | ||
| 93 | Combination tee | H5005 | 1 | ||
| 94 | Hose clamp | H1070 | 1 | ||
| 96 | Touch up paint repair kit | B10000 | 1 | ||
| 97 | Door accessory module | EZRAM100010 | Left | 1 | |
| 98 | Door accessory module | EZRAM100012 | Right | 1 | |
| 99 | Locking latch | H4009 | 1 | ||
| 100 | Cup dispenser | B9001 | 1 | ||
| 101 | Cup dispensor cover ring | B9002 | 1 | ||
| 102 | Cup dispensor cover spring | B9003 | 1 | ||
| 103 | Airport | B6011 | 3.75 liter (Stainless steel) | 1 | |
| 104 | Airport track assembly | EZRAM100020 | 1 | ||
| 105 | Door hinge | H600 | Stainless steel | 1 | |
| 106 | Cushioning adhesive tape | M1002 | 1 |
Rear Suspension
| Sl. NO. | Part description | Part number | Notes | Quantity | Purchase |
|---|---|---|---|---|---|
| 2 | U' bolt | 72618-G01 | 3/8 - 16 | 4 | |
| 3 | Washer | 00560-G1 | 3/8" | 8 | |
| 4 | Lock nut | 11098-G5 | 3/8 - 16 | 8 | |
| 5 | Leaf spring | 74345-G03 | 2 | ||
| 6 | Flanged bushing | 70291-G01 | 12 | ||
| 7 | Shoulder bolt | 14158-G1 | 3/8 - 16 x 3 1/4' LG | 2 | |
| 8 | Lock nut | 12262-G1 | 3/8 - 16 | 2 | |
| 10 | Vinyl cap | 10044-G01 | 4 | ||
| 11 | Spacer | 70289-G02 | 4 | ||
| 12 | Bolt | 00665-G9 | 3/8 - 16 x 3 1/2" LG | 4 | |
| 13 | Shackle plate | 70290-G02 | 4 | ||
| 14 | Lock nut | 11098-G5 | 3/8 - 16 | 4 | |
| 16 | Shock absorber | 70248-G01 | 2 | ||
| 17 | Washer | 10435-G1 | Shock absorber | 8 | |
| 18 | Rubber bushing | 10194-G1 | 8 | ||
| 19 | Nut | 00532-G6 | 3/8 - 24 | 4 | |
| 21 | Rubber bumper | 70492-G01 | 2 | ||
| 22 | Lock washer | 00968-G01 | 10 MM | 2 | |
| 23 | Nut | 00974-G01 | M10 x 1.5 | 2 |
Seating
| Sl. No. | Part description | Part number | Notes | Quantity | Purchase |
|---|---|---|---|---|---|
| 1 | Seat back support | 71446-G02 | 1 | ||
| 2 | Bolt | 00715-G2 | 5/16 - 18 x 13/16" LG | 1 | |
| 3 | Bolt | 00438-G8 | 5/16 - 18 x 1' LG | 4 | |
| 4 | Washer | 00642-G8 | 5/16" | 4 | |
| 5 | Lock nut | 11098-G6 | 5/16 - 18 | 4 | |
| 6 | Hinge | 33121-G01 | 1 | ||
| 7 | Access cover | 71558-G02 | 1 | ||
| 8 | Bolt | 00414-G5 | 1/4 -20 x 1/2" LG | 8 | |
| 9 | Noise suppressor | 14382-G7 | 2 | ||
| 10 | Seat back support bracket | 75900-G02 | 2 | ||
| 11 | Bolt | 01006-G01 | 3/8 - 16 x 1 1/4" LG | 4 | |
| 12 | Washer | 00560-G1 | 3/8" | 4 | |
| 13 | Lock nut | 11098-G5 | 3/8 - 16 | 4 | |
| 14 | Lock nut | 14390-G4 | 1/4 - 20 | 8 | |
| 15 | Seat back assembly | 71274-G** | includes items 16, 17 | 1 | |
| 16 | Vinyl seat back cover | 18144-G** | 1 | ||
| 17 | Plastic seat back cover | 74889-G01 | Black | 1 | |
| 18 | Bed bumper bracket | 74947-G01 | 2 | ||
| 19 | Screw | 16705-G1 | 1/4 - 20 x 1" LG | 4 | |
| 20 | Lock washer | 00664-G7 | 1/4" | 4 | |
| 21 | Washer | 01110-G01 | 1/4" | 4 | |
| 23 | Seat bottom assembly | 71611-G** | includes items 24 - 32 | 1 | |
| 24 | Vinyl seat bottom cover | 71602-G** | 1 | ||
| 25 | Vinyl trim | 71012-G01 | Seat bottom | 1 | |
| 27 | Seat hinge | 71610-G01 | 2 | ||
| 28 | Screw | 00720-G08 | #12 - 14 x 1" LG | 6 | |
| 30 | Hip restraint | 71701-G01 | Passenger side | 1 | |
| 31 | Hip restraint | 71702-G01 | Driver side | 1 | |
| 32 | Bolt | 71204-G01 | 1/4 - 20 x 7/8" LG | 8 | |
| 34 | Bumper | 17074-G1 | 2 |
Starter – Generator
| Sl. NO. | Part description | Part number | Notes | Quantity | Purchase |
|---|---|---|---|---|---|
| 1 | Starter / generator | 27065-G01 | includes items 2 - 43 | 1 | |
| 2 | Armature | 26870-G01 | Includes items 3 - 5 | 1 | |
| 3 | Rear ball bearing | 26871-G01 | 1 | ||
| 4 | Front ball bearing | 26872-G01 | 1 | ||
| 5 | Bearing holder | 26873-G01 | 1 | ||
| 8 | Field coil | 26875-G01 | 1 | ||
| 9 | Insulating brush assembly | 26876-G01 | ('F'), includes items 10 - 13 | 2 | |
| 10 | Nut | * | 2 | ||
| 11 | Lock washer | * | 2 | ||
| 12 | Washer | * | 2 | ||
| 13 | Insulator | * | 1 | ||
| 14 | Pole core setscrew | 26877-G01 | 4 | ||
| 15 | Front cover | 26878-G01 | 1 | ||
| 16 | Rear cover | 27879-G01 | 1 | ||
| 17 | Terminal assembly | 26880-G01 | ('A'), includes items 18 - 23 | 2 | |
| 18 | Terminal | * | 2 | ||
| 19 | Insulator | * | 2 | ||
| 20 | Insulator | * | 2 | ||
| 21 | Washer | * | 4 | ||
| 22 | Lock washer | * | 4 | ||
| 23 | Nut | * | 4 | ||
| 25 | Brush holder assembly | 26881-G01 | Includes items 26 - 28 | 1 | |
| 26 | Brush | 26658-G01 | 4 | ||
| 27 | Brush spring | 26882-G01 | 4 | ||
| 28 | Brush connector | 26883-G01 | 2 | ||
| 30 | Key | 26884-G01 | 1 | ||
| 31 | Pulley | 26885-G01 | 1 | ||
| 32 | Brush and pulley hardware kit | 26886-G01 | includes items 33 - 37 | 1 | |
| 33 | Nut | * | 1 | ||
| 34 | Lock washer | * | 1 | ||
| 35 | Screw | * | 3 | ||
| 36 | Screw | * | 4 | ||
| 37 | Screw | * | 2 | ||
| 38 | Brush 1 cover | 26887-G01 | 3 | ||
| 39 | Brush 2 cover | 26888-G01 | 2 | ||
| 40 | Housing hardware kit | 26889-G01 | includes items 41 - 43 | 2 | |
| 41 | Bolt | * | 2 | ||
| 42 | Lock washer | * | 2 | ||
| 43 | Washer | * | 2 | ||
| 47 | Bolt | 00938-G4 | 1/2 - 13 x 8" LG | 1 | |
| 48 | Washer | 00560-G3 | 1/2" | 2 | |
| 49 | Lock washer | 00566-G3 | 1/2" | 1 | |
| 50 | Nut | 00533-G1 | 1/2 - 13 | 1 | |
| 52 | Starter / generator adjuster | 28617-G01 | 1 | ||
| 53 | Jam nut | 00544-G5 | 3/8 -16 | 1 | |
| 54 | Nut | 00532-G5 | 3/8 - 16 | 1 | |
| 55 | Washer | 00560-G1 | 3/8" | 1 | |
| 56 | Push nut | 12064-G4 | 5/16" | 1 | |
| 58 | Starter / generator belt | 26414-G01 | 1 |
Truck Bed, Plastic
| Sl. No. | Part description | Part number | Notes | Quantity | Purchase |
|---|---|---|---|---|---|
| 1 | Bed assembly | 73451-G01 | 40", includes items 2 -11 | 1 | |
| 2 | Plastic bed | 73447-G01 | 40" | 1 | |
| 3 | Pivot shaft | 73454-G01 | 2 | ||
| 4 | Shoulder bolt | 73460-G01 | 1/4 - 20 x 3/4" LG | 2 | |
| 5 | Tailgate | 73448-G01 | 1 | ||
| 6 | Bowed angle | 73450-G01 | 1 | ||
| 7 | Screw | 16705-G2 | 1/4 - 20 x 5/8" LG (Stainless steel) | 4 | |
| 8 | Extrusion channel | 73449-G01 | 1 | ||
| 9 | Tailgate cable | 73455-G01 | 1 | ||
| 11 | Screw | 00415-G2 | 1/4 - 20 x 5/8" LG (Stainless steel) | 2 | |
| 14 | Adjustable rubber bumper | 70113-G01 | 2 | ||
| 15 | Lock nut | 11027-G1 | 5/16 - 18 | 2 | |
| 18 | Bed latch | 74962-G01 | 1 | ||
| 19 | Latch torsion spring | 71538-G01 | 1 | ||
| 20 | Keeper plate | 71099-G02 | 2 | ||
| 21 | Retainer bracket | 71477-G02 | 1 | ||
| 22 | Screw | 01118-G01 | 1/4 - 20 x 5/8" LG | 4 | |
| 24 | Handle grip | 71704-G01 | 2 | ||
| 27 | Bushing | 71570-G01 | 2 | ||
| 28 | Clevis pin | 71571-G01 | 2 | ||
| 29 | Washer | 00571-G5 | 1/2" | 2 | |
| 30 | Cotter pin | 21683-G1 | 2 | ||
| 31 | Bushing | 70291-G01 | 4 | ||
| 32 | Spring channel | 71569-G02 | 1 | ||
| 33 | Screw | 01118-G01 | 1/4 - 20 x 5/8" LG | 8 | |
| 35 | Washer | 00642-G7 | 1/4" | 8 | |
| 37 | Gas spring | 71537-G02 | 2 | ||
| 38 | Clevis pin | 14443-G10 | 1/2" x 2 27/32" LG | 1 | |
| 39 | Clevis pin | 14443-G11 | 1/2" x 1 3/4" LG | 1 | |
| 40 | Cotter pin | 21683-G1 | 2 | ||
| 43 | Outrigger channel | 71547-G02 | 1 | ||
| 44 | Electric actuator | 27612-G02 | 12 Volt, 1500 LBS | 1 | |
| 46 | Plastic bed heat shield | 72339-G02 | Gasoline vehicle only | 1 | |
| 47 | Washer | 00642-G7 | 1/4" | 2 | |
| 48 | Screw | 01118-G01 | 1/4-20 x 5/8" | 2 | |
| 63 | Jacobsen plate | 600110 | 1 | ||
| 64 | Cushman plate | 600108-G01 | 1 | ||
| 65 | Ratchet fastener | 16816-G2 | 4 | ||
| 67 | Load bed decal | 74821-G01 | 1 | ||
| 68 | Rivet | 71055-G01 | 5 |
Weather Protection
| Sl. No. | Part description | Part number | Notes | Quantity | Purchase |
|---|---|---|---|---|---|
| 1 | Sun top kit | 75040-G** | includes items 2 - 19 | 1 | |
| 2 | Sun top | 27069-G01 | 1 | ||
| 3 | Front strut | 75045-G05 | 1 | ||
| 4 | Bolt | 00440-G2 | 5/16 - 18 x 2 1/4" LG | 4 | |
| 5 | Lock washer | 00905-G8 | 5/16" | 4 | |
| 6 | Spacer | 75048-G01 | 1/2" | 2 | |
| 7 | Washer | 00570-G2 | 5/16" | 6 | |
| 8 | Rear strut | 75838-G04 | Passenger side | 1 | |
| 9 | Rear strut | 75838-G03 | Driver side | 1 | |
| 10 | Bolt | 00685-G7 | 5/16 - 18 x 1 3/4" LG | 4 | |
| 11 | Washer | 01110-G03 | 5/16" | 8 | |
| 13 | Lock nut | 11098-G6 | 5/16 - 18 | 4 | |
| 14 | Screw | 00753-G5 | 1/4-20 x 2" LG (Stainless steel) | 2 | |
| 15 | Screw | 00753-G6 | 1/4-20 x 2 1/4" LG (Stainless steel) | 2 | |
| 16 | Washer | 01110-G01 | 1/4" (Stainless steel) | 8 | |
| 17 | Spacer | 75051-G01 | 4 | ||
| 18 | Lock nut | 00891-G2 | 1/4 - 20 | 4 | |
| 19 | End cap | 19853-G1 | 1" | 2 | |
| 21 | Rear view mirror kit | 19528-G2 | Requires sun top, includes items 22 - 24 | 1 | |
| 22 | Rear view mirror | 19496-G1 | 1 | ||
| 23 | Support bracket | 19502-G2 | 1 | ||
| 24 | Screw | 19527-G1 | #8 - 32 x 5/8" LG (Stainless steel) | 1 | |
| 26 | 3-sided soft enclosure | 75367-G** | Requires sun top, incl. items 27 - 28 | 1 | |
| 27 | Enclosure | * | 1 | ||
| 28 | Velcro | * | AR | ||
| 31 | Windshield kit | 71966-G01 | Full, includes items 32 - 38 | 1 | |
| 32 | Windshield | 71954-G01 | Full, lexan | 1 | |
| 33 | Sash | EGWHC12 | 26" LG | 2 | |
| 34 | Bolt | EGWHS12 | 1/4 - 20 x 1 3/4" LG (Stainless steel) | 2 | |
| 35 | Washer | EGWHG12 | 1/4" (stainless steel) | 4 | |
| 36 | Rubber grommet | EGWHG13 | 2 | ||
| 37 | Lock nut | EGWHN12 | 1/4 - 20 (Stainless steel) | 2 | |
| 38 | Safety label | 71963-G01 | 1 | ||
| 44 | Windshield kit | 71966-G03 | Full, includes items 45, 33 - 37 | 1 | |
| 45 | Windshield | 71960-G01 | Full | 1 | |
| 47 | Windshield kit | 71966-G04 | Split, includes items 48, 49, 34 - 37 | 1 | |
| 48 | Windshield | 71961-G01 | Split | 1 | |
| 49 | Sash | EGWHC10 | 12" LG | 2 | |
| 54 | Windshield kit | 71966-G02 | Split, includes items 55, 56, 34-37 | 1 | |
| 55 | Windshield | 71955-G01 | Split, lexan | 1 | |
| 56 | Sash | EGWHC10 | 12" LG | 2 |
Wheels and Tires
| Sl. No. | Part description | Part number | Notes | Quantity | Purchase |
|---|---|---|---|---|---|
| 1 | Tire and wheel assembly | 28757-G01 | Links 18 x 8.5 - 8, includes items 2, 19, 20 | 1 | |
| 2 | Tire | 28764-G01 | Links 18 x 8.5 - 8 | 1 | |
| 4 | Wheel and tire assembly | 28757-G03 | Turf saver 18 x 8.5 - 8, includes items 5, 19, 20 | 1 | |
| 5 | Tire | 28764-G03 | Turf saver 18 x 8.5 - 8 | 1 | |
| 7 | Wheel and tire assembly | 28842-G01 | USA trail 18 x 8.5 - 8, includes items 8, 19, 20 | 1 | |
| 8 | Carlisle tire | 28764-G08 | 18 x 8.5 - 8 load range c | 1 | |
| 13 | Wheel and tire assembly | 27784-G06 | USA trail, includes items 14, 15, 16 | 1 | |
| 14 | Carlisle tire | 27784-G07 | USA trail 5.70 x 8 | 1 | |
| 15 | Wheel rim | 33678-G02 | 4 lug | 1 | |
| 16 | Valve stem | 26482-G01 | 1 | ||
| 19 | Wheel rim | 28759-G01 | 4 lug | 1 | |
| 20 | Valve stem | 11657-G2 | 1 | ||
| 23 | Gold spoke hubcap | 19241-G* | Optional | A/R | |
| 24 | Silver spoke hubcap | 19241-G* | Optional | A/R |
Specialty Products
| Sl. No. | Part description | Part number | Notes | Quantity | Purchase |
|---|---|---|---|---|---|
| 1 | High Resistance spark plug wire set | 26733-G02 | |||
| 2 | Clutch puller | 19779-G2 | Drive | ||
| 3 | Flywheel puller | 27111-G01 | |||
| 4 | Current indicator | 16489-G2 | |||
| 5 | Digital multi meter | 27481-G01 | |||
| 6 | Slide hammer | 15947-G1 | Axle/Hub removal | ||
| 7 | Slide hammer | 18753-G1 | Axle removal only | ||
| 8 | Compression tester | 72524-G01 | |||
| 9 | Feeler gauge | 72525-G01 | |||
| 10 | Tachometer | 72526-G01 | |||
| 11 | 4 cycle engine oil | 25730-G03 | 5 Gallon | 19 Liter | |
| 12 | 4 cycle engine oil | 25730-G04 | 12 Quart case | ||
| 13 | 4 cycle engine oil | 25730-G06 | 1 quart bottle | 950 ml | |
| 14 | Pen 3 ounce - Hunter green | 28432-G02 | 89 ml | ||
| 15 | Pen 3 ounce - Champagne beige | 28432-G01 | 89ml | ||
| 16 | Pen 3 ounce - White | 28432-G05 | 89ml | ||
| 17 | Pen 3 ounce - Industrial yellow | 28432-G03 | 89 ml | ||
| 18 | Pen 3 ounce - Orange | 28432-G04 | 89ml | ||
| 19 | Pen 3 ounce - Steel blue pearl | 28432-G24 | 89ml | ||
| 20 | Pen 3 ounce - Olive green | 28432-G** | 89 ml | ||
| 21 | Pen 3 ounce - Camouflage paint | 75831-G01 | Three pens | 89ml | |
| 22 | Aerosol 12 ounce - Hunter green | 28140-G09 | 360 ml | ||
| 23 | Aerosol 12 ounce - Champagne beige | 28140-G15 | 360 ml | ||
| 24 | Aerosol 12 ounce - White | 28140-G03 | 360 ml | ||
| 25 | Aerosol 12 ounce - Industrial yellow | 28140-G14 | 360 ml | ||
| 26 | Aerosol 12 ounce - Orange | 28140-G13 | 360 ml | ||
| 27 | Aerosol 12 ounce - Steel blue pearl | 28140-G** | 360 ml | ||
| 28 | Aerosol 12 ounce - Olive green | 28140-G** | 360 ml | ||
| 29 | Formula 40 vinyl coat - white | 28166-G01 | |||
| 30 | Plexus cleaner | 28433-G01 | 7 ounce, For windshield | 210 ml | |
| 31 | Plexus cleaner | 28433-G02 | 13 ounce, For windshield | 380 ml | |
| 32 | Battery protector | 75500-G01 | 14 ounce Spray | 410 ml | |
| 33 | Carburetor & choke cleaner | 75501-G01 | 15 ounce Spray | 440 ml | |
| 34 | White lithium grease | 75502-G01 | 14 ounce Spray | 410 ml | |
| 35 | Penetrant/Lubricant | 75503-G01 | 15 ounce Spray | 440 ml | |
| 36 | Multi-purpose cleaner & degreaser | 75504-G01 | 14 ounce Spray | 410 ml | |
| 37 | Multi-purpose hand cleaner | 75505-G01 | 32 ounce liquid | 950 ml | |
| 38 | Battery cleaner | 75506-G01 | 32 ounce with trigger sprayer | 950 ml | |
| 39 | Bio-degradeable cleaner | 75507-G01 | 32 ounce with trigger sprayer | 950 ml | |
| 40 | Multi purpose value pack | 75508-G01 | |||
| Battery Protector | 4 ounce Spray | 120 ml | |||
| Penetrant/Lubricant | 4 ounce Spray | 120 ml | |||
| White lithium grease | 4 ounce Spray | 120 ml | |||
| Carburetor & choke cleaner | 4 ounce Spray | 120 ml |














































