PDS Freedom, Year 2002
Accelerator
| Sl. NO. | Part description | Part number | Notes | Quantity | Purchase |
|---|---|---|---|---|---|
| 1 | Pedal box assembly | 73333-G01 | Includes items 3-9, 21, 23, 26-43 | 1 | |
| 2 | Pedal box assembly | 73333-G05 | PDS model only, includes items 3-17, 20, 21, 24-43 | 1 | |
| 3 | Pedal box and cover | 25853-G01 | Seal and bearing | 1 | |
| 4 | Inductive throttle sensor | 25854-G01 | 1 | ||
| 5 | Self threading nut | 00983-G01 | 3/16" | 2 | |
| 7 | Plunger sleeve | 25857-G01 | 1 | ||
| 8 | Plunger | 28443-G01 | 1 | ||
| 9 | Plunger cam | 28444-G01 | 1 | ||
| 11 | Accelerator rod | 73332-G01 | 1 | ||
| 12 | Lock nut | 00532-G4 | 5/16 - 24 | 1 | |
| 13 | Yoke | 10385-G4 | Adjustable | 1 | |
| 14 | Spring retainer | 17677-G2 | 3/8" | 1 | |
| 15 | Compression spring | 73046-G01 | 1 | ||
| 16 | Accelerator rod bushing | 17979-G1 | 1 | ||
| 17 | Spring retainer | 17677-G1 | 1/2" | 1 | |
| 19 | Micro switch | 25861-G01 | 1 | ||
| 20 | Micro switch | 25861-G02 | PDS model only | 1 | |
| 21 | Screw | 00982-G01 | #4 - 14 x 5/8" LG | 2 | |
| 23 | Wiring harness | 25879-G03 | Pedal box assembly | 1 | |
| 24 | Wiring harness | 25879-G05 | Pedal box assembly, pds model only | 1 | |
| 26 | Screw | 00684-G6 | #8 - 32 x 3/4" LG | 4 | |
| 28 | Accelerator pedal bracket | 70116-G01 | 1 | ||
| 29 | Screw | 01051-G01 | #8 - 16 x 1/2" LG | 4 | |
| 31 | Accelerator pedal assembly | 25799-G01 | includes items 32 - 35 | 1 | |
| 32 | Accelerator pedal | * | 1 | ||
| 33 | Accelerator pedal pad kit | 27844-G01 | includes items 34, 35 | 1 | |
| 34 | Accelerator pedal pad | 27512-G01 | 1 | ||
| 35 | Oval rivet | 15766-G1 | 3/8" x 3/8" LG | 6 | |
| 37 | Bushing | 17838-G1 | 3 | ||
| 38 | Pedal pivot pin | 74432-G01 | 1 | ||
| 39 | Pushnut | 12064-G6 | 9/32" I.D. | 1 | |
| 41 | Clevis pin | 10386-G3 | 5/16" x 1" LG | 1 | |
| 42 | Teflon washer | 17255-G1 | 5/16" | 1 | |
| 43 | Cotter pin | 10387-G3 | 3/32" x 3/4" LG | 1 | |
| 45 | Bolt | 00715-G2 | 5/16 - 18 x 13/16" LG | 4 | |
| 46 | Pedal pivot cover | 70135-G01 | 1 |
Battery Charger – Portable
| Sl. No. | Part description | Part number | Notes | Quantity | Purchase |
|---|---|---|---|---|---|
| 1 | Powerwise charger | 28115-G01 | 10' cord, includes items 3-63 | 1 | |
| 2 | Powerwise + charger | 28115-G02 | Portable, 10' cord, includes items 3-13, 18-63, 70-76 | 1 | |
| 3 | Chassis | * | 1 | ||
| 4 | Screw | 00513-G6 | #8 - 18 x 1 3/4" LG | 2 | |
| 5 | Washer | 00559-G4 | #8 | 2 | |
| 6 | Expansion nut | 11572-G3 | 2 | ||
| 7 | Heat sink | 28104-G01 | 1 | ||
| 8 | Screw | 00372-G4 | #8 - 32 x 1/2" LG | 4 | |
| 9 | Washer | 00559-G4 | #8 | 4 | |
| 10 | Lock washer | 00565-G4 | #8 | 4 | |
| 11 | Nut | 00526-G1 | #8 - 32 | 4 | |
| 12 | Diode | 28548-G01 | 1 | ||
| 13 | Electrical clip | 28110-G01 | 1 | ||
| 15 | Label | * | Powerwise | 1 | |
| 16 | Control / power input board | 28667-G01 | 1 | ||
| 18 | Cover | * | 1 | ||
| 19 | Handle | 28102-G01 | 1 | ||
| 20 | Screw | 00614-G4 | #8 - 18 x 1/2" LG | 6 | |
| 21 | Label | 28136-G01 | Ventilation | 1 | |
| 22 | Label | 28136-G02 | Cord condition | 1 | |
| 24 | Capacitor bracket | 26979-G01 | 1 | ||
| 25 | Capacitor | 28109-G01 | 1 | ||
| 26 | Screw | 00969-G01 | #8 - 32 x 3/8" LG | 3 | |
| 27 | Bolt | 00414-G5 | 1/4 - 20 x 5/8" LG | 3 | |
| 28 | Lock nut | 11027-G2 | 1/4 - 20 | 3 | |
| 29 | AC cord | 19388-G4 | 1 | ||
| 30 | Strain relief | 13557-G2 | AC | 1 | |
| 31 | Strain relief | 13557-G3 | DC | 1 | |
| 33 | DC cord and handle assembly | 73345-G01 | includes items 34 - 43 | 1 | |
| 34 | Plug | 73051-G11 | Top half | 1 | |
| 35 | Plug | 73051-G12 | Bottom half | 1 | |
| 36 | Auxilary contact | 73051-G27 | 1 | ||
| 37 | Male pin | 73051-G14 | 2 | ||
| 38 | Brass screw | 73051-G08 | #10 - 32 x 1/2" LG | 2 | |
| 39 | Magnet | 73051-G15 | 1 | ||
| 40 | Screw | 73051-G16 | #6 - 32 x 1/2" LG (Stainless steel) | 2 | |
| 41 | Lock nut | 73051-G10 | #6 - 32 | 4 | |
| 42 | Screw | 73051-G17 | #6 - 32 x 1" LG | 2 | |
| 43 | DC cord | 73344-G01 | 10' LG | 1 | |
| 45 | Ammeter | 28105-G01 | 1 | ||
| 46 | Screw | 01051-G01 | #8 - 15 x 1/2" LG | 2 | |
| 47 | Washer | 00559-G4 | #8 | 2 | |
| 48 | Brass washer | 01003-G01 | #10 | 4 | |
| 49 | Shoulder washer | 22589-G2 | #1 | 1 | |
| 50 | Nylon washer | 00771-G6 | #10 | 1 | |
| 51 | Nut | 00528-G4 | #10 - 32 | 3 | |
| 52 | 50 AMP fuse | 28106-G01 | 1 | ||
| 53 | Lock washer | 00565-G5 | #10 | 4 | |
| 54 | Screw | 00378-G4 | #10 - 24 x 1/2' LG | 2 | |
| 55 | Nut | 00526-G3 | #10 - 24 | 2 | |
| 56 | Transformer | 28103-G01 | 1 | ||
| 57 | Spacer support | 27877-G01 | 4 | ||
| 58 | Wire tie | 17618-G1 | 2 | ||
| 60 | Screw | 00372-G3 | #8 - 32 x 3/8" LG | 1 | |
| 61 | 16 GA wire | 25977-G32 | Green 4" | 1 | |
| 62 | Lock washer | 00565-G4 | #8 | 1 | |
| 63 | Nut | 00526-G1 | #8 - 32 | 1 | |
| 65 | Powerwise charger | 28115-G07 | Portable, 18' cord, includes items 3-31, 45-63, 66, 67 | 1 | |
| 66 | DC cord and handle assembly | 73345-G03 | includes items 34-42, 67 | 1 | |
| 67 | DC cord | 73344-G03 | 18" LG | 1 | |
| 69 | Powerwise + charger | 28115-G08 | Portable, 18' cord, includes items 3-13, 18-31, 45-63, 66, 67, 70-76 | 1 | |
| 70 | Label | * | Powerwise | 1 | |
| 71 | Control board | 28667-G02 | 1 | ||
| 72 | Power input board | 28667-G03 | 1 | ||
| 74 | Screw | 01995-G01 | #6 - 19 x 5/16" LG | 3 | |
| 75 | Washer | 00559-G3 | #6 | 3 | |
| 76 | Support spacer | 28111-G01 | 3 |
Battery Charger – On Board
| Sl. No. | Part description | Part number | Notes | Quantity | Purchase |
|---|---|---|---|---|---|
| 1 | Powerwise charger | 28115-G11 | On board, includes items 2-74 | 1 | |
| 2 | Label | * | Powerwise | 1 | |
| 3 | Chassis | * | 1 | ||
| 4 | Screw | 00513-G6 | #8 - 18 x 1 3/4" LG | 2 | |
| 5 | Washer | 00559-G4 | #8 | 2 | |
| 6 | Expansion nut | 11572-G3 | 2 | ||
| 7 | Heat sink | 28104-G01 | 1 | ||
| 8 | Screw | 00372-G4 | #8 - 32 x 1/2" LG | 4 | |
| 9 | Washer | 00559-G4 | #8 | 6 | |
| 10 | Lock washer | 00565-G4 | #8 | 4 | |
| 11 | Nut | 00526-G1 | #8 - 32 | 4 | |
| 12 | Diode | 28548-G01 | 1 | ||
| 13 | Electrical clip | 28110-G01 | 1 | ||
| 15 | Control / power input board | 28667-G01 | 1 | ||
| 16 | Spacer support | 27877-G01 | 4 | ||
| 18 | Cover | * | 1 | ||
| 19 | Handle | 28102-G01 | 1 | ||
| 20 | Screw | 00614-G4 | #8 - 18 x 1/2" LG | 4 | |
| 21 | Label | 28136-G01 | Ventilation | 1 | |
| 22 | Label | 28136-G02 | Cord condition | 1 | |
| 24 | Capacitor brcket | 26979-G01 | 1 | ||
| 25 | Capacitor | 28109-G01 | 1 | ||
| 26 | Screw | 00969-G01 | #8 - 32 x 3/8" LG | 3 | |
| 27 | Bolt | 00414-G5 | 1/4 - 20 x 5/8" LG | 3 | |
| 28 | Lock nut | 11027-G2 | 1/4 - 20 | 3 | |
| 29 | AC cord | 19388-G4 | 1 | ||
| 30 | Strain releif | 13557-G2 | AC | 1 | |
| 31 | Strain releif | 13557-G3 | DC | 1 | |
| 33 | DC cord assembly | 73344-G06 | includes items 34 - 38 | 1 | |
| 34 | DC cord | 28108-G01 | 1 | ||
| 35 | Ring terminal | 11343-G3 | 3/16" | 2 | |
| 36 | Ring terminal | 11343-G1 | 5/16" | 2 | |
| 37 | Female terminal | 17064-G1 | 2 | ||
| 38 | Heat shrink tubing | 22476-G1 | A/R | ||
| 40 | Isolation mount | 22209-G2 | 4 | ||
| 41 | Washer | 00559-G7 | 1/4" | 4 | |
| 42 | Lock washer | 00565-G7 | 1/4" | 4 | |
| 43 | Nut | 00532-G1 | 1/4 - 20 | 4 | |
| 45 | Ammeter | 28105-G01 | 1 | ||
| 46 | Screw | 01051-G01 | #8 - 15 x 1/2" LG | 2 | |
| 47 | Washer | 00559-G4 | #8 | 2 | |
| 48 | Brass washer | 01003-G01 | #10 | 4 | |
| 49 | Shoulder washer | 22589-G2 | #10 | 1 | |
| 50 | Nylon washer | 00771-G6 | #10 | 1 | |
| 51 | Nut | 00528-G4 | #10 - 32 | 3 | |
| 52 | 50 AMP fuse | 28106-G01 | 1 | ||
| 53 | Screw | 00378-G4 | #10 - 24 x 1/2" LG | 2 | |
| 54 | Lock washer | 00565-G5 | #10 | 4 | |
| 55 | Nut | 00526-G3 | #10 - 24 | 2 | |
| 56 | Transformer | 28103-G01 | 1 | ||
| 58 | Screw | 00372-G3 | #8 - 32 x 3/8" LG | 1 | |
| 59 | 16 GA wire | 25977-G32 | Green 4" | 1 | |
| 60 | Lock washer | 00565-G4 | #8 | 1 | |
| 61 | Nut | 00526-G1 | #8 - 32 | 1 | |
| 63 | Relay | 21971-G4 | 1 | ||
| 64 | Screw | 00138-G4 | #6 - 32 x 1/2" LG | 2 | |
| 65 | Lock nut | 14390-G9 | #6 - 32 | 2 | |
| 67 | 16 GA wire | 25977-G38 | Black 4" | 1 | |
| 68 | 16 GA wire | 25977-G37 | White 5" | 1 | |
| 69 | 18 GA wire | 25978-G161 | Blue 6" | 1 | |
| 70 | 18 GA wire | 25978-G162 | Yellow 6" | 1 | |
| 71 | 18 GA wire | 25978-G163 | Black 7" | 1 | |
| 72 | Adapter tab | 17902-G1 | 1 | ||
| 73 | Adapter terminal | 28305-G01 | 1/4" x 3/16" | 1 | |
| 74 | Adapter terminal | 27285-G01 | 1/4" (1 female, 3male) | 1 | |
| 76 | Shield | 71968-G01 | 1 | ||
| 77 | Screw | 00106-G6 | #12 - 24 x 3/4" LG | 2 | |
| 79 | Lock nut | 11027-G1 | 5/16 - 18 | 2 | |
| 81 | Cord reel | 73368-G01 | 1 | ||
| 82 | Bolt | 00438-G6 | 5/16 - 18 x 3/4" LG | 2 | |
| 83 | Lock nut | 11027-G1 | 5/16 - 18 | 2 | |
| 85 | Cover plate | 73173-G01 | 1 | ||
| 86 | Rivet | 14601-G10 | 5/32" x 7/16" LG | 4 |
Battery Charger – Lester
| Sl. No. | Part description | Part number | Notes | Quantity | Purchase |
|---|---|---|---|---|---|
| 1 | Battery charger, lester, 36 volt, portable with powerwise connector, CE approved | 28516-G01 | Optional | ||
| 2 | Battery charger, lester, 36 volt, portable with powerwise connector, switchable input | 28380-G02 | Optional |
Body
| Sl. No. | Part description | Part number | Notes | Quantity | Purchase |
|---|---|---|---|---|---|
| 1 | Instrument panel assembly | 71151-G01 | includes items 2-5 | 1 | |
| 2 | Ball deflector | 71153-G01 | Passenger side | 1 | |
| 3 | Ball deflector | 71154-G01 | Driver side | 1 | |
| 4 | Screw | 00614-G5 | #8 - 18 x 5/8" LG | 6 | |
| 5 | Instrument panel insert | 71158-G01 | 4 cup holder | 1 | |
| 6 | Label | 27647-G01 | Safety | 1 | |
| 9 | Splash panel | 71413-G01 | 1 | ||
| 10 | Ratchet fastener | 16816-G2 | 1/4" x 3/4" LG | 4 | |
| 11 | Ratchet fastener | 16816-G2 | 1/4" x 3/4" LG | 1 | |
| 14 | Vinyl trim | 71115-G01 | 2 | ||
| 15 | Rivet | 71055-G01 | 3/16" x 3/8" LG | 10 | |
| 17 | Bolt | 01038-G01 | 1/4 - 20 x 1/2" LG | 4 | |
| 18 | Washer | 16469-G1 | 1/4" | 2 | |
| 19 | Rivet, KTR | 01057-G01 | 1/4" x 1" LG | 2 | |
| 20 | Front shield | 27166-G02 | 1 | ||
| 21 | Front shield brace | 70725-G01 | 2 | ||
| 22 | Upper floorpan | 70662-G01 | 1 | ||
| 24 | Lower floorpan | 70451-G01 | 1 | ||
| 25 | Access cover | 70452-G01 | 1 | ||
| 26 | Rivet | 14601-G11 | 3/16" x 9/16" LG | 16 | |
| 27 | Floormat | 70663-G01 | 1 | ||
| 28 | Floormat with horn hole | 70663-G02 | 1 | ||
| 31 | Cowl | 71051-G** | 1 | ||
| 32 | Rivet | 71055-G01 | 3/16" x 3/8" LG | 9 | |
| 33 | Rivet | 10570-G11 | 3/16" x 3/4" LG | 2 | |
| 34 | Bolt | 71056-G01 | 5/16 - 18 x 5/8" LG | 4 | |
| 35 | Washer | 00570-G2 | 5/16 | 4 | |
| 36 | Bolt | 00438-G6 | 5/16 - 18 x 3/4" LG (with top) | 2 | |
| 37 | Washer | 00571-G2 | 5/16" (With top) | 2 | |
| 39 | E-Z-GO nameplate | 71037-G02 | Gold | 1 | |
| 40 | Pushnut | 12064-G3 | 3/16" | 2 | |
| 42 | Serial number plate | * | 1 | ||
| 43 | EC plate | * | 1 | ||
| 44 | Rivet | 01041-G01 | 5/32" x 7/8" LG | 4 | |
| 47 | Rocker panel | 71501-G01 | Passenger side | 1 | |
| 48 | Rocker panel | 71502-G01 | Driver side | 1 | |
| 49 | Rivet | 15058-G6 | 3/16" x 15/16" LG | 4 | |
| 51 | Sill plat | 71507-G01 | Passenger side | 1 | |
| 52 | Sill plat | 71507-G02 | Driver side | 1 | |
| 53 | Screw | 16705-G1 | 1/4 - 20 x 1" LG (Stianless steel) | 4 | |
| 54 | Spacer | 23726-G4 | 4 | ||
| 55 | Lock nut | 00891-G2 | 1/4 - 20 | 4 | |
| 59 | Seat frame | 70441-G01 | 1 | ||
| 60 | Battery rack | 70046-G01 | 1 | ||
| 61 | Bolt | 00715-G2 | 5/16 - 18 x 13/16" LG | 4 | |
| 62 | Bolt | 00438-G6 | 5/16 - 18 x 3/4" LG | 2 | |
| 63 | Washer | 00559-G8 | 5/16" | 2 | |
| 64 | Lock nut | 11098-G6 | 5/16 - 18 | 2 | |
| 65 | Screw | 70200-G01 | 3/8 - 16 x 1/4" LG | 2 | |
| 67 | Rear body | 71912-G** | Without taillights, includes items 69, 70 | 1 | |
| 68 | Rear body | 71334-G** | With taillights, includes items 69, 70 | 1 | |
| 69 | Bagwell liner | 71318-G01 | 1 | ||
| 70 | Ratchet fastener | 16816-G1 | 1/4" x 5/8" LG | 26 | |
| 71 | Fender scuffguard | 75126-G01 | Driver side | 1 | |
| 72 | Fender scuffguard | 75126-G02 | Passenger side | 1 | |
| 73 | Ratchet fastener | 16816-G2 | 1/4" x 3/4" LG | 8 | |
| 74 | Access panel | 71320-G01 | 1 | ||
| 75 | Screw | 71002-G01 | #8 x 5/8" LG | 5 | |
| 76 | "J" clip | 71364-G02 | 1 | ||
| 77 | Rivet | 18436-G1 | 1/4" x 3/4" LG | 2 | |
| 78 | Rivet | 10570-G10 | 5/32" x 9/16" LG | 6 | |
| 79 | Rear bumper | 70939-G01 | 1 | ||
| 80 | Washer | 00559-G8 | 5/16" | 4 | |
| 81 | Bolt | 71102-G01 | 1/4 - 20 x 3/4" LG | 4 | |
| 82 | Bumper plug | 71514-G01 | 4 | ||
| 83 | Rivet | 14601-G17 | 3/16" x 9/16" LG | 4 | |
| 84 | Notched rear bumper | 71456-G01 | Shuttle 2+2 | 1 | |
| 85 | Bolt | 71398-G01 | 1/4 - 20 x 1 1/4" LG | 4 | |
| 86 | Bumper plug | 71455-G01 | 4 | ||
| 87 | Hole plug | 71316-G01 | Dash mounded direction selector switch only | 1 | |
| 88 | Hinge plate | 71609-G01 | 2 | ||
| 89 | Rivet | 10570-G11 | 3/16" x 3/4" LG | 4 | |
| 90 | Rivet | 10570-G12 | 1/4" x 1/2" LG | 4 | |
| 92 | Decal | 71914-G01 | Freedom | AR | |
| 93 | Decal | 35434-G01 | Shuttle | AR | |
| 94 | Decal | 35430-G19 | TXT 2+2 | AR | |
| 95 | Decal | 73330-G01 | Precision drive system | AR | |
| 96 | Splash panel | 70244-G02 | 2 | ||
| 97 | Bolt | 00715-G2 | 5/16 - 18 x 13/16" LG | 8 | |
| 98 | Fender liner | 71812-G01 | Passenger side | 1 | |
| 99 | Fender liner | 71812-G02 | Driver side | 1 | |
| 100 | Ratchet fastener | 16816-G2 | 1/4" x 3/4" LG | 8 | |
| 102 | Support | 75268-G01 | 1 | ||
| 103 | Screw | 00106-G6 | #12 - 24 x 3/4" LG | 2 | |
| 104 | Hole plug | 20271-G2 | 1/2" | 2 | |
| 105 | End cap | 19859-G1 | 3/4" | 2 | |
| 106 | Foot rest assembly | 70361-G01 | includes items 107 - 110 | 1 | |
| 107 | Footrest | 70350-G01 | 1 | ||
| 108 | Floormat | 70362-G01 | 1 | ||
| 109 | Reflector | 74129-G01 | 1 | ||
| 110 | Label | 74132-G01 | Warning | 1 | |
| 111 | End cap | 19853-G1 | 1" | 2 | |
| 112 | Valance panel | 74149-G01 | 1 | ||
| 113 | Ratchet fastener | 16816-G2 | 1/4" x 3/4" LG | 4 | |
| 114 | Bolt | 00426-G8 | 3/8 - 16 x 1" LG | 2 | |
| 115 | Vertical frame support | 74126-G01 | Passenger side | 1 | |
| 116 | Vertical frame support | 74126-G02 | Driver side | 1 | |
| 117 | Bolt | 00427-G4 | 3/8 - 16 x 1 1/2" LG | 2 | |
| 118 | Washer | 00560-G1 | 3/8" | 10 | |
| 119 | Carriage bolt | 00769-G2 | 3/8 - 16 x 1 1/4" LG | 2 | |
| 120 | Lock nut | 11098-G5 | 3/8 - 16 | 10 | |
| 121 | Sand bottle divot repair kit | 28661-G01 | Includes items 122 - 124 | 1 | |
| 122 | Bolt | 71102-G01 | 1/4 - 20 x 3/4" LG | 1 | |
| 123 | Sand bottle holder | 28660-G01 | 1 | ||
| 124 | Sand bottle | 28659-G01 | 1 | ||
| 126 | Side basket kit | 75007-G02 | includes items 127 - 129 | 1 | |
| 127 | Side basket | 75460-G01 | 1 | ||
| 128 | Bolt | 71102-G01 | 1/4 - 20 x 3/4" LG | 3 | |
| 129 | Flat washer | 01031-G01 | 1/4" | 3 | |
| 130 | Basket divot repair kit | 23300-G01 | includes scoop | 1 | |
| 131 | Center basket kit | 75003-G02 | includes items 132 - 135 | 1 | |
| 132 | Center basket | 75461-G01 | 1 | ||
| 133 | Bolt | 71102-G01 | 1/4 - 20 x 3/4" LG | 3 | |
| 134 | Flat washer | 01031-G01 | 1/4" | 3 | |
| 135 | Plastite screw | 01032-G01 | #10 x 5/8" LG | 2 | |
| 137 | Cooler jug and bracket kit | 75495-G01 | 1 | ||
| 138 | Box cooler and bracket kit | 75344-G01 | 1 | ||
| 140 | Rake holder | 25885-G01 | 1 | ||
| 141 | Square head bolt | 00989-G06 | 1/4 - 20 x 3/4" LG | 2 | |
| 142 | Lock nut | 11027-G2 | 1/4 - 20 | 2 | |
| 143 | Rake | 14735-G1 | 1 | ||
| 145 | Two bag attachment kit | 75183-G01 | includes items 146 - 149 | 1 | |
| 146 | Bag attachment | 75188-G01 | 1 | ||
| 147 | Knob | 22238-G2 | 3/8 - 16 x 1 1/2" LG | 1 | |
| 148 | Teflon washer | 17255-G1 | 5/16" | 1 | |
| 149 | Support bracket | 75187-G01 | 1 | ||
| 151 | Four bag attachment kit | 75355-G01 | includes items 152 - 168 | 1 | |
| 152 | Top assembly | * | 1 | ||
| 153 | Bottom assembly | * | 1 | ||
| 154 | Clevis pin | 17651-G2 | 5/16 x 1 1/4" LG | 1 | |
| 155 | Push nut | 28129-G01 | 5/16" | 1 | |
| 156 | Clevis pin | 17651-G2 | 5/16 x 1 1/4" LG | 1 | |
| 157 | Clevis pin | 17651-G3 | 5/16 x 1/2" LG | 2 | |
| 158 | Washer | 00559-G8 | 5/16" | 3 | |
| 159 | Push nut | 28129-G01 | 5/16" | 3 | |
| 160 | Clevis pin | * | 3/8 x 1 1/4" LG | 2 | |
| 161 | Washer | 00560-G1 | 3/8" | 2 | |
| 162 | Push nut | * | 3/8" | 2 | |
| 163 | Rubber bumper | 13728-G1 | 2 | ||
| 164 | Screw | 00150-G6 | #10 - 24 x 3/4" LG | 2 | |
| 165 | Washer | 00559-G5 | #10 | 2 | |
| 166 | Lock washer | 00565-G5 | #10 | 2 | |
| 167 | Nut | 00526-G3 | #10 - 24 | 2 | |
| 168 | Label | * | Warning | 1 | |
| 169 | Message holder | 75509-G01 | One piece | 1 | |
| 170 | Message holder | 75496-G01 | 1 | ||
| 171 | Ash tray kit | 75109-G02 | includes items 172 - 175 | 1 | |
| 172 | Ash tray | 27731-G01 | 1 | ||
| 173 | Gasket | 27736-G01 | 1 | ||
| 174 | Bracket | 75108-G01 | 1 | ||
| 175 | Screw | 00100-G4 | #10 - 16 x 1/2" LG | 4 | |
| 177 | Bolt | 01038-G01 | 1/4 - 20 x 11/16" LG | 2 | |
| 178 | "J" type nut retainer | 01042-G01 | 2 | ||
| 179 | Bumper stay | 71457-G01 | 4 |
Brakes
| Sl. No. | Part description | Part number | Notes | Quantity | Purchase |
|---|---|---|---|---|---|
| 1 | Brake pedal assembly | 70612-G01 | without brake lights, includes items 2-10 | 1 | |
| 2 | Torsion spring | 70681-G01 | 2 | ||
| 3 | Pivot pin | 70682-G01 | 1 | ||
| 4 | Pushnut | 01071-G01 | 5/16" | 2 | |
| 5 | Brake pedal | * | 1 | ||
| 6 | Park brake pedal | 70611-G01 | 1 | ||
| 7 | Brake/park brake pedal pad kit | 70274-G01 | includes items 8-10 | 1 | |
| 8 | Service brake pad | * | 1 | ||
| 9 | Park brake pedal pad | * | 1 | ||
| 10 | Oval rivet | 15766-G1 | 3/16" x 3/8" LG | 9 | |
| 12 | Shoulder bolt | 70582-G01 | 3/8 - 16 x 4" LG | 1 | |
| 13 | Flanged bushing | 70581-G01 | 2 | ||
| 14 | Torsion spring | 70676-G01 | 1 | ||
| 15 | Washer | 00643-G1 | 3/8" | 1 | |
| 16 | Lock nut | 11098-G5 | 3/8 - 16 | 1 | |
| 18 | Compensator assembly | 70272-G04 | includes items 19, 20 | 1 | |
| 19 | Spherical nut | 00963-G01 | 5/16 - 24 | 1 | |
| 20 | Lock nut | 11098-G9 | 5/16 - 24 | 1 | |
| 22 | Equalizer and brake cable assembly | 70716-G03 | includes items 23 - 26 | 1 | |
| 23 | Equalizer bracket | 28082-G01 | 1 | ||
| 24 | Brake compensator bumper | 28083-G01 | 2 | ||
| 25 | Brake cable | * | Driver side | 1 | |
| 26 | Brake cable | * | Passenger side | 1 | |
| 28 | Retaining ring | 12305-G1 | 4 | ||
| 30 | Clevis pin | 10386-G3 | 5/16" x 1" LG | 1 | |
| 31 | Cotter pin | 10387-G3 | 3/32" x 3/4" LG | 3 | |
| 32 | Clevis pin | 14443-G2 | 5/16" x 3/4" LG | 2 | |
| 34 | Kick -off link | 70601-G01 | 1 | ||
| 35 | Nylon bushing | 17838-G1 | 2 | ||
| 36 | Teflon washer | 20835-G1 | 3/8" | 2 | |
| 37 | Washer | 00559-G8 | 5/16" | 2 | |
| 38 | Cotter pin | 10387-G3 | 3/32" x 3/4" LG | 2 | |
| 39 | Kick-off cam pivot | 70098-G01 | 1 | ||
| 40 | Flanged bearing | 10097-G6 | 2 | ||
| 41 | Kick-off cam | 70587-G01 | 1 | ||
| 42 | Setscrew | 71215-G01 | 1/4 - 20 x 1/2" LG | 2 | |
| 43 | Spacer | 14134-G4 | 1 | ||
| 45 | Adjustable bumper | 70113-G01 | 1 | ||
| 46 | Lock nut | 11027-G1 | 5/16 - 18 | 1 | |
| 48 | Catch bracket | 70080-G01 | 1 | ||
| 49 | Bolt | 00414-G6 | 1/4 - 20 x 3/4" LG | 2 | |
| 50 | Lock nut | 00891-G2 | 1/4 - 20 | 2 | |
| 53 | Brake pedal assembly | 70690-G01 | with brake lights, includes items 54 - 80 | 1 | |
| 54 | Brake pedal | * | 1 | ||
| 55 | Park brake pedal | 70611-G01 | 1 | ||
| 56 | Brake/park brake pedal pad kit | 70274-G01 | includes items 57 - 59 | 1 | |
| 57 | Service brake pad | * | 1 | ||
| 58 | Park brake pad | * | 1 | ||
| 59 | Oval rivet | 15766-G1 | 3/16" x 3/8" LG | 9 | |
| 61 | Service brake pedal plate | 70258-G02 | 1 | ||
| 62 | Pivot pin | 70682-G01 | 1 | ||
| 63 | Torsion spring | 70681-G01 | 2 | ||
| 64 | Pushnut | 01071-G01 | 5/16" | 2 | |
| 65 | Screw | 00737-G8 | #10 - 24 x 1" LG | 4 | |
| 66 | Rubber nut | 00739-G1 | #10 - 24 | 2 | |
| 67 | Brake pedal standoff | 22362-G3 | 2 | ||
| 68 | Conical spring | 27137-G01 | 2 | ||
| 69 | Lock nut | 11098-G7 | #10 - 24 | 2 | |
| 70 | Micro switch | 10606-G8 | 1 | ||
| 71 | Screw | 00957-G1 | #6 - 32 x 1 1/4" LG | 2 | |
| 72 | Washer | 00559-G5 | #10 | 2 | |
| 73 | Washer | 00559-G3 | #6 | 4 | |
| 74 | Lock washer | 00565-G3 | #6 | 2 | |
| 75 | Nut | 00525-G5 | #6 - 32 | 2 | |
| 76 | Screw and lock washer | 13514-G1 | #6 | 2 | |
| 78 | Faston tab | 14628-G1 | 2 | ||
| 79 | Wire harness | 24605-G1 | Brake light | 1 | |
| 80 | Wire tie | 17618-G1 | 2 | ||
| 82 | Brake assembly | 70793-G01 | Driver side, includes items 84 - 95 | 1 | |
| 83 | Brake assembly | 70793-G02 | Passenger side, includes items 84 - 95 | 1 | |
| 84 | Brake shoe kit | 70794-G01 | Includes item 85 | 2 | |
| 85 | Brake shoe | * | 2 | ||
| 86 | Brake spring kit | 27944-G01 | includes items 87 - 91 | 2 | |
| 87 | Upper spring | * | 1 | ||
| 88 | Lower spring | * | 1 | ||
| 89 | Pin | * | 2 | ||
| 90 | Cup and spring | * | 2 | ||
| 91 | Adjuster spring | * | 1 | ||
| 92 | Brake adjuster kit | 72582-G01 | Driver side, includes items 94, 95 | 1 | |
| 93 | Brake adjuster kit | 72582-G02 | Passenger side, incl. items 94, 95 | 1 | |
| 94 | Adjuster | * | 1 | ||
| 95 | Teflon washer | * | 2 | ||
| 96 | Bolt | 17083-G2 | 5/16 - 24 x 1" LG | 8 | |
| 97 | Lock nut | 15126-G1 | 5/16 - 24 | 8 | |
| 98 | Inner brake drum washer | 15485-G1 | 2 | ||
| 100 | Brake drum assembly | 19186-G1 | Includes items 101 - 102 | 2 | |
| 101 | Brake drum | * | 1 | ||
| 102 | Lug bolt | 19862-G1 | 1/2 - 20 | 4 | |
| 105 | Washer | 15487-G1 | 1 3/8" O.D. X 21/32" | 2 | |
| 106 | Slotted nut | 15483-G1 | 5/8 - 18 | 2 | |
| 107 | Cotter pin | 10387-G1 | 1/8" x 1 1/2" LG | 2 | |
| 108 | Spindle cap | 74175-G01 | 2 | ||
| 110 | Brake cable bracket | 72036-G01 | Passenger side | 1 | |
| 111 | Brake cable bracket | 72036-G02 | Driver side | 1 |
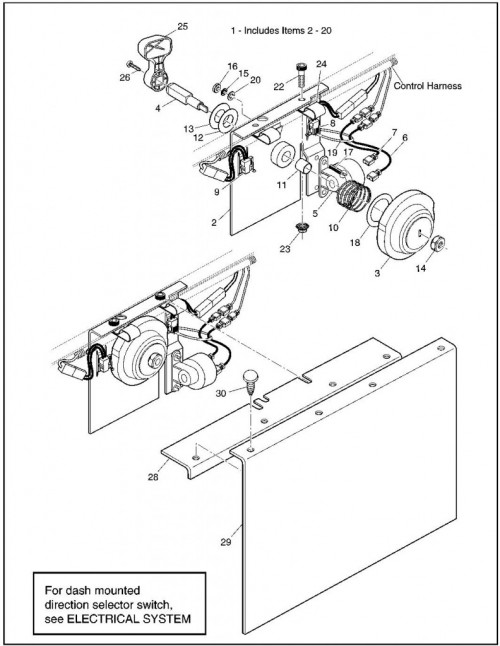
Direction selector – PDS
| Sl. No. | Part description | Part number | Notes | Quantity | Purchase |
|---|---|---|---|---|---|
| 1 | Direction selector assembly | 73180-G03 | includes items 2 - 20 | 1 | |
| 2 | Bracket | 73179-G01 | 1 | ||
| 3 | Cam | 73167-G02 | 1 | ||
| 4 | Direction selector shaft | 73171-G01 | 1 | ||
| 5 | Reverse warning buzzer | 73290-G02 | Continuous tone | 1 | |
| 6 | 18 GA wire | 25978-G287 | Black 6" | 1 | |
| 7 | 18 GA wire | 25978-G286 | Red 6" | 1 | |
| 8 | Micro switch | 73195-G01 | 1 | ||
| 9 | Micro switch | 73194-G01 | 1 | ||
| 10 | Compression spring | 73188-G01 | 1 | ||
| 11 | Bushing | 25664-G1 | 1 | ||
| 12 | Nylon washer | 00771-G4 | 1/2" | 1 | |
| 13 | Washer | 73181-G01 | 1/2" | 1 | |
| 14 | Lock nut | 14390-G1 | 3/8 - 24 | 1 | |
| 15 | Lock washer | 00565-G3 | #6 | 2 | |
| 16 | Nut | 00525-G5 | #6 - 32 | 2 | |
| 17 | Screw | 00138-G5 | #6 - 32 x 5/8" LG | 2 | |
| 18 | Nylon washer | 73182-G01 | 1 3/8" | 1 | |
| 19 | Wire tie | 17618-G1 | 3 | ||
| 20 | Washer | 00559-G3 | #6 | 2 | |
| 22 | Screw | 70227-G01 | 1/4 - 20 x 7/8" LG | 2 | |
| 23 | Lock nut | 11027-G2 | 1/4 - 20 | 2 | |
| 24 | Double tube clamp | 73053-G01 | 2 | ||
| 25 | Direction selector handle | 71905-G01 | 1 | ||
| 26 | Screw | 00740-G4 | Stainless steel, #10 - 32 x 1/2" LG | 1 | |
| 28 | Direction selector cover bracket | 73301-G01 | 1 | ||
| 29 | Direction selector cover | 73293-G01 | 1 | ||
| 30 | Ratchet fastener | 16816-G1 | 4 |
Electronic Speed Control – PDS
| Sl. No. | Part description | Part number | Notes | Quantity | Purchase |
|---|---|---|---|---|---|
| 1 | Electronic speed control assembly | 73276-G02 | includes items 2 - 44 | 1 | |
| 2 | Lock washer | * | #10 | 2 | |
| 3 | Nut | * | 10 - 32 | 2 | |
| 6 | Resistor | 21764-G1 | 1 | ||
| 8 | Nut | * | 5/16 - 24 | 2 | |
| 10 | Lock washer | * | 5/16" | 2 | |
| 11 | 6 GA wire | 25972-G56 | Black 6", C- B+ | 1 | |
| 13 | Lock nut | 11027-G2 | 1/4 -20 | 2 | |
| 15 | Solenoid | 27855-G01 | 1 | ||
| 16 | Heatsink | 73083-G01 | 1 | ||
| 17 | Electronic speed controller | 73326-G02 | 1 | ||
| 18 | Thermal mounting pad | 73190-G01 | 1 | ||
| 19 | Bolt | 71102-G01 | 1/4 - 20 x 3/4" LG | 5 | |
| 21 | Wire tie | 31539-G1 | 1 | ||
| 22 | Double tube clamp | 73053-G01 | 1 | ||
| 24 | Bolt | 71102-G03 | 1/4 - 20 x 1 1/4" LG | 4 | |
| 25 | Wire harness | 73106-G01 | Power | 1 | |
| 27 | Wire harness, control | XXXXX-XXX | See electrical system | 1 | |
| 28 | Bolt | 00270-G5 | 5/16 - 18 x 5/8" LG | 3 | |
| 29 | Lock nut | 11027-G1 | 5/16 - 18 | 3 | |
| 31 | Solenoid bracket | 25866-G01 | 1 | ||
| 32 | Cover assembly | 73089-G01 | includes items 33 - 41 | 1 | |
| 33 | Cover | 73028-G02 | With gasket | 1 | |
| 34 | Label | 73093-G01 | Tow switch | 1 | |
| 36 | Toggle switch with seal | 73125-G01 | includes items 37 - 39 | 1 | |
| 37 | Screw | * | #5 - 40 | 4 | |
| 38 | Nut | * | 15/32 - 32 | 1 | |
| 39 | Nut seal | 73139-G01 | 1 | ||
| 40 | Wire harness | 73138-G02 | Tow switch | 1 | |
| 41 | Wire tie | 17618-G1 | 1 | ||
| 43 | 6 GA wire | 25972-G22 | Black 27", BL+ TO SOL | 1 | |
| 44 | 6 GA wire | 25972-G32 | Black 36", BL- TO B- | 1 | |
| 46 | Bolt | 71102-G01 | 1/4 - 20 x 3/4" LG | 4 | |
| 48 | Performance option | 73272-G01 | Freedom, not available for fleet | 1 | |
| 49 | Performance option | 73272-G02 | Steep hill | 1 | |
| 50 | Performance option | 73272-G03 | Mild hill | 1 | |
| 51 | Performance option | 73272-G04 | All terrain | 1 |
Electronic Speed Control – HD
| Sl. No. | Part description | Part number | Notes | Quantity | Purchase |
|---|---|---|---|---|---|
| 1 | Electronic speed control assembly | 73055-G02 | includes items 2 - 23 | 1 | |
| 2 | Electronic speed controller | 73060-G01 | 1 | ||
| 3 | Controller mount | 74014-G01 | 1 | ||
| 4 | Bolt | 00414-G5 | 1/4 - 20 x 5/8" LG | 4 | |
| 5 | Washer | 00559-G7 | 1/4" | 2 | |
| 6 | Lock nut | 11027-G2 | 1/4 - 20 | 6 | |
| 8 | Solenoid | 28562-G01 | 1 | ||
| 10 | Resistor | 21764-G1 | 1 | ||
| 11 | Lock washer | * | #10 | 2 | |
| 12 | Nut | * | #10 - 32 | 2 | |
| 13 | Washer | * | 5/16" | 2 | |
| 14 | Nut | * | 5/16 - 24 | 2 | |
| 16 | Wire harness | 73095-G02 | Control | 1 | |
| 17 | Wire harness | 28325-G01 | Power | 1 | |
| 18 | 18 GA wire | 25978-G88 | Red 9" | 1 | |
| 19 | 6 GA wire | 25972-G02 | Blk 6", SOL- B+ | 1 | |
| 20 | 18 GA wire | 25978-G10 | Blk 6", SOL- B- | 1 | |
| 22 | Bolt | 00438-G6 | 5/16 -18 x 3/4" LG | 4 | |
| 23 | Lock nut | 11027-G1 | 5/16 - 18 | 4 | |
| 25 | Cover | 23723-G2 | 1 | ||
| 26 | Washer | 16469-G1 | 1/4" | 1 | |
| 27 | Wing nut | 14419-G1 | 1/4 - 20 | 1 | |
| 29 | Bolt | 00414-G5 | 1/4 - 20 x 5/8" LG | 4 | |
| 30 | Nut | 11027-G2 | 1/4 - 20 | 4 |
Electrical System
| Sl. No. | Part description | Part number | Notes | Quantity | Purchase |
|---|---|---|---|---|---|
| 1 | Battery | 76045-G0* | 6 volt | 6 | |
| 2 | Hold down bolt | 70121-G01 | 2 | ||
| 3 | Battery retainer | 70045-G01 | 1 | ||
| 4 | Lock nut | 11027-G1 | 5/ 16 - 18 | 2 | |
| 5 | 6 GA wire | 25972-G32 | Battery interconnect, black, 10 1/2" | 1 | |
| 6 | 6 GA wire | 25972-G40 | Battery interconnect, 6" | 4 | |
| 7 | Nut | 00702-G2 | 5/16 - 18 | 12 | |
| 9 | Charger receptacle assembly | 73149-G01 | PDS model only, includes items 10 - 18 | 1 | |
| 10 | Receptacle cover | * | 1 | ||
| 11 | Receptacle bottom | * | 1 | ||
| 12 | Female connector | 73051-G05 | 2 | ||
| 13 | Insulator sleeve | 73051-G06 | 1 | ||
| 14 | Reed switch | 73051-G18 | 1 | ||
| 15 | Screw | 73051-G08 | #10 - 32 x 1/2" LG | 2 | |
| 16 | Screw | 73051-G09 | #6 - 32 x 1 3/4" LG (Stainless steel) | 3 | |
| 17 | Lock nut | 73051-G10 | #6 - 32 | 3 | |
| 18 | Wire harness | * | Charger | 1 | |
| 19 | Rivet | 71055-G01 | 3/16" x 3/8" LG | 4 | |
| 20 | Wire tie | 17618-G1 | 3 | ||
| 24 | wire tie | 17618-G1 | 11 | ||
| 26 | Power harness | XXXXX-XXX | See electric speed control - PDS | 1 | |
| 27 | 10 GA wire | 25974-G25 | White 11" | 1 | |
| 28 | Twisted clamp | 27327-G01 | 1 | ||
| 29 | Rivet | 10570-G11 | 3/16" x 3/4" LG | 1 | |
| 31 | Lock washer | 00993-G01 | 5/16" (Silicon bronze) | 2 | |
| 32 | Nut | 28418-G01 | 5/16 - 18 (Brass) | 2 | |
| 33 | Lock washer | 00993-G02 | 1/4" (Silicon bronze) | 2 | |
| 34 | Nut | 28418-G02 | 1/4 - 20 (Brass) | 2 | |
| 36 | Charger receptacle assembly | 73063-G01 | Non-pds models only, includes items 10-17, 37 | 1 | |
| 37 | Wire harness | * | Charger | 1 | |
| 39 | Power harness | XXXXX-XXX | See electronic speed control | 1 | |
| 41 | Lock washer | 00993-G01 | 5/16" (Silicon bronze) | 4 | |
| 42 | Nut | 28418-G01 | 5/16 - 18 (Brass) | 4 | |
| 43 | Lock washer | 00565-G8 | 5/16" | 4 | |
| 44 | Nut | 00532-G3 | 5/16 - 18 | 4 | |
| 46 | Fuse block | 22674-G1 | 1 | ||
| 47 | Rivet | 01041-G01 | 5/32" Bulbex | 2 | |
| 48 | 15 AMP fuse | 18392-G1 | 3 | ||
| 50 | Horn | 32860-G1 | With mounting hardware | 1 | |
| 51 | Bolt | 00414-G5 | 1/4 - 20 x 5/8" LG | 1 | |
| 52 | Washer | 00559-G7 | 1/4" | 1 | |
| 53 | Lock nut | 00891-G2 | 1/4 - 20 | 1 | |
| 55 | Horn switch | 17318-G1 | 1 | ||
| 56 | Horn switch boot | 27068-G01 | 1 | ||
| 57 | Horn switch cap and nut | 17318-G2 | 1 | ||
| 58 | Horn switch plate | 19233-G1 | 1 | ||
| 59 | Rivet | 71055-G01 | 3/16" x 3/8" LG | 2 | |
| 60 | Wire tie | 17618-G1 | 2 | ||
| 62 | Hour meter | 21573-G1 | 1 | ||
| 63 | Hour meter bracket | 74019-G01 | 1 | ||
| 64 | Screw | 00150-G4 | #10 - 24 x 1/2" LG | 2 | |
| 65 | Lock nut | 11098-G7 | #10 - 24 | 2 | |
| 66 | Wire harness | 75117-G02 | Hour meter | 1 | |
| 68 | Plate | 73030-G01 | Ignition switch only | 1 | |
| 69 | Plate | 73030-G02 | Ignition switch, state of charge meter | 1 | |
| 70 | Label | 71145-G01 | Ignition switch only | 1 | |
| 71 | Label | 71123-G01 | Ignition switch w/o lights, state of charge meter | 1 | |
| 72 | Label | 71129-G01 | Ignition switch w lights, state of charge meter | 1 | |
| 73 | Rivet | 33623-G02 | 3/16" x 3/8" LG | 2 | |
| 75 | Ignition switch | XXXXX-XX | Without lights, includes items 77 - 78 | 1 | |
| 76 | Ignition switch | 33639-G0* | with lights, includes items 77 -78 | 1 | |
| 77 | Lock washer | 00568-G6 | 3/4" | 1 | |
| 78 | Face nut | 17137-G1 | 3/4 - 20 | 1 | |
| 80 | harness | 74324-G01 | Control, pds model only | 1 | |
| 81 | harness | 73041-G01 | Key switch, fleet | 1 | |
| 82 | Wire tie | 17618-G1 | 1 | ||
| 84 | State of charge meter | 33636-G0 | 1 | ||
| 85 | 18 GA wire | 25978-G74 | Red 6" | 1 | |
| 87 | Turn signal | 17867-G1 | With mounting hardware | 1 | |
| 88 | Turn signal flasher | 21640-G1 | 1 | ||
| 89 | Vinyl tape | * | AR | ||
| 90 | Steering column cover | 20965-G3 | Vehicles with turn signals | 1 | |
| 91 | Wire harness | 73043-G01 | Accessory | 1 | |
| 93 | Taillight assembly | 22260-G2 | Complete | 1 | |
| 94 | Bezel | 74371-G01 | Driver side | 1 | |
| 95 | Bezel | 74371-G02 | Passenger side | 1 | |
| 96 | Rivet | 14601-G11 | 3/16" x 9/16" LG | 2 | |
| 97 | J' clip | 71364-G02 | 8 | ||
| 98 | Countersunk screw | 71425-G01 | #8 - 18 x 3/4" LG | 8 | |
| 101 | Headlight and turn signal light bar | 74001-G01 | 1 | ||
| 102 | Headlight mount bracket | 74236-G01 | Passenger side | 1 | |
| 103 | Headlight mount bracket | 74236-G02 | Driver side | 1 | |
| 104 | Bolt | 00414-G6 | 1/4 - 20 x 3/4" LG | 2 | |
| 105 | Lock nut | 11027-G2 | 1/4 - 20 | 2 | |
| 106 | Screw | 00114-G6 | 1/4 - 14 x 3/4" LG | 4 | |
| 107 | Bolt | 01038-G01 | 1/4 - 14 x 1/2" LG | 2 | |
| 109 | Headlight bulb | 74004-G01 | AR | ||
| 110 | Marker light bulb | 74005-G01 | AR | ||
| 111 | Turn signal bulb | 74006-G01 | AR | ||
| 112 | Taillight bulb | 21759-G1 | AR | ||
| 114 | Plate | 73030-G05 | Ignition switch, direction selector | 1 | |
| 115 | Plate | 73030-G06 | Ignition switch, direction selector, state of charge meter | 1 | |
| 116 | Label | 74316-G01 | Ignition switch without lights, direction selector | 1 | |
| 117 | Label | 74320-G01 | Ignition switch without lights, direction selector, state of charge meter | 1 | |
| 118 | Label | 74322-G01 | Ignition switch with lights, direction selector, state of charge meter | 1 | |
| 120 | Direction selector switch | 74323-G01 | Dash mounted | 1 | |
| 122 | State of charge meter | 33636-G04 | Vertical | 1 | |
| 123 | harness | 74018-G01 | State of charge meter | 1 | |
| 125 | Reverse buzzer | 73290-G02 | 1 | ||
| 126 | Rivet | 01041-G01 | 5/32" x 3/4" LG | 2 | |
| 128 | Flex loom | 32307-G3 | 3/8" x 8" LG | 1 | |
| 129 | Wire tie | 17618-G1 | 2 |
Electric Motor
| Sl. No. | Part description | Part number | Notes | Quantity | Purchase |
|---|---|---|---|---|---|
| 1 | Motor | 73124-G02 | Series, fleet speed, includes items 3-12 | 1 | |
| 2 | Motor | 73124-G03 | Series, high speed, includes items 3-11, 14 | 1 | |
| 3 | Armature | 73120-G01 | 1 | ||
| 4 | Brush spring | 73120-G03 | 4 | ||
| 5 | Brush plate and box | 73120-G15 | 1 | ||
| 6 | Brush replacement kit | 73120-G25 | includes hardware | 1 | |
| 7 | Bearing | 73120-G07 | 1 | ||
| 8 | Snap ring | 73120-G06 | 1 | ||
| 9 | Cover plate & screw | 73120-G09 | 1 | ||
| 10 | Cover communicator end | 73120-G08 | 1 | ||
| 11 | Cap | 73120-G16 | 1 | ||
| 12 | Frame and field coil | 73120-G29 | G02 motor, includes hardware | 1 | |
| 14 | Frame and field coil | 73120-G30 | G03 motor, includes hardware | 1 | |
| 16 | Motor | 73124-G08 | Separately excited, PDS, includes items 17 - 29 | 1 | |
| 17 | Armature | 73120-G18 | 1 | ||
| 18 | Brush spring | 73120-G03 | 4 | ||
| 19 | Brush plate and box | 73120-G15 | 1 | ||
| 20 | Brush replacement kit | 73120-G25 | Includes hardware | 1 | |
| 21 | Bearing | 73120-G07 | 1 | ||
| 22 | Snap ring | 73120-G06 | 1 | ||
| 23 | Cover plate & screw | 73120-G09 | 1 | ||
| 24 | Frame and field coil | 73120-G31 | Includes hardware | 1 | |
| 25 | Cover communicator end | 73120-G19 | 1 | ||
| 26 | Magnet | 73328-G01 | 1 | ||
| 27 | Screw | 01037-G02 | #10 - 32 x 1/2" LG | 1 | |
| 28 | Retaining ring | 73277-G01 | 2 | ||
| 29 | Speed sensor | 73327-G01 | 1 | ||
| 30 | Bumper spline | 24261-G1 | 1 |
Front Suspension Steering
| Sl. NO. | Part description | Part number | Notes | Quantity | Purchase |
|---|---|---|---|---|---|
| 1 | Front axle | 70744-G01 | 1 | ||
| 3 | Spindle and hub assembly, 4 Lug | 70942-G01 | Passenger side, includes items 4 - 10 | 1 | |
| 4 | Spindle assembly | 70942-G02 | Passenger side | 1 | |
| 5 | Grease seal | 25146-G1 | 1 | ||
| 6 | Roller bearing and race assembly | 50892-G1 | 2 | ||
| 7 | Wheel hub assembly with races, 4 lug | 70895-G01 | Includes item 8 | 1 | |
| 8 | Lug bolt | 19862-G1 | 1/2 - 20 x 1 7/32" LG | 4 | |
| 9 | Slotted nut | 12093-G1 | 1 -14 | 1 | |
| 10 | Cotter pin | 00798-G8 | 5/32" x 1 3/4" LG | 1 | |
| 11 | Spindle cap | 12091-G2 | 2 | ||
| 14 | Spindle and hub assembly, 4 Lug | 70673-G01 | Driver side, includes items 5-10, 15 | 1 | |
| 15 | Spindle assembly | 70673-G02 | Driver side | 1 | |
| 18 | Spindle and hub assembly, 5 lug | 70943-G01 | Passenger side, includes items 19 - 25 | 1 | |
| 19 | Spindle assembly | 70942-G02 | Passenger side | 1 | |
| 20 | Grease seal | 12092-G1 | 1 | ||
| 21 | Roller bearing and race assembly | 50892-G1 | 2 | ||
| 22 | Wheel hub assembly with races, 5 lug | 70772-G01 | Includes item 23 | 1 | |
| 23 | Lug bolt | 30143-G1 | 1/2 - 20 x 1 7/32" LG | 5 | |
| 24 | Slotted nut | 12093-G1 | 1- 14 | 1 | |
| 25 | Cotter pin | 00798-G8 | 5/32" x 1 3/4" LG | 1 | |
| 29 | Spindle and hub assembly, 5 lug | 70797-G01 | Driver side, includes items 20-25, 30 | 1 | |
| 30 | Spindle assembly | 70673-G02 | Driver side | 1 | |
| 33 | Bolt | 00407-G6 | 1/2 - 13 x 6" LG | 2 | |
| 34 | Washer | 00560-G3 | 1/2" | 4 | |
| 35 | King pin tube | 70745-G01 | 2 | ||
| 36 | Thrust washer | 70754-G01 | Stainless steel | 2 | |
| 37 | Lock nut | 14390-G6 | 1/2 - 13 | 2 | |
| 40 | Shock absorber | 70928-G01 | 2 | ||
| 41 | Shock absorber boot | 70509-G01 | 2 | ||
| 42 | Wire tie | 31539-G1 | 4 | ||
| 43 | Shock absorber washer | 10435-G1 | 8 | ||
| 44 | Rubber bushing | 10194-G1 | 8 | ||
| 45 | Nut | 00532-G6 | 3/8 - 24 | 4 | |
| 48 | leaf spring | 70597-G02 | See part number of spring | 2 | |
| 49 | Leaf spring | 70664-G02 | Heavy duty, see part number on spring | 2 | |
| 50 | Spring plate | 70163-G02 | 4 | ||
| 51 | Bolt | 00463-G4 | 7/16 - 14 x 1 1/2" LG | 2 | |
| 52 | Lock nut | 00734-G1 | 7/16 - 14 | 9 | |
| 53 | Bolt | 00463-G6 | 7/16 - 14 x 1 3/4" LG | 9 | |
| 56 | Rack and pinion unit | 70602-G01 | Complete, includes items 57-60, 63-68 | 1 | |
| 57 | Rack extension | 70694-G01 | 1 | ||
| 58 | Jam nut | * | 1/2 - 20 | 1 | |
| 59 | Rack boot | 70675-G01 | 1 | ||
| 60 | Wire tie | 17618-G1 | 1 | ||
| 61 | Wire tie | 12416-G2 | 1 | ||
| 63 | Pinion seal | 70638-G01 | 1 | ||
| 64 | Rack ball joint | 70695-G01 | Includes items 65 - 68 | 1 | |
| 65 | Rubber boot | 50641-G1 | 1 | ||
| 66 | Slotted nut | 50209-G2 | 7/16 - 20 | 1 | |
| 67 | Cotter pin | 10387-G2 | 3/32" x 1" LG | 1 | |
| 68 | Grease fitting, straight | 10389-G3 | 1 | ||
| 70 | Bolt | 00464-G6 | 7/16 - 14 x 2 3/4" LG | 2 | |
| 71 | Bolt | 01068-G01 | 7/16 - 14 x 3 1/2" LG | 1 | |
| 72 | Spacer | 70667-G02 | 2 | ||
| 73 | Spacer (Short) | 70667-G03 | 1 | ||
| 74 | Nut | 00532-G7 | 7/16 - 14 | 1 | |
| 75 | Flat washer | 00560-G2 | 7/16" | 4 | |
| 76 | Lock nut | 00734-G1 | 7/16 - 14 | 3 | |
| 79 | Steering shaft | 70607-G01 | 1 | ||
| 81 | Steering column kit | 70758-G03 | includes items 82 - 84 | 1 | |
| 82 | Steering column | 70610-G01 | 1 | ||
| 83 | Steering column bushing | 28569-G01 | 1 | ||
| 84 | Screw | 01022-G01 | #6 - 20 x 5/16" LG | 1 | |
| 86 | Steering column kit | 70758-G04 | Horn, includes items 87 - 89 | 1 | |
| 87 | Steering column | 70610-G02 | 1 | ||
| 88 | Steering column bushing | 28569-G01 | 1 | ||
| 89 | Screw | 01022-G01 | #6 - 20 x 5/16" LG | 1 | |
| 91 | Bolt | 01006-G01 | 3/8 - 16 x 1 1/4" LG with patchlock | 4 | |
| 92 | Lock washer | 00879-G1 | 3/8" | 4 | |
| 94 | Intermediate shaft | 70580-G01 | includes items 95, 96 | 1 | |
| 95 | Bolt | 01055-G01 | M8 x 1 1/4" LG | 2 | |
| 96 | Lock washer | 00565-G8 | 5/16" | 2 | |
| 98 | Retaining ring | 70751-G01 | Internal | 1 | |
| 99 | Retaining ring | 70888-G01 | External | 1 | |
| 100 | Ball bearing | 15112-G1 | 1 | ||
| 101 | Wave washer | 70887-G01 | 1 | ||
| 102 | Steering wheel | 71146-G01 | 1 | ||
| 103 | Steering wheel cover | 71147-G01 | 1 | ||
| 104 | Label | 71047-G01 | E-Z-GO | 1 | |
| 105 | Label | 74405-G01 | Cushman | 1 | |
| 106 | Steering wheel | 71948-G01 | 1 | ||
| 107 | Clipboard | 71950-G01 | 1 | ||
| 108 | Hub cover | 71949-G01 | 1 | ||
| 109 | Lock nut | 14390-G2 | 5/ 8 -18 | 1 | |
| 111 | Tie rod end | 27205-G01 | Left hand thread, includes items 112 - 114 | 1 | |
| 112 | Rubber boot | 50641-G1 | 1 | ||
| 113 | Slotted nut | 50209-G2 | 7/16 - 20 | 1 | |
| 114 | Jam nut | 18434-G3 | 9/16 - 18 , left hand thread | 1 | |
| 115 | Grease fitting, straight | 10389-G3 | 1 | ||
| 116 | Cotter pin | 10387-G2 | 3/32" x 1" LG | 1 | |
| 118 | Tie rod end | 27205-G02 | Right hand thread, includes items 119 - 121 | 1 | |
| 119 | Rubber boot | 50641-G1 | 1 | ||
| 120 | Slotted nut | 50209-G2 | 7/16 - 20 | 1 | |
| 121 | Jam nut | 18434-G4 | 9/16 - 18, right hand thread | 1 | |
| 122 | Grease fitting, straight | 10389-G3 | 1 | ||
| 123 | Cotter pin | 10387-G2 | 3/32" x 1" LG | 1 | |
| 126 | Tie rod assembly | 70876-G02 | includes items 127 - 131 | 1 | |
| 127 | Threaded rod | 70897-G02 | 24" LG | 1 | |
| 128 | Tie rod end | 70902-G01 | Left hand threads | 1 | |
| 129 | Jam nut | 01069-G01 | M12 x 1.25-05, left hand threads | 1 | |
| 130 | Tie rod end | 70902-G02 | Right hand threads | 1 | |
| 131 | Jam nut | 01069-G02 | M12 x 1.25-05, right hand threads | 1 | |
| 133 | Lock nut | 00734-G1 | 7/16 - 14 | 2 |
Rear Axle
| Sl. No. | Part description | Part number | Notes | Quantity | Purchase |
|---|---|---|---|---|---|
| 1 | Rear axle assembly | 73500-G01 | includes items 2-7 | 1 | |
| 2 | Axle shaft | 20377-G12 | Passenger side | 1 | |
| 3 | Axle shaft | 20377-G11 | Driver side | 1 | |
| 4 | Differential cover | * | 1 | ||
| 5 | Fill plug with o-ring | 28610-G01 | 1 | ||
| 6 | Bolt | 15558-G1 | 5/16 - 18 x 3/4" LG | 10 | |
| 7 | Vent | 73050-G01 | 1 | ||
| 9 | Scuff guard | 72763-G01 | 1 | ||
| 11 | Bumper spline | XXXXX-XXX | See electric motor | 1 | |
| 12 | Bolt | 00797-G2 | 1/4 - 20 x 1 1/4" LG | 3 | |
| 13 | Lock washer | 00565-G7 | 1/4" | 3 | |
| 14 | Washer | 00559-G7 | 1/4" | 3 | |
| 15 | Moly lube | 28095-G01 | 2 OZ | AR |
Rear Suspension
| Sl. No | Part description | Part number | Notes | Quantity | Purchase |
|---|---|---|---|---|---|
| 1 | Shock absorber | 70324-G01 | 2 | ||
| 2 | Shock absorber washer | 10435-G1 | 8 | ||
| 3 | Rubber bushing | 10194-G1 | 8 | ||
| 4 | Nut | 00532-G6 | 3/8 - 24 | 4 | |
| 6 | Leaf spring | 70474-G01 | 2 leaf | 2 | |
| 7 | Leaf spring | 74207-G01 | 4 leaf | 2 | |
| 8 | "U" bolt | 72618-G01 | 3/8 - 16 | 4 | |
| 9 | Washer | 00560-G1 | 3/8" | 8 | |
| 10 | Lock nut | 11098-G5 | 3/8 - 16 | 8 | |
| 12 | Spacer | 70289-G02 | 4 | ||
| 13 | Flanged bushing | 70291-G01 | Leaf spring | 12 | |
| 14 | Shackle plate | 70290-G01 | 4 | ||
| 15 | Bolt | 00429-G4 | 3/8 - 16 x 3 1/2" LG | 4 | |
| 16 | Lock nut | 11098-G5 | 3/8 - 16 | 4 | |
| 18 | Shoulder bolt | 14158-G1 | 3/8 - 16 x 3 1/4" LG | 2 | |
| 19 | Lock nut | 12262-G1 | 3/8 - 16 | 2 |
Seating and Bag Holder – Golf Car
| Sl. No. | Part description | Part number | Notes | Quantity | Purchase |
|---|---|---|---|---|---|
| 1 | Seat bottom assembly | 71611-G** | includes items 2 - 9 | 1 | |
| 2 | Tee nut | * | 8 | ||
| 3 | Rubber pad | 17074-G1 | 2 | ||
| 4 | Flat staple | * | 110 | ||
| 6 | Vinyl trim | 71012-G01 | Seat bottom | 1 | |
| 7 | Vinyl seat bottom cover | 71602-G** | 1 | ||
| 8 | Foam padding | * | Seat bottom | 1 | |
| 9 | Seat bottom | * | Wood | 1 | |
| 13 | Hip restraint | 71701-G01 | Passenger side | 1 | |
| 14 | Hip restraint | 71702-G01 | Driver side | 1 | |
| 15 | Bolt | 71204-G01 | 1/4 - 20 x 7/8" LG | 8 | |
| 19 | Seat hinge | 71610-G01 | 2 | ||
| 20 | Screw | 00720-G08 | #12 - 14 x 1" LG | 4 | |
| 22 | Seat back assembly | 71751-G** | includes items 23 - 29 | 1 | |
| 23 | Flat staple | * | 95 | ||
| 24 | Plastic seat back cover | 71752-G01 | 1 | ||
| 25 | Seat back | * | Wood | 1 | |
| 26 | Screw | 71002-G01 | #8 x 5/8" LG | 4 | |
| 27 | Tee nut | * | 4 | ||
| 28 | Foam padding | * | Seat back | 1 | |
| 29 | Vinyl seat back cover | 71753-G** | 1 | ||
| 32 | Seat support bracket | 71811-G02 | 2 | ||
| 33 | Bolt | 00414-G8 | 1/4 - 20 x 1" LG | 4 | |
| 34 | Lock washer | 00565-G7 | 1/4" | 4 | |
| 35 | Bolt | 71802-G01 | 3/8 - 16 x 2 1/4" LG | 4 | |
| 36 | Bag holder bracket | 71851-G01 | 1 | ||
| 37 | Bag retainer clamp | 71856-G01 | 2 | ||
| 38 | Bag retainer strap | 71853-G01 | 1 | ||
| 39 | Ratchet fastener | 16816-G1 | 1/4" x 5/8" LG | 2 | |
| 40 | Carriage bolt | 71821-G01 | 1/4 - 20 x 1 1/2" LG | 2 | |
| 41 | Lock nut | 11027-G2 | 1/4 - 20 | 2 |
Seating, Convertible Carrier
| Sl. No. | Part description | Part number | Notes | Quantity | Purchase |
|---|---|---|---|---|---|
| 1 | Seat bottom assembly | 71611-G** | includes items 2-9 | 1 | |
| 2 | Tee nut | * | 8 | ||
| 3 | Rubber pad | 17074-G1 | 2 | ||
| 4 | Flat staple | * | 110 | ||
| 5 | Flat staple | * | 46 | ||
| 6 | Vinyl trim | 71012-G01 | Seat bottom | 1 | |
| 7 | Vinyl seat bottom cover | 71602-G** | 1 | ||
| 8 | Foam padding | * | Seat bottom | 1 | |
| 9 | Seat bottom | * | Wood | 1 | |
| 13 | Hip restraint | 71701-G01 | Passenger side | 1 | |
| 14 | Hip restraint | 71702-G01 | Driver side | 1 | |
| 15 | Bolt | 00414-G8 | 1/4 - 20 x 1" LG | 8 | |
| 19 | Seat hinge | 71610-G01 | 2 | ||
| 20 | Screw | 00720-G08 | #12 - 14 x 1" LG | 4 | |
| 22 | Seat back assembly | 71751-G** | includes items 23-29 | 1 | |
| 23 | Flat staple | * | 95 | ||
| 24 | Plastic seat back cover | 71752-G01 | 1 | ||
| 25 | Seat back | * | Wood | 1 | |
| 26 | Screw | 71002-G01 | #8 x 5/8" LG | 4 | |
| 27 | Tee nut | * | 4 | ||
| 28 | Foam padding | * | Seat back | 1 | |
| 29 | Vinyl seat back cover | 71753-G** | 1 | ||
| 31 | Spacer | 70364-G01 | 2 | ||
| 32 | Seat back support | 74111-G01 | 2 | ||
| 33 | Bolt | 00414-G8 | 1/4 - 20 x 1" LG | 4 | |
| 34 | Lock washer | 00565-G7 | 1/4" | 4 | |
| 35 | Bolt | 01006-G02 | 3/8 - 16 x 1 1/2" LG | 4 | |
| 36 | Washer | 00560-G1 | 3/8" | 4 | |
| 37 | Rubber bumper | 70113-G01 | 2 | ||
| 38 | Lock nut | 11027-G1 | 5/16 - 18 | 2 | |
| 40 | Seat back assembly | 71751-G** | includes items 23-29 | 1 | |
| 41 | Seat back mount | 75258-G01 | 1 | ||
| 42 | Bolt | 00414-G8 | 1/4 - 20 x 1" LG | 4 | |
| 43 | Lock washer | 00565-G7 | 1/4" | 4 | |
| 44 | Bolt | 16705-G6 | 1/4 - 20 x 1 3/4" LG | 2 | |
| 45 | Acorn nut | 00520-G1 | 1/4 - 20 | 2 | |
| 46 | End plug | 19859-G1 | 3/4" | 2 | |
| 48 | Bed | 75229-G01 | 1 | ||
| 49 | Seat bottom assembly | 75263-G** | Includes item 50 | 1 | |
| 50 | Seat bottom | 75197-G** | includes item 51 | 1 | |
| 51 | Vinyl seat bottom cover | 75252-G** | 1 | ||
| 52 | Screw | 00762-G4 | 5/16 - 18 x 1 1/2" LG | 2 | |
| 53 | Teflon washer | 17255-G1 | 5/16" | 4 | |
| 54 | Lock nut | 00654-G3 | 5/16 - 18 | 2 | |
| 55 | End cap | 19859-G1 | 3/4" | 4 | |
| 58 | Bed front | 75273-G01 | includes mat | 1 | |
| 59 | Bolt | 00661-G6 | 1/4 - 20 x 3/4" LG | 4 | |
| 60 | Washer | 00559-G8 | 5/16" | 4 | |
| 61 | Support frame | 75193-G01 | 1 | ||
| 62 | Bolt | 00438-G8 | 5/16 - 18 x 1" LG | 2 | |
| 63 | Washer | 00559-G8 | 5/16" | 2 | |
| 64 | Lock nut | 11027-G1 | 5/16 - 18 | 2 | |
| 65 | Bolt | 00440-G4 | 5/16 - 18 x 2 1/2" LG | 2 | |
| 66 | Nylon bushing | 17838-G1 | 4 | ||
| 67 | Washer | 00559-G8 | 5/16" | 2 | |
| 68 | Lock nut | 00654-G3 | 5/16 - 18 | 2 | |
| 69 | Handrail | 75196-G01 | 2 | ||
| 70 | Bolt | 00762-G02 | 5/16 - 18 x 1 1/4" LG | 2 | |
| 71 | Lock washer | 00664-G8 | 5/16" | 2 | |
| 72 | Acorn nut | 00520-G3 | 5/16 - 18 | 2 | |
| 73 | End cap | 75261-G02 | 1" | 4 |
Tow Bar – Permanent
| Sl. No. | Part description | Part number | Notes | Quantity | Purchase |
|---|---|---|---|---|---|
| 1 | Mounting plate | 75318-G01 | 1 | ||
| 2 | Stop mount plate | 75319-G01 | 1 | ||
| 3 | Screw | 16705-G1 | 1/4 - 20 x 1" LG | 3 | |
| 4 | Lock nut | 00891-G2 | 1/4 - 20 | 3 | |
| 5 | Female stop | 75338-G02 | 1 | ||
| 8 | Tow bar | 75304-G01 | Towing vehicle, includes items 9-29 | 1 | |
| 9 | Tow bar | 75299-G01 | 1 | ||
| 10 | Upper pivot | 75302-G01 | 1 | ||
| 11 | Lower pivot | 75291-G01 | 1 | ||
| 12 | Bolt | 00410-G8 | 1/2 - 20 x 3" LG | 1 | |
| 13 | Washer | 00675-G3 | 1/2" | 1 | |
| 14 | Spring washer | 75339-G01 | 1 | ||
| 15 | Washer | 00571-G5 | 1/2" | 1 | |
| 16 | Lock nut | 11098-G8 | 1/2 - 20 | 1 | |
| 17 | Latch stop | 75362-G01 | 1 | ||
| 18 | Delrin washer | 75340-G01 | 3/8" | 2 | |
| 19 | Pivot pin | 75360-G01 | 2 | ||
| 20 | Spring pin | 13571-G7 | 2 | ||
| 21 | Latch | 75303-G01 | 1 | ||
| 22 | Compression spring | 20852-G2 | 1 | ||
| 23 | Cup washer | 25661-G02 | 1 | ||
| 24 | Shoulder bolt | 13005-G4 | 5/16 - 18 x 1 5/8" LG | 1 | |
| 25 | Label | 75370-G01 | Warning | 1 | |
| 26 | Male stop | 75338-G03 | 1 | ||
| 27 | Bolt | 12547-G4 | 6MM X 1 X 30 MM LG | 1 | |
| 28 | Lock washer | 00565-G8 | 5/16" | 1 | |
| 29 | Acorn nut | 00520-G3 | 5/16 - 18 | 1 | |
| 31 | Tow bar hitch | 75308-G01 | Towed vehicle, includes items 32 - 48 | 1 | |
| 32 | Hitch | 75305-G01 | 1 | ||
| 33 | Pivot bolt | 75292-G01 | 1 | ||
| 34 | Thrust washer | 75309-G01 | 2 | ||
| 35 | Washer | 75342-G01 | 3/4" | 1 | |
| 36 | Castellated nut | 00518-G8 | 3/4 - 16 | 1 | |
| 37 | Cotter pin | 10387-G1 | 1/8" x 1 1/2" LG | 2 | |
| 38 | Bearing | 75307-G01 | 1 | ||
| 39 | Lock washer | 00566-G6 | 3/4" | 1 | |
| 40 | Nut | 00533-G8 | 3/4 - 16 | 1 | |
| 42 | Tie rod assembly | 70905-G01 | includes items 43 - 47 | 1 | |
| 43 | Threaded rod | 70903-G01 | 1 | ||
| 44 | Tie rod end | 70902-G01 | Left hand threads | 1 | |
| 45 | jam nu | 01069-G01 | M12 x 1.25 - 05 (Left hand threads) | 1 | |
| 46 | Tie rod end | 70902-G02 | Right hand threads | 1 | |
| 47 | Jam nut | 01069-G02 | M12 x 1.25 - 05 (Right hand threads) | 1 | |
| 48 | Lock nut | 00734-G1 | 7/16 - 14 | 2 | |
| 51 | Tie rod end | 27205-G01 | Left hand thread, includes items 52, 55, 56 | 1 | |
| 52 | Jam nut | 18434-G3 | 9/16 - 18 (Left hand thread) | 1 | |
| 53 | tie rod end | 27205-G02 | Right hand thread, includes items 54-56 | 1 | |
| 54 | Jam nut | 18434-G4 | 9/16 - 18 (Right hand thread) | 1 | |
| 55 | Rubber boot | 50641-G1 | 1 | ||
| 56 | Slotted nut | 50209-G2 | 7/16 - 20 | 1 | |
| 58 | Grease fitting, straight | 10389-G3 | 2 | ||
| 59 | Cotter pin | 10387-G2 | 3/32" x 1" LG | 2 |
Tow Bar – Casual
| Sl. No. | Part description | Part number | Notes | Quantity | Purchase |
|---|---|---|---|---|---|
| 1 | Casual tow bar | 75033-G01 | includes items 2 - 15 | 1 | |
| 2 | Tow bar | * | 1 | ||
| 3 | Tie rod | 75034-G01 | Includes nut and cotter pin | 1 | |
| 4 | Coupling | 75060-G01 | 1 | ||
| 5 | Lock pin | * | 1 | ||
| 6 | Compression spring | 75065-G01 | 1 | ||
| 7 | Washer | 00922-G2 | 3/8" | 1 | |
| 8 | Cotter pin | 10387-G2 | 3/32" x 1" LG | 1 | |
| 9 | Safety pin | 75068-G01 | 1 | ||
| 10 | Wire rope | 14869-G5 | 1 | ||
| 11 | Ferrule | 16783-G1 | 3 | ||
| 12 | Ferrule | 75067-G01 | 1 | ||
| 13 | Hex head plug | 75035-G02 | 1 | ||
| 14 | Wire rope | 14869-G3 | 1 | ||
| 15 | Label | 75091-G01 | Warning | 1 |
Weather Protection – Golf Car
| Sl. No. | Part description | Part number | Notes | Quantity | Purchase |
|---|---|---|---|---|---|
| 1 | Sun top kit | 75040-G** | golf car, includes items 2 -19 | 1 | |
| 2 | Sun top | 27069-G** | 1 | ||
| 3 | Front strut | 75045-G01 | 1 | ||
| 4 | Bolt | 01035-G01 | 5/16 - 18 x 2 1/4" LG | 4 | |
| 5 | Lock washer | 00905-G8 | 5/16" | 4 | |
| 6 | Spacer | 75048-G01 | 1/2" | 2 | |
| 7 | Washer | 00570-G2 | 5/16" | 6 | |
| 8 | Rear strut | 75046-G01 | 2 | ||
| 10 | Bolt | 00439-G6 | 5/16 - 18 x 1 3/4" LG | 4 | |
| 11 | Washer | 00571-G2 | 5/16" | 8 | |
| 12 | Teflon washer | 17255-G1 | 5/16" | 4 | |
| 13 | Lock nut | 11098-G6 | 5/16 - 18 | 4 | |
| 14 | Screw | 00753-G5 | 1/4 - 20 x 2" LG (Stainless steel) | 2 | |
| 15 | Screw | 00753-G6 | 1/4 - 20 x 2 1/4" LG (Stainless steel) | 2 | |
| 16 | Washer | 00559-G7 | 1/4" | 8 | |
| 17 | Spacer | 75051-G01 | 4 | ||
| 18 | Lock nut | 00891-G2 | 1/4 - 20 | 4 | |
| 19 | End cap | 19853-G1 | 1" | 2 | |
| 21 | Rear view mirror kit | 19528-G2 | includes items 22 - 24 | 1 | |
| 22 | Rear view mirror | 19496-G1 | 1 | ||
| 23 | Support bracket | 19502-G2 | 1 | ||
| 24 | Screw | 19527-G1 | #8 - 32 x 5/8" LG (Stainless steel) | 1 | |
| 26 | Windshield kit | 75524-G01 | Golf car, includes items 27 - 33 | 1 | |
| 27 | Windshield | * | 1 | ||
| 28 | Sash | EGWHC12 | 26" LG | 2 | |
| 29 | Screw | EGWHS12 | 1/4 - 20 x 1 3/4" LG (Stainless steel) | 2 | |
| 30 | Washer | EGWHW12 | 1/4" (Stainless steel) | 4 | |
| 31 | Rubber grommet | EGWHG13 | 2 | ||
| 32 | Lock nut | EGWHN12 | 1/4 - 20 (Stainless steel) | 2 | |
| 33 | Label | EGWHL-14 | Safety | 1 | |
| 35 | Fold down windshield kit | 75525-G01 | Golf car, includes items 36 - 42 | 1 | |
| 36 | Windshield | * | 1 | ||
| 37 | Sash | EGWHC10 | 12" LG | 2 | |
| 38 | Screw | EGWHS12 | 1/4 - 20 x 1 3/4" LG (Stainless steel) | 2 | |
| 39 | Washer | EGWHW12 | 1/4" (Stainless steel) | 4 | |
| 40 | Rubber grommet | EGWHG13 | 2 | ||
| 41 | Lock nut | EGWHN12 | 1/4 - 20 (Stianless steel) | 2 | |
| 42 | Top grip | 137-010 | 3/4" x 2" | 2 | |
| 43 | Top grip fastener | 136-008 | 2 | ||
| 44 | Label | EGWHL-14 | Safety | 1 | |
| 46 | Weather enclosure | 75078-G01 | 3 sided, recommended for vehicles with windshields | 1 | |
| 47 | Weather enclosure | 75079-G01 | 4 sided, recommended for vehicles without windshields | 1 | |
| 49 | Bag cover and rain curtain kit | 75191-G01 | 1 |
Wheels and Tires
| Sl. No. | Part description | Part number | Notes | Quantity | Purchase |
|---|---|---|---|---|---|
| 1 | Tire and wheel assembly | 27772-G09 | links 1 18 x 8.5 -8, includes items 2-4 | AR | |
| 2 | Links 1 carlisle tire | 27772-G10 | 18 x 8.5 - 8 | AR | |
| 3 | Wheel rim | 15169-G1 | 4 lug | AR | |
| 4 | Valve stem | 11657-G1 | AR | ||
| 5 | Wheel and tire assembly | 27772-G03 | Turf saver 18 x 8.5 - 8, includes items 6-8 | AR | |
| 6 | Carlisle tire | 27772-G07 | Turf saver 18 x 8.5 - 8 | AR | |
| 7 | Wheel rim | 15169-G1 | 4 lug | AR | |
| 8 | Valve stem | 11657-G1 | AR | ||
| 9 | Wheel and tire assembly | 27775-G01 | USA trail 6 ply 18.5 x 8.5 - 8, includes items 10-12 | AR | |
| 10 | Carlisle tire | 27775-G02 | USA trail, 6ply 18 x 8.5- 8 | AR | |
| 11 | Wheel rim | 15169-G1 | 4 lug | AR | |
| 12 | Valve stem | 11657-G1 | AR | ||
| 13 | Wheel and tire assembly | 27772-G02 | Turf glide 18 x 8.5 - 8, includes items 14 - 1 6 | AR | |
| 14 | Carlisle tire | 27772-G06 | Turf glide 18 x 8.5 - 8 | AR | |
| 15 | Wheel rim | 15169-G1 | 4 lug | AR | |
| 16 | Valve stem | 11657-G1 | AR | ||
| 17 | Wheel and tire assembly | 27772-G04 | Fairway 18 x 8.5 - 8, includes items 18 - 20 | AR | |
| 18 | Carlisle tire | 27772-G08 | Fairway 18 x 8.5 - 8 | AR | |
| 19 | Wheel rim | 15169-G1 | 4 lug | AR | |
| 20 | Valve stem | 11657-G1 | AR | ||
| 22 | 8" chrome hubcap | 14913-G** | AR | ||
| 23 | 6" chrome hubcap | 16042-G** | AR | ||
| 24 | Gold spoke hubcap | 19241-G** | AR | ||
| 25 | Silver spoke hubcap | 19241-G** | AR |
Specialty Products
| Sl. No. | Part description | Part number | Notes | Quantity | Purchase |
|---|---|---|---|---|---|
| 1 | Battery set discharger | 28251-G01 | 36 volt, 75 AMP | ||
| 2 | Battery maintenance kit | 25587-G01 | |||
| 3 | Currect indicator | 16489-G1 | |||
| 4 | Digital multi-meter | 27481-G01 | |||
| 5 | Crimping tool | 27765-G01 | |||
| 6 | Slide hammer | 15947-G1 | Axle/Hub removal | ||
| 7 | Slide hammer | 18753-G1 | Axle removal only | ||
| 8 | Hunter green - touch up pen | 28432-G02 | |||
| 9 | Champagne beige - touch up pen | 28432-G01 | |||
| 10 | Hunter green | 28140-G09 | Aerosol | 12 OZ | |
| 11 | Champagne beige | 28140-G15 | Aerosol | 12 OZ | |
| 12 | Formula 40 vinyl coat - white | 28166-G01 | |||
| 13 | Plexus cleaner | 28433-G01 | For windshields | 7 OZ | |
| 14 | Plexus cleaner | 28433-G02 | For windshields | 13 OZ | |
| 15 | Battery protector | 75500-G01 | Aerosol | 14 OZ | |
| 16 | Carburetor & choke cleaner | 75501-G01 | Aerosol | 15 OZ | |
| 17 | White lithium grease | 75502-G01 | Aerosol | 14 OZ | |
| 18 | Penetrant/Lubricant | 75503-G01 | Aerosol | 15 OZ | |
| 19 | Multi-purpose cleaner & degreaser | 75504-G01 | Aerosol | 14 OZ | |
| 20 | Multi-purpose hand cleaner | 75505-G01 | Liquid | 32 OZ | |
| 21 | Battery cleaner | 75506-G01 | with trigger sprayer | 32 OZ | |
| 22 | Biodegradeable cleaner | 75507-G01 | with trigger sprayer | 32 OZ | |
| 23 | Multi-purpose value pack | 75508-G01 | |||
| Battery Protector | Aerosol | 4 OZ | |||
| Penetrant/Lubricant | Aerosol | 4 OZ | |||
| White lithium grease | Aerosol | 4 OZ | |||
| Carburetor & choke cleaner | Aerosol | 4 OZ |
Accessories
| Sl. No. | Part description | Part number | Notes | Quantity | Purchase |
|---|---|---|---|---|---|
| 1 | Sun top kit | 75040-G** | See weather protection (golf car) | ||
| 2 | Sun top kit | 75123-G01 | See weather protection (Shuttle 2+2) | ||
| 3 | Windshield kit | 75524-G01 | See weather protection (golf car) | ||
| 4 | Windshield kit | 75524-G02 | See weather protection (Shuttle 2+2) | ||
| 5 | Windshield kit | 75525-G01 | See weather protection fold down, golf car | ||
| 6 | Windshield kit | 75525-G02 | See weather protection fold down, shuttle 2+2 | ||
| 7 | Sand rake | 14735-G1 | See body | ||
| 8 | Tow bar kit | 75310-G01 | See tow bar (Permanent) | ||
| 9 | Weather enclosure | 75078-G01 | 3 sided, see weather protection (Golf car) | ||
| 10 | Weather enclosure | 75492-G01 | 3 sided, see weather protection (Shuttle 2+2) | ||
| 11 | Weather enclosure | 75079-G01 | 4 sided, See weather protection (Golf car) | ||
| 12 | Rear view mirror | 19528-G2 | Requires sun top, see weather protection (golf car) | ||
| 13 | Message holder kit | 75094-G01 | Requires sun top, See body | ||
| 14 | Hour meter | 75113-G02 | See electrical | ||
| 15 | Cooler jug / bracket kit | 75495-G01 | See body | ||
| 16 | Bag cover / rain curtain kit | 75191-G01 | See weather protection (Golf car) | ||
| 17 | Ashtray kit | 75109-G02 | See body | ||
| 18 | Turn signal kit | 75107-G02 | See electrical | ||
| 19 | Sand bottle | 28661-G01 | See body | ||
| 20 | 8" chrome hubcap | 14913-G* | See wheels and tires | ||
| 21 | 6" chrome hubcap | 16042-G* | See wheels and tires | ||
| 22 | Gold spoke hubcap | 19241-G* | See wheels and tires | ||
| 23 | Silver spoke hubcap | 19241-G* | See wheels and tires | ||
| 24 | Shuttle 2+2 kit | 74150-G** | See body, seating (shuttle 2+2) | ||
| 25 | Center basket | 75003-G02 | See body | ||
| 26 | Side basket | 75007-G02 | See body | ||
| 27 | Two bag attachment | 75183-G01 | See body | ||
| 28 | Convertible carrier kit | 75179-G* | See body, seating (Convertible carrier) | ||
| 29 | 4 bag attachment | 75335-G01 | See body |














































