Medalist 4 Caddy Gasoline
Accelerator Linkage
| Sl. No. | Part description | Part number | Notes | Quantity | Purchase |
|---|---|---|---|---|---|
| 1 | Accelerator pedal box assembly | 72062-G01 | includes items 2-46 | 1 | |
| 2 | Bracket, accelerator pedal | 70116-G01 | 1 | ||
| 3 | Pedal box and cover | 25853-G02 | 1 | ||
| 4 | Setscrew | 00487-G3 | 1/4 - 20 x 3/8 LG | 1 | |
| 6 | Screw | 00984-G01 | #8 - 32 x 1/2 LG | 4 | |
| 7 | Pin, cotter | 10387-G3 | 3/32 x 3/4 LG | 1 | |
| 8 | Accelerator pedal assembly | 25799-G01 | includes items 9-11 | 1 | |
| 9 | Rivet, oval | 16409-G1 | 3/8 x 15/32 LG | 6 | |
| 10 | Pad, accelerator pedal | 27512-G01 | 1 | ||
| 11 | Pedal, accelerator | 70125-G01 | 1 | ||
| 13 | Screw | 00684-G6 | #8 -10 x 1/2 LG | 4 | |
| 14 | Bushing | 17838-G1 | 3 | ||
| 15 | Pin, pedal pivot | 70134-G01 | 1 | ||
| 16 | Pushnut | 00986-G01 | 19/64 | 1 | |
| 19 | Switch, micro | 25861-G01 | 1 | ||
| 20 | Screw | 00982-G01 | #4 - 14 x 5/8 LG | 2 | |
| 21 | Wiring harness, pedal box | 72201-G01 | 1 | ||
| 22 | Cable, accelerator | 72065-G01 | with nut | 1 | |
| 23 | Cam, micro switch | 72198-G01 | 1 | ||
| 25 | Bracket, pivot | 72199-G01 | 1 | ||
| 26 | Control arm | 72066-G01 | 1 | ||
| 27 | Pivot rod | 25768-G01 | 1 | ||
| 28 | Nut, lock | 14390-G1 | 3/8 - 24 | 1 | |
| 30 | Spring, compression | 73046-G01 | 1 | ||
| 31 | Retainer, spring | 17677-G1 | 1 | ||
| 32 | Rod, accelerator | 72072-G01 | 1 | ||
| 33 | Bushing, accelerator rod | 17979-G1 | 1 | ||
| 34 | Nut | 00532-G4 | 5/16 - 24 | 1 | |
| 35 | Pin, clevis | 10386-G3 | 5/16 x 1 LG | 1 | |
| 36 | Bearing | 23860-G1 | 2 | ||
| 37 | Washer, nylon | 24621-G1 | 5/16 | 2 | |
| 38 | Washer, teflon | 17255-G1 | 5/16 | 1 | |
| 39 | Pushnut | 12064-G1 | 1/4 | 1 | |
| 40 | Nut, nylon | 01009-G01 | 5/16 - 24 | 1 | |
| 41 | Nut,lock | 14390-G10 | #10 - 24 | 1 | |
| 42 | Yoke, clevis | 10385-G4 | 1 | ||
| 43 | Nut, lock | 00550-G4 | 5/16 - 24 | 1 | |
| 44 | Link, control arm | 72074-G01 | 1 | ||
| 45 | Bolt, shoulder, socket button head | 72225-G01 | 1 | ||
| 46 | Retainer, spring | 17677-G2 | 1 | ||
| 48 | Governor bellcrank assembly | 25690-G01 | includes items 49 - 54 | 1 | |
| 49 | Bellcrank, governor | 25765-G01 | 1 | ||
| 50 | Ball, ball joint | 24479-G1 | 1 | ||
| 51 | Nut, lock | 00734-G5 | 10 - 32 | 1 | |
| 53 | Bracket, governor | 22751-G2 | 1 | ||
| 54 | Nut, lock | 14390-G4 | 1/4 - 20 | 1 | |
| 56 | Setscrew | 00491-G4 | 1/4 - 20 x 1/2 LG | 1 | |
| 57 | Spring, governor to accelerator bracket | 25738-G01 | 1 | ||
| 58 | Bracket, accelerator cable | 25653-G01 | 1 | ||
| 59 | Washer | * | Provided on differential | 2 | |
| 60 | Nut | * | Provided on differential | 2 | |
| 61 | Governor pivot bracket assembly | 25702-G01 | includes items 62 - 64 | 1 | |
| 62 | Nut, lock | 14390-G1 | 3/8 - 24 | 1 | |
| 63 | Bracket, bellcrank | 25655-G01 | 1 | ||
| 64 | Pivot, governor | 25763-G01 | 1 | ||
| 66 | Washer, lock | 00565-G8 | 5/16 | 2 | |
| 67 | Bolt | 00276-G6 | 5/16 - 24 x 3/4 LG | 2 | |
| 68 | Nut | 00526-G4 | #10 - 32 | 2 | |
| 69 | Linkage rod, governor | 25737-G03 | 1 | ||
| 70 | Linkage rod, carburetor | 25737-G01 | complete | 1 | |
| 71 | Linkage rod, throttle | 25737-G02 | complete | 1 | |
| 72 | Nut,lock | 14390-G1 | 3/8 - 24 | 1 | |
| 73 | Socket, balljoint | 24465-G1 | AR | ||
| 74 | Bellcrank, carburetor linkage | 25760-G01 | 1 | ||
| 75 | Bolt | 00414-G8 | 1/4 - 20 x 1 LG | 2 | |
| 76 | Pivot bracket | 72197-G01 | 1 | ||
| 77 | Nut, lock | 14390-G4 | 1/4 - 20 | 2 | |
| 78 | Bolt | 00715-G2 | 5/16 - 18 x3/4 LG | 4 | |
| 79 | Choke control assembly, complete | 25693-G04 | with nuts | 1 | |
| 80 | Washer, lock | 00568-G4 | 9/16 | 1 | |
| 81 | Nut | 00545-G4 | 9/16 - 18 | 1 | |
| 82 | Nut | 00544-G4 | 5/16 - 24 | 2 | |
| 83 | Bracket, choke | 26728-G01 | 1 | ||
| 84 | Pushnut | 12064-G3 | 3/16 | 1 | |
| 86 | Adapter, choke cable | 72154-G01 | 1 | ||
| 87 | Retainer, adapter | 72155-G01 | 1 | ||
| 88 | Cover, pedal pivot | 70135-G01 | 1 |
Body and Associated Parts
| Sl. No. | Part description | Part number | Notes | Quantity | Purchase |
|---|---|---|---|---|---|
| 1 | Instrument panel assembly | 71151-G01 | includes items 2-5 | 1 | |
| 2 | Ball deflector | 71153-G01 | Passenger side | 1 | |
| 3 | Ball deflector | 71154-G01 | Driver's side | 1 | |
| 5 | Screw | 00614-G5 | #8 - 18 x 5/8 LG | 6 | |
| 7 | Cowl | 71071-G02 | 1 | ||
| 8 | Cowl cap | 71030-G01 | 1 | ||
| 9 | Bracket, cowl support | 71101-G01 | 1 | ||
| 10 | Nameplate, E-Z-GO | 19817-G1 | 1 | ||
| 13 | Pushnut | 12064-G3 | 3/16 | 3 | |
| 14 | Cowl, front | 71071-G01 | 1 | ||
| 15 | Tab, retaining | 71076-G01 | 2 | ||
| 17 | Fender flange | 71036-G01 | Driver's side | 1 | |
| 18 | Fender flange | 71035-G01 | Passenger side | 1 | |
| 19 | Rivet, stainless steel | 10570-G10 | 5/32 x 1/2 LG | 2 | |
| 20 | Rivet | 14601-G10 | 5/32 x 7/16 LG | 16 | |
| 21 | Rivet | 10570-G10 | 5/32 x 9/16 LG | 2 | |
| 22 | Washer | 16469-G7 | 1/4 | 1 | |
| 23 | Bolt | 71102-G02 | 1/4 - 20 x 1/2 LG | 4 | |
| 24 | Washer | 15121-G3 | 1 1/4 O.D. X 7/32 I.D. | 2 | |
| 26 | Panel, splash, front cowl | 71117-G01 | 1 | ||
| 27 | Bolt | 71056-G01 | 5/16 - 18 x 5/8 LG | 4 | |
| 29 | Ratchet fastener | 16816-G2 | 4 | ||
| 30 | Trim, vinyl | 71115-G01 | 2 | ||
| 31 | Label, safety | 27826-G01 | Gasoline vehicle | 1 | |
| 32 | Label, safety | 27647-G01 | Electric vehicle | 1 | |
| 33 | Rivet | 14601-G13 | 5/32 x 9/16 LG | 2 | |
| 34 | Rivet | 14601-G11 | 3/16 x 9/16 LG | 10 | |
| 36 | Upper floorpan | 70047-G01 | 1 | ||
| 37 | Lower floorpan | 70132-G01 | 1 | ||
| 38 | Cover, switch access | 70164-G01 | 1 | ||
| 40 | Rivet | 14601-G11 | 3/16 x 9/16 LG | 7 | |
| 41 | Noise suppressor strip | 18391-G1 | 2 | ||
| 42 | Noise suppressor, trunk lid | 72113-G01 | 1 | ||
| 43 | Noise suppressor, bagwell | 22744-G1 | 1 | ||
| 44 | Noise suppressor, seat wrap | 72112-G01 | Gasoline vehicle | 1 | |
| 47 | Bagwell | 71401-G02 | 1 | ||
| 48 | Plug hole, bumper | 20271-G2 | 2 | ||
| 49 | Clamp | 73053-G01 | DCS model only | 3 | |
| 50 | Rivet, stainless steel | 10570-G10 | 5/32 x 9/16 LG | 8 | |
| 51 | Washer | 00559-G4 | #8 (DCS model only) | 3 | |
| 52 | Rivet | 18436-G1 | 1/4 x 5/8 LG | 4 | |
| 54 | Fender liner | 71551-G04 | Passenger side | 1 | |
| 55 | Fender liner | 71552-G04 | Driver's side | 1 | |
| 56 | Ratchet fastener | 16816-G2 | 12 | ||
| 57 | Rivet | 71055-G01 | 3/16 x 3/8 LG | 4 | |
| 58 | Fender liner | 71552-G02 | Driver's side (Freedom) | 1 | |
| 59 | Fender liner | 71551-G02 | Passenger side (Freedom) | 1 | |
| 60 | Rivet, stainless steel | 10570-G11 | 3/16 x 11/16 LG | 4 | |
| 61 | Plate, seat hinge | 71616-G01 | Vehicles prior to serial no.895713 | 2 | |
| 62 | Plate, seat hinge | 71609-G01 | Vehicles after serial no.895713 | 2 | |
| 63 | Access panel | 71353-G01 | 1 | ||
| 64 | Screw | 71002-G01 | #8 x 1/2 LG | 6 | |
| 65 | Filler panel | 71347-G01 | Passenger side | 1 | |
| 66 | Filler panel | 71348-G01 | Driver side | 1 | |
| 68 | Rivet | 10570-G12 | 1/4 x 1/2 LG | 4 | |
| 69 | Speed nut | 71003-G01 | #8 | 4 | |
| 70 | Rivet | 14601-G13 | 5/32 x 9/16 LG | 2 | |
| 71 | Ratchet fastener | 16816-G2 | 2 | ||
| 72 | Rivet | 14601-G10 | 5/32 x 7/16 LG | 8 | |
| 73 | Seatwrap scuffguard | 71377-G01 | 1 | ||
| 75 | Access panel, scuffguard | 75017-G01 | 1 | ||
| 78 | Fender | 71341-G** | Passenger side | 1 | |
| 79 | Fender pocket | 71345-G01 | Passenger side | 1 | |
| 80 | Fender cap | 71355-G01 | Passenger side | 1 | |
| 82 | Scuff guard | 71373-G02 | Passenger side | 1 | |
| 83 | Fender | 71342-G** | Driver's side | 1 | |
| 84 | Fender pocket | 71346-G01 | Driver's side | 1 | |
| 85 | Fender cap | 74354-G02 | Passenger side (Freedom) | 1 | |
| 86 | Fender cap | 71356-G01 | Driver's side | 1 | |
| 87 | Scuff guard | 71373-G01 | Driver's side | 1 | |
| 88 | Fender cap | 74354-G01 | Driver's side (Freedom) | 1 | |
| 89 | Screw | 00228-G4 | #10 - 24 x 1/2 LG | 3 | |
| 91 | Rivet | 14601-G10 | 5/32 x 7/16 LG | 5 | |
| 92 | Ratchet fastener | 16816-G2 | 4 | ||
| 94 | Speed nut | 71003-G03 | #8 | 4 | |
| 95 | Screw | 71004-G01 | #8 x 3/8 LG | 4 | |
| 96 | Nut, lock | 11027-G3 | 10 - 24 | 3 | |
| 98 | Battery tray | 70245-G01 | Gasoline vehicle | 1 | |
| 99 | Bolt | 00715-G2 | 5/16 - 18 x 13/16 LG | 4 | |
| 101 | Decal, freedom | 23676-G1 | AR | ||
| 102 | Decal, freedom HP | 27504-G01 | AR | ||
| 103 | Decal, 4 caddy | 75178-G01 | AR | ||
| 104 | Decal, DCS | 73162-G01 | AR | ||
| 106 | Floormat | 70048-G02 | Freedom only | 1 | |
| 107 | Floormat | 70048-G01 | 1 | ||
| 108 | Sill plate, rocker panel | 23850-G1 | Passenger side | 1 | |
| 109 | Sill plate, rocker panel | 23850-G2 | Driver's side | 1 | |
| 111 | Screw, stainless steel | 16705-G1 | 1/4 - 20 x 1 LG | 4 | |
| 112 | Spacer | 23726-G4 | 4 | ||
| 113 | Nut, lock | 00891-G2 | 1/4 - 20 | 4 | |
| 114 | Rocker panel | 71501-G01 | Passenger side | 1 | |
| 115 | Rocker panel | 71502-G01 | Driver's side | 1 | |
| 118 | Seatwrap | 71379-G** | DCS model only | 1 | |
| 119 | Seatwrap | 71361-G** | 1 | ||
| 120 | Seat frame | 70317-G01 | Gasoline vehicle | 1 | |
| 121 | Screw | 70200-G01 | 3/8 - 16 x 1/4 LG | 2 | |
| 123 | Seat frame | 70318-G01 | Electric vehicle | 1 | |
| 124 | Battery pack | 70046-G01 | Electric vehicle | 1 | |
| 127 | Bolt | 00715-G2 | 5/16 - 18 x 13/16 LG | 5 | |
| 128 | Screw | 00438-G6 | 5/16 - 18 x 3/4 LG | 2 | |
| 129 | Nut, lock | 11098-G6 | 5/16 - 18 | 2 | |
| 130 | Washer | 00559-G8 | 5/16 | 2 | |
| 136 | Nut, lock | 11027-G01 | 5/16 - 18 | 2 | |
| 139 | Panel, splash | 70244-G02 | Electric vehicle | 2 | |
| 140 | Panel, splash | 70244-G01 | Gasoline vehicle | 1 | |
| 141 | Insert, 4 cup instrument panel | 71158-G01 | 1 | ||
| 151 | Frame support, vertical | 74126-G01 | Passenger side | 1 | |
| 152 | Frame support, vertical | 74126-G02 | Driver's side | 1 | |
| 153 | Bolt | 00426-G8 | 3/8 - 16 x 1 LG | 2 | |
| 154 | Washer | 00560-G1 | 3/8 | 8 | |
| 155 | Nut, lock | 11098-G5 | 3/8 - 16 | 4 | |
| 156 | Bolt | 00427-G4 | 3/8 - 16 x 1 1/2 LG | 2 | |
| 157 | Panel, valance | 74127-G01 | 1 | ||
| 158 | Reflector | 74128-G01 | 2 | ||
| 159 | Rivet, plastic | 16816-G2 | 6 | ||
| 160 | Plug, end | 19853-G1 | 2 | ||
| 161 | Foot rest assembly | 74105-G01 | includes items 162- 164 | 1 | |
| 162 | Reflector | 74129-G01 | 1 | ||
| 163 | Label, warning | 74132-G01 | 1 | ||
| 164 | Mat, floor | 74107-G01 | 1 | ||
| 166 | Bolt, carraige | 00769-G2 | 3/8 - 16 x 1 1/4 LG | 2 | |
| 167 | Washer | 00560-G1 | 3/8 | 2 | |
| 168 | Nut, lock | 11098-G5 | 3/8 - 16 | 2 | |
| 170 | Screw | 00114-G6 | 1/4 - 14 x 3/4 LG | 4 | |
| 171 | Fastener | 16816-G2 | 2 | ||
| 173 | Front shield | 27166-G02 | 1 | ||
| 174 | Brace, front shield | 71015-G01 | 2 | ||
| 175 | Washer | 16469-G7 | 1/4 | 2 |
Brake Linkage
| Sl. No. | Part description | Part number | Notes | Quantity | Purchase |
|---|---|---|---|---|---|
| 1 | Brake pedal assembly | 70263-G01 | includes items 2-27, vehicles with brake lights | 1 | |
| 2 | Pedal, brake | * | 1 | ||
| 3 | Pedal, park brake | * | 1 | ||
| 4 | Brake/park brake pedal pad kit | 70274-G01 | includes items 5-7 | 1 | |
| 5 | Pad, brake pedal | * | 1 | ||
| 6 | Pad, park brake | * | 1 | ||
| 7 | Rivet | 15766-G1 | 3/8 x 15/32 LG | 9 | |
| 9 | Plate, brake pedal | * | 1 | ||
| 10 | Pin, park brake pedal | 15932-G2 | 1 | ||
| 11 | Spring, torsion, park brake | 11737-G1 | 2 | ||
| 12 | Pushnut | 12064-G1 | 5/16 | 1 | |
| 13 | Screw | 00737-G8 | #10 - 24 x 1 LG | 4 | |
| 14 | Nut, rubber | 00739-G1 | #10 - 24 | 2 | |
| 15 | Standoff, brake pedal | 22362-G3 | 2 | ||
| 16 | Spring, conical | 27137-G01 | 2 | ||
| 17 | Nut, lock | 11098-G7 | #10 - 24 | 2 | |
| 18 | Switch, micro | 10606-G8 | 1 | ||
| 19 | Screw | 00645-G2 | #6 - 32 x 1 1/4 LG | 2 | |
| 20 | Washer | 00559-G3 | #6 | 2 | |
| 21 | Washer, lock | 00565-G3 | #6 | 2 | |
| 22 | Nut | 00525-G5 | #6 - 32 | 2 | |
| 23 | Screw, brass | * | 2 | ||
| 24 | Washer, lock | 00567-G3 | #6 | 6 | |
| 25 | Tab, faston | 14628-G1 | 5/16 x 5/16 LG | 2 | |
| 27 | Nylon clamp | 17618-G1 | 3 | ||
| 30 | Bolt, shoulder | 70096-G01 | 3/8 - 16 x 3 LG | 1 | |
| 31 | Bushing, flanged | 11079-G1 | 2 | ||
| 32 | Spring, torsion | 70138-G01 | 1 | ||
| 33 | Nut | 11098-G5 | 3/8 - 16 | 1 | |
| 34 | Washer | 00643-G1 | 3/8 | 1 | |
| 35 | Nut, lock | 11027-G2 | 1/4 - 20 | 2 | |
| 36 | Catch bracket, park brake | 70080-G01 | 1 | ||
| 37 | Bolt | 00414-G6 | 1/4 - 20 x 3/4 LG | 2 | |
| 40 | Compensator assembly | 70272-G04 | includes items 42 - 54 | 1 | |
| 42 | Rod, link | 25882-G04 | 1 | ||
| 43 | Nut | 00532-G4 | 5/16 - 24 | 2 | |
| 44 | Nut, lock | 11098-G9 | 5/16 - 24 | 1 | |
| 46 | Yoke, brake | 27330-G01 | 1 | ||
| 47 | Washer | 15121-G1 | 3/8 | 2 | |
| 48 | Tube | 23061-G2 | 1 | ||
| 49 | Spring, compression | 23463-G1 | 1 | ||
| 51 | Bushing, accelerator rod | 17979-G1 | 1 | ||
| 54 | Nut, spherical | 00963-G01 | 5/16 - 24 | 1 | |
| 55 | Equalizer and brake cable assembly | 70273-G03 | includes items 56 - 59 | 1 | |
| 56 | Bracket, equalizer | 28082-G01 | 1 | ||
| 57 | Cable, brake, passenger side | * | 1 | ||
| 58 | Cable, brake, driver's side | * | 1 | ||
| 59 | Bumper, brake compensator | 28083-G01 | 2 | ||
| 61 | Ring, retaining | 12305-G1 | 4 | ||
| 63 | Bearing, flanged | 10097-G6 | 2 | ||
| 64 | Cam, kick-off | 25103-G1 | 1 | ||
| 66 | Spacer | 14134-G4 | 1 | ||
| 67 | Set screw | 00491-G4 | 1/4 - 20 x 1/2 LG | 2 | |
| 72 | Nut, lock | 11027-G1 | 5/16/2018 | 1 | |
| 73 | Adjustable bumper | 70113-G01 | 1 | ||
| 74 | Pin, clevis | 10386-G3 | 5/16 x 15/16 LG | 3 | |
| 75 | Pin, cotter | 10387-G3 | 3/32 x 3/4 LG | 5 | |
| 76 | Nylon clamp | 12416-G1 | 2 | ||
| 77 | Brake pedal assembly | 70264-G01 | includes items 78 - 88, vehicles without brake lights | 1 | |
| 78 | Spring, torsion park brake | 11737-G1 | 2 | ||
| 79 | Pushnut | 12064-G1 | 5/16 | 1 | |
| 81 | Pin, park brake | 15932-G2 | 1 | ||
| 82 | Brake pedal | 70259-G01 | 1 | ||
| 84 | Brake/park brake pedal pad kit | 70274-G01 | Includes items 85 - 87 | 1 | |
| 85 | Pad, brake pedal | * | 1 | ||
| 86 | Pad, park brake pedal | * | 1 | ||
| 87 | RIvet | 16409-G1 | 3/8 x 15/32 LG | 9 | |
| 88 | Park brake pedal | 70254-G01 | 1 | ||
| 89 | Pivot, kick off cam | 70098-G01 | 1 | ||
| 91 | Pin, cotter | 10387-G3 | 3/32 x 3/4 LG | 2 | |
| 92 | Washer | 00559-G8 | 5/16 | 2 | |
| 93 | Washer, teflon | 20835-G1 | 2 | ||
| 95 | Bearing | 17838-G1 | 2 | ||
| 96 | Link, park brake kick-off | 70097-G01 | 1 |
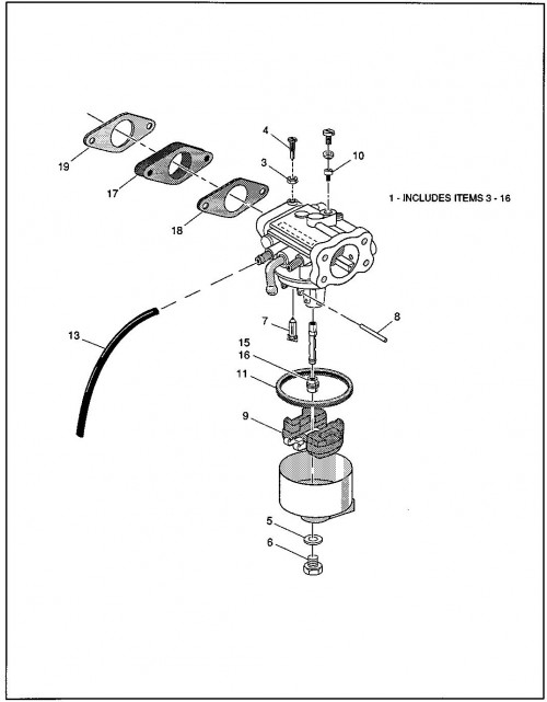
Carburetor
| Sl. No. | Part description | Part number | Notes | Quantity | Purchase |
|---|---|---|---|---|---|
| 1 | Carburetor assembly | 26645-G01 | includes items 3-16 | 1 | |
| 3 | Nut, pilot screw | 26847-G01 | 2 | ||
| 4 | Screw, pilot | 26835-G01 | 1 | ||
| 5 | Gasket, bowl screen | 26838-G01 | 1 | ||
| 6 | Screw, bowl | 26839-G01 | 1 | ||
| 7 | Valve, needle | 26647-G01 | 1 | ||
| 8 | Pin, float | 26840-G01 | 1 | ||
| 9 | Float | 26648-G01 | 1 | ||
| 10 | Jet, pilot | 26649-G01 | #48 | 1 | |
| 11 | Gasket, float bowl | 26843-G01 | 1 | ||
| 13 | Tube, carburetor vent | 26650-G01 | 2 | ||
| 15 | Jet, main | 26646-G02 | #84 | 1 | |
| 16 | Jet, main | 26646-G03 | #76, high altitude - above 5000 feet | 1 | |
| 17 | Insulator, carburetor | 26637-G01 | 1 | ||
| 18 | Gasket, carburetor mount | 26725-G01 | 1 | ||
| 19 | Gasket, carburetor mount | 26726-G01 | 1 |
Clutches
| Sl. No. | Part description | Part number | Notes | Quantity | Purchase |
|---|---|---|---|---|---|
| 1 | Drive clutch | 26952-G01 | 1 | ||
| 2 | Washer, pilot | 23213-G1 | 1 | ||
| 5 | Washer, lock | 00566-G2 | 7/16 | 1 | |
| 6 | Bolt | 00473-G9 | 7/16 - 20 x 6 1/2 LG | 1 | |
| 7 | Belt, starter / generator | 26414-G01 | 1 | ||
| 9 | Driven clutch assembly | 26301-G02 | includes items 10 - 19 | 1 | |
| 10 | Retaining ring, heavy duty | 27270-G01 | 1 | ||
| 11 | Spring, compression | 26304-G01 | 1 | ||
| 13 | Screw | 00979-G01 | #10 - 24 | 3 | |
| 14 | Ramp button | 26479-G01 | 3 | ||
| 16 | Washer, spacer | 24600-G1 | 1 | ||
| 17 | Cam | * | 1 | ||
| 18 | Sheave, movable | * | 1 | ||
| 19 | Sehave and post | * | 1 | ||
| 20 | Washer, retaining | 22496-G1 | 1 | ||
| 21 | Washer, lock | 00565-G8 | 5/16 | 1 | |
| 22 | Bolt | 00441-G8 | 5/16 - 18 x 4 LG | 1 | |
| 23 | Belt, drive | 72024-G01 | 1 | ||
| 24 | Puller, drive clutch | ** | AR |
Direction selector
| Sl. No. | Part description | Part number | Notes | Quantity | Purchase |
|---|---|---|---|---|---|
| 1 | Direction selector assembly | 25700-G03 | includes items 2-29 | 1 | |
| 2 | Bracket, direction selector | 25684-G01 | 1 | ||
| 3 | Bushing | 25664-G1 | 1 | ||
| 5 | Shaft, direction selector | 27537-G01 | 1 | ||
| 6 | Cam, direction selector | 25745-G01 | 1 | ||
| 8 | Nut, lock | 14390-G1 | 3/8 - 24 | 1 | |
| 13 | Micro switch | 10606-G1 | 1 | ||
| 15 | Spacer, micro switch | 27151-G1 | 1 | ||
| 16 | Screw | 00645-G2 | #6 - 32 x 1 1/4 LG | 2 | |
| 17 | Washer, lock | 00565-G3 | #6 | 4 | |
| 19 | Nut | 00525-G5 | #6 - 32 | 4 | |
| 20 | Tab, faston | 14628-G1 | 1 | ||
| 21 | Screw and washer assembly | * | 2 | ||
| 23 | Buzzer, reverse warning | 17818-G1 | 1 | ||
| 24 | Screw | 00138-G5 | #6 - 32 x 5/8 LG | 2 | |
| 25 | Washer, lock | 00567-G3 | #6 | 2 | |
| 26 | Washer | 00559-G7 | 1/4 | 2 | |
| 28 | Screw | 00414-G6 | 1/4 - 20 x 3/4 LG | 2 | |
| 29 | Nut, lock | 11027-G2 | 1/4 - 20 | 2 | |
| 30 | Cable kit | 27170-G01 | includes items 31 - 39 | 2 | |
| 31 | Washer, cup | 25727-G01 | 4 | ||
| 32 | Spring | 27764-G01 | 2 | ||
| 33 | Nut | 11098-G7 | #10 - 24 | 2 | |
| 34 | Pin, cotter | 10387-G8 | 1/16 x 3/4 LG | 2 | |
| 35 | Shifter control cable | 25691-G01 | 2 | ||
| 37 | Spacer | 23726-G5 | 2 | ||
| 38 | Pin, clevis | 23176-G1 | 5/16 x 1/2 LG | 2 | |
| 39 | Nylon clamp | 17618-G1 | 1 | ||
| 40 | Nut, shifter lever | 26830-G01 | M8 x 1.25 MM | 1 | |
| 42 | Handle, direction selector | 71905-G01 | 1 | ||
| 43 | Screw, stainless steel | 00740-G4 | #10 - 32 x 1/2 LG | 1 | |
| 44 | Pivot arm | 25946-G01 | 1 |
Electrical System
| Sl. No. | Part description | Part number | Notes | Quantity | Purchase |
|---|---|---|---|---|---|
| 1 | Ignition pickup assembly | 26651-G01 | includes item 2 | 1 | |
| 2 | Bolt and washer assembly | 26707-G01 | M5 X .8 x 10 MM LG | 1 | |
| 4 | Screw | 26676-G01 | M6 x 1 x 23 MM LG | 1 | |
| 5 | Ignition coil assembly | 26652-G01 | includes items 6-10 | 1 | |
| 6 | Coil, ignition | * | 1 | ||
| 7 | Spacer | * | 1 | ||
| 8 | Washer, lock | * | 1 | ||
| 9 | Nut | * | 1 | ||
| 10 | Screw | * | 1 | ||
| 12 | Nut | 13632-G1 | M6 X 1 LG | 2 | |
| 13 | Starter / generator | XXXXX-XX | See section AA for parts list and quantity | ||
| 14 | Wire | 25887-G01 | F1 - A2 | 1 | |
| 15 | Cover, terminal | 25682-G1 | 3 | ||
| 17 | Bolt | 00715-G3 | 5/16 - 18 x 1 1/4 LG | 1 | |
| 18 | Cable, ground | 20294-G3 | 1 | ||
| 19 | Wire, B-grd | 25972-G12 | 1 | ||
| 21 | Key switch harness | 27778-G01 | 1 | ||
| 22 | Control harness | 27777-G01 | 1 | ||
| 23 | Electrical plate assembly | 27740-G03 | Includes items 25 - 42 | 1 | |
| 25 | Nut | 00532-G1 | 1/4 - 20 | 5 | |
| 27 | Nut | * | 5/16 - 24 | 2 | |
| 28 | Washer, lock | 00565-G7 | 1/4 | 6 | |
| 29 | Washer, lock | * | #10 | 2 | |
| 30 | Nut | * | #10 - 32 | 2 | |
| 32 | Washer | 00650-G7 | 1/4 | 6 | |
| 33 | Tab, faston | 12914-G1 | 5/16 x 5/16 | 2 | |
| 34 | Tab, faston | 12914-G2 | 3/8 X 13/32 | 2 | |
| 35 | Washer, lock | * | 5/16 | 2 | |
| 36 | Wire | 25978-G56 | 5 3/4" LG | 1 | |
| 37 | Solenoid | 27153-G01 | 1 | ||
| 39 | Plate, electronic | 27738-G01 | 1 | ||
| 40 | Voltage regulator | 27739-G01 | 1 | ||
| 41 | Ignitor assembly | 27746-G01 | 1 | ||
| 42 | Spacer, cover | * | 1 | ||
| 44 | Nut, lock | 11027-G2 | 1/4 - 20 | 3 | |
| 45 | Wire | 25972-G13 | SOL - F2 | 1 | |
| 46 | Cover, electrical plate | 72004-G01 | 1 | ||
| 47 | Wire | 25972-G33 | B+ -SOL | 1 | |
| 49 | Bolt | * | 5/16 x 3/4 LG | 2 | |
| 50 | Nut | * | 5/16 | 2 | |
| 51 | Washer, lock | * | 5/16 | 2 | |
| 53 | Plate, console insert | 73030-G01 | 1 | ||
| 54 | Decal, ignition switch | 71133-G01 | 1 | ||
| 56 | Rivet, drive | 33623-G02 | 2 | ||
| 57 | Ignition switch kit, includes all mounting hardware | 17421-G1 | For freedom see section S- horn and lighting | 1 | |
| 58 | Washer, lock | 00568-G6 | 3/4 | 1 | |
| 59 | Nut, face | 17137-G1 | 1 | ||
| 60 | Key, ignition | 17063-G1 | AR | ||
| 63 | Washer, lock | 00565-G8 | 5/16 | 1 | |
| 64 | Washer | 00571-G2 | 5/16 | 1 | |
| 66 | Bolt | 00952-G6 | 5/16 - 18 x 3/4 LG | 1 | |
| 68 | Battery , 12 volt | XXXXX-G** | 1 | ||
| 70 | Hold down battery | 72101-G01 | 1 | ||
| 71 | Wire | 25976-G11 | 1 | ||
| 72 | Nylon clamp | 17618-G1 | 2 | ||
| 73 | Wire harness, brake | 24605-G01 | 1 |
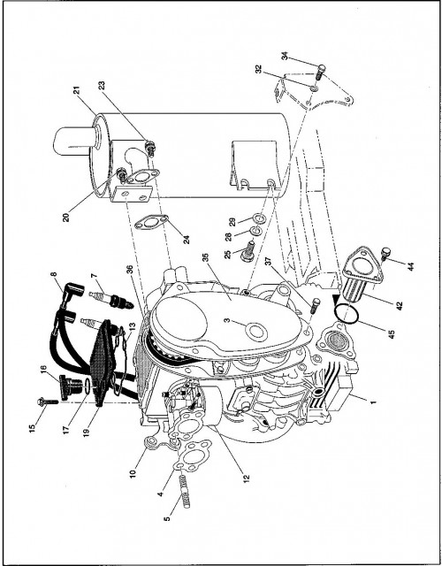
Engine and Muffler
| Sl. No. | Part description | Part number | Notes | Quantity | Purchase |
|---|---|---|---|---|---|
| 1 | Engine | 26700-G01 | 1 | ||
| 3 | Grommet, timing belt cover | 26631-G01 | 1 | ||
| 4 | Gasket, carburetor / air box | 26727-G01 | 1 | ||
| 5 | Stud | 26667-G01 | 2 | ||
| 6 | Spark plug, resistive | 25523-G3 | AR | ||
| 7 | Spark plug, NGK BP4ES | 25523-G2 | 2 | ||
| 8 | Spark plug wire set | 26733-G01 | 2 with boots | 1 | |
| 10 | Bracket, ignition coil | 26657-G01 | 1 | ||
| 12 | Carburetor | XXXXX-XX | See section F for part number and quantity | ||
| 13 | Gasket, valve cover | 26719-G01 | 1 | ||
| 15 | Bolt, flanged | 26676-G01 | M6 x 1 x 23 MM LG | 6 | |
| 16 | Cap, oil filler | 26601-G01 | 1 | ||
| 17 | "O" ring | 26720-G01 | 1 | ||
| 19 | Cover, valve | 26600-G01 | 1 | ||
| 20 | Bolt and washer | 25532-G1 | M8 x 1.25 x 18 MM LG | 2 | |
| 21 | Muffler | 72019-G01 | 1 | ||
| 23 | Bolt and washer | 25532-G1 | M8 x 1.25 x 18 MM LG | 2 | |
| 24 | Gasket, exhaust | 25531-G1 | 1 | ||
| 25 | Bolt | 00438-G8 | 5/16 - 18 x 1 LG | 1 | |
| 28 | Washer, lock | 00565-G8 | 5/16 | 1 | |
| 29 | Washer | 00642-G8 | 5/16 | 1 | |
| 31 | Bracket, pivot | 25655-G01 | 1 | ||
| 32 | Washer, lock | 00565-G8 | 5/16 | 2 | |
| 34 | Screw | 00276-G6 | 5/16 - 24 x 3/4 LG | 2 | |
| 35 | Cover, timing belt | 26630-G01 | 1 | ||
| 36 | Timing belt | 26626-G01 | 1 | ||
| 37 | Bolt | 26678-G01 | M6 x 1 x 12 MM LG | 3 | |
| 42 | Filter, oil | 26591-G01 | 1 | ||
| 44 | Bolt and washer | 26680-G01 | M6 x 1 x 12 MM LG | 3 | |
| 45 | "O" ring, oil filter | 26710-G01 | 1 |
Engine and Starter Mounting
| Sl. No. | Part description | Part number | Notes | Quantity | Purchase |
|---|---|---|---|---|---|
| 1 | Screw | 00430-G4 | 3/8 - 16 x 4 1/2 LG | 1 | |
| 2 | Washer, plastic | 72050-G01 | 4 | ||
| 4 | Nut, lock | 11098-G5 | 3/8 - 16 | 1 | |
| 5 | Mount, isolation | 72015-G01 | 1 | ||
| 6 | Front mount casting | 72010-G01 | 1 | ||
| 7 | Bracket, mount | 72018-G01 | 1 | ||
| 9 | Engine guard | 27432-G02 | 1 | ||
| 10 | Screw | 00463-G4 | 7/16 - 14 x 1 1/2 LG | 6 | |
| 11 | Washer, lock | 00566-G2 | 7/16 | 6 | |
| 12 | Washer | 00922-G3 | 7/16 | 6 | |
| 14 | Screw | 00428-G6 | 3/8 - 16 x 2 3/4 LG | 2 | |
| 15 | Nut, lock | 12262-G1 | 3/8 - 16 | 2 | |
| 16 | Rear engine mount casting | 72011-G01 | 1 | ||
| 18 | "U" bolt | 72035-G01 | 2 | ||
| 19 | Nut, lock | 00734-G1 | 7/16 - 14 | 4 | |
| 21 | Washer | 72051-G02 | 2.50 x .390 x .134 | 2 | |
| 22 | Washer | 72051-G01 | 2.50 x .641 x .134 | 2 | |
| 24 | Brace, crossmember | 70269-G01 | 1 | ||
| 25 | Screw | 00715-G3 | 5/16 - 18 x 1 1/4 LG | 2 | |
| 27 | Nut, flanged lock | 11027-G1 | 5/16 - 18 | 2 | |
| 29 | Spacer, isolater | 72016-G01 | 2 | ||
| 30 | Screw | 00938-G4 | 1/2 -13 x 8 LG | 1 | |
| 31 | Washer | 00560-G3 | 1/2 | 2 | |
| 32 | Washer, lock | 00566-G3 | 1/2 | 1 | |
| 34 | Nut | 00533-G1 | 1/2 - 13 | 1 | |
| 35 | Starter / generator | 27065-G01 | 1 | ||
| 36 | Starter / generator adjuster | 72045-G01 | 1 | ||
| 37 | Nut | 00544-G5 | 3/8 - 16 | 1 | |
| 39 | Nut | 00532-G5 | 3/8 - 16 | 1 | |
| 40 | Washer | 00560-G1 | 3/8 | 1 | |
| 41 | Nut, push | 12064-G1 | 5/16 | 1 | |
| 43 | Differential | XXXXX-XX | See rear axle section V for part number and quantity | ||
| 44 | Bolt | 00438-G8 | 5/16 - 18 x 1 LG | 1 | |
| 45 | Nut, lock | 11098-G6 | 5/16 - 18 | 1 |
Filtered Air System
| Sl. No. | Part description | Part number | Notes | Quantity | Purchase |
|---|---|---|---|---|---|
| 1 | Inlet cover | 72146-G01 | 1 | ||
| 2 | Screw | 00614-G5 | #8 - 18 x 5/8 LG | 6 | |
| 3 | Cover, air filter | 72143-G01 | 1 | ||
| 5 | Latch, air filter | 72148-G01 | 3 | ||
| 6 | Element, air filter | 72144-G01 | 1 | ||
| 7 | Housing, air filter | 72142-G01 | 1 | ||
| 9 | Bolt | 26676-G01 | M6 x 30 MM LG | 2 | |
| 10 | Nut | 13632-G1 | M6 X 1 | 2 | |
| 11 | Washer, lock | 51400-G1 | 6 MM | 2 | |
| 13 | Spacer, carburetor mount | 23726-G6 | 4 | ||
| 14 | Hose, PCV | 72151-G01 | 1 | ||
| 16 | Grommet, housing mount | 72147-G01 | 2 | ||
| 17 | Spacer, housing mount | 23726-G7 | 2 | ||
| 18 | Bolt, washer | 26671-G01 | M6 x 1 x 30 MM LG | 2 | |
| 19 | Washer | 26701-G01 | 6.5x 20 x 1.6 | 2 |
Front Suspension
| Sl. No. | Part description | Part number | Notes | Quantity | Purchase |
|---|---|---|---|---|---|
| 1 | Front axle | 70001-G01 | 1 | ||
| 2 | Bushing, rubber shock absorber | 10194-G1 | 8 | ||
| 3 | Washer, shock absorber | 10435-G1 | 8 | ||
| 4 | Nut | 00532-G6 | 3/8 - 24 | 4 | |
| 5 | Bolt | 00463-G6 | 7/16 - 14 x 1 3/4 LG | 6 | |
| 6 | Nut, lock | 00734-G1 | 7/16 - 14 | 12 | |
| 8 | Plate, spring | 70163-G02 | 4 | ||
| 9 | Pin, cotter | 10387-G2 | 3/32 x1 LG | 2 | |
| 11 | Spindle assembly, driver's side | 70220-G01 | includes items 12 -25 | 1 | |
| 12 | Spindle, driver's side | * | 1 | ||
| 13 | Bearing | 16623-G1 | 2 | ||
| 14 | Grease fitting | 18456-G1 | 1 | ||
| 15 | Hub, wheel | 19058-G2 | 1 | ||
| 17 | Wheel bolt | 19862-G1 | 1/2 - 20 | 4 | |
| 18 | Bearing and race assembly | 50892-G1 | Complete | 1 | |
| 21 | Seal, grease | 25146-G1 | 1 | ||
| 23 | Nut,slotted | 12093-G1 | 17/32 | 1 | |
| 25 | Pin, cotter | 00798-G8 | 5/32 x 1 3/4 LG | 1 | |
| 26 | Spindle assembly, passenger side | 70220-G02 | includes items 13-25 and 27 | 1 | |
| 27 | Spindle, passenger side | * | 1 | ||
| 29 | Pin, spindle | 70327-G01 | 1/2 - 13 x 5 1/2 LG | 2 | |
| 30 | Washer, thrust | 16982-G1 | 2 | ||
| 31 | Tube, spindle pin | 70328-G01 | 2 | ||
| 33 | Washer | 00571-G5 | 1/2 | 4 | |
| 35 | Nut, lock | 14390-G6 | 1/2 - 13 | 2 | |
| 36 | Spring, leaf | 70049-G01 | 2 | ||
| 38 | Bolt | 00463-G4 | 7/16 - 14 x 1 1/2 LG | 6 | |
| 39 | Shock absorber | 70324-G01 | 2 | ||
| 40 | Cap, spindle | 12091-G1 | 2 | ||
| 41 | Nut, lug | 14723-G1 | 1/2 - 20 | 8 |
Fuel System
| Sl. No. | Part description | Part number | Notes | Quantity | Purchase |
|---|---|---|---|---|---|
| 1 | Fuel tank, standard | 72092-G01 | 1 | ||
| 2 | Pulse tube | 27184-G06 | 16" LG | 1 | |
| 3 | Fuel tank cap, standard | 14099-G2 | with gauge | 1 | |
| 4 | Fuel tank cap, freedom only | 20039-G1 | without gauge | 1 | |
| 5 | Bolt | 00438-G8 | 5/16 - 18 x 1 LG | 2 | |
| 6 | Washer | 00559-G8 | 5/16 | 4 | |
| 7 | Nut, lock | 11098-G6 | 5/16 - 18 | 2 | |
| 8 | Fuel tank | 72092-G02 | Freedom | 1 | |
| 9 | Nut, lock | 11027-G2 | 1/4 - 20 | 2 | |
| 10 | Fuel pump | 72021-G01 | 1 | ||
| 11 | Filter, fuel | 72084-G01 | 1 | ||
| 12 | Fuel system tube | 17470-G** | 3 1/4 LG (cut to length) | AR | |
| 14 | Fuel system tube | 17470-G** | 16 LG (cut to length) | AR | |
| 15 | Clamp, hose | 11391-G4 | 3 | ||
| 17 | Clamp, nylon | 17618-G1 | 1 | ||
| 18 | Clamp, tubing | 18292-G1 | 5 | ||
| 20 | vinyl trim | 32372-G6 | 6 1/4 LG | 1 | |
| 21 | Adapter, fuel level sender | 72229-G01 | Freedom | 1 | |
| 22 | Screw | 72230-G01 | #6 - 32 x 1/4 LG (Freedom) | 2 | |
| 24 | Sender, fuel level, freedom | 20048-G2 | includes items 25, 26 | 1 | |
| 25 | Screw | * | 5 | ||
| 26 | Gasket | * | 1 |
Horn and Lighting
| Sl. No. | Part description | Part number | Notes | Quantity | Purchase |
|---|---|---|---|---|---|
| 1 | Fuse block | 22674-G1 | 1 | ||
| 2 | Rivet | 71010-G01 | 5/32 x 3/8 LG | 2 | |
| 3 | Fuse, 15 AMP | 18392-G1 | 3 | ||
| 4 | Tape, vinyl | 19344-G1 | AR | ||
| 5 | Cover, steering column | 20965-G3 | Vehicles with turn signals | 1 | |
| 6 | Cap and nut, horn switch | 17318-G2 | 1 | ||
| 7 | Horn | 32860-G1 | With mounting hardware | 1 | |
| 8 | Washer | 00559-G8 | 5/16 | 1 | |
| 11 | Switch, horn | 17318-G1 | 1 | ||
| 12 | Boot, horn switch | 27068-G01 | 1 | ||
| 13 | Plate, horn switch | 19233-G1 | 1 | ||
| 14 | Rivet, stainless steel | 14601-G7 | 9/16 | 2 | |
| 15 | Clamp, nylon | 17618-G1 | 2 | ||
| 17 | Turn signal | 17867-G1 | with mounting hardware | 1 | |
| 18 | Flasher, turn signal | 21640-G1 | 1 | ||
| 19 | Screw | 00414-G6 | 1/4 - 20 x 3/4 LG | 2 | |
| 20 | Nut, lock | 11027-G2 | 1/4 - 20 | 2 | |
| 21 | Lightbar | 74001-G01 | 1 | ||
| 22 | Bracket, lightbar, driver's side | 74002-G02 | 1 | ||
| 23 | Bracket, lightbar, passenger side | 74002-G01 | 1 | ||
| 24 | Screw | 00114-G6 | 1/4 - 14 x 3/4 LG | 8 | |
| 26 | Fuel gauge | 21553-G1 | complete with hardware | 1 | |
| 28 | Wire | 25978-G74 | 1 | ||
| 33 | Hour meter | 33633-G01 | 1 | ||
| 34 | State of charge meter | 33636-G01 | 1 | ||
| 37 | Wire | 25977-G27 | 1 | ||
| 38 | Bezel, taillight, driver's side | 74358-G01 | 1 | ||
| 39 | Bezel, taillight, passenger side | 74358-G02 | 1 | ||
| 40 | Taillight assembly, complete | 22288-G1 | 1 | ||
| 41 | Rivet | 14601-G11 | 3/16 x 5/8 LG | 2 | |
| 42 | Bulb, replacement, taillight | 21759-G1 | AR | ||
| 43 | Low oil / fuel light indicator | 23474-G1 | 1 | ||
| 44 | Harness, accessory | 73043-G01 | Electric | 1 | |
| 45 | Harness, accessory | 72228-G01 | Gas | 1 | |
| 47 | Washer, lock | 00568-G6 | 3/4 | 1 | |
| 48 | Key, ignition | 17063-G1 | 2 | ||
| 49 | Nut, face | 17137-G1 | 1 | ||
| 50 | Nut, lock | 00891-G2 | 1/4 - 20 | 1 | |
| 51 | Bolt | 00414-G5 | 1/4 - 20 x 5/8 LG | 1 | |
| 52 | Washer | 00559-G8 | 5/16 | 1 | |
| 53 | Switch, ignition | 18602-G1 | 1 | ||
| 54 | Switch, ignition | 33639-G01 | with lights | 1 | |
| 57 | Bulb, replacement, headlight | 74004-G01 | AR | ||
| 58 | Bulb, replacement, marker light | 74005-G01 | AR | ||
| 59 | Bulb, replacement, turnlight | 74006-G01 | AR | ||
| 64 | Plate, console insert, state of charge meter | 73030-G02 | 1 | ||
| 65 | Decal, console plate, state of charge meter | 71123-G01 | 1 | ||
| 66 | Decal, console plate,state of charge meter with lights | 71129-G01 | 1 | ||
| 69 | Plate, console insert, low fuel / oil lights | 73030-G03 | 1 | ||
| 70 | Decal, console plate, low fuel / oil lights | 71125-G01 | 1 | ||
| 72 | Plate, console insert, fuel gauge | 73030-G04 | 1 | ||
| 73 | Decal, console plate, fuel gauge | 71127-G01 | 1 | ||
| 74 | Decal, console plate, fuel gauge with lights | 71131-G01 | 1 |
Rear Axle
| Sl. No. | Part description | Part number | Notes | Quantity | Purchase |
|---|---|---|---|---|---|
| 1 | Rear axle | 72031-G01 | (13.32:1), standard, includes items 4-35 | 1 | |
| 2 | Rear axle, HP | 72031-G02 | (10.67:1), includes items 4-35 for use on freedom HP vehicles only | 1 | |
| 4 | Seal axle shaft | 26766-G01 | 1 | ||
| 5 | Washer | 26828-G01 | 10 MM | 10 | |
| 6 | Nut | 26829-G01 | 10MM X 1.5 MM | 10 | |
| 7 | Stud | 26667-G01 | M10 x 1.5 x 40 MM LG | 5 | |
| 8 | Seal, input shaft | 26761-G01 | 1 | ||
| 9 | Bracket, shifter cable | 26815-G01 | 1 | ||
| 10 | Bolt, flange | 26823-G01 | M8 x 1.25 x 100 MM LG | 8 | |
| 11 | Seal, shifter shaft | 26762-G01 | 1 | ||
| 13 | Bracket, transaxle | 72017-G01 | 1 | ||
| 14 | Washer, lock | 26826-G01 | M8 | 4 | |
| 15 | Nut | 26827-G01 | M8 x 1.25 MM | 4 | |
| 19 | Spacer | 75048-G01 | 1 | ||
| 20 | Ring, retaining | 26814-G01 | 4 | ||
| 21 | Ball bearing | 26811-G01 | 2 | ||
| 22 | Axle shaft, driver side | 72056-G01 | 1 | ||
| 23 | Axle shaft, passenger side | 72057-G01 | 1 | ||
| 25 | Tube, axle, driver's side | 72115-G01 | 1 | ||
| 26 | Tube, axle, passenger side | 72116-G01 | 1 | ||
| 27 | Bolt, flange | 26824-G01 | M8 x 1.25 x 110 MM LG | 1 | |
| 28 | Bolt, flange | 72053-G01 | M8 x 1.25 x 120 MM LG | 1 | |
| 30 | Drain plug, oil | 26770-G01 | 1 | ||
| 31 | Gasket, 14 mm | 26771-G01 | 1 | ||
| 32 | Check plug, oil | 26768-G01 | 1 | ||
| 33 | Gasket, 8 MM | 26769-G01 | 1 | ||
| 35 | Plug, oil filler | 26772-G01 | 1 |
Rear Suspension
| Sl. No. | Part description | Part number | Notes | Quantity | Purchase |
|---|---|---|---|---|---|
| 1 | Bushing, rubber | 70291-G01 | Leaf spring | 12 | |
| 3 | Spacer | 70289-G02 | 4 | ||
| 4 | Bolt, shoulder | 14158-G1 | 3/16 x 3 1/4 LG | 2 | |
| 5 | Nut | 11098-G5 | 3/8 - 16 | 2 | |
| 6 | Bushing, rubber | 10194-G1 | Shock absorber | 8 | |
| 7 | Washer | 10435-G1 | Shock absorber | 8 | |
| 8 | Nut | 00532-G6 | 3/8 - 24 | 4 | |
| 9 | U-bolt | 72029-G01 | 3/8 - 16 | 4 | |
| 10 | U-bolt | 74124-G01 | 3/8 - 16 (use on 4 caddy only) | 4 | |
| 11 | Spring, leaf | 74135-G01 | use on 4 caddy only | 2 | |
| 12 | Spring, leaf | 70247-G01 | 2 | ||
| 13 | Shock absorber | 70324-G01 | 2 | ||
| 14 | Base plate, isomount | 72028-G01 | 2 | ||
| 15 | Bushing, isomount | 72117-G01 | 2 | ||
| 17 | Cap, isomount | 72037-G01 | 2 | ||
| 18 | Nut, lock | 11098-G5 | 3/8 - 16 | 8 | |
| 19 | Washer | 00560-G1 | 3/8 | 8 | |
| 21 | Shackle plate | 70290-G01 | 4 | ||
| 23 | Screw | 00429-G2 | 3/8 - 16 x 3 1/4 LG | 4 | |
| 24 | Nut, lock | 11098-G5 | 3/8 - 16 | 1 | |
| 25 | Washer | 00643-G1 | 3/8 | 2 |
Seating and Bagrack
| Sl. No. | Part description | Part number | Notes | Quantity | Purchase |
|---|---|---|---|---|---|
| 1 | Seat bottom assembly | 71611-G** | includes items 3-17 | 1 | |
| 3 | Nut, tee | * | 8 | ||
| 5 | Bumper, seat | 17074-G1 | 2 | ||
| 8 | Staple, flat | * | 110 | ||
| 9 | Staple, flat | * | 46 | ||
| 12 | Vinyl trim, seat bottom | 71012-G01 | 1 | ||
| 13 | Vinyl seat bottom cover | 71602-G** | 1 | ||
| 14 | Foam padding, seat bottom | 71603-G02 | 1 | ||
| 15 | Seat bottom, wood | 71604-G01 | 1 | ||
| 17 | Rear trim, seat | 71608-G01 | 1 | ||
| 21 | Bolt | 00414-G8 | 1/4 - 20 x 1 LG | 4 | |
| 22 | Washer, lock | 00565-G7 | 1/4 | 4 | |
| 23 | Nut, lock | 11027-G2 | 1/4 - 20 | 2 | |
| 24 | Fastener, plastic ratchet | 16816-G1 | 2 | ||
| 25 | Seat back assembly | 71751-G** | includes items 26 - 34 | 1 | |
| 26 | Staple, flat | * | 95 | ||
| 28 | Plastic, rear cover seat back | 71752-G01 | 1 | ||
| 29 | Vinyl seat back cover | 71753-G** | 1 | ||
| 30 | Foam padding, seat back | 71754-G01 | 1 | ||
| 32 | Seat back, wood | 71755-G01 | 1 | ||
| 33 | Screw | 71002-G01 | #8 x 1 LG | 4 | |
| 34 | Nut, tee | * | 4 | ||
| 38 | Bolt | 71802-G01 | 3/8 - 16 x 2 1/4 LG | 4 | |
| 39 | Bracket, seat support | 71803-G02 | 2 | ||
| 40 | Bolt, carriage | 71821-G01 | 1/4 - 20 x 1 1/2 LG | 2 | |
| 41 | Bracket, bag holder | 71851-G01 | 1 | ||
| 42 | Strap, bag retainer | 71853-G01 | 1 | ||
| 43 | Bag retainer, clamp | 71856-G01 | 2 | ||
| 45 | Screw | 00720-G08 | #12 - 14 x 1 LG | 4 | |
| 46 | Bolt | 00414-G8 | 1/4 - 20 x 1 LG | 8 | |
| 48 | Washer | 00559-G7 | 1/4 | 8 | |
| 49 | Hip restraint, passenger side | 71701-G01 | 1 | ||
| 50 | Hip restraint, driver's side | 71702-G01 | 1 | ||
| 52 | Hinge, seat | 71615-G01 | Vehicles prior to serial no.895713 | 2 | |
| 53 | Hinge, seat | 71610-G01 | Vehicles after serial no.895713 | 2 | |
| 55 | Support, seat back | 74111-G01 | 2 | ||
| 56 | Bolt | 00414-G8 | 1/4 - 20 x 1 LG | 4 | |
| 57 | Washer, lock | 00565-G7 | 1/4 | 4 | |
| 58 | Washer | 00559-G7 | 1/4 | 4 | |
| 59 | Bumper, rubber | 70113-G01 | 4 | ||
| 60 | Nut, lock | 11027-G1 | 5/16 - 18 | 6 | |
| 61 | Bolt | 01006-G01 | 3/8 - 16 x 1 1/4 LG | 4 | |
| 62 | Washer | 00560-G1 | 3/8 | 4 | |
| 64 | Seat assembly | 74131-G** | includes items 65 - 79 | 1 | |
| 65 | Seat bottom assembly | 74139-G** | includes items 66 - 77 | 1 | |
| 66 | Vinyl cover, seat bottom | 71602-G** | 1 | ||
| 67 | Foam, seat bottom | 71603-G02 | 1 | ||
| 68 | Wood, seat bottom | 74141-G01 | 1 | ||
| 69 | Nut, tee | * | 16 | ||
| 70 | Trim, seat, front | 74140-G01 | 1 | ||
| 71 | Staple, flat | * | 110 | ||
| 72 | Staple, flat | * | 48 | ||
| 73 | Hip restraint, driver's side | 71702-G01 | 1 | ||
| 74 | Hip restraint, passenger side | 71701-G01 | 1 | ||
| 75 | Bolt | 00414-G8 | 1/4 - 20 x 1 LG | 8 | |
| 76 | Trim, seat, rear | 71608-G01 | 1 | ||
| 77 | Washer | 00559-G7 | 1/4 | 8 | |
| 79 | Seat back assembly | 71751-G** | includes items 26 - 34 | 1 | |
| 80 | Bracket, rear seat support | 74117-G01 | 2 | ||
| 81 | Bolt | 00414-G8 | 1/4 - 20 x 1 LG | 12 | |
| 82 | Washer, lock | 00565-G2 | #5 | 12 | |
| 83 | Washer | 00559-G7 | 1/4 | 12 | |
| 84 | Bushing, nylon | 17838-G1 | 4 | ||
| 85 | Pin, hitch | 74134-G01 | 2 |
Starter / Generator
| Sl. No. | Part description | Part number | Notes | Quantity | Purchase |
|---|---|---|---|---|---|
| 1 | Starter / generator, complete | 27065-G01 | includes items 2-43 | 1 | |
| 2 | Armature assembly | 26870-G01 | includes items 3-5 | 1 | |
| 3 | Ball bearing, rear | 26871-G01 | 1 | ||
| 4 | Ball bearing, front | 26872-G01 | 1 | ||
| 5 | Holder, bearing | 26873-G01 | 1 | ||
| 8 | Coil, field | 26875-G01 | 1 | ||
| 9 | "F" insulating brush assembly | 26876-G01 | includes items 10-13 | 2 | |
| 10 | Nut | * | 2 | ||
| 11 | Washer, lock | * | 2 | ||
| 12 | Washer | * | 2 | ||
| 13 | Insulator | * | 1 | ||
| 14 | Screw, pole core set | 26877-G01 | 4 | ||
| 15 | Cover, front | 26878-G01 | 1 | ||
| 16 | Cover, rear | 26879-G01 | 1 | ||
| 17 | "A" terminal assembly | 26880-G01 | includes items 18 - 23 | 2 | |
| 18 | Terminal | * | 2 | ||
| 19 | Insulator | * | 2 | ||
| 20 | Insulator | * | 2 | ||
| 21 | Washer | * | 4 | ||
| 22 | Washer, lock | * | 4 | ||
| 23 | Nut | * | 4 | ||
| 25 | Brush holder assembly | 26881-G01 | includes items 26 - 28 | 1 | |
| 26 | Brush | 26658-G01 | 4 | ||
| 27 | Brush spring | 26882-G01 | 4 | ||
| 28 | Brush connector | 26883-G01 | 2 | ||
| 30 | Key | 26884-G01 | 1 | ||
| 31 | Pulley | 26885-G01 | 1 | ||
| 32 | Pulley assembly | 26886-G01 | includes items 33- 37 | 1 | |
| 33 | Nut | * | 1 | ||
| 34 | Washer, lock | * | 1 | ||
| 35 | Screw | * | 3 | ||
| 36 | Screw | * | 4 | ||
| 37 | Screw | * | 2 | ||
| 38 | Brush 1 cover | 26887-G01 | 2 | ||
| 39 | Brush 2 cover | 26888-G01 | 3 | ||
| 40 | Bolt and washer assembly | 26889-G01 | includes items 41, 42 | 2 | |
| 41 | Washer | * | 2 | ||
| 42 | Washer, lock | * | 2 | ||
| 43 | Terminal cover | 16896-G1 | 4 |
Steering
| Sl. No. | Part description | Part number | Notes | Quantity | Purchase |
|---|---|---|---|---|---|
| 1 | Steering box assembly, complete | 70314-G01 | 1 | ||
| 2 | Screw | 00462-G7 | 7/16 - 14 x 7/8 LG | 4 | |
| 3 | Steering wheel | 18325-G1 | includes item 4 | 1 | |
| 4 | Hub cover, extension | * | 1 | ||
| 5 | Washer, lock | 00566-G2 | 7/16 | 4 | |
| 6 | Bolt | 00999-G01 | #8 - 18 x 7/8 LG | 2 | |
| 7 | Decal, scorecard | * | AR | ||
| 8 | Nut, lock | 14390-G2 | 5/8 - 18 | 1 | |
| 9 | Scorecard holder | 27102-G01 | 1 | ||
| 10 | Washer | 00922-G3 | 7/16 | 1 | |
| 18 | Tie rod assembly | 70074-G01 | includes items 19 - 22 | 2 | |
| 19 | Nut | 18434-G2 | 9/16 - 18 | 2 | |
| 20 | Pin, cotter | 10387-G2 | 3/32 x 1 LG | 2 | |
| 21 | Nut, slotted | 50209-G1 | 7/16 - 20 | 2 | |
| 22 | Boot, rubber | 50641-G1 | 2 | ||
| 24 | Fitting, grease | 10389-G3 | 4 | ||
| 25 | Nut, slotted | 50209-G1 | 7/16 - 20 | 1 | |
| 33 | Pin, cotter | 10387-G2 | 3/32 x 1 LG | 3 | |
| 41 | Steering gear kit | 70299-G01 | includes items 42 - 52 | 1 | |
| 42 | Pinion, gear | * | 1 | ||
| 43 | Ball bearing | * | 1 | ||
| 45 | Ring, retaining, external | * | 1 | ||
| 46 | Rac, steering | * | 1 | ||
| 47 | Rack ball end | * | with nut | 1 | |
| 48 | Nut | * | 7/16 - 20 | 1 | |
| 50 | Grease fitting | * | 90 | 2 | |
| 52 | Ring, retaining, internal | * | 1 | ||
| 54 | Idler | 70184-G01 | 1 | ||
| 55 | Bearing, flanged | 70185-G01 | 1 | ||
| 56 | Washer, thrust | 70216-G01 | 1 1/2 I.D. | 1 | |
| 57 | Washer, thrust | 70195-G01 | 7/8 | 1 | |
| 58 | Nut, lock | 00734-G6 | 7/8 - 9 | 1 | |
| 59 | Pin, cotter | 00798-G8 | 5/32 x 1 3/4 LG | 1 | |
| 61 | Steering shaft | 14322-G5 | Prior to serial number 901144 | 1 | |
| 62 | Steering column | 70222-G01 | Prior to serial number 901144 | 1 | |
| 66 | Screw | 00470-G4 | 7/16 - 20 x 2 1/2LG | 1 | |
| 67 | Nut, lock | 00734-G3 | 7/16 - 20 | 1 | |
| 69 | Steering shaft/column kit | 70360-G01 | Includes items 70-85, serial number 901144 and later | 1 | |
| 70 | Steering shaft | 14322-G3 | 1 | ||
| 71 | Steering column | 70333-G01 | 1 | ||
| 72 | Coupling | 70226-G01 | 1 | ||
| 73 | Nut, lock | 00550-G1 | 1/4 - 20 | 2 | |
| 74 | Screw | 70227-G01 | 1/4 - 20 x 7/8 LG | 2 | |
| 76 | Screw | 00118-G2 | #6 - 18 x 1/4 LG | 1 | |
| 77 | Gasket, steering housing | 70223-G01 | 1 | ||
| 78 | Bolt | 00876-G2 | 3/8 - 16 x 1 1/4 LG | 3 | |
| 80 | Washer, lock | 00878-G1 | 3/8 | 3 | |
| 81 | Ring, retaining, internal | 70189-G01 | 1 | ||
| 83 | Bushing/seal kit | 17161-G1 | includes items 84, 85 | 1 | |
| 84 | Bushing, steering column | * | 1 | ||
| 85 | Seal, shaft | * | 1 |
Wheel Brake
| Sl. No. | Part description | Part number | Notes | Quantity | Purchase |
|---|---|---|---|---|---|
| 1 | Brake assembly, passener side | 22997-G2 | includes items 2-8, 14-30 | 1 | |
| 2 | Backing plate | 22518-G1 | 1 | ||
| 3 | Adjuster | 23360-G1 | 1 | ||
| 4 | Lever assembly | 23357-G1 | includes items 5-8, 14-16 | 1 | |
| 5 | Spring | * | 1 | ||
| 6 | Retainer | * | 1 | ||
| 7 | Washer, shoulder | * | 1 | ||
| 8 | Torsion spring, passenger side | 23536-G1 | silver | 1 | |
| 9 | Brake assembly, driver's side | 22997-G1 | includes items 10-30 | 1 | |
| 10 | Backing plate | 22519-G1 | 1 | ||
| 11 | Adjuster | 23361-G1 | 1 | ||
| 12 | Lever assembly | 23358-G1 | Includes items 5-7, 13-16 | 1 | |
| 13 | Torsion spring, driver's side | 23537-G1 | Gold | 1 | |
| 14 | Adjuster body | 23363-G1 | 1 | ||
| 15 | Washer | 23382-G1 | 1/4 | 1 | |
| 16 | Thrust washer | 23362-G1 | 1/4 | 1 | |
| 18 | Dust cover | 22519-G1 | 1 | ||
| 19 | Anchor block | 23356-G1 | 1 | ||
| 20 | Washer, lock | 00565-G1 | 1/4 | 2 | |
| 21 | Nut | 13632-G1 | 6MM | 2 | |
| 23 | Spring, brake adjuster | 23359-G1 | 1 | ||
| 24 | Spring, brake anchor | 17290-G1 | 1 | ||
| 25 | Clamp, shoe | 17291-G1 | 2 | ||
| 26 | Pin, shoe clamp tension | 17292-G1 | 2 | ||
| 28 | Brake shoe set | 23364-G1 | includes items 29, 30 | 1 | |
| 29 | Brake shoe, trailing | 23354-G1 | 1 | ||
| 30 | Brake shoe, leading | 23355-G1 | 1 | ||
| 33 | Bolt | 17083-G2 | 5/16 - 24 x 1 LG | 8 | |
| 34 | Nut, lock | 15126-G1 | 5/16 -24 | 8 | |
| 37 | Washer, inner wheel rim | 15485-G1 | electric vehicle | 2 | |
| 38 | Washer, inner wheel rim | 21809-G1 | Gasoline vehicle | 2 | |
| 39 | Brake drum | 21807-G1 | Gasoline vehicle, with lug bolts | 2 | |
| 40 | Brake drum | 19186-G1 | Electric vehicle, with lug bolts | 2 | |
| 42 | Washer, outer wheel rim | 21830-G1 | Gasoline vehicle | 2 | |
| 43 | Washer, outer wheel rim | 15487-G1 | Electric vehicle | 2 | |
| 44 | Nut, slotted | 00518-G8 | 3/4 - 16 (Gasoline vehicle) | 2 | |
| 45 | Pin, cotter | 10387-G1 | 1/8 x 1 1/2 LG | 2 | |
| 46 | Nut, slotted | 15483-G1 | 5/8 - 18 (Electric vehicle) | 2 | |
| 47 | Cap, spindle | 12091-G1 | 2 | ||
| 48 | Adapter, spindle cap | 24939-G2 | Gasolie vehicle | 2 | |
| 49 | Adapter, spindle cap | 24939-G1 | Electric vehicle | 2 |
Wheels and Tires
| Sl. No. | Part description | Part number | Notes | Quantity | Purchase |
|---|---|---|---|---|---|
| 1 | 18 x 8.5-8 carlisle tire and wheel assembly, links | 27772-G01 | includes items 2, 11, 12 | AR | |
| 2 | 18 x 8.5 - 8 carlisle tire, links | 27772-G05 | AR | ||
| 3 | 18 x 8.5-8 carlisle tire and wheel assembly, turf glide | 27772-G02 | includes items 4, 11, 12 | AR | |
| 4 | 18 x 8.5-8 carlisle tire, turf glide | 27772-G06 | AR | ||
| 7 | 18 x 8.5 - 8 carlisle tire and wheel assembly, turf saver | 27772-G03 | includes items 8, 11, 12 | AR | |
| 8 | 18 x 8.5 -8 carlisle tire, turf saver | 27772-G07 | AR | ||
| 9 | 18 x 8.5-8 carlisle tire and wheel assembly, fairway | 27772-G04 | includes items 10, 11, 12 | AR | |
| 10 | 18 x 8.5-8 carlisle tire, fairway | 27772-G08 | AR | ||
| 11 | Wheel rim, 4 lug, standard | 15169-G1 | AR | ||
| 12 | Valve stem | 11657-G1 | AR |
Special tools
| Sl. No. | Part description | Part number | Notes | Quantity | Purchase |
|---|---|---|---|---|---|
| 1 | High resistance spark plug wire set | 26733-G02 | |||
| 2 | Puller, drive clutch | 19779-G2 | |||
| 3 | Puller, flywheel | 27111-G01 | |||
| 4 | Cam pulley tool | 27851-G01 | |||
| 5 | Current indicator | 16489-G2 | |||
| 6 | Multi-meter, digital | 27481-G01 | |||
| 7 | Crimping tool | 27765-G01 | |||
| 8 | Slide hammer | 15947-G1 | Axle/hub removal | ||
| 9 | Slide hammer | 18753-G1 | Axle removal only | ||
| 10 | Techometer | 72526-G01 | |||
| 11 | Feeler gauge | 72525-G01 | |||
| 12 | Compression tester | 72524-G01 | |||
| 13 | 5 Gallons | 25730-G03 | |||
| 14 | 12 Quart case | 25730-G04 | |||
| 15 | 55 Gallon drum | 25730-G05 |
Accessories
| Sl. No. | Part description | Part number | Notes | Quantity | Purchase |
|---|---|---|---|---|---|
| 1 | Sun top kit | 75040-G01 | |||
| 2 | Sun top kit | 75123-G01 | 4 caddy vehicle only | ||
| 3 | Windshield kit | 75133-G01 | Solid, clear and requires sun top kit, 4 caddy vehicles only | ||
| 4 | Windshield kit | 75133-G02 | Solid, tinted and requires sun top kit, 4 caddy vehicles only | ||
| 5 | Windshield kit | 75041-G03 | 2 bend, clear and requires sun top kit | ||
| 6 | Windshield kit | 75041-G04 | 2 bend, tinted and requires sun top kit | ||
| 7 | Windshield kit | 75077-G01 | Split, clear and requires sun top kit | ||
| 8 | Windshield kit | 75077-G02 | Split, tinted and requires sun top kit | ||
| 9 | Divot repair kit | 23300-G1 | Requires side basket kit | ||
| 10 | Rake holder | 75006-G01 | |||
| 11 | Sand rake | 14735-G1 | |||
| 12 | Tow bar kit | 75033-G01 | casual use | ||
| 13 | Tow bar kit | 75089-G01 | Permanent use | ||
| 14 | Weather enclosure | 75078-G01 | 3 sided | ||
| 15 | Weather enclosure | 75079-G01 | 4 sided | ||
| 16 | Rear view mirror | 19528-G2 | Requires sun top kit | ||
| 17 | Message holder kit | 75094-G01 | Requires sun top kit | ||
| 18 | Hourmeter | 75114-G02 | Gasoline vehicle only | ||
| 19 | Hourmeter | 75113-G02 | Electric vehicle only | ||
| 20 | Cooler jug / bracket kit | 75170-G01 | |||
| 21 | Bag cover / rain curtain kit | 75191-G01 | |||
| 22 | Seat refurbishment spray | 28166-G01 | White | ||
| 23 | Tow link assembly | 75165-G01 | Requires tow bar adapter kit | ||
| 24 | Tow bar adapter kit | 75166-G01 | Requires tow link assembly |






































