MG5
Accelerator Linkage
| Sl. No. | Part description | Part number | Notes | Quantity | Purchase |
|---|---|---|---|---|---|
| 1 | Accelerator pedal box | 72062-G02 | includes items 2-46 | 1 | |
| 2 | Accelerator pedal bracket | 70116-G01 | 1 | ||
| 3 | Pedal box and cover | 25853-G02 | 1 | ||
| 4 | Setscrew | 00487-G3 | 1/4 - 20 x 3/8" LG | 1 | |
| 6 | Screw | 00984-G01 | #8 - 32 x 1/2" LG | 4 | |
| 7 | Cotter pin | 10387-G3 | 3/32 x 3/4" LG | 1 | |
| 8 | Accelerator pedal | 25799-G02 | includes items 9-10 | 1 | |
| 9 | Oval rivet | * | 6 | ||
| 10 | Accelerator pedal pad kit | 27844-G01 | 1 | ||
| 13 | Screw | 00684-G6 | #8 - 10 x 1/2" LG | 4 | |
| 14 | Bushing | 17838-G1 | 3 | ||
| 15 | Pedal pivot pin | 70134-G01 | 1 | ||
| 16 | Pushnut | 00986-G01 | 19/64" | 1 | |
| 19 | Micro switch | 25861-G01 | 1 | ||
| 20 | Screw | 00982-G01 | #4 - 14 x 5/8" LG | 2 | |
| 21 | Pedal box wiring harness | 72403-G01 | 1 | ||
| 22 | Accelerator cable | 72402-G01 | with nut | 1 | |
| 23 | Micro switch cam | 72198-G01 | 1 | ||
| 25 | Pivot bracket | 72199-G01 | 1 | ||
| 26 | Control arm | 72066-G01 | 1 | ||
| 27 | Pivot rod | 25768-G01 | 1 | ||
| 28 | Lock nut | 14390-G1 | 3/8 - 24 | 1 | |
| 30 | Compression spring | 73046-G01 | 1 | ||
| 31 | Spring retainer | 17677-G1 | 1 | ||
| 32 | Accelerator rod | 72072-G01 | 1 | ||
| 33 | Accelerator rod bushing | 17979-G1 | 1 | ||
| 34 | Nut | 00532-G4 | 5/16 - 24 | 1 | |
| 35 | Clevis pin | 10386-G3 | 5/16 x 1" LG | 1 | |
| 36 | Bearing | 23860-G1 | 2 | ||
| 37 | Nylon washer | 24621-G1 | 5/16" | 2 | |
| 38 | Teflon washer | 17255-G1 | 5/16" | 1 | |
| 39 | Pushnut | 12064-G1 | 1/4" | 1 | |
| 40 | Nut | 00532-G01 | 5/16 - 24 | 1 | |
| 41 | Nut, lock | 14390-G10 | # 10 - 24 | 1 | |
| 42 | Clevis yoke | 10385-G4 | 1 | ||
| 43 | Lock nut | 00550-G4 | 5/16 - 24 | 1 | |
| 44 | Control arm link | 72074-G01 | 1 | ||
| 45 | Shoulder bolt | 72225-G01 | 10-24 x 11/16" LG | 1 | |
| 46 | Spring retainer | 17677-G2 | 1 | ||
| 48 | Governor bellcrank | 25690-G01 | includes items 49-54 | 1 | |
| 49 | Governor bellcrank | 25765-G01 | 1 | ||
| 50 | Ball joint ball | 24479-G1 | 1 | ||
| 51 | Lock nut | 00734-G5 | Oct-32 | 1 | |
| 54 | Lock nut | 14390-G4 | 1/4 - 20 | 1 | |
| 56 | Setscrew | 00491-G4 | 1/4 - 20 x 1/2" LG | 1 | |
| 57 | Governor to accelerator bracket spring | 25738-G01 | 1 | ||
| 58 | Accelerator cable bracket | 25653-G01 | 1 | ||
| 59 | Washer | * | Provided on differential | 2 | |
| 60 | Nut | * | Provided on differential | 2 | |
| 61 | Governor pivot bracket | 25702-G01 | includes items 62-64 | 1 | |
| 62 | Lock nut | 14390-G1 | 3/8 - 24 | 1 | |
| 63 | Bellcrank bracket | 25655-G01 | 1 | ||
| 64 | Governor pivot | 25763-G01 | 1 | ||
| 66 | Lock washer | 00565-G8 | 5/16" | 2 | |
| 67 | Bolt | 00276-G6 | 5/16 - 24 x 3/4" LG | 2 | |
| 68 | Nut | 00526-G4 | #10 - 32 | 2 | |
| 69 | Governor linkage rod | 25737-G03 | 1 | ||
| 70 | Carburetor linkage rod | 25737-G01 | 1 | ||
| 71 | Throttle linkage rod | 25737-G02 | 1 | ||
| 72 | Lock nut | 14390-G1 | 3/8 - 24 | 1 | |
| 73 | Balljoint bracket | 24465-G1 | AR | ||
| 74 | Carburetor pivot | 25760-G01 | 1 | ||
| 75 | Bolt | 00414-G8 | 1/4 - 20 x 1" LG | 2 | |
| 76 | Pivot bracket | 72197-G01 | 1 | ||
| 77 | Lock nut | 14390-G4 | 1/4 - 20 | 2 | |
| 78 | Bolt | 00715-G1 | 5/16 - 18 x 13/16" LG | 1 | |
| 79 | Choke control | 72401-G01 | with nuts | 1 | |
| 80 | Lock washer | 00568-G4 | 9/16" | 1 | |
| 81 | Nut | 00545-G4 | 9/16 - 18 | 1 | |
| 82 | Nut | 00544-G4 | 5/16 - 24 | 2 | |
| 83 | Choke bracket | 26728-G01 | 1 | ||
| 84 | Pushnut | 12064-G3 | 3/16" | 1 | |
| 86 | Choke cable adapter | 72108-G01 | 1 | ||
| 87 | Adapter retainer | 72109-G01 | 1 | ||
| 88 | Pedal pivot cover | 70135-G01 | 1 |
Metal Body and Associated Parts
| Sl. No. | Part description | Part number | Notes | Quantity | Purchase |
|---|---|---|---|---|---|
| 1 | Instrument panel | 71151-G01 | includes items 2-5 | 1 | |
| 2 | Ball deflector | 71153-G01 | Passenger side | 1 | |
| 3 | Ball deflector | 71154-G01 | Driver's side | 1 | |
| 5 | Screw | 00614-G5 | #8 - 18 x 5/8" LG | 6 | |
| 8 | Cowl cap | 71030-G01 | 1 | ||
| 9 | Cowl support bracket | 71101-G01 | 1 | ||
| 10 | E-Z-GO nameplate | 19817-G1 | 1 | ||
| 13 | Pushnut | 12064-G3 | 3/16" | 3 | |
| 14 | Front cowl | 71071-G** | 1 | ||
| 15 | Retaining tab | 71076-G01 | 2 | ||
| 17 | Fender flange | 71036-G01 | Driver's side | 1 | |
| 18 | Fender flange | 71035-G01 | Passenger side | 1 | |
| 19 | Stainless steel rivet | 10570-G10 | 5/32 x 1/2" LG | 2 | |
| 20 | Rivet | 14601-G10 | 5/32 x 7/16" LG | 16 | |
| 21 | Rivet | 10570-G10 | 5/32 x 9/16" LG | 2 | |
| 22 | Washer | 16469-G7 | 1/4 | 1 | |
| 23 | Bolt | 71102-G02 | 1/4 - 20 x 1/2" LG | 4 | |
| 24 | Washer | 15121-G3 | 1 1/4 O.D. x 7/32 I.D. | 2 | |
| 26 | Front cowl splash panel | 71117-G01 | 1 | ||
| 27 | Bolt | 71056-G01 | 5/16 - 18 x 5/8" LG | 4 | |
| 29 | Ratchet fastener | 16816-G2 | 4 | ||
| 30 | Vinyl trim | 71115-G01 | 2 | ||
| 33 | Rivet | 14601-G13 | 5/32 x 9/16" LG | 2 | |
| 34 | Rivet | 14601-G11 | 3/16 x 9/16" LG | 10 | |
| 36 | Upper floorpan | 70047-G01 | 1 | ||
| 37 | Lower floorpan | 70451-G01 | 1 | ||
| 38 | Switch access cover | 70452-G01 | 1 | ||
| 39 | Lower floor panel | 70316-G01 | 1 | ||
| 40 | Rivet | 14601-G11 | 3/16 x 9/16" LG | 7 | |
| 41 | Noise suppressor strip | 18391-G1 | 2 | ||
| 42 | Trunk lid noise suppressor | 72113-G01 | 1 | ||
| 43 | Bagwell noise suppressor | 22744-G1 | 1 | ||
| 47 | Bagwell | 71401-G02 | 1 | ||
| 48 | Bumper plug hole | 20271-G2 | 2 | ||
| 52 | Rivet | 18436-G1 | 1/4 x 5/8" LG | 4 | |
| 53 | Ratchet fastener | 16816-G2 | 8 | ||
| 54 | Fender liner | 71551-G04 | Passenger side | 1 | |
| 55 | Fender liner | 71552-G04 | Driver's side | 1 | |
| 56 | Ratchet fastener | 16816-G2 | 12 | ||
| 57 | Rivet | 71055-G01 | 3/16 x 3/8" LG | 4 | |
| 60 | Bumper rivet | 10570-G10 | 5/32 x 9/16" LG | 12 | |
| 63 | Access panel | 71353-G** | 1 | ||
| 64 | Screw | 71002-G01 | #8 x 1/2" LG | 6 | |
| 65 | Filler panel | 71347-G01 | Passenger side | 1 | |
| 66 | Filler panel | 71348-G01 | Driver side | 1 | |
| 68 | Rivet | 10570-G12 | 1/4 x 1/2" L G | 4 | |
| 69 | Speed nut | 71003-G01 | #8 | 4 | |
| 70 | Rivet | 14601-G13 | 5/32 x 9/16" LG | 2 | |
| 71 | Ratchet fastener | 16816-G2 | 2 | ||
| 72 | Rivet | 14601-G10 | 5/32 x 7/16" LG | 8 | |
| 75 | Scuffguard access panel | 75017-G01 | 1 | ||
| 78 | Fender | 71341-G** | Passenger side | 1 | |
| 79 | Fender pocket | 71345-G01 | Passenger side | 1 | |
| 80 | Fender cap | 71355-G01 | Passenger side | 1 | |
| 82 | Scuff guard | 71373-G02 | Passenger side | 1 | |
| 83 | Fender | 71342-G** | Driver's side | 1 | |
| 86 | Fender cap | 71356-G01 | Driver's side | 1 | |
| 87 | Scuff guard | 71373-G01 | Driver's side | 1 | |
| 89 | Screw | 00228-G4 | #10 - 24 x 1/2" LG | 3 | |
| 91 | Rivet | 14601-G10 | 5/32 x 7/16" LG | 5 | |
| 92 | Ratchet fastener | 16816-G2 | 4 | ||
| 94 | Speed nut | 71003-G03 | #8 | 4 | |
| 95 | Screw | 71004-G01 | #8 x 3/8" LG | 4 | |
| 96 | Lock nut | 11027-G3 | 10 - 24 | 3 | |
| 98 | Battery tray | 70245-G01 | 1 | ||
| 99 | Bolt | 00715-G2 | 5/16 - 18 x 13/16" LG | 4 | |
| 100 | Splash panel | 70244-G01 | 1 | ||
| 101 | Screw | 00114-G6 | 1/4 - 14 x 3/4" LG | 4 | |
| 102 | Fastener | 16816-G2 | 2 | ||
| 103 | Front shield | 27166-G02 | 1 | ||
| 104 | Front shield brace | 71015-G01 | 2 | ||
| 105 | Washer | 16469-G7 | 1/4 | 2 | |
| 107 | Floormat | 71644-G01 | 1 | ||
| 108 | Rocker panel sill plate | 71641-G01 | Passenger side | 1 | |
| 109 | Rocker panel sill plate | 71641-G02 | Driver's side | 1 | |
| 111 | Stainless steel screw | 16705-G1 | 1/4 - 20 x 1" LG | 4 | |
| 112 | Spacer | 23726-G4 | 4 | ||
| 113 | Lock nut | 00891-G2 | 1/4 - 20 | 4 | |
| 114 | Rocker panel | 71642-G02 | Passenger side, front | 1 | |
| 115 | Rocker panel | 71643-G02 | Passenger side, rear | 1 | |
| 116 | Rocker panel | 71642-G01 | Driver's side, front | 1 | |
| 117 | Rocker panel | 71643-G01 | Driver's side, rear | 1 |
Plastic Body and Associated Parts
| Sl. No. | Part description | Part number | Notes | Quantity | Purchase |
|---|---|---|---|---|---|
| 1 | Instrument panel assembly | 71151-G01 | includes items 2-5 | 1 | |
| 2 | Ball deflector | 71153-G01 | Passenger side | 1 | |
| 3 | Ball deflector | 71154-G01 | Driver side | 1 | |
| 4 | Screw | 00614-G5 | #8 - 18 x 5/8" LG | 6 | |
| 5 | Instrument panel insert | 71158-G01 | 4 cup holder | 1 | |
| 6 | Label | 28169-G01 | Safety | 1 | |
| 8 | Splash panel | 71413-G01 | 1 | ||
| 9 | Foam tape | 27919-G02 | 3 | ||
| 10 | Screw | 01036-G01 | #10 - 24 x 3/4" LG (to early 2000 production) | 4 | |
| 11 | Lock nut | 11098-G7 | #10 - 24 x (to early 2000 production) | 4 | |
| 12 | Ratchet fastener | 16816-G2 | 1/4" x 3/4" LG (late 2000 production) | 4 | |
| 13 | Ratchet fastener | 16816-G2 | 1/4" x 3/4" LG | 1 | |
| 14 | Vinyl trim | 71115-G01 | Passenger side | 1 | |
| 15 | Vinyl trim | 71115-G02 | Driver side | 1 | |
| 16 | Rivet | 71055-G01 | 3/16" x 3/8" LG | 10 | |
| 18 | Screw | 01038-G01 | 1/4 - 20 x 1/2" LG | 4 | |
| 19 | Washer | 16469-G7 | 1/4" | 2 | |
| 20 | Ratchet fastener | 16816-G2 | 1/4" x 3/4" LG | 2 | |
| 21 | Front shield | 27166-G02 | 1 | ||
| 22 | Front shield brace | 71015-G01 | 2 | ||
| 24 | Upper floorpan | 71510-G02 | 1 | ||
| 25 | Lower floorpan | 70451-G01 | 1 | ||
| 26 | Access cover | 70452-G01 | 1 | ||
| 27 | Rivet | 14601-G11 | 3/16 x 9/16" LG | 16 | |
| 28 | Rear floorpan | 70316-G01 | 1 | ||
| 29 | Rivet | 10570-G10 | 5/32 x 1/2" LG | 5 | |
| 30 | Floormat | 71598-G04 | 1 | ||
| 31 | Cowl | 71051-G** | 1 | ||
| 32 | Rivet | 71055-G01 | 3/16" x 3/8" LG | 9 | |
| 33 | Rivet | 10570-G11 | 3/16" x 3/4" LG | 2 | |
| 34 | Bolt | 71056-G01 | 5/16 - 18 x 5/8" LG | 4 | |
| 35 | Washer | 00570-G2 | 5/16 | 4 | |
| 36 | Bolt | 01035-G01 | 5/16 - 18 x 2 1/4" LG (with suntop) | 4 | |
| 37 | Lock washer | 00905-G8 | 5/16" (with suntop) | 4 | |
| 39 | E-Z-GO nameplate | 71037-G02 | Gold | 1 | |
| 40 | Pushnut | 12064-G3 | 3/16" | 2 | |
| 42 | Serial number plate | * | 1 | ||
| 43 | EC plate | * | 1 | ||
| 44 | Rivet | 01041-G01 | 5/32" x 7/8" LG | 4 | |
| 47 | Support plate | 70484-G01 | 1 | ||
| 48 | Rivet | 14601-G8 | 3/16 x 7/16" LG | 2 | |
| 51 | Rear body assembly | 71912-G** | includes items 52, 53 | 1 | |
| 52 | Bagwell liner | 71318-G01 | 1 | ||
| 53 | Ratchet fastener | 16816-G1 | 1/4" x 5/8" LG | 26 | |
| 54 | Plug | 71316-G01 | 1 | ||
| 56 | Rear bumper | 71451-G01 | 1995-98 models only | 1 | |
| 57 | Bolt | 71398-G01 | 1/4 - 20 x 1 1/4" LG | 4 | |
| 58 | Bumper plug | 71455-G01 | 4 | ||
| 59 | Ratchet fastener | 16816-G4 | 2 | ||
| 60 | Bumper stay | 71457-G01 | 4 | ||
| 61 | Splash pan | 70244-G02 | 1 | ||
| 62 | Battery tray | 70245-G01 | 1 | ||
| 63 | Bolt | 00715-G2 | 5/16 - 18 x 13/16" LG | 8 | |
| 65 | Extended fender liner | 71551-G02 | Passenger side | 1 | |
| 66 | Extended fender liner | 71552-G05 | Driver side | 1 | |
| 67 | Ratchet fastener | 16816-G2 | 1/4" x 3/4" LG | 8 | |
| 69 | Seat frame | 70440-G01 | 1 | ||
| 70 | Bolt | 00715-G2 | 5/16 - 18 x 13/16" LG | 2 | |
| 72 | Access panel | 71320-G01 | 1 | ||
| 73 | Screw | 71002-G01 | #8 x 5/8" LG | 5 | |
| 74 | "J" clip | 71364-G02 | 1 | ||
| 75 | Rivet | 10570-G12 | 1/4 x 1/2" LG | 4 | |
| 76 | Rivet | 10570-G10 | 5/32 x 1/2" LG | 6 | |
| 77 | Plastic drive rivet | 18436-G1 | 1/4 x 3/4" LG | 2 | |
| 78 | Hinge plate | 71609-G01 | 2 | ||
| 79 | Rivet | 10570-G11 | 3/16 x 3/4" LG | 4 | |
| 81 | Rear bumper | 71336-G01 | early 1999 models only | 1 | |
| 82 | Washer | 00559-G8 | 5/16" | 4 | |
| 83 | Bolt | 01039-G01 | 1/4 - 20 x 5/8" LG | 4 | |
| 84 | Bumper plug | 71945-G01 | early 1999 models only | 4 | |
| 85 | Rivet | 14601-G17 | 3/16" x 9/16" LG | 4 | |
| 87 | Rocker panel | 71642-G02 | Front, passenger side | 1 | |
| 88 | Rocker panel | 71642-G01 | Front, driver side | 1 | |
| 89 | Rocker panel | 71643-G02 | Rear, passenger side | 1 | |
| 90 | Rocker panel | 71643-G01 | Rear, driver side | 1 | |
| 91 | Sill plate | 71641-G01 | Passenger side | 2 | |
| 92 | Sill plate | 71641-G02 | Driver side | 1 | |
| 93 | Screw | 16705-G1 | 1/4 - 20 x 1" LG | 6 | |
| 94 | Spacer | 23726-G4 | 6 | ||
| 95 | Lock nut | 00891-G2 | 1/4 - 20 | 6 | |
| 96 | Rivet | 15058-G6 | 3/16 x 15/16" LG | 4 | |
| 97 | Back fender noise suppressor | 72548-G01 | 2 | ||
| 98 | Side fender noise suppressor | 72551-G01 | 1 | ||
| 99 | Fender noise suppressor | 72552-G01 | 1 | ||
| 100 | Small seatwrap noise suppressor | 72549-G01 | 1 | ||
| 101 | Seatwrap noise suppressor | 72112-G01 | 1 | ||
| 102 | Bagwell noise suppressor | 22744-G1 | 1 | ||
| 105 | Blower housing noise suppressor | 28382-G01 | 1 | ||
| 106 | Screw | 12547-G1 | 6 MM | 4 | |
| 107 | Lockwasher | 00565-G7 | 4 | ||
| 108 | Washer | 00559-G7 | 4 | ||
| 110 | Rear bumper | 71451-G01 | 1 | ||
| 111 | Bumper stay | 71457-G01 | 4 | ||
| 112 | Washer | 00559-G8 | 5/16" | 4 | |
| 113 | Bolt | 71398-G01 | 1/4 - 20 x 1 1/4" LG | 4 | |
| 114 | Bumper plug | 71445-G01 | 4 | ||
| 115 | J-type nut retainer | 01042-G01 | 1/4 - 20 | 2 | |
| 116 | Swage form screw | 01038-G01 | 1/4 - 20 | 2 | |
| 118 | Rear bumper | 71515-G01 | late 1999 models only | 1 | |
| 119 | Bumper plug | 71514-G01 | late 1999 models only | 4 |
Brakes – Mechanical
| Sl. No. | Part description | Part number | Notes | Quantity | Purchase |
|---|---|---|---|---|---|
| 1 | Brake pedal assembly | 70263-G01 | with brake lights, includes items 2-28 | 1 | |
| 2 | Brake pedal | * | 1 | ||
| 3 | Park brake pedal | 70265-G01 | 1 | ||
| 4 | Brake/park brake pedal pad kit | 70274-G01 | includes items 5-7 | 1 | |
| 5 | Service brake pad | * | 1 | ||
| 6 | Park brake pad | * | 1 | ||
| 7 | Oval rivet | 15766-G1 | 3/16 x 3/8" LG | 9 | |
| 9 | Service brake pedal plate | * | 1 | ||
| 10 | Pivot pin | 15932-G2 | 1 | ||
| 11 | Torsion spring | 11737-G1 | 2 | ||
| 12 | Pushnut | 12064-G1 | 5/16" | 1 | |
| 13 | Screw | 00737-G8 | #10 - 24 x 1" LG | 4 | |
| 14 | Rubber nut | 00739-G1 | # 10 - 24 | 2 | |
| 15 | Brake pedal standoff | 22362-G3 | 2 | ||
| 16 | Conical spring | 27137-G01 | 2 | ||
| 17 | Lock nut | 11098-G7 | #10 - 24 | 2 | |
| 18 | Micro switch | 10606-G8 | 1 | ||
| 19 | Screw | 00645-G2 | #6 - 32 x 1 1/4" LG | 2 | |
| 20 | Washer | 00559-G5 | #10 | 2 | |
| 21 | Washer | 00559-G3 | #6 | 2 | |
| 22 | Lock washer | 00565-G3 | #6 | 2 | |
| 23 | Nut | 00525-G5 | #6 - 32 | 2 | |
| 24 | Brass screw | * | 2 | ||
| 25 | Lock washer | 00567-G3 | #6 | 6 | |
| 26 | Faston tab | 14628-G1 | 2 | ||
| 27 | Wire harness | 24605-G1 | brake light | 1 | |
| 28 | Wire tie | 17618-G1 | 3 | ||
| 30 | Brake pedal assembly | 70264-G01 | Without brake lights, includes items 31-39 | 1 | |
| 31 | Torsion spring | 11734-G1 | 2 | ||
| 32 | Pivot pin | 15932-G2 | 1 | ||
| 33 | Pushnut | 12064-G1 | 5/16" | 1 | |
| 34 | Brake pedal | * | 1 | ||
| 35 | Park brake pedal | 70265-G01 | 1 | ||
| 36 | Brake/park brake pedal pad kit | 70274-G01 | includes items 37 - 39 | 1 | |
| 37 | Service brake pad | * | 1 | ||
| 38 | Park brake pedal pad | * | 1 | ||
| 39 | Oval rivet | 15766-G1 | 3/16" x 3/8" LG | 9 | |
| 41 | Shoulder bolt | 70582-G01 | 3/8 - 16 x 4" LG | 1 | |
| 42 | Flanged bushing | 70581-G01 | 2 | ||
| 43 | Torsion spring | 70676-G01 | 1 | ||
| 44 | Washer | 00643-G1 | 3/8" | 1 | |
| 45 | Lock nut | 11098-G5 | 3/8 - 16 | 1 | |
| 47 | Compensator assembly | 70272-G04 | includes items 48 - 57 | 1 | |
| 48 | Linkage rod | 25882-G04 | 1 | ||
| 49 | Nut | 00532-G4 | 5/16 - 24 | 2 | |
| 50 | Yoke | * | 1 | ||
| 51 | Compression spring | 23463-G1 | 1 | ||
| 52 | Compensator stop tube | 23061-G2 | 1 | ||
| 53 | Bushing | 17979-G1 | 1 | ||
| 54 | Washer | 15121-G1 | 3/8" | 2 | |
| 55 | Equalizer bracket | 28082-G01 | 1 | ||
| 56 | Spherical nut | 00963-G01 | 5/16 - 24 | 1 | |
| 57 | Lock nut | 11098-G9 | 5/16 - 24 | 1 | |
| 61 | Brake compensator bumper | 28083-G01 | 2 | ||
| 62 | Brake cable | 70700-G09 | Passenger side | 1 | |
| 63 | Brake cable | 70700-G08 | Driver side | 1 | |
| 65 | Retaining ring | 12305-G1 | 4 | ||
| 66 | Wire tie | 12416-G2 | 2 | ||
| 67 | Clevis pin | 10386-G3 | 5/16" x 1" LG | 3 | |
| 68 | Cotter pin | 10387-G3 | 3/32" x 3/4" LG | 3 | |
| 70 | Kic-off link | 70601-G01 | 1 | ||
| 71 | Nylon bushing | 17838-G1 | 2 | ||
| 72 | Teflon washer | 20835-G1 | 3/8" | 2 | |
| 73 | Washer | 00559-G8 | 5/16" | 2 | |
| 74 | Cotter pin | 10387-G3 | 3/32" x 3/4" LG | 2 | |
| 75 | Kick off cam pivot | 70098-G01 | 1 | ||
| 76 | Flanged bearing | 10097-G6 | 2 | ||
| 77 | Kick off cam | 25103-G1 | 1 | ||
| 78 | Setscrew | 71215-G01 | 1/4 - 20 x 1/2" LG | 2 | |
| 79 | Spacer | 14134-G4 | 1 | ||
| 81 | Adjustable bumper | 70113-G01 | 1 | ||
| 82 | Lock nut | 11027-G1 | 5/16 - 18 | 1 | |
| 84 | Catch bracket | 70080-G01 | 1 | ||
| 85 | Bolt | 00414-G6 | 1/4 - 20 x 3/4" LG | 2 | |
| 86 | Lock nut | 11027-G2 | 1/4 - 20 | 2 | |
| 88 | Brake assembly | 72422-G01 | Driver side, includes items 90-98, 100,101 | 1 | |
| 89 | Brake assembly | 72422-G02 | Passenger side, incl. items 90-97, 99-101 | 1 | |
| 90 | Brake shoe kit | 27945-G01 | includes item 91 | 2 | |
| 91 | Brake shoe | * | 2 | ||
| 92 | Brake spring kit | 27944-G01 | includes items 93 - 97 | 2 | |
| 93 | Upper spring | * | 1 | ||
| 94 | Lower spring | * | 1 | ||
| 95 | Pin | * | 2 | ||
| 96 | Cup and spring | * | 2 | ||
| 97 | Adjuster spring | * | 1 | ||
| 98 | Brake adjuster kit | 72582-G01 | Driver side, includes items 100-101 | 1 | |
| 99 | Brake adjuster kit | 72582-G02 | Passenger side, includes items 100-101 | 1 | |
| 100 | Adjuster | * | 1 | ||
| 101 | Teflon washer | * | 2 | ||
| 102 | Bolt | 17083-G2 | 5/16 - 24 x 1" LG | 8 | |
| 103 | Lock nut | 15126-G1 | 5/16 - 24 | 8 | |
| 104 | Inner brake drum washer | 21809-G1 | 2 | ||
| 106 | Brake drum assembly | 21807-G1 | includes items 107 - 108 | 2 | |
| 107 | Brake drum | * | 1 | ||
| 108 | Lug bolt | 19862-G1 | 1/2 - 20 | 4 | |
| 109 | Lug nut | 14723-G1 | 1/2 - 20 | 8 | |
| 110 | Spindle cap adapter | 24939-G2 | early production | 2 | |
| 111 | Outer brake drum washer | 21830-G1 | 2 | ||
| 112 | Slotted nut | 00518-G8 | 3/4 - 16 | 2 | |
| 113 | Cotter pin | 10387-G1 | 1/8" x 1 1/2" LG | 2 | |
| 114 | Spindle cap | 74175-G01 | Late production | 2 | |
| 115 | Spindle cap | 12091-G2 | Early production | 2 | |
| 116 | Brake cable bracket | 72036-G01 | Passenger side | 1 | |
| 117 | Brake cable bracket | 72036-G02 | Driver side | 1 |
Brakes – Hydraulic
| Sl. No. | Part description | Part number | Notes | Quantity | Purchase |
|---|---|---|---|---|---|
| 1 | Brake pedal | 70413-G01 | 1 | ||
| 2 | Brake pedal pad | 11039-G1 | 1 | ||
| 3 | Flanged bushing | 70581-G01 | 2 | ||
| 4 | Torsion spring | 70676-G01 | 1 | ||
| 5 | Rivet | 14269-G1 | 3/16" x 1/2" LG | 2 | |
| 6 | Shoulder bolt | 70582-G01 | 3/8 - 16 x 4" LG | 1 | |
| 7 | Washer | 00643-G1 | 3/8" | 1 | |
| 8 | Lock nut | 11098-G5 | 3/8 - 16 | 1 | |
| 10 | Adjustable rubber bumper | 70113-G01 | 1 | ||
| 11 | Lock nut | 11027-G1 | 5/16 - 18 | 1 | |
| 13 | Linkage rod assembly | 30295-G8 | includes items 14 - 16 | 1 | |
| 14 | Threaded rod | 30297-G8 | 1 | ||
| 15 | Yoke | 10385-G4 | 2 | ||
| 16 | Nut | 00544-G4 | 5/16 - 24 | 2 | |
| 17 | Clevis pin | 10386-G3 | 5/16 x 15/16" LG | 1 | |
| 18 | Cotter pin | 10387-G3 | 3/32 x 3/4" LG | 1 | |
| 19 | Brake bellcrank | 70415-G01 | 1 | ||
| 20 | Flanged bushing | 70581-G01 | 2 | ||
| 21 | Bellcrank shaft | 70410-G01 | 1 | ||
| 22 | Retaining ring | 12305-G1 | 2 | ||
| 23 | Clevis pin | 10386-G3 | 5/16 x 15/16" LG | 1 | |
| 24 | Cotter pin | 10387-G3 | 3/32 x 3/4" LG | 1 | |
| 25 | Master cylinder service kit | 70643-G03 | includes items 26-27 | 1 | |
| 26 | Washer | 00675-G1 | 3/8" | 1 | |
| 27 | Master cylinder | * | 1 | ||
| 28 | Push rod assembly | 30298-G2 | includes items 29 - 31 | 1 | |
| 29 | Push rod | 30293-G2 | 3 1/8" LG | 1 | |
| 30 | Clevis yoke | 21508-G1 | 1 | ||
| 31 | Nut | 00544-G6 | 5/16 - 24 | 1 | |
| 32 | Male branch - tee | 26469-G01 | 1 | ||
| 33 | Pipe plug | 21503-G1 | AR | ||
| 34 | Stoplight switch | 21510-G1 | IF equipped with brake lights | 1 | |
| 36 | Bolt | 00427-G4 | 3/8 - 16 x 1 1/2" LG | 2 | |
| 37 | Lock nut | 11098-G5 | 3/8 - 16 | 2 | |
| 38 | Washer | 00560-G1 | 3/8" | 1 | |
| 39 | Bolt | 01020-G01 | 3/8 - 16 x 1" LG | 1 | |
| 40 | Lock washer | 00566-G1 | 3/8" | 1 | |
| 41 | Clevin pin | 14443-G3 | 5/16 x 1 1/8" LG | 1 | |
| 42 | Cotter pin | 10387-G3 | 3/32 x 3/4" LG | 1 | |
| 44 | Inverted flair fitting | 33724-G01 | 1 | ||
| 45 | Brake line with nuts | 21104-G11 | 60" LG | 1 | |
| 46 | Cable clip | 11845-G5 | 2 | ||
| 47 | Self threading screw | 00100-G6 | #10 x 3/4" LG | 2 | |
| 49 | Flexible hose | 33534-G01 | 1 | ||
| 50 | Flex hose clip | 11456-G1 | 1 | ||
| 51 | Lock nut | 11098-G6 | 5/16 - 18 | 1 | |
| 52 | Brake line with nuts | 21104-G9 | 30" LG | 1 | |
| 53 | Brake line with nuts | 21104-G6 | 8" LG | 1 | |
| 55 | Parking brake | 74177-G01 | Early production | 1 | |
| 56 | Parking brake bracket | 70493-G01 | 1 | ||
| 57 | Bolt | 00440-G2 | 5/16 - 18 x 2 1/4" LG | 2 | |
| 58 | Lock washer | 00565-G8 | 5/16" | 2 | |
| 59 | Handle spacer | 74179-G01 | 1 | ||
| 60 | Release handle bracket | 71026-G01 | 1 | ||
| 61 | Bracket spacer | 70465-G01 | 2 | ||
| 62 | Rivet | 71055-G01 | 2 | ||
| 63 | Washer | 00571-G2 | 5/16" | 2 | |
| 64 | Brake release handle | 71029-G01 | 1 | ||
| 65 | Grommet | 20367-G1 | 1 | ||
| 66 | Washer | 00559-G7 | 1/4" | 1 | |
| 67 | Cotter pin | 00798-G3 | 1 | ||
| 69 | Parking brake cable | 74176-G01 | 1 | ||
| 70 | Retaining ring | 12305-G1 | 2 | ||
| 72 | Brake cable assembly | 70716-G04 | includes items 73-76 | 1 | |
| 73 | Equilizer bracket | 28082-G01 | 1 | ||
| 74 | Bumper | 28083-G01 | 2 | ||
| 75 | Brake cable | * | Driver side | 1 | |
| 76 | Brake cable | * | Passenger side | 1 | |
| 77 | Spherical nut | 00963-G01 | 5/16 - 24 | 1 | |
| 78 | Lock nut | 11098-G9 | 5/16 - 24 | 1 | |
| 79 | Retaining ring | 12305-G1 | 4 | ||
| 81 | Clevis pin | 10386-G3 | 5/16 x 15/16" LG | 2 | |
| 82 | Cotter pin | 10387-G3 | 3/32 x 3/4" LG | 2 | |
| 85 | Bolt | 00440-G2 | 5/16 - 18 x 2 1/4" LG | 2 | |
| 86 | Lock washer | 00565-G8 | 5/16" | 2 | |
| 87 | Washer | 00571-G2 | 5/16" | 2 | |
| 89 | Washer | 00559-G8 | 5/16" | 1 | |
| 90 | Cotter pin | 10387-G3 | 3/32 x 3/4" LG | 3 | |
| 92 | Parking brake cable | 74176-G01 | 1 | ||
| 93 | Retaining ring | 12305-G1 | 2 | ||
| 95 | Parking brake release pin | 70545-G01 | 1 | ||
| 96 | Parking brake release cable | 71870-G01 | 1 | ||
| 97 | Washer | 00559-G7 | 1/4" | 1 | |
| 98 | Cotter pin | 10387-G8 | 1 | ||
| 99 | Lock nut | 00891-G2 | 1/4 - 20 | 1 | |
| 100 | Brake release coil spring | 71872-G01 | 1 | ||
| 101 | Jam nut | 00544-G1 | 5/16 - 18 | 2 | |
| 103 | Spring mount | 71866-G01 | 1 | ||
| 104 | Rivet | 10570-G11 | 3/16" x 3/4" LG | 2 | |
| 106 | Parking brake cover | 70693-G01 | 1 | ||
| 107 | Retainer plate | 71892-G01 | 2 | ||
| 108 | Ratchet fastener | 16816-G2 | 2 | ||
| 110 | Upper cable mount | 71864-G01 | 1 | ||
| 111 | Bolt | 00414-G6 | 1/4 - 20 x 3/4" LG | 2 | |
| 112 | Washer | 00559-G7 | 1/4" | 2 | |
| 113 | Lock nut | 00891-G2 | 1/4 - 20 | 2 | |
| 115 | Lower cable mount | 71865-G01 | 1 | ||
| 116 | Bolt | 00414-G6 | 1/4 - 20 x 3/4" LG | 2 | |
| 117 | Washer | 00559-G7 | 1/4" | 2 | |
| 118 | Lock nut | 00891-G2 | 1/4 - 20 | 2 | |
| 120 | Clevis pin | 10386-G3 | 5/16" x 1" LG | 1 | |
| 121 | Nylon bushing | 17838-G1 | 1 | ||
| 122 | Washer | 00559-G8 | 5/16" | 3 | |
| 123 | Cotter pin | 10387-G3 | 3/32" x 3/4" LG | 1 | |
| 124 | Parking brake | 71871-G01 | Late production, includes items 125 - 132 | 1 | |
| 125 | Release arm | 70652-G01 | 1 | ||
| 126 | Spring | 70653-G01 | 1 | ||
| 127 | Pawl | 70654-G01 | 1 | ||
| 128 | Spacer | 70656-G01 | 1 | ||
| 129 | Clevis pin | 70657-G01 | 5/16" x 1 3/8" LG | 1 | |
| 130 | Clevis pin | 70659-G01 | 5/16" x 5/8" LG | 2 | |
| 131 | Rubber pedal cover | 70660-G01 | 1 | ||
| 132 | Slotted clevis | 70661-G01 | 1 | ||
| 134 | Brake assembly | 33725-G02 | Driver side, includes items 136- 154 | 1 | |
| 135 | Brake assembly | 33725-G01 | Passenger side, includes items 136 - 154 | 1 | |
| 136 | Torque spider | 21086-G1 | 1 | ||
| 137 | Wheel cylinder piston | 21087-G1 | 2 | ||
| 138 | Hydraulic cup | 21088-G1 | 2 | ||
| 139 | Seal | 21089-G1 | 2 | ||
| 140 | Bleeder valve | 21094-G1 | 1 | ||
| 141 | Lower spring | 13466-G1 | 1 | ||
| 142 | Shoe hold down | 21096-G1 | 1 | ||
| 143 | Adjuster | 21097-G1 | 1 | ||
| 144 | Dust shield | 21908-G1 | 1 | ||
| 145 | Spring | 70670-G01 | yellow | 1 | |
| 146 | Spring | 70669-G01 | Blue | 1 | |
| 147 | Brake shoe | 33726-G01 | 1 | ||
| 149 | Parking brake lever assembly | * | includes items 150 - 154 | 1 | |
| 150 | Curved lever | 13460-G1 | 1 | ||
| 151 | Spring washer | 13463-G1 | 1 | ||
| 152 | Clevis pin | 13462-G1 | 1 | ||
| 153 | Clevis pin retainer | 13464-G1 | 1 | ||
| 154 | Straight lever | 22604-G1 | 2 | ||
| 156 | Clip | 13468-G1 | 2 | ||
| 157 | Collar | 33666-G01 | 1 | ||
| 158 | Stud | 33662-G01 | 5/16 - 24 | 4 | |
| 159 | Nut | 21562-G1 | 5/16 - 24 | 4 | |
| 160 | Flange | 33661-G01 | 1 | ||
| 161 | Brake drum | 17953-G2 | 2 | ||
| 162 | Lug nut | 14723-G1 | 1/2 - 20 | 5 | |
| 164 | Retaining ring | XXXXX-XX | See rear axle - hydraulic brakes for p/n | ||
| 165 | Bearing | XXXXX-XX | See rear axle - hydraulic brakes for p/n | ||
| 166 | Wiper seal | 21559-G1 | 1 | ||
| 167 | Wheel bolt | 14590-G1 | 1/2 - 20 | 5 | |
| 168 | Slotted nut | 00518-G8 | 3/4 - 16 | 1 | |
| 169 | Lock washer | 00566-G6 | 3/4" | 1 | |
| 170 | Washer | 33665-G01 | 3/4" | 1 | |
| 171 | Master cylinder repair kit | 28066-G02 | not shown | AR |
Brakes – Non-Bendix Mechanical
| Sl. No. | Part description | Part number | Notes | Quantity | Purchase |
|---|---|---|---|---|---|
| 1 | Brake assembly | 22997-G2 | Passenger side, includes items 2-5, 11-23 | 1 | |
| 2 | Backing plate | 22518-G1 | 1 | ||
| 3 | Adjuster | 23360-G1 | 1 | ||
| 4 | Lever assembly | 23357-G1 | includes item 5 | 1 | |
| 5 | Torsion spring | 23536-G1 | Passenger side, silver | 1 | |
| 6 | Brake assembly | 22997-G1 | Driver's side, includes items 7-23 | 1 | |
| 7 | Backing plate | 22519-G1 | 1 | ||
| 8 | Adjuster | 23361-G1 | 1 | ||
| 9 | Lever assembly | 23358-G1 | includes item 10 | 1 | |
| 10 | Torsion spring | 23537-G1 | Driver's side, gold | 1 | |
| 11 | Adjuster body | 23363-G1 | 1 | ||
| 12 | Washer | 23382-G1 | 1/4" | 1 | |
| 13 | Thrust washer | 23362-G1 | 1/4" | 1 | |
| 15 | Dust cover | 22511-G1 | 1 | ||
| 16 | Anchor block | 23356-G1 | 1 | ||
| 17 | Lock washer | 00565-G1 | 1/4" | 2 | |
| 18 | Nut | 13632-G1 | 6 MM | 2 | |
| 19 | Brake adjuster spring | 23359-G1 | 1 | ||
| 20 | Brake anchor spring | 17290-G1 | 1 | ||
| 21 | Shoe clamp | 17291-G1 | 2 | ||
| 22 | Shoe clamp tension pin | 17292-G1 | 2 | ||
| 23 | Brake shoe set | 23364-G1 | 1 | ||
| 24 | Bolt | 17083-G2 | 5/16 - 24 x 1" LG | 8 | |
| 25 | Lock nut | 15126-G1 | 5/16 - 24 | 8 | |
| 26 | Inner wheel rim washer | 15485-G1 | 2 | ||
| 27 | Brake drum with lug bolts | 19186-G1 | 2 | ||
| 28 | Outer wheel rim washer | 15487-G1 | 2 | ||
| 29 | Cotter pin | 10387-G1 | 1/8 x 1 1/2" LG | 2 | |
| 30 | Slotted nut | 15483-G1 | 5/8 - 18 | 2 | |
| 31 | Spindle cap | 12091-G2 | 2 | ||
| 32 | Spindle cap adaptor | 24939-G1 | 2 |
Carburetor
| Sl. No. | Part description | Part number | Notes | Quantity | Purchase |
|---|---|---|---|---|---|
| 1 | Carburetor assembly | 72558-G01 | includes items 2-17 | 1 | |
| 2 | Pilot screw | * | 1 | ||
| 4 | Pilot jet | 72307-G01 | #46P | 1 | |
| 5 | Plug | 26841-G01 | 1 | ||
| 6 | Bowl screen gasket | 26731-G01 | 1 | ||
| 7 | Needle valve | 26647-G01 | 1 | ||
| 8 | Main nozzle | 26837-G01 | 1 | ||
| 9 | Main jet | 26646-G05 | #94 | 1 | |
| 10 | Float | 26648-G01 | 1 | ||
| 11 | Float pin | 26840-G01 | 1 | ||
| 12 | Float bowl gasket | 26843-G01 | 1 | ||
| 13 | Float chamber | 26844-G01 | 1 | ||
| 14 | Bowl screw | 26839-G01 | 1 | ||
| 15 | Bowl gasket | 26730-G01 | 1 | ||
| 16 | Drain screw | * | 1 | ||
| 17 | Spring | 26845-G01 | 1 | ||
| 19 | Vent tube | 26650-G01 | 2 | ||
| 21 | Carburetor gasket | 26726-G01 | 1 | ||
| 22 | Insulator | 26637-G01 | 1 | ||
| 23 | Gasket | 72306-G01 | 1 | ||
| 24 | Insulator | 26637-G01 | 1 | ||
| 25 | Engine gasket | 26725-G01 | 1 |
Clutches
| Sl. No. | Part description | Part number | Notes | Quantity | Purchase |
|---|---|---|---|---|---|
| 1 | Drive clutch | 26952-G01 | 1 | ||
| 3 | Bolt | 00473-G9 | 7/16 - 20 x 6 1/2" LG | 1 | |
| 4 | Lock washer | 00566-G2 | 7/16" | 1 | |
| 5 | Pilot washer | 25757-G1 | 1 | ||
| 7 | Driven clutch | 26301-G02 | Includes items 8-15 | 1 | |
| 8 | Movable cam sheave | 25626-G02 | includes items 9-10 | 1 | |
| 9 | Screw | 00979-G01 | #10-24 | 3 | |
| 10 | Ramp button | 26479-G01 | 3 | ||
| 11 | Fixed cam | 26302-G01 | 1 | ||
| 12 | Washer | 24600-G1 | 1 | ||
| 13 | Compression spring | 26304-G01 | 1 | ||
| 14 | Fixed post sheave | 25643-G03 | 1 | ||
| 15 | External retaining ring | 27270-G01 | 1 3/8" ID | 1 | |
| 17 | Bolt | 00441-G8 | 5/16 - 18 x 4" LG | 1 | |
| 18 | Lock washer | 00565-G8 | 5/16" | 4 | |
| 19 | Retaining washer | 25756-G1 | 1 | ||
| 20 | Drive bolt | 72054-G01 | 1 | ||
| 22 | Starter / generator bolt | 26414-G01 | 1 |
Direction selector
| Sl. No. | Part description | Part number | Notes | Quantity | Purchase |
|---|---|---|---|---|---|
| 1 | Direction selector assembly | 25700-G07 | includes items 2-39 | 1 | |
| 2 | Direction selector bracket | 25684-G01 | 1 | ||
| 3 | Bushing | 25664-G1 | 1 | ||
| 5 | Direction selector shaft | 25677-G01 | 1 | ||
| 6 | Direction selector cam | 25745-G01 | 1 | ||
| 8 | Lock nut | 14390-G1 | 3/8 - 24 | 1 | |
| 13 | Micro switch | 10606-G1 | 1 | ||
| 15 | Micro switch spacer | 27151-G01 | 1 | ||
| 16 | Screw | 00645-G2 | #6 - 32 x 1 1/4" LG | 2 | |
| 17 | Lock washer | 00565-G3 | #6 | 4 | |
| 18 | Washer | 00559-G3 | #6 | 4 | |
| 19 | Nut | 00525-G5 | #6 - 32 | 4 | |
| 20 | Faston tab | 14628-G1 | 1 | ||
| 21 | Screw and washer assembly | 13514-G1 | 2 | ||
| 22 | Wire, red | 25978-G234 | 1 | ||
| 23 | Reverse warning buzzer | 17940-G5 | 1 | ||
| 24 | Screw | 00138-G5 | #6 - 32 x 5/8" LG | 2 | |
| 25 | Lock washer | 00567-G3 | #6 | 2 | |
| 26 | Washer | 00559-G7 | 1/4 | 2 | |
| 28 | Screw | 00414-G6 | 1/4 - 20 x 3/4" LG | 2 | |
| 29 | Lock nut | 11027-G2 | 1/4 - 20 | 2 | |
| 31 | Cup washer | 25727-G01 | 4 | ||
| 32 | Spring | 27764-G01 | 2 | ||
| 33 | Nut | 11098-G7 | #10 - 24 | 2 | |
| 34 | Cotter pin | 10387-G8 | 1/16 x 3/4" LG | 2 | |
| 35 | Shifter control cable | 72400-G01 | 2 | ||
| 37 | Spacer | 23726-G5 | 2 | ||
| 38 | Clevis pin | 23176-G1 | 5/16" x 1/2" LG | 2 | |
| 39 | Wire tie | 17618-G1 | 1 | ||
| 40 | Shifter lever nut | 26830-G01 | M8 x 1.25 MM | 1 | |
| 42 | Direction selector rod | 25748-G01 | 1 | ||
| 43 | Direction selector handle | 11989-G1 | 1 | ||
| 44 | Control pivot | 72099-G01 | 1 |
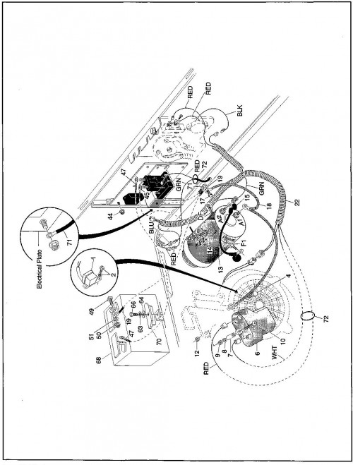
Electrical system
| Sl. No. | Part description | Part number | Notes | Quantity | Purchase |
|---|---|---|---|---|---|
| 1 | Ignition pickup | 26651-G01 | includes item 2 | 1 | |
| 2 | Bolt and washer | 26707-G01 | M5 x .8 x 10 MM LG | 1 | |
| 4 | Screw | 26676-G01 | M6 x 1 x 23 MM LG | 1 | |
| 5 | Ignition coil assembly | 26652-G01 | includes items 6-10 | 1 | |
| 6 | Ignition coil | * | 1 | ||
| 7 | Spacer | * | 1 | ||
| 8 | Lock washer | * | 1 | ||
| 9 | Nut | * | 1 | ||
| 10 | Screw | * | 1 | ||
| 12 | Nut | 13632-G1 | M6 x 1 LG | 2 | |
| 13 | Starter / generator | XXXXX-XX | See section AA for parts list and quantity | ||
| 14 | Wire | 25887-G01 | F1 - A2 | 1 | |
| 15 | Terminal cover | 25682-G1 | 3 | ||
| 17 | Bolt | 00715-G3 | 5/16 - 18 x 1 1/4" LG | 1 | |
| 18 | Ground cable | 20294-G3 | 1 | ||
| 19 | Wire | 25972-G12 | B-GRD | 1 | |
| 21 | Key switch harness | 27778-G02 | 1 | ||
| 22 | Control harness | 27777-G02 | 1 | ||
| 23 | Electrical plate | 27740-G03 | Includes items 25-42 | 1 | |
| 25 | Nut | 00532-G1 | 1/4 - 20 | 5 | |
| 27 | Nut | * | 5/16 - 24 | 2 | |
| 28 | Lock washer | 00565-G7 | 1/4" | 6 | |
| 29 | Lock washer | * | #10 | 2 | |
| 30 | Nut | * | #10 - 32 | 2 | |
| 32 | Washer | 00650-G7 | 1/4" | 6 | |
| 33 | Faston tab | 12914-G1 | 5/16 x 5/16" | 2 | |
| 34 | Faston tab | 12914-G2 | 3/8 x 13/32" | 2 | |
| 35 | Lock washer | * | 5/16" | 2 | |
| 36 | Wire | 25978-G56 | 5 3/4" LG | 1 | |
| 37 | Solenoid | 27153-G01 | 1 | ||
| 39 | Electronic plate | * | 1 | ||
| 40 | Voltage regulator | 27739-G01 | 1 | ||
| 41 | Ignitor assembly | 72562-G01 | 1 | ||
| 42 | Cover spacer | * | 1 | ||
| 44 | Lock nut | 11027-G2 | 1/4 - 20 | 3 | |
| 45 | Wire | 25972-G13 | SOL - F2 | 1 | |
| 46 | Electrical plate cover | 72004-G01 | 1 | ||
| 47 | Wire | 25972-G33 | B+ -SOL | 1 | |
| 49 | Bolt | * | 5/16 x 3/4" LG | 2 | |
| 50 | Nut | * | 5/16 | 2 | |
| 51 | Lock washer | * | 5/16" | 2 | |
| 53 | Console insert plate | 73030-G01 | 1 | ||
| 54 | Ignition swtich decal | 71133-G01 | 1 | ||
| 56 | Drive rivet | 33623-G02 | 2 | ||
| 57 | Ignition switch kit | 17421-G1 | includes all mounting hardware | 1 | |
| 58 | Lock washer | 00568-G6 | 3/4" | 1 | |
| 59 | Face nut | 17137-G1 | 1 | ||
| 60 | Ignition key | 17063-G1 | AR | ||
| 61 | Fuel gauge | 21553-G1 | Complete with hardware | 1 | |
| 62 | Low oil indicator | 23474-G1 | 1 | ||
| 63 | Lock washer | 00565-G8 | 5/16" | 1 | |
| 64 | Washer | 00571-G2 | 5/16 | 1 | |
| 66 | Bolt | 00952-G6 | 5/16 - 18 x 3/4" LG | 1 | |
| 68 | Battery | 24775-G1 | 12 volt | 1 | |
| 70 | Battery hold down | 72101-G01 | 1 | ||
| 71 | Wire | 25976-G11 | 1 | ||
| 72 | Nylon clamp | 17618-G1 | 2 | ||
| 73 | Wire | 25978-G122 | 1 | ||
| 74 | Fuel gauge/oil indicator wire harness | 74025-G01 | 1 |
Engine and Muffler
| Sl. No. | Part description | Part number | Notes | Quantity | Purchase |
|---|---|---|---|---|---|
| 1 | Engine | 72500-G04 | 350cc | 1 | |
| 3 | Timing belt cover grommet | 26631-G01 | 1 | ||
| 4 | Carburetor / air box gasket | 26727-G01 | 1 | ||
| 5 | Stud | 72307-G01 | 2 | ||
| 7 | Spark plug | 25523-G2 | NGK BP4ES | 2 | |
| 8 | Spark plug wire set | 26733-G01 | 2 with boots | 1 | |
| 10 | Ignition coil bracket | 72305-G01 | 1 | ||
| 12 | Carburetor | XXXXX-XX | See section F for part number and quantity | ||
| 13 | Valve cover gasket | 26719-G01 | 1 | ||
| 15 | Bolt | 26676-G01 | M6 x 1 x 23 MM LG | 6 | |
| 16 | Oil filter cap | 26601-G01 | 1 | ||
| 17 | "O" ring | 26720-G01 | 1 | ||
| 19 | Valve cover | 26600-G01 | 1 | ||
| 20 | Bolt and washer | 25532-G1 | M8 x 1.25 x 18 MM LG | 2 | |
| 21 | Muffler | 72019-G01 | 1 | ||
| 23 | Bolt and washer | 25532-G1 | M8 x 1.25 x 18 MM LG | 2 | |
| 24 | Exhaust gasket | 25531-G1 | 1 | ||
| 25 | Bolt | 00438-G8 | 5/16-18 x 1" LG | 1 | |
| 28 | Lock washer | 00565-G8 | 5/16" | 1 | |
| 29 | Washer | 00642-G8 | 5/16" | 1 | |
| 32 | Lock washer | 00565-G8 | 5/16" | 2 | |
| 34 | Screw | 00276-G6 | 5/16 - 24 x 3/4" LG | 2 | |
| 35 | Timing belt cover | 26630-G01 | 1 | ||
| 36 | Timing belt | 26626-G01 | 1 | ||
| 37 | Bolt | 26678-G01 | M6 x 1 x 12 MM LG | 3 | |
| 38 | Oil filter | 26591-G01 | 1 | ||
| 39 | Bolt and washer | 26680-G01 | M6 x 1 x 12 MM LG | 3 | |
| 40 | Oil filter "O" ring | 26710-G01 | 1 |
Engine and Starter Mounting
| Sl. No. | Part description | Part number | Notes | Quantity | Purchase |
|---|---|---|---|---|---|
| 1 | Screw | 00430-G4 | 3/8 - 16 x 4 1/2" LG | 1 | |
| 2 | Plastic washer | 72050-G01 | 4 | ||
| 4 | Lock nut | 11098-G5 | 3/8 - 16 | 1 | |
| 5 | Isolation mount | 72015-G01 | 1 | ||
| 6 | Front mount | 72010-G01 | 1 | ||
| 7 | Mount bracket | 72044-G01 | 1 | ||
| 9 | Engine guard | 27432-G02 | 1 | ||
| 10 | Screw | 00463-G4 | 7/16 - 14 x 1 1/2" LG | 6 | |
| 11 | Lock washer | 00566-G2 | 7/16" | 6 | |
| 12 | Washer | 00922-G3 | 7/16" | 6 | |
| 14 | Screw | 00428-G6 | 3/8 - 16 x 2 3/4" LG | 2 | |
| 15 | Lock nut | 12262-G1 | 3/8 - 16 | 2 | |
| 16 | Rear engine mount | 72011-G01 | 1 | ||
| 18 | "U" bolt | 72035-G01 | 2 | ||
| 19 | Lock nut | 00734-G01 | 7/16 - 14 | 4 | |
| 20 | Washer | 15121-G1 | 1 1/4 x 3/8" | 1 | |
| 21 | Washer | 72051-G02 | 2.50 x .390 x .134" | 1 | |
| 22 | Washer | 72051-G01 | 2.50 x .641 x .134" | 2 | |
| 24 | Crossmember brace | 70269-G01 | 1 | ||
| 25 | Screw | 00715-G3 | 5/16 - 18 x 1 1/4" LG | 2 | |
| 26 | Washer | 00571-G2 | 5/16" | 2 | |
| 27 | Lock nut | 11098-G6 | 5/16 - 18 | 2 | |
| 29 | Isolator spacer | 72016-G01 | 2 | ||
| 30 | Screw | 00938-G4 | 1/2 - 13 x 8" LG | 1 | |
| 31 | Washer | 00560-G3 | 1/2" | 2 | |
| 32 | Lock washer | 00566-G3 | 1/2" | 1 | |
| 34 | Nut | 00533-G1 | 1/2 - 13 | 1 | |
| 35 | Starter/Generator | XXXXX-XX | See section AA for part number | 1 | |
| 36 | Starter/Generator adjuster | 72045-G01 | 1 | ||
| 37 | Nut | 00544-G5 | 3/8 - 16 | 1 | |
| 39 | Nut | 00532-G5 | 3/8 - 16 | 1 | |
| 40 | Washer | 00560-G1 | 3/8" | 1 | |
| 41 | Push nut | 12064-G1 | 5/16" | 1 | |
| 44 | Bolt | 00439-G2 | 5/16 - 18 x 1" LG | 1 | |
| 45 | Lock nut | 11098-G6 | 5/16 - 18 | 1 | |
| 46 | Lock washer | 26826-G01 | 8MM | 2 | |
| 47 | Nut | 26827-G01 | M8 X 1.25MM | 2 | |
| 48 | Axle strap | 72017-G01 | 1 |
Air Filter
| Sl. No. | Part description | Part number | Notes | Quantity | Purchase |
|---|---|---|---|---|---|
| 1 | Carburetor / air box gasket | 26727-G01 | 2 | ||
| 2 | Choke bracket | 26728-G01 | 1 | ||
| 4 | Spacer | 23726-G6 | 7/16" | 4 | |
| 5 | Housing | 72178-G02 | 1 | ||
| 6 | Lock washer | 51400-G1 | 6 MM | 2 | |
| 7 | Nut | 13632-G1 | M6 x 1 | 4 | |
| 8 | Baffle | 72529-G01 | 1 | ||
| 9 | Stud | 72514-G01 | M6 x 1 x 39 MM LG | 2 | |
| 11 | Housing mount grommet | 72147-G01 | 2 | ||
| 12 | Spacer | 23726-G7 | 9/16" | 2 | |
| 13 | Bolt and washer | 26671-G01 | M6 x1 x 30 MM LG | 2 | |
| 14 | Washer | 26701-G01 | 6.5MM | 2 | |
| 16 | Air filter element | 72368-G01 | 1 | ||
| 17 | Air filter cover | 72179-G02 | 1 | ||
| 18 | Latch | 72145-G01 | 3 | ||
| 20 | Inlet cover | 72146-G02 | 1 | ||
| 21 | Screw | 00614-G5 | #8 -18 x 5/8" LG | 6 | |
| 23 | PCV hose | 72151-G01 | 1 | ||
| 24 | Label | 74093-G01 | warning | 1 |
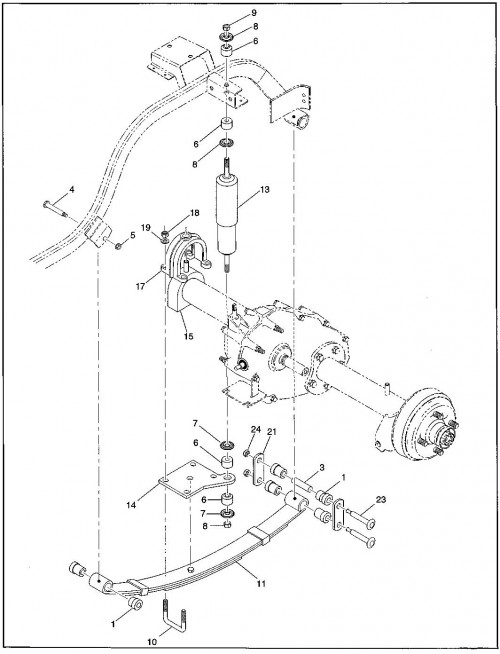
Front Suspension
| Sl. No. | Part description | Part number | Notes | Quantity | Purchase |
|---|---|---|---|---|---|
| 1 | Front axle | 70536-G01 | 1 | ||
| 3 | Spindle assembly | 70220-G01 | Driver side, includes items 4-12 | 1 | |
| 4 | Spindle | * | Driver side | 1 | |
| 5 | Bearing | 16623-G1 | 2 | ||
| 6 | Grease fitting, straight | 10389-G3 | 1 | ||
| 7 | Grease seal | 25146-G1 | 1 | ||
| 8 | Wheel hub assembly | 19932-G1 | includes items 9, 10 | 1 | |
| 9 | Lug bolt | 19862-G1 | 1/2 - 20 x 1 7/32" LG | 4 | |
| 10 | Bearing and race assembly | 50892-G1 | Complete | 2 | |
| 11 | Slotted nut | 12093-G1 | 1- 14 | 1 | |
| 12 | Cotter pin | 00798-G8 | 5/32" x 1 3/4" LG | 1 | |
| 14 | Spindle assembly | 70221-G01 | Passenger side, includes items 5-12, 15 | 1 | |
| 15 | Spindle | * | Passenger side | 1 | |
| 17 | Spindle cap | 12091-G2 | 2 | ||
| 19 | King pin | 01040-G01 | 1/2 - 13 x 5" LG | 2 | |
| 20 | Washer | 00571-G5 | 1/2" | 4 | |
| 21 | King pin tube | 70328-G01 | 2 | ||
| 22 | Thrust washer | 16982-G1 | 7/8" | 2 | |
| 23 | Lock nut | 14390-G6 | 1/2 - 13 | 2 | |
| 26 | Shock absorber | 70324-G01 | 2 | ||
| 27 | Shock absorber washer | 10435-G1 | 8 | ||
| 28 | Rubber shock absorber bushing | 10194-G1 | 8 | ||
| 29 | Nut | 00532-G6 | 3/8 - 24 | 4 | |
| 31 | Leaf spring | 70049-G01 | 2 | ||
| 32 | Spring plate | 70540-G02 | 2 | ||
| 33 | Bolt | 00463-G4 | 7/16 - 14 x 1 1/2" LG | 6 | |
| 34 | Lock nut | 00734-G1 | 7/16 - 14 | 12 | |
| 35 | Bolt | 00463-G6 | 7/16 - 14 x 1 3/4" LG | 6 | |
| 36 | Spring plate | 70163-G02 | 2 | ||
| 38 | Lug nut | 14723-G1 | 1/2 - 20 | 8 |
Fuel System
| Sl. No. | Part description | Part number | Notes | Quantity | Purchase |
|---|---|---|---|---|---|
| 1 | Fuel tank | 72092-G02 | For electric gauge / warning light | 1 | |
| 2 | Fuel tank cap | 72282-G01 | 1 | ||
| 3 | Fuel level sender adapter | 72229-G01 | 1 | ||
| 4 | Screw | 72230-G01 | #6 - 32 x 1/2" LG | 2 | |
| 6 | Fuel level sender | 20048-G2 | Elect, fuel gauge, includes items 7, 8 | 1 | |
| 7 | Gasket | * | 1 | ||
| 8 | Screw | 72232-G01 | #10 - 32 x 3/4" LG | 5 | |
| 10 | Bolt | 00438-G8 | 5/16 - 18 x 1" LG | 1 | |
| 11 | Washer | 00559-G8 | 5/16" | 4 | |
| 12 | Spacer | 70483-G01 | 1 | ||
| 13 | Lock nut | 11098-G6 | 5/16 - 18 | 3 | |
| 18 | Fuel filter | 72084-G01 | 1 | ||
| 19 | Tubing | 17470-G1 | 3 1/4" LG (bulk) | 2 | |
| 20 | Clamp | 18292-G1 | 5 | ||
| 21 | Fuel pump | 72021-G01 | 1 | ||
| 22 | Screw | 00114-G6 | 1/4 - 14 x 3/4" LG | 2 | |
| 24 | Tubing | 17470-G1 | 16" LG (Bulk) | AR | |
| 25 | Hose clamp | 11391-G4 | 3 | ||
| 26 | Pulse tubing | 27183-G01 | 16" LG (bulk) | AR | |
| 28 | Wire tie | 17618-G1 | 3 | ||
| 29 | Vinyl trim | 22280-G1 | 6 1/4" LG (Bulk) | AR | |
| 30 | Label | 26459-G01 | Unleaded gasoline only | 1 |
Rear Axle – Hydraulic Brakes
| Sl. No. | Part description | Part number | Notes | Quantity | Purchase |
|---|---|---|---|---|---|
| 1 | Rear axle | 72601-G01 | 13.32:1, includes items 3-28 | 1 | |
| 3 | Flanged bolt | 26823-G01 | M8 x 1.25 x 100 MM LG | 7 | |
| 4 | Flanged bolt | 26824-G01 | M8 x 1.25 x 110 MM LG | 1 | |
| 5 | Bolt | 72053-G01 | M8 x 1.25 x 120 MM LG | 1 | |
| 6 | Flanged bolt | 72052-G01 | M8 x 1.25 x 130 MM LG | 1 | |
| 7 | Lock washer | 26826-G01 | M8 | 14 | |
| 8 | Nut | 26827-G01 | M8 x 1.25 MM | 14 | |
| 9 | Oil check plug | 26768-G01 | 1 | ||
| 10 | Gasket | 26769-G01 | 8 MM | 1 | |
| 11 | Oil drain plug | 26770-G01 | 1 | ||
| 12 | Gasket | 26771-G01 | 14 MM | 1 | |
| 13 | Oil filler plug | 26772-G01 | 1 | ||
| 14 | Input shaft seal | 26761-G01 | 1 | ||
| 15 | Shifter shaft seal | 26762-G01 | 1 | ||
| 16 | Axle shaft seal | 26766-G01 | 2 | ||
| 18 | Axle tube | 34138-G01 | Driver side | 1 | |
| 19 | Axle tube | 34139-G01 | Passenger side | 1 | |
| 20 | Axle shaft | 34136-G01 | Driver side | 1 | |
| 21 | Axle shaft | 34137-G01 | Passenger side | 1 | |
| 22 | Retaining ring | 33687-G01 | 2 | ||
| 23 | Bearing | 33686-G01 | 2 | ||
| 24 | Stud | 26767-G01 | M10 x 1.5 x 40 MM LG | 10 | |
| 25 | Washer | 26828-G01 | 10 MM | 10 | |
| 26 | Nut | 26829-G01 | 10 MM X 1.5 MM | 10 | |
| 28 | Shifter cable bracket | 26815-G01 | 1 | ||
| 29 | Axle bracket | 72017-G01 | 1 | ||
| 30 | Spacer | 75048-G01 | 1/2" | 1 |
Rear Axle – Mechanical Brakes
| Sl. No. | Part description | Part number | Notes | Quantity | Purchase |
|---|---|---|---|---|---|
| 1 | Rear axle | 72031-G01 | 13.32:1, includes items 3-28 | 1 | |
| 3 | Flanged bolt | 26823-G01 | M8 x 1.25 x 100 MM LG | 7 | |
| 4 | Flanged bolt | 26824-G01 | M8 x 1.25 x 110 MM LG | 1 | |
| 5 | Bolt | 72053-G01 | M8 x 1.25 x 120 MM LG | 1 | |
| 6 | Flanged bolt | 72052-G01 | M8 x 1.25 x 130 MM LG | 1 | |
| 7 | Lock washer | 26826-G01 | M8 | 14 | |
| 8 | Nut | 26827-G01 | M8 x 1.25 MM | 14 | |
| 9 | Oil check plug | 26768-G01 | 1 | ||
| 10 | Gasket | 26769-G01 | 8 MM | 1 | |
| 11 | Oil drain plug | 26770-G01 | 1 | ||
| 12 | Gasket | 26771-G01 | 14 MM | 1 | |
| 13 | Oil filler plug | 26772-G01 | 1 | ||
| 14 | Input shaft seal | 26761-G01 | 1 | ||
| 15 | Shifter shaft seal | 26762-G01 | 1 | ||
| 16 | Axle shaft seal | 26766-G01 | 2 | ||
| 18 | Axle tube | 72115-G01 | Driver side | 1 | |
| 19 | Axle tube | 72116-G01 | Passenger side | 1 | |
| 20 | Axle shaft | 72058-G01 | Driver side | 1 | |
| 21 | Axle shaft | 72057-G01 | Passenger side | 1 | |
| 22 | Retaining ring | 26814-G01 | 4 | ||
| 23 | Ball bearing | 26811-G01 | 2 | ||
| 24 | Stud | 26767-G01 | M10 x 1.5 x 40 MM LG | 10 | |
| 25 | Washer | 26828-G01 | 10 MM | 10 | |
| 26 | Nut | 26829-G01 | 10 MM X 1.5 MM | 10 | |
| 28 | Shifter cable bracket | 26815-G01 | 1 | ||
| 29 | Axle bracket | 72017-G01 | 1 | ||
| 30 | Spacer | 75048-G01 | 1/2" | 1 |
Rear Suspension
| Sl. No. | Part description | Part number | Notes | Quantity | Purchase |
|---|---|---|---|---|---|
| 1 | Rubber bushing | 70291-G01 | Leaf spring | 12 | |
| 3 | Spacer | 70289-G02 | 4 | ||
| 4 | Bolt | 00429-G2 | 3/16 x 3 1/4" LG | 2 | |
| 5 | Lock nut | 12262-G1 | 3/8 - 16 | 2 | |
| 6 | Rubber bushing | 10194-G1 | Shock absorber | 8 | |
| 7 | Washer | 10435-G1 | Shock absorber | 8 | |
| 8 | Nut | 00532-G6 | 3/8 - 24 | 4 | |
| 10 | U-bolt | 74124-G01 | 3/8 - 16 | 4 | |
| 11 | Leaf spring | 74135-G01 | Heavy duty | 2 | |
| 13 | Shock absorber | 70324-G01 | 2 | ||
| 14 | Isomount base plate | 72028-G01 | 2 | ||
| 15 | Isomount bushing | 72117-G01 | 2 | ||
| 17 | Isomount cap | 72037-G01 | 2 | ||
| 18 | Lock nut | 11098-G5 | 3/8 - 16 | 8 | |
| 19 | Wsaher | 00560-G1 | 3/8" | 8 | |
| 21 | Shackle plate | 70290-G01 | 4 | ||
| 23 | Screw | 00429-G4 | 3/8 - 16 x 3 1/2" LG | 4 | |
| 24 | Lock nut | 11098-G5 | 3/8 - 16 | 1 |
Seating
| Sl. No. | Part description | Part number | Notes | Quantity | Purchase |
|---|---|---|---|---|---|
| 1 | Seat back | 71751-G0* | 1 | ||
| 2 | Front seat bottom | 71875-G** | includes items 3-6 | 1 | |
| 3 | Hip restraint | 71877-G01 | Passenger side | 1 | |
| 4 | Hip restraint | 71877-G02 | Driver side | 1 | |
| 5 | Washer | 00559-G7 | 1/4" | 8 | |
| 6 | Bolt | 00415-G2 | 1/4 - 20 x1 1/4" LG | 8 | |
| 7 | Rear hand hold bar | 71632-G01 | 1 | ||
| 8 | Bolt | 71204-G02 | 1/4 - 20 x 2" LG | 4 | |
| 9 | Seat back bracket | 71868-G01 | 2 | ||
| 10 | Trim, black | 32805-G6 | 1 | ||
| 12 | Seat pod | 71873-G** | 1 | ||
| 13 | Ashtray | 27731-G01 | 1 | ||
| 14 | Acorn nut | 15717-G5 | 3/8 - 16 | 2 | |
| 15 | Spacer | 23726-G8 | 3/8" | 2 | |
| 16 | Bolt | 00427-G8 | 3/8 - 16 x 2" LG | 2 | |
| 17 | Bolt | 00439-G8 | 5/16 - 18 x 2" LG | 3 | |
| 18 | Washer | 00675-G1 | 1 1/4" x 3/8" | 5 | |
| 19 | Rubber washer | 71883-G01 | 5/8" | 3 | |
| 20 | Spacer | 23726-G9 | 3/4" | 3 | |
| 21 | Lock nut | 11098-G6 | 5/16 - 18 | 3 | |
| 22 | Bolt | 16705-G1 | 1/4 - 20 x 1" LG | 2 | |
| 23 | Washer | 00559-G7 | 1/4" | 2 | |
| 24 | Lock nut | 00891-G2 | 1/4 - 20 | 2 | |
| 25 | Direction selector mount plate | 71637-G01 | 1 | ||
| 26 | Rivet | 14601-G8 | 3/16 x 7/16" LG | 3 | |
| 27 | Vent plug | 71599-G01 | 4 | ||
| 29 | Seat back | 71751-G** | 1 | ||
| 30 | Seat support | 74137-G01 | 2 | ||
| 31 | Screw, thread form | 01006-G01 | 3/8 - 16 | 4 | |
| 32 | Bolt | 00414-G8 | 1/4 - 20 x 1" LG | 4 | |
| 33 | Lock washer | 00565-G7 | 1/4" | 4 | |
| 34 | Rear seat bottom | 71651-G** | includes items 35- 38 | 1 | |
| 35 | Hip restraint, Rear seat | 71876-G01 | Driver side | 1 | |
| 36 | Hip restraint, Rear seat | 71876-G02 | Passenger side | 1 | |
| 37 | Washer | 00559-G7 | 1/4" | 4 | |
| 38 | Bolt | 00415-G2 | 1/4 -20 x 1 1/4" LG | 4 | |
| 40 | Rivet | 10570-G1 | 1/8 x 1/2" LG | 4 | |
| 41 | Seat hinge | 71610-G01 | 2 | ||
| 42 | Rivet | 10570-G1 | 1/8 x 1/2" LG | 7 |
Starter / Generator
| Sl. No. | Part description | Part number | Notes | Quantity | Purchase |
|---|---|---|---|---|---|
| 1 | Starter/Generator, complete | 27065-G01 | includes items 2-43 | 1 | |
| 2 | Armature | 26870-G01 | Includes items 3-5 | 1 | |
| 3 | Ball bearing | 26871-G01 | Rear | 1 | |
| 4 | Ball bearing | 26872-G01 | Front | 1 | |
| 5 | Bearing holder | 26873-G01 | 1 | ||
| 8 | Field coil | 26875-G01 | 1 | ||
| 9 | "F" insulating brush | 26876-G01 | Includes items 10 - 13 | 2 | |
| 10 | Nut | * | 2 | ||
| 11 | Lock washer | * | 2 | ||
| 12 | Washer | * | 2 | ||
| 13 | Insulator | * | 1 | ||
| 14 | Pole core set screw | 26877-G01 | 4 | ||
| 15 | Front cover | 26878-G01 | 1 | ||
| 16 | Rear cover | 16885-G01 | 1 | ||
| 17 | "A" terminal | 26880-G01 | includes items 18-23 | 2 | |
| 18 | Terminal | * | 2 | ||
| 19 | Insulator | * | 2 | ||
| 20 | Insulator | * | 2 | ||
| 21 | Washer | * | 4 | ||
| 22 | Lock washer | * | 4 | ||
| 23 | Nut | * | 4 | ||
| 25 | Brush holder | 26881-G01 | Includes items 26 - 28 | 1 | |
| 26 | Brush | 26658-G01 | 4 | ||
| 27 | Brush spring | 26882-G01 | 4 | ||
| 28 | Brush connector | 26883-G01 | 2 | ||
| 30 | Key | 26884-G01 | 1 | ||
| 31 | Pulley wheel | 26885-G01 | 1 | ||
| 32 | Pulley | 26886-G01 | Includes items 33-37 | 1 | |
| 33 | Nut | * | 1 | ||
| 34 | Lock washer | * | 1 | ||
| 35 | Screw | * | 3 | ||
| 36 | Screw | * | 4 | ||
| 37 | Screw | * | 2 | ||
| 38 | Brush 1 cover | 26887-G01 | 2 | ||
| 39 | Brush 2 cover | 26888-G01 | 3 | ||
| 40 | Bolt and washer | 26889-G01 | includes items 41, 42 | 2 | |
| 41 | Washer | * | 2 | ||
| 42 | Lock washer | * | 2 | ||
| 43 | Terminal cover | 16896-G1 | 4 |
Steering
| Sl. No. | Part description | Part number | Notes | Quantity | Purchase |
|---|---|---|---|---|---|
| 1 | Steering box assembly | 70314-G02 | Complete, includes items 2-34 | 1 | |
| 2 | Steering housing | 75364-G01 | includes items 3-6 | 1 | |
| 3 | Sleeve bearing | * | 1 | ||
| 4 | Sleeve bearing | * | 1 | ||
| 5 | Flanged bearing | * | 1 | ||
| 6 | Grease fitting, straight | 10389-G3 | 1 | ||
| 8 | Bolt | 00426-G6 | 3/8 - 16 x 3/4" LG | 2 | |
| 9 | Grease fitting | 18456-G1 | 90 | 1 | |
| 10 | Rack guide cover | 70177-G01 | 1 | ||
| 11 | Gasket | 70225-G01 | 1 | ||
| 12 | Compression spring | 70178-G01 | 1 | ||
| 13 | Rack guide | 70179-G01 | 1 | ||
| 14 | Hose clamp | 11391-G1 | 1 1/4" | 1 | |
| 15 | Rack cover | 70041-G01 | 1 | ||
| 16 | Hose clamp | 11391-G1 | 1 1/4" | 1 | |
| 17 | Bellows | 70183-G01 | 1 | ||
| 18 | Hose clamp | 11391-G5 | 3/4" | 1 | |
| 20 | Steering gear kit | 70299-G01 | includes items 21 - 28 | 1 | |
| 21 | Gear pinion | 70297-G01 | 1 | ||
| 22 | Ball bearing | 15112-G1 | 1 | ||
| 23 | External retaining ring | 70190-G01 | 1 | ||
| 24 | Steering rack | 70298-G01 | 1 | ||
| 25 | Rack ball end | 70192-G01 | 1 | ||
| 26 | Nut | 00532-G8 | 7/16 - 20 | 1 | |
| 27 | Grease fitting | 18456-G1 | 90 | 1 | |
| 28 | Retainer | 70466-G01 | 1 | ||
| 30 | Idler | 70184-G01 | 1 | ||
| 31 | Thrust washer | 70216-G01 | 1 1/2" | 1 | |
| 32 | Thrust washer | 70195-G01 | 7/8" | 1 | |
| 33 | Lock nut | 00734-G6 | 7/8 - 9 | 1 | |
| 34 | Cotter pin | 00798-G8 | 5/32" x 1 3/4" LG | 1 | |
| 36 | Steering shaft/column kit | 70360-G01 | includes items 37-49 | 1 | |
| 37 | Steering shaft | 14322-G3 | 1 | ||
| 38 | Steering column | 70333-G01 | See ** note in illustration | 1 | |
| 39 | Coupling | 70558-G01 | 1 | ||
| 40 | Lock nut | 00550-G1 | 1/4 - 20 | 2 | |
| 41 | Bolt | 70227-G01 | 1/4 - 20 x 7/8" LG | 2 | |
| 42 | Screw | 01022-G01 | #6 - 20 x 5/16" LG | 1 | |
| 43 | Gasket | 70223-G01 | 1 | ||
| 44 | Bolt | 01034-G01 | 3/8 - 16 x 1 1/2" LG With patchlock | 3 | |
| 45 | Lock washer | 00878-G1 | 3/8" | 3 | |
| 46 | Retainer | 70466-G01 | 1 | ||
| 47 | Bushing and seal kit | 17161-G1 | includes items 48, 49 | 1 | |
| 48 | Steering column bushing | * | 1 | ||
| 49 | Shaft seal | * | 1 | ||
| 51 | Bolt | 00470-G4 | 7/16 - 20 x 2 1/2" LG | 1 | |
| 52 | Lock nut | 00734-G3 | 7/16 - 20 | 1 | |
| 53 | Bolt | 01033-G01 | 7/16 - 14 x 1 1/4" LG with patchlock, (Prod. Since 4-98) | 2 | |
| 54 | Bolt | 01033-G02 | 7/16 - 14 x 7/8" LG with patchlock (Prior to 4-98 prod.) | 2 | |
| 55 | Lock washer | 00566-G2 | 7/16" | 3 | |
| 57 | Steering wheel | 71948-G01 | 1 | ||
| 58 | Hub | 71949-G01 | 1 | ||
| 59 | Clipboard | 71950-G01 | 1 | ||
| 60 | Lock nut | 14390-G2 | 5/8 - 18 | 1 | |
| 64 | Tie rod assembly | 70074-G01 | includes items 65-74 | 2 | |
| 65 | Threaded tube with flat | 70583-G02 | 1 | ||
| 66 | Tie rod end | 27205-G01 | Left hand thread, includes items 67 - 68 | 1 | |
| 67 | Rubber boot | 50641-G1 | 1 | ||
| 68 | Slotted nut | 50209-G2 | 7/16 - 20 | 1 | |
| 69 | Jam nut | 18434-G3 | 9/16 - 18 (left hand thread) | 1 | |
| 70 | Tie rod end | 27205-G02 | Right hand thread, includes items 71 - 72 | 1 | |
| 71 | Rubber boot | 50641-G1 | 1 | ||
| 72 | Slotted nut | 50209-G2 | 7/16 - 20 | 1 | |
| 73 | Jam nut | 18434-G4 | 9/16 - 18 (right hand thread) | 1 | |
| 74 | Grease fitting, straight | 10389-G3 | 2 | ||
| 76 | Cotter pin | 10387-G2 | 3/32" x 1" LG | 2 | |
| 78 | Slotted nut | 50209-G2 | 7/ 16 - 20 | 1 | |
| 79 | Cotter pin | 10387-G2 | 3/32" x 1" LG | 1 |
Wheels and Tires
| Sl. No. | Part description | Part number | Notes | Quantity | Purchase |
|---|---|---|---|---|---|
| 1 | Wheel and tire assembly | 27772-G11 | Links 1 - standard | 4 | |
| 2 | Tire | 27772-G10 | 1 | ||
| 3 | Wheel | 10641-G1 | 1 | ||
| 4 | Valve stem | 11657-G1 | 1 | ||
| 6 | Wheel and tire assembly | 32028-G2 | USA trail - optional , includes items 7-9 | 4 | |
| 7 | Tire | 27775-G02 | 1 | ||
| 8 | Wheel | 10641-G2 | 1 | ||
| 9 | Valve stem | 11657-G1 | 1 | ||
| 11 | Lug nut | 14723-G1 | 1/2 - 20 | 20 |
Special Tools
| Sl. No. | Part description | Part number | Notes | Quantity | Purchase |
|---|---|---|---|---|---|
| 1 | High resistance spark plug wire set | 26733-G02 | |||
| 2 | Puller | 19779-G2 | drive clutch | ||
| 3 | Puller | 27111-G01 | flywheel | ||
| 4 | Cam pulley tool | 27851-G01 | |||
| 5 | Current indicator | 16489-G2 | |||
| 6 | Multimeter | 27481-G01 | digital | ||
| 7 | Crimping tool | 27765-G01 | |||
| 8 | Slide hammer | 15947-G1 | Axle / hub removal | ||
| 9 | Slide hammer | 18753-G1 | Axle removal only | ||
| 10 | Techometer | 72526-G01 | |||
| 11 | Feeler gauge | 72525-G01 | |||
| 12 | Compression tester | 72524-G01 | |||
| 13 | Manual | 27615-G01 | engine rebuild | ||
| 14 | Battery protectant | 75500-G01 | 14 OZ aerosol | ||
| 15 | Carburetor & choke cleaner | 75501-G01 | 15 OZ aerosol | ||
| 16 | White lithium grease | 75502-G01 | 14 OZ aerosol | ||
| 17 | Multi-purpose penetrant & lubricant | 75503-G01 | 15 OZ aerosol | ||
| 18 | Multi-purpose cleaner / degreaser | 75504-G01 | 14 OZ aerosol | ||
| 19 | Multi-purpose hand cleaner & skin softener | 75505-G01 | 32 OZ | ||
| 20 | Batter cleaner | 75506-G01 | 32 OZ. w/trigger sprayer | ||
| 21 | Multi-Purpose biodegradable cleaner | 75507-G01 | 32 OZ w/trigger sprayer | ||
| 22 | Sampler package | 75508-G01 | 4 OZ aerosol cans, 1 each, multi-purpose battery protector, multi-purpose penetrant/lubricant, white lithium grease and carburetor & choke cleaner |
Accessories
| Sl. No. | Part description | Part number | Notes | Quantity | Purchase |
|---|---|---|---|---|---|
| 1 | Sun top kit | 75277-G01 | includes field installed handles | ||
| 2 | Windshield kit, front | 75041-G05 | Clear and requires sun top kit | ||
| 3 | Windshield kit, front | 75041-G06 | Tinted and requires sun top kit | ||
| 4 | Windshield kit, Rear | 75208-G01 | Clear and requires sun top kit | ||
| 5 | Windshield kit, Rear | 75208-G02 | Tinted and requires sun top kit | ||
| 6 | Mud flaps | 75013-G02 | |||
| 7 | Center basket | 75003-G02 | |||
| 8 | Chrome hub cap 8" | 14913-G1 | |||
| 9 | Chrome hub cap 6" | 16402-G1 | |||
| 10 | Gold spoke wheel covers | 19241-G2 | |||
| 11 | Silver spoke wheel covers | 19241-G1 |





































