GX-444F (Freedom)
Accelerator and Hill Brake Linkage
| Sl. No. | Part description | Part number | Notes | Quantity (3 wheel) | Quantity (4 wheel) | Purchase |
|---|---|---|---|---|---|---|
| 1 | Accelerator rod assembly | 18091-G1 | includes items 2-8 | 1 | 1 | |
| 2 | Ball joint, socket | 14444-G3 | 1 | 1 | ||
| 3 | Nut | 00544-G4 | 5/16 - 24 | 2 | 2 | |
| 4 | Retainer, spring | 17677-G1 | 2 | 2 | ||
| 5 | Bushing, accelerator rod | 17979-G1 | 1 | 1 | ||
| 6 | Spring, compression | 17675-G1 | 1 | 1 | ||
| 7 | Accelerator rod | 19710-G1 | 1 | 1 | ||
| 8 | Clevis, yoke, reamed | 10385-G4 | 1 | 1 | ||
| 13 | Screw | 00414-G6 | 1/4 -20 x 3/4 LG | 2 | 2 | |
| 14 | Nut, lock | 11027-G2 | 1/4 - 20 | 2 | 2 | |
| 15 | Accelerator pedal assembly | 18083-G1 | includes items 16 - 21 | 1 | 1 | |
| 16 | Base plate, accelerator | 12511-G1 | 1 | 1 | ||
| 17 | Pedal, accelerator | 18084-G1 | 1 | 1 | ||
| 18 | Pad kit, accelerator pedal | 15827-G1 | includes rivets | 1 | 1 | |
| 19 | Pin, accelerator pedal | 12512-G1 | 1 | 1 | ||
| 20 | Bearing, plastic | 12513-G1 | 2 | 2 | ||
| 21 | Nut, push | 12064-G2 | 1 | 1 | ||
| 23 | Washer, teflon | 17255-G1 | 2 | 2 | ||
| 24 | Cotter pin | 10387-G3 | 3/16 x 3/4 LG | 2 | 2 | |
| 25 | Washer | 00559-G8 | 5/16 | 3 | 3 | |
| 26 | Washer, nylon | 20835-G1 | 1 | 1 | ||
| 27 | Arm, pivot | 19708-G1 | 1 | 1 | ||
| 28 | Washer, nylon | 20835-G1 | 1 | 1 | ||
| 29 | Rod, linkage | 24030-G1 | 1 | |||
| 30 | Rod, linkage | 19707-G1 | 1 | |||
| 31 | Control plate assembly | 22641-G1 | includes items 32 - 37 | 1 | 1 | |
| 32 | Ball joint | 15944-G3 | 5/16 | 1 | 1 | |
| 33 | Nut,lock | 11098-G9 | 5/16 - 24 | 1 | 1 | |
| 34 | Screw, special | 18759-G1 | 1 | 1 | ||
| 35 | Washer | 00559-G8 | 5/16 | 1 | 1 | |
| 36 | Nut, lock | 11027-G2 | 1/4 - 20 | 2 | 2 | |
| 37 | Control plate | 22406-G1 | 1 | 1 | ||
| 40 | Washer | 00559-G7 | 1/4 | 2 | 2 | |
| 41 | Bushing, nylon | 17838-G1 | 2 | 2 | ||
| 42 | Nut , lock | 14390-G4 | 1/4 - 20 | 2 | 2 | |
| 43 | Spacer | 22531-G1 | 1 | 1 | ||
| 44 | Cover, control housing | 22409-G1 | 1 | 1 | ||
| 49 | Switch, micro | XXXXX-XX | See section M for part number and quantity | |||
| 52 | Bushing, snap | 22497-G1 | 1 | 1 | ||
| 53 | Nut - push on | 12054-G3 | 2 | 2 | ||
| 54 | cable, throttle | 22334-G1 | 1 | 1 | ||
| 55 | Washer | 00559-G5 | #10 | 2 | 2 | |
| 56 | Pin , cotter | 10387-G8 | 1/16 x 3/4 LG | 2 | 2 | |
| 57 | Clamp, nylon | 22729-G1 | 3 | 3 | ||
| 59 | Support, cable | 23815-G1 | 1 | 1 | ||
| 60 | Screw | 00414-G8 | 1/4 - 20 x 1 LG | 2 | 2 | |
| 62 | Washer, lock | 00565-G7 | 1/4 | 2 | 2 | |
| 63 | Nut | 00532-G1 | 1/4 - 20 | 2 | 2 | |
| 65 | Clamp, throttle cable | 24548-G1 | 1 | 1 | ||
| 66 | Washer | 00559-G7 | 1/4 | 1 | 1 | |
| 67 | Washer, lock | 00565-G7 | 1/4 | 1 | 1 | |
| 68 | Screw | 00240-G4 | 1/4 - 20 x 1/2 LG | 1 | 1 |
Blower Housing
| Sl. No. | Part description | Part number | Notes | Quantity (3 wheel) | Quantity (4 wheel) | Purchase |
|---|---|---|---|---|---|---|
| 1 | Blower housing assembly | 24515-G1 | includes items 2-4 | 1 | 1 | |
| 2 | Blower housing | * | 1 | 1 | ||
| 3 | Spacer | 17445-G1 | 2 | 2 | ||
| 4 | Oil seal | 17416-G1 | 1 | 1 | ||
| 6 | Bolt and captive washer | 18467-G1 | M8 x 1.25 x 55 mm LG | 4 | 4 | |
| 9 | Bracket, coil | XXXXX-XX | See section M for part number and quantity | |||
| 10 | Bolt and captive washer | 24299-G1 | M6 x 1.00 x 18 mm LG | 1 | 1 | |
| 11 | Rod, pivot | 22367-G1 | 1 | 1 | ||
| 13 | Cylinder baffle 1 | 24517-G1 | 1 | 1 | ||
| 14 | Cylinder baffle 2 | 16870-G1 | 1 | 1 | ||
| 15 | Cylinder baffle 3 | 16871-G1 | 1 | 1 | ||
| 16 | Bolt and captive washer | 16872-G1 | M6 x 1.00 x 12 mm LG | 11 | 11 | |
| 18 | Retainer, spark plug wire | 18303-G2 | 1 | 1 | ||
| 19 | Support, choke cable | 24032-G1 | 1 | 1 |
Body and Associated Parts
| Sl. No. | Part description | Part number | Notes | Quantity (3 wheel) | Quantity (4 wheel) | Purchase |
|---|---|---|---|---|---|---|
| 1 | Cowl | 20211-G2 | 1 | |||
| 2 | Cowl support | 18348-G1 | 1 | |||
| 3 | Nut, lock | 11027-G2 | 1/4 - 20 | 4 | 4 | |
| 4 | Washer | 00560-G1 | 3/8 | 2 | 2 | |
| 5 | Dash tray | 18352-G2 | 1 | |||
| 6 | Screw | 00414-G6 | 1/4 - 20 x 3/4 LG | 5 | 5 | |
| 7 | Nut, lock | 11027-G2 | 1/4 - 20 | 3 | 3 | |
| 9 | Washer | 00559-G8 | 5/16 | 5 | 5 | |
| 11 | Liner, dash tray | 18796-G2 | 1 | |||
| 12 | Rivet, plastic, drive | 18436-G1 | 1/4 | 2 | ||
| 13 | Fastener, ratchet | 16816-G1 | 2 | |||
| 14 | Splash panel, passenger side | 15680-G2 | 1 | |||
| 15 | Splash panel, driver's side | 15681-G2 | 1 | |||
| 16 | Nut | 00544-G3 | 5/16 - 18 | 4 | ||
| 17 | Nut, lock | 11027-G2 | 1/4 - 20 | 16 | 13 | |
| 18 | Screw, self-drill and tap | 00106-G6 | #12 - 24 x 3/4 LG | 4 | ||
| 19 | Angle, side, seat frame | 18817-G2 | 1989 only | 1 | 1 | |
| 20 | Nut, lock | 11027-G2 | 1/4 - 20 (1989 only) | 1 | 1 | |
| 21 | Screw | 00414-G6 | 1/4 - 20 x 3/4 LG (1989 only) | 1 | 1 | |
| 22 | Seat wrap | 20297-G2 | 1 | 1 | ||
| 23 | Nut, lock | 11027-G2 | 1/4 - 20 | 8 | 8 | |
| 24 | Fender cap, flexible, passenger side | 14700-G1 | 1 | 1 | ||
| 25 | Fender cap, flexible, driver's side | 14700-G2 | 1 | 1 | ||
| 26 | Seat wrap, electric spirit and freedom only | 20297-G4 | 1 | |||
| 27 | Bumper, rear | 23800-G3 | 1 | 1 | ||
| 28 | Fender, passenger side | 19555-G3 | 1 | |||
| 29 | Fender, driver's side | 19555-G4 | 1 | |||
| 30 | Screw, self-drill and tap | 00106-G6 | #12 - 24 x 3/4 LG | 6 | 6 | |
| 31 | Nut, lock | 11027-G2 | 1/4 - 20 | 4 | 4 | |
| 32 | Fender, passenger side | 24070-G3 | 1 | |||
| 33 | Fender, driver's side | 24070-G4 | 1 | |||
| 34 | Seat wrap, gasoline spirit and freedom only | 24031-G6 | 1 | |||
| 35 | Battery rack, inner, S.S., spirit and freedom only | 25459-G1 | 2 | 2 | ||
| 36 | Battery rack, outer, S.S., spirit and freedom only | 25459-G4 | 2 | 2 | ||
| 37 | Battery rack, inner, passenger side | 17026-G1 | 1 | 1 | ||
| 38 | Battery rack, inner, driver's side | 25459-G2 | 1 | 1 | ||
| 39 | Battery rack, outer | 15528-G2 | 2 | 2 | ||
| 40 | Seat wrap | 24031-G2 | 1 | 1 | ||
| 41 | Foam, drop | 24759-G1 | only used for 1990 vehicles | 1 | 1 | |
| 42 | Panel, engine frame, left front | 22342-G4 | 1989 only | 1 | 1 | |
| 43 | Panel, bagwell | 22744-G1 | 1 | 1 | ||
| 44 | Panel, rear | 23272-G1 | 1989 only | 2 | 2 | |
| 45 | Panel, wheel liner, passenger side | 22394-G1 | 1989 only | 1 | 1 | |
| 46 | Panel, wheel liner, driver's side | 18365-G2 | 1989 only | 1 | 1 | |
| 47 | Panel, sound, side, passenger side | 14399-G2 | 1989 only | 1 | 1 | |
| 48 | Panel, sound, side, driver's side | 14399-G1 | 1989 only | 1 | 1 | |
| 49 | Panel, sound, front | 22428-G1 | 1 | 1 | ||
| 50 | Panel, sound, intake | 23451-G1 | 1 | 1 | ||
| 51 | Panel, sound, heat shield | 23271-G1 | 1989 only | 1 | 1 | |
| 52 | Panel, engine frame, right front | 22342-G3 | 1989 only | 1 | 1 | |
| 53 | Panel, engine frame, left rear | 22342-G2 | 1989 only | 1 | 1 | |
| 54 | Panel, engine frame, right rear | 22342-G1 | 1989 only | 1 | 1 | |
| 55 | Screw | 00414-G6 | 1/4 - 20 x 3/4 LG | 9 | ||
| 56 | Washer | 00559-G7 | 1/4 | 18 | ||
| 57 | Nut, lock | 14390-G4 | 1/4 - 20 | 9 | ||
| 60 | Liner, dash tray | 22911-G1 | 1 | |||
| 61 | Rivet, plastic, drive | 18436-G1 | 1/4 | 2 | ||
| 62 | Fastener, ratchet | 16816-G1 | 2 | |||
| 65 | Nameplate, E-Z-GO | 19817-G1 | 1 | 1 | ||
| 66 | Nut, pushon | 12064-G3 | 3 | 3 | ||
| 67 | Plug, button | 20271-G4 | 4 | 4 | ||
| 72 | Cowl | 23063-G5 | 1 | |||
| 73 | Cowl support | 23148-G1 | 1 | |||
| 74 | Nut, lock | 11027-G2 | 1/4 -20 | 4 | ||
| 75 | Washer | 00560-G1 | 3/8 | 2 | ||
| 76 | Dash tray | 18353-G2 | 1 | |||
| 77 | Cap, cowl | 22914-G1 | 1 | |||
| 78 | Cap, cowl, freedom only | 23674-G1 | 1 | |||
| 79 | Angle rail, electric vehicle | 19013-G2 | 2 | 2 | ||
| 80 | Side rail, passenger side, gasoline vehicle | 24273-G1 | 1 | |||
| 81 | Side rail, driver's side, gasoline vehicle | 24273-G2 | 1 | |||
| 82 | Side rail, passenger side, electric vehicle | 24081-G1 | 1 | |||
| 83 | Side rail, driver's side, electric vehicle | 24081-G2 | 1 | |||
| 84 | Angle, rail, stainless steel, electric freedom only | 19013-G1 | 2 | |||
| 85 | Top rail, passenger side | 15536-G1 | 1 | 1 | ||
| 86 | Top rail, driver's side | 15536-G2 | 1 | 1 | ||
| 87 | Side rail, passenger side, gasoline vehicle | 24236-G1 | 1 | |||
| 88 | Side rail, driver's side, gasoline vehicle | 24236-G2 | 1 | |||
| 89 | Floorboard assembly | 15671-G2 | All models except spirit, includes item 90 | 1 | 1 | |
| 90 | Nut, "J" type | 14776-G1 | 1/4 - 20 | 2 | 2 | |
| 91 | Screw, self-drill and tap | 00106-G6 | #12 - 24 x 3/4 LG | 23 | 23 | |
| 92 | Side rail, passenger side, electric vehicle | 24161-G1 | 1 | |||
| 93 | Side rail, driver's side, electric vehicle | 24161-G2 | 1 | |||
| 99 | Cowl, paintable | 20569-G2 | Spirit only | 1 | ||
| 100 | Headlamp bezel, passenger sid e | 21747-G1 | 1 | |||
| 101 | Headlamp bezel, driver's side | 21747-G2 | 1 | |||
| 102 | Screw | 00744-G8 | #6 - 18 x 1 LG | 4 | ||
| 103 | Nut, speed | 00745-G3 | #6 | 4 | ||
| 104 | Rivet, aluminum | 14601-G6 | 31 | |||
| 105 | Washer | 00559-G5 | #10 | 31 | ||
| 106 | Retainer, pushon | 12064-G3 | 3 | |||
| 107 | Trim, flange, side | 20600-G1 | 2 | |||
| 108 | Trim, flange, front | 20601-G1 | 2 | |||
| 109 | Nameplate, E-Z-GO | 19817-G1 | 1 | |||
| 110 | Shield | 20571-G1 | 1 | |||
| 113 | Liner, dash tray | 20575-G1 | 1 | |||
| 114 | Dash tray | 18353-G2 | 1 | |||
| 115 | Screw | 00414-G6 | 1/4 - 20 x 3/4 LG | 5 | ||
| 116 | Nut, lock | 11027-G2 | 1/4 - 20 | 3 | ||
| 117 | Floorboard assembly | 15671-G3 | Spirit only, includes item 118 | 1 | ||
| 118 | Nut, "J" type | 14776-G1 | 1/4 - 20 | 2 | ||
| 119 | Screw, self-drill and tap | 00106-G6 | #12 - 24 x 3/4 LG | 13 | ||
| 120 | Washer, plastic | 11855-G1 | 4 | |||
| 121 | Nut, lock | 11027-G2 | 1/4 - 20 | 4 | ||
| 123 | Rivet, plastic, drive | 18436-G1 | 1/4 | 2 | ||
| 126 | Bumper assembly | 20674-G1 | includes items 127-131 | 1 | ||
| 127 | Bumper | 20583-G1 | 1 | |||
| 128 | Screw | 00743-G1 | 5/16 - 18 x 3 1/2 LG | 2 | ||
| 129 | Nut, lock | 11027-G1 | 5/16 - 18 | 2 | ||
| 130 | Trim, vinyl | 20584-G1 | 1 | |||
| 131 | Clip | 20687-G1 | 2 | |||
| 134 | Bracket, mounting, cowl | 20578-G1 | 1 | |||
| 135 | Spacer, neoprene | 12905-G1 | 1 | |||
| 136 | Nut, lock | 11027-G2 | 1/4 - 20 | 8 | ||
| 137 | Cowl support | 22347-G1 | 1 | |||
| 138 | Bracket, cowl support | 22522-G1 | 1 | |||
| 139 | Washer | 00559-G7 | 1/4 | 2 | ||
| 141 | Angle, rail, electric vehicle | 19013-G1 | 2 | |||
| 142 | Top rail, passenger side | 15536-G1 | 1 | |||
| 143 | Top rail, driver's side | 15536-G2 | 1 | |||
| 144 | Side rail, passenger side, electric vehicle | 24161-G1 | 1 | |||
| 145 | Side rail, driver's side, electric vehicle | 24161-G2 | 1 | |||
| 147 | Flexible fender cap, passenger side, spirit and freedom only | 21748-G1 | 1 | |||
| 148 | Flexible fender cap, driver's side, spirit and freedom only | 21748-G2 | 1 | |||
| 149 | Nut, lock | 11027-G1 | 5/16 - 18 | 2 | ||
| 150 | Spacer, bumper | 20653-G1 | 2 | |||
| 151 | Bracket, bumper mounting | 20585-G1 | 2 | |||
| 152 | Screw | 13437-G4 | 3/8 - 16 x 1 LG | 2 | ||
| 154 | Side rail, driver's side, gasoline vehicle | 24273-G2 | 1 | |||
| 155 | Side rail, passenger side, gasoline vehicle | 24273-G1 | 1 | |||
| 156 | Vinyl bumper trim kit, spirit only | 24578-G5 | includes items 158 - 172 | 1 | ||
| 158 | Vinyl bumper, body trim, cowl | 20987-G1 | 2 | |||
| 159 | Vinyl bumper, body trim, dash | 17203-G9 | 2 | |||
| 160 | Vinyl bumper, body trim | 17203-G8 | 1 | |||
| 161 | Nut, lock | 14390-G1 | 1/4 - 20 | 4 | ||
| 162 | Washer | 00559-G7 | 1/4 | 4 | ||
| 163 | Screw, stainless steel | 16705-G1 | 1/4 - 20 x 1 LG | 4 | ||
| 164 | Rivet, plastic, drive | 18436-G1 | 1/4 | 8 | ||
| 165 | Trim, floormat, driver's side | 24620-G2 | 1 | |||
| 166 | Trim, floormat, passenger side | 24620-G1 | 1 | |||
| 167 | Rivet, aluminum, black | 15058-G2 | 2 | |||
| 168 | Fastener, ratchet type | 24198-G1 | 12 | |||
| 169 | Trim, fender, driver's side | 23931-G2 | 1 | |||
| 170 | Trim, fender, passenger side | 23931-G1 | 1 | |||
| 171 | Trim, rocker panel, driver's side | 22222-G1 | 1 | |||
| 172 | Trim, rocker panel, passenger side | 22222-G2 | 1 | |||
| 175 | Vinyl bumper trim kit, 3 wheel vehicles only | 24578-G1 | includes items 176 - 191 | 1 | ||
| 176 | Vinyl bumper, bulk length, 180 LG | 22888-G1 | includes material to make items 177 and 178 | 1 | ||
| 177 | Vinyl bumper, body trim, sides and front | 22888-G3 | 1 | |||
| 178 | Vinyl bumper, body trim, dash tray | 17203-G9 | 2 | |||
| 179 | Vinyl bumper, body trim, back of cowl | 22273-G1 | 1 | |||
| 180 | Trim, fender, passenger side | 23931-G5 | 1 | |||
| 181 | Trim, fender, driver's side | 23931-G4 | 1 | |||
| 182 | Fastener, ratchet type | 24198-G1 | 8 | |||
| 183 | Rivet, aluminum, black | 15058-G4 | 4 | |||
| 184 | Trim, floormat, passenger side | 24620-G1 | 1 | |||
| 185 | Trim, floormat, driver's side | 24620-G2 | 1 | |||
| 186 | Rivet, plastic, drive | 18436-G1 | 1/4 | 8 | ||
| 187 | Trim, rocker panel, passenger side | 22223-G1 | 1 | |||
| 188 | Trim, rocker panel, driver's side | 22223-G2 | 1 | |||
| 189 | Screw, stainless steel | 16705-G1 | 1/4 - 20 x 1 LG | 4 | ||
| 190 | Washer | 00559-G7 | 1/4 | 4 | ||
| 191 | Nut, lock | 14390-G4 | 1/4 - 20 | 4 | ||
| 193 | Vinyl bumper, trim kit, 4 wheel vehicles except spirit | 24579-G1 | includes items 194 - 212 | 1 | ||
| 194 | Vinyl bumper, bulk length, 71 LG | 22888-G4 | includes material to make items 195, 196 | 1 | ||
| 195 | Vinyl bumper, body trim, sides | 17203-G1 | 1 | |||
| 196 | Vinyl bumper, body trim, dash tray | 17203-G9 | 2 | |||
| 197 | Vinyl bumper, body trim, back of cowl | 22273-G1 | 1 | |||
| 198 | Trim, fender, passenger side | 23931-G1 | 1 | |||
| 199 | Trim, fender, driver's side | 23931-G2 | 1 | |||
| 200 | Fastener, ratchet type | 24198-G1 | 12 | |||
| 201 | Trim, floormat, passenger side | 24620-G1 | 1 | |||
| 202 | Trim, floormat, driver's side | 24620-G2 | 1 | |||
| 203 | Rivet, plastic, drive | 18436-G1 | 1/4 | 4 | ||
| 205 | Rocker panel, passenger side | 23868-G1 | 1 | |||
| 206 | Rocker panel, driver's side | 23868-G2 | 1 | |||
| 207 | Sill plate, rocker panel, passenger side | 23850-G1 | 1 | |||
| 208 | Sill plate, rocker panel, driver's side | 23850-G2 | 1 | |||
| 209 | Bolt, carriage, stainless steel | 00827-G8 | 1/4 - 20 x 1 LG | 4 | ||
| 210 | Spacer | 23726-G2 | 4 | |||
| 211 | Washer | 00660-G7 | 1/4 | 4 | ||
| 212 | Nut, lock | 00891-G2 | 1/4 - 20 | 4 | ||
| 213 | Rivet, aluminum, black | 15058-G4 | 2 | |||
| 215 | Decal, installation kit, trapezoid | 20514-G1 | Specify no. 1 through 200 | AR | AR | |
| 216 | Decal, installation kit, rectangular | 22530-G1 | Specify no. 1 through 200 | AR | AR | |
| 217 | Label, freedom | 23676-G1 | 2 | |||
| 218 | Label, spirit | 21835-G1 | 2 | |||
| 220 | Restraint, hip handhold assembly, passenger side | 22229-G1 | includes items 221 and 222 | 1 | 1 | |
| 222 | Handgrip | 23152-G1 | 1 | 1 | ||
| 224 | Restraint, hip handhold assembly, driver's side | 24004-G1 | includes items 225 and 226 | 1 | 1 | |
| 226 | Handgrip | 23152-G1 | 1 | 1 | ||
| 228 | Nut "J" type | 14776-G1 | 1/4 - 20 | 4 | 4 | |
| 229 | Screw, truss | 16705-G1 | 1/4 - 20 x 1 LG | 6 | 6 | |
| 230 | Nut, lock | 11027-G2 | 1/4 - 20 | 2 | 2 | |
| 232 | Fillet, trunk, passenger side | 19534-G3 | 1 | 1 | ||
| 233 | Fillet, trunk, driver's side | 19534-G4 | 1 | 1 | ||
| 234 | Screw, self-drill and tap | 00106-G6 | #12 -24 x 3/4 LG | 4 | 4 | |
| 235 | Trunk lid installation kit, electric vehicle | 19533-G4 | includes items 237 - 241 | 1 | 1 | |
| 236 | Trunk kid installation kit, gasoline vehicle | 19533-G2 | includes items 237- 242 | 1 | 1 | |
| 237 | Trunk lid | 19554-G2 | 1 | 1 | ||
| 238 | Noise, suppressor, trunk lid | 17684-G1 | 4 | 4 | ||
| 239 | Nut, "U" type | 24722-G1 | #10 - 12 x 1/32 THK. | 2 | 2 | |
| 240 | Nut, "U" type | 24722-G2 | #10 - 12 x 1/8 THK. | 2 | 2 | |
| 241 | Screw, self-tapping | 00923-G6 | #10 - 12 x 3/4 LG | 4 | 4 | |
| 242 | Sound panel, trunk lid | 22455-G1 | 1 | 1 | ||
| 243 | Scuffguard kit | 23282-G1 | 1989 only, includes items 244 and 245 | 1 | 1 | |
| 244 | Scuffguard, trunk lid | 23259-G1 | 1 | 1 | ||
| 245 | Scuffguard, strip, fillet | 23457-G1 | 2 | 2 | ||
| 246 | Bagwell, plastic | 19034-G1 | 1 | 1 | ||
| 247 | Mount, bagwell | 19524-G1 | 2 | 2 | ||
| 248 | Screw,lock | 13437-G4 | 3/8 - 16 x 1 LG | 2 | 2 | |
| 249 | Nut,lock | 11027-G5 | 3/8 - 16 | 2 | 2 | |
| 250 | Rivet, plastic, drive | 18436-G1 | 1/4 | 4 | 4 | |
| 251 | Rivet, aluminum, black | 15058-G1 | 3/16 | 4 | 4 | |
| 255 | Washer, special | 10669-G6 | First used for 1990 vehicles | 6 | 6 | |
| 256 | Plate, mounting | 14726-G1 | 1989 only | 2 | 2 | |
| 257 | Screw | 00414-G6 | 1/4 - 20 x 3/4 LG | 6 | 6 | |
| 258 | Nut, lock | 11027-G2 | 1/4 - 20 | 6 | 6 | |
| 259 | Rivet, aluminum, black | 15058-G1 | 3/16 | 2 | 2 | |
| 260 | Trim strip | 14705-G1 | 2 | 2 | ||
| 261 | Rivet, aluminum | 14601-G2 | 4 | 4 | ||
| 263 | Indicator, forward-neutral-reverse, gasoline vehicle | 23791-G3 | 1 | 1 | ||
| 264 | Indicator, forward-neutral-reverse, electric vehicle | 19882-G1 | 1 | 1 | ||
| 265 | Retainer, pushon | 12064-G3 | 3 | 3 | ||
| 266 | Scuffguard, seat wrap | 18787-G1 | 1 | 1 | ||
| 267 | Floormat | 25091-G1 | 3/16 | 1 | 1 | |
| 268 | Floormat | 23795-G1 | Spirit only | 1 | ||
| 270 | Console, center | 18487-G1 | Does not accept ashtray | 1 | ||
| 271 | Console, center | 18487-G2 | Does not accept ashtray | 1 | ||
| 272 | Console, center | 18487-G3 | Accepts ashtray | 1 | ||
| 273 | Console, center | 18487-G4 | Accepts ashtray | 1 | ||
| 274 | Decal, safety | 20405-G1 | included in items 270 - 273 | 1 | 1 | |
| 275 | Ball holder | 18275-G1 | Used with items 270 - 273 | 1 | 1 | |
| 276 | Washer | 00559-G7 | 1/4 | 2 | 2 | |
| 277 | Rivet, plastic, drive | 18436-G1 | 1/4 | 6 | 6 | |
| 278 | Ashtray | 17581-G1 | 1 | 1 | ||
| 280 | Console, 4-cup, 3-wheel | 24967-G1 | First used on 1990 models | 1 | ||
| 281 | Console, 4-cup, 4-wheel | 24967-G1 | First used on 1990 models | 1 | ||
| 282 | Decal, safety | 24968-G1 | included in items 280 - 282 | 1 | 1 | |
| 283 | Rivet, plastic, drive | 18436-G1 | 1/4 | 4 | 4 | |
| 284 | Washer | 00559-G7 | 1/4 | 2 | 2 |
Brake Linkage
| Sl. No. | Part description | Part number | Notes | Quantity (3 wheel) | Quantity (4 wheel) | Purchase |
|---|---|---|---|---|---|---|
| 1 | Brake pedal assembly, vehicles without brake lights | 23033-G1 | includes items 2-11 | 1 | 1 | |
| 2 | Pedal brake | 23037-G1 | Complete with pad, item 5 | 1 | 1 | |
| 3 | Pedal, hill brake | 15813-G1 | Complete with pad, item 6 | 1 | 1 | |
| 4 | Brake/hill brake pedal pad kit | 15826-G1 | includes items 5 - 8 | 1 | 1 | |
| 5 | Pad, brake pedal | * | 1 | 1 | ||
| 6 | Pad, hill brake pedal | * | 1 | 1 | ||
| 7 | Rivet, small head | 15766-G1 | 3 | 3 | ||
| 8 | Rivet, large head | 15767-G1 | 6 | 6 | ||
| 9 | Pin, hill brake pedal | 15932-G1 | 1 | 1 | ||
| 10 | Spring, torsion | 11737-G1 | 2 | 2 | ||
| 11 | Push nut | 12064-G1 | 1 | 1 | ||
| 13 | Brake pedal assembly, vehicles with brake lights | 22449-G2 | includes items 14 - 39 | 1 | 1 | |
| 14 | Arm, brake pedal | 22357-G2 | 1 | 1 | ||
| 15 | Pedal, hill brake | 22360-G1 | Complete with pad, item 18 | 1 | 1 | |
| 16 | Brake/hill brake pedal pad kit | 15826-G1 | includes items 17 - 20 | 1 | 1 | |
| 17 | Pad, brake pedal | * | 1 | 1 | ||
| 18 | Pad, hill brake pedal | * | 1 | 1 | ||
| 19 | Rivet, small head | 15766-G1 | 3 | 3 | ||
| 20 | Rivet, large head | 15767-G1 | 6 | 6 | ||
| 21 | Plate, brake pedal | 15809-G2 | 1 | 1 | ||
| 22 | Pin, hill brake pedal | 15932-G1 | 1 | 1 | ||
| 23 | Spring, torsion | 11737-G1 | 2 | 2 | ||
| 24 | Push nut | 12064-G1 | 1 | 1 | ||
| 25 | Screw | 00737-G6 | #10 - 24 x 3/4 LG | 4 | 4 | |
| 26 | Nut, captive | 00739-G1 | #10 - 24 | 2 | 2 | |
| 27 | Standoff, brake pedal | 22362-G1 | 2 | 2 | ||
| 28 | Washer, spring, curved | 00731-G2 | 4 | 4 | ||
| 29 | Nut,lock | 11098-G7 | #10 - 24 | 2 | 2 | |
| 30 | Switch, micro | 10606-G1 | 1 | 1 | ||
| 31 | Screw | 00139-G2 | #6 - 32 x 1 1/4 LG | 2 | 2 | |
| 32 | Washer | 00559-G3 | #6 | 4 | 4 | |
| 33 | Washer, lock | 00565-G3 | #6 | 2 | 2 | |
| 34 | Nut | 00525-G5 | #6 - 32 | 2 | 2 | |
| 35 | Screw, brass | 13514-G1 | 2 | 2 | ||
| 36 | Washer, lock, external tooth | 00567-G3 | #6 | 2 | 2 | |
| 37 | Faston tab | 14628-G1 | 2 | 2 | ||
| 38 | Wire, harness, brake | 22447-G1 | 1 | 1 | ||
| 39 | Clamp, nylon | 16172-G1 | 2 | 2 | ||
| 42 | Bolt, shoulder | 14158-G1 | 3/8 - 16 | 1 | 1 | |
| 43 | Bushing, flanged, nylon | 11079-G1 | 2 | 2 | ||
| 44 | Spring, torsion | 25292-G1 | 1 | 1 | ||
| 45 | Nut, lock | 13521-G4 | 3/8 - 16 | 1 | 1 | |
| 47 | Pin, clevis | 10386-G3 | 1 | 1 | ||
| 48 | Cotter pin | 10387-G3 | 3/32 x 3/4 LG | 1 | 1 | |
| 50 | Brake linkage assembly, gasoline vehicle | 23026-G1 | includes items 52, 54, 56-70 | 1 | 1 | |
| 51 | Brake linkage assembly, electric vehicle | 23026-G2 | includes items 53, 55 - 70 | 1 | 1 | |
| 52 | Compensating link assembly, gasoline vehicle | 23062-G1 | includes items 54, 56 - 70 | 1 | 1 | |
| 53 | Compensating link assembly, electric vehicle | 23062-G2 | includes items 55 - 70 | 1 | 1 | |
| 54 | Rod, gasoline vehicle | 23059-G1 | 1 | 1 | ||
| 55 | Rod, electric vehicle | 23059-G2 | 1 | 1 | ||
| 56 | Nut | 00544-G4 | 5/16 - 24 | 1 | 1 | |
| 57 | Yoke, clevis | 10385-G4 | 1 | 1 | ||
| 58 | Yoke, brake | 23030-G1 | 1 | 1 | ||
| 59 | Washer | 15121-G1 | 5/18 | 2 | 2 | |
| 60 | Tube | 23061-G1 | 1 | 1 | ||
| 61 | Spring, compression | 23463-G1 | 1 | 1 | ||
| 62 | Nut, lock | 00892-G4 | 5/16 - 24 | 1 | 1 | |
| 63 | Bushing, accelerator rod | 17979-G1 | 1 | 1 | ||
| 64 | Bar, equalizer | 13659-G1 | 1 | 1 | ||
| 65 | Pin, clevis | 10386-G3 | 1 | 1 | ||
| 66 | Cotter pin | 10387-G3 | 3/32 x 3/4 LG | 1 | 1 | |
| 67 | Cable, brake, passenger side | 25124-G2 | Gas/Elec | 1 | 1 | |
| 68 | Cable, brake, driver's side | 25124-G1 | Elec only | 1 | 1 | |
| 69 | Pin, clevis | 10386-G3 | 2 | 2 | ||
| 70 | Cotter pin | 10387-G3 | 3/32 x 3/4 LG | 2 | 2 | |
| 71 | Cable, brake, driver's side | 25124-G4 | Gas only | 1 | 1 | |
| 73 | Pin, clevis | 10386-G3 | 2 | 2 | ||
| 74 | Cotter pin | 10387-G3 | 3/32 x 3/4 LG | 2 | 2 | |
| 75 | Ring, retaining | 12305-G1 | 4 | 4 | ||
| 76 | Bearing, flanged | 10097-G6 | 2 | 2 | ||
| 77 | Cam, hill brake | 12156-G1 | 1 | 1 | ||
| 78 | Spacer | 14134-G2 | 1 | 1 | ||
| 79 | Setscrew | 00491-G3 | 1/4 - 20 x 3/8 LG | 2 | 2 | |
| 80 | Screw | 00414-G6 | 1/4 - 20 x 3/4 LG | 2 | 2 | |
| 81 | Washer, lock | 00565-G7 | 1/4 | 2 | 2 | |
| 82 | Bracket, catch | 15022-G1 | 1 | 1 | ||
| 83 | Nut, lock | 11027-G2 | 1/4 - 20 | 2 | 2 | |
| 86 | Pedal number service kit | 14061-G1 | includes items 87 - 91 | 1 | 1 | |
| 87 | Screw | 00150-G6 | #10 - 24 x 3/4 LG | 1 | 1 | |
| 88 | Washer | 00559-G5 | #10 | 1 | 1 | |
| 89 | Bumper, rubber | 13728-G1 | 1 | 1 | ||
| 90 | Washer, lock | 00565-G5 | #10 | 1 | 1 | |
| 91 | Nut | 00526-G3 | #10 - 24 | 1 | 1 | |
| 94 | Clamp, nylon | 16172-G1 | 1 | 1 | ||
| 95 | Screw | 00414-G6 | 1/4 - 20 x 3/4 LG | 3 | 3 | |
| 96 | Clip, cable | 11845-G2 | 1 | 1 | ||
| 97 | Nut, lock | 11027-G2 | 1/4 - 20 | 3 | 3 | |
| 98 | Clip, cable | 11845-G4 | 2 | 2 |
Brake Linkage – First Used for Model Year 1990
| Sl. No. | Part description | Part number | Notes | Quantity (3 wheel) | Quantity (4 wheel) | Purchase |
|---|---|---|---|---|---|---|
| 1 | Brake pedal assembly, vehicles without brake lights | 25253-G1 | includes items 2-11 | 1 | 1 | |
| 2 | Pedal brake | 23037-G2 | Complete with pad, item 5 | 1 | 1 | |
| 3 | Pedal, hill brake | 15813-G1 | Complete with pad, item 6 | 1 | 1 | |
| 4 | Brake/hill brake pedal pad kit | 15826-G1 | includes items 5-8 | 1 | 1 | |
| 5 | Pad, brake pedal | * | 1 | 1 | ||
| 6 | Pad, hill brake pedal | * | 1 | 1 | ||
| 7 | Rivet, small head | 15766-G1 | 3 | 3 | ||
| 8 | Rivet, large head | 15767-G1 | 6 | 6 | ||
| 9 | Pin, hill brake pedal | 15932-G1 | 1 | 1 | ||
| 10 | Spring, torsion | 11737-G1 | 2 | 2 | ||
| 11 | Push nut | 12064-G1 | 1 | 1 | ||
| 13 | Brake pedal assembly, vehicles with brake lights | 22449-G1 | includes items 14 - 39 | 1 | 1 | |
| 14 | arm, brake pedal | 22357-G1 | 1 | 1 | ||
| 15 | Pedal, hill brake | 22360-G1 | Complete with pad, item 18 | 1 | 1 | |
| 16 | Brake/hill brake pedal pad kit | 15826-G1 | includes items 17 - 20 | 1 | 1 | |
| 17 | Pad, brake pedal | * | 1 | 1 | ||
| 18 | Pad, hill brake pedal | * | 1 | 1 | ||
| 19 | Rivet, small head | 15766-G1 | 3 | 3 | ||
| 20 | Rivet, large head | 15767-G1 | 6 | 6 | ||
| 21 | Plate, brake pedal | 15809-G2 | 1 | 1 | ||
| 22 | Pin, hill brake pedal | 15932-G1 | 1 | 1 | ||
| 23 | Spring, torsion | 11737-G1 | 2 | 2 | ||
| 24 | Push nut | 12064-G1 | 1 | 1 | ||
| 25 | Screw | 00737-G7 | #10 - 24x 3/4 LG | 4 | 4 | |
| 26 | Nut, captive | 00739-G1 | #10 - 24 | 2 | 2 | |
| 27 | Standoff, brake pedal | 22362-G1 | 2 | 2 | ||
| 28 | Spring, conical | 24938-G1 | 2 | 2 | ||
| 29 | Nut, lock | 11098-G7 | #10 - 24 | 2 | 2 | |
| 30 | Switch, micro | 10606-G1 | 1 | 1 | ||
| 31 | Screw | 00139-G2 | #6 - 32 x 1 1/4 LG | 2 | 2 | |
| 32 | Washer | 00559-G3 | #6 | 4 | 4 | |
| 33 | Washer, lock | 00565-G3 | #6 | 2 | 2 | |
| 34 | Nut | 00525-G5 | #6 - 32 | 2 | 2 | |
| 35 | Screw, brass | 13514-G1 | 2 | 2 | ||
| 36 | Washer, lock, external tooth | 00567-G3 | #6 | 2 | 2 | |
| 37 | Faston tab | 14828-G1 | 2 | 2 | ||
| 38 | Wire harness, brake | 22447-G1 | 1 | 1 | ||
| 39 | Clamp, nylon | 16172-G1 | 2 | 2 | ||
| 42 | Bolt, shoulder | 14158-G1 | 3/8 - 16 | 1 | 1 | |
| 43 | Bushing, flanged, nylon | 11079-G1 | 2 | 2 | ||
| 44 | Spring, torsion | 25292-G1 | 1 | 1 | ||
| 45 | Nut, lock | 13521-G4 | 3/8 - 16 | 1 | 1 | |
| 47 | Pin, clevis | 10386-G3 | 1 | 1 | ||
| 48 | Cotter pin | 10387-G3 | 3/32 x 3/4 LG | 1 | 1 | |
| 50 | Brake linkage assembly, gasoline vehicle | 25101-G1 | includes items 52, 54, 56-67 | 1 | 1 | |
| 51 | Brake linkage assembly, electric vehicle | 25102-G2 | includes items 53, 55-67 | 1 | 1 | |
| 52 | Compensating link assembly, gasoline vehicle | 23062-G1 | includes items 54, 56-67 | 1 | 1 | |
| 53 | Compensating link assembly, electric vehicle | 23062-G2 | includes items 55 - 67 | 1 | 1 | |
| 54 | Rod, gasoline vehicle | 23175-G1 | 1 | 1 | ||
| 55 | Rod, electric vehicle | 23175-G2 | 1 | 1 | ||
| 56 | Nut | 00544-G4 | 5/16 - 24 | 1 | 1 | |
| 57 | Yoke, clevis | 10385-G4 | 1 | 1 | ||
| 58 | Yoke, brake | 23030-G1 | 1 | 1 | ||
| 59 | Washer | 15121-G1 | 5/16 | 2 | 2 | |
| 60 | Tube | 23061-G2 | 1 | 1 | ||
| 61 | Spring, compression | 23463-G1 | 1 | 1 | ||
| 62 | Nut, lock | 00892-G4 | 5/16 - 24 | 1 | 1 | |
| 63 | Bushing, accelerator rod | 17979-G1 | 1 | 1 | ||
| 64 | Bar, equalizer | 13659-G1 | 1 | 1 | ||
| 65 | Pin, clevis | 10386-G3 | 1 | 1 | ||
| 66 | Cotter pin | 10387-G3 | 3/32 x 3/4 LG | 1 | 1 | |
| 67 | Washer, nylon | 17255-G1 | 3 | 3 | ||
| 68 | Washer, nylon | 17255-G1 | 8 | 8 | ||
| 69 | Washer, flat | 00559-G8 | 2 | 2 | ||
| 70 | Cable, brake, passenger side | 25187-G2 | Gas/Elec | 1 | 1 | |
| 72 | Cable, brake, driver's side | 25187-G1 | Gas/Elec | 1 | 1 | |
| 73 | Pin, clevis | 10386-G3 | 2 | 2 | ||
| 74 | Cotter pin | 10387-G3 | 3/32 x 3/4 LG | 2 | 2 | |
| 76 | Bearing, flanged | 10097-G8 | 2 | 2 | ||
| 77 | Cam, hill brake | 25103-G1 | 1 | 1 | ||
| 78 | Spacer | 14134-G2 | 1 | 1 | ||
| 79 | Setscrew | 00491-G4 | 1/4 - 20 x 3/8 LG | 2 | 2 | |
| 80 | Screw | 00414-G8 | 1/4 - 20 x 3/4 LG | 2 | 2 | |
| 81 | Washer, lock | 00565-G7 | 1/4 | 2 | 2 | |
| 82 | Bracket, catch | 15022-G1 | 1 | 1 | ||
| 83 | Nut, lock | 11027-G2 | 1/4 - 20 | 2 | 2 | |
| 86 | Pedal bumper service kit | 14061-G1 | includes items 87 - 91 | 1 | 1 | |
| 87 | Screw | 00150-G6 | #10 - 24 x 3/4 LG | 1 | 1 | |
| 88 | Washer | 00559-G5 | #10 | 1 | 1 | |
| 89 | Bumper, rubber | 13728-G1 | 1 | 1 | ||
| 90 | Washer, lock | 00565-G5 | #10 | 1 | 1 | |
| 91 | Nut | 00526-G3 | #10 - 24 | 1 | 1 | |
| 93 | Pin, clevis | 10386-G3 | 2 | 2 | ||
| 94 | Cotter pin | 10387-G3 | 3/32 x 3/4 LG | 2 | 2 | |
| 95 | Ring, retainer | 12305-G1 | 4 | 4 |
Carburetor Internal Parts BV18
| Sl. No. | Part description | Part number | Notes | Quantity (3 wheel) | Quantity (4 wheel) | Purchase |
|---|---|---|---|---|---|---|
| 1 | Carburetor, BV 18 - 15 | 23932-G1 | includes items 3 - 30 | |||
| 3 | Mixing body | * | 1 | 1 | ||
| 4 | Float bowl | * | 1 | 1 | ||
| 6 | Float, carburetor | 18445-G1 | 1 | 1 | ||
| 7 | Float pin | 15799-G1 | 1 | 1 | ||
| 8 | Gasket, float bowl | 15796-G1 | 1 | 1 | ||
| 9 | Nozzle | 24637-G1 | 1 | 1 | ||
| 10 | Jet, main | 16401-G3 | 1 | 1 | ||
| 11 | Gasket, main jet | 15797-G1 | 1 | 1 | ||
| 12 | Guide, holder | 18447-G1 | main jet | 1 | 1 | |
| 13 | Washer, needle valve | 14818-G1 | 1 | 1 | ||
| 14 | Valve, needle | 16192-G1 | 1 | 1 | ||
| 15 | Jet, pilot | ** | 1 | 1 | ||
| 16 | Screw, pilot adjusting | ** | 1 | 1 | ||
| 17 | Nut, 4 mm | 13633-G1 | 1 | 1 | ||
| 18 | Shaft, choke | 15804-G1 | 1 | 1 | ||
| 19 | Valve, choke | 15802-G1 | 1 | 1 | ||
| 20 | Valve, setscrew | ** | 3 | 3 | ||
| 21 | Packing | 18443-G1 | Nylon washer | 1 | 1 | |
| 22 | "E" ring, choke shaft | 18444-G1 | 1 | 1 | ||
| 23 | Spring, choke | 24638-G1 | 1 | 1 | ||
| 24 | Shaft, throttle | 24639-G1 | 1 | 1 | ||
| 26 | Ring, throttle spring | 18442-G1 | 1 | 1 | ||
| 27 | Spring, throttle | 24640-G1 | 1 | 1 | ||
| 28 | Valve, throttle | 15805-G1 | 1 | 1 | ||
| 29 | Spring, throttle adjusting screw | 15801-G1 | 1 | 1 | ||
| 30 | Screw, throttle adjusting | 15800-G1 | 1 | 1 | ||
| 32 | Ball | 24479-G1 | 2 | 2 | ||
| 34 | Nut, lock | 00921-G8 | #10 - 32 | 2 | 2 | |
| 38 | Carburetor, rebuild kit | 18136-G3 | 1 | 1 | ||
| Gasket, float bowl | 1 | 1 | ||||
| Gasket, main jet | 1 | 1 | ||||
| Jet, main | 1 | 1 | ||||
| Washer, needle valve | 1 | 1 | ||||
| Needle valve | 1 | 1 | ||||
| Jet, pilot | ** | 1 | 1 | |||
| Screw, pilot adjusting | ** | 1 | 1 | |||
| Nut, 4 mm | 1 | 1 | ||||
| Screw, throttle adjusting | 1 | 1 | ||||
| Spring, throttle adjusting screw | 1 | 1 | ||||
| Nozzle | 1 | 1 | ||||
| Pin, float | 1 | 1 | ||||
| 39 | Jet kit | 18137-G3 | 1 | 1 | ||
| Jet, main | 1 | 1 | ||||
| Jet, pilot | ** | 1 | 1 | |||
| Nozzle | 1 | 1 | ||||
| Needle valve | 1 | 1 | ||||
| Washer, needle valve | 1 | 1 | ||||
| 40 | Gasket kit | 15793-G1 | 1 | 1 | ||
| Gasket, float bowl | 1 | 1 | ||||
| Gasket, main jet | 1 | 1 | ||||
| Washer, needle valve | 1 | 1 | ||||
| 41 | Choke lever kit | 15794-G2 | 1 | 1 | ||
| Shaft, choke | 1 | 1 | ||||
| Valve, choke | 1 | 1 | ||||
| Setscrew, valve | ** | 2 | 2 | |||
| Packing | Nylon washer | 1 | 1 | |||
| "E" ring, choke shaft assembly | 1 | 1 | ||||
| Spring, choke | 1 | 1 | ||||
| 42 | Throttle lever kit | 24641-G1 | 1 | 1 | ||
| Shaft, throttle | 1 | 1 | ||||
| Ring, throttle spring | 1 | 1 | ||||
| Spring, throttle | 1 | 1 | ||||
| Valve, throttle | 1 | 1 | ||||
| Setscrew, valve | ** | 1 | 1 |
Clutches
| Sl. No | Part description | Part number | Notes | Quantity (3 wheel) | Quantity (4 wheel) | Purchase |
|---|---|---|---|---|---|---|
| 1 | Clutch, drive | 23817-G1 | 1 | 1 | ||
| 2 | Washer, pilot | 23213-G1 | 1 | 1 | ||
| 5 | Washer, lock | 00566-G2 | 7/16 | 1 | 1 | |
| 6 | Screw | 00473-G9 | 7/16 - 20 x 6 1/2 LG | 1 | 1 | |
| 7 | Belt, starter.generator | XXXXX-XX | See section N for part number and quantity | |||
| 9 | Driven clutch assembly | 25632-G01 | includes items 10-19 | 1 | 1 | |
| 10 | Ring, retaining | 24594-G1 | 1 | 1 | ||
| 11 | Spring, compression | 25612-G1 | 1 | 1 | ||
| 12 | Button, ramp | 25613-G1 | 3 | 3 | ||
| 13 | Screw | 24598-G1 | #8 - 32 x 3/4 LG | 3 | 3 | |
| 16 | Washer, spacer | 24600-G1 | 2 | 2 | ||
| 17 | Cam | * | 1 | 1 | ||
| 18 | Sheave, moveable | * | 1 | 1 | ||
| 19 | Sheave and post | * | 1 | 1 | ||
| 20 | Washer, retaining | 22496-G1 | 1 | 1 | ||
| 21 | Washer, lock | 00565-G8 | 5/16 | 1 | 1 | |
| 22 | Screw | 00441-G8 | 5/16 -18 x 4 LG | 1 | 1 | |
| 23 | Belt, drive | 22337-G1 | 1 | 1 | ||
| 24 | Puller, clutch | ** | AR | AR |
Crankcase
| Sl. No. | Part description | Part number | Notes | Quantity (3 wheel) | Quantity (4 wheel) | Purchase |
|---|---|---|---|---|---|---|
| 1 | Crankcase assembly | 24503-G1 | includes items 2-8 | 1 | 1 | |
| 2 | Crankcase half, front | * | 1 | 1 | ||
| 3 | Pin, dowel | 16582-G1 | 2 | 2 | ||
| 4 | Bearing | 24504-G1 | 3 | 3 | ||
| 5 | Seal, oil | 14524-G1 | 2 | 2 | ||
| 6 | Crankcase half, rear | * | 1 | 1 | ||
| 7 | Stud | 14525-G1 | M10 x 45 mm LG | 4 | 4 | |
| 8 | Bolt and captive washer | 18437-G1 | M8 x 1.25 x 75 mm LG | 3 | 3 | |
| 11 | Washer, lock | 14528-G1 | 10 mm | 4 | 4 | |
| 12 | Nut | 14527-G1 | M10 x 1.25 | 4 | 4 | |
| 14 | Spacer | 15466-G1 | .2 mm | AR | AR | |
| 15 | Spacer | 15466-G2 | .1 mm | AR | AR |
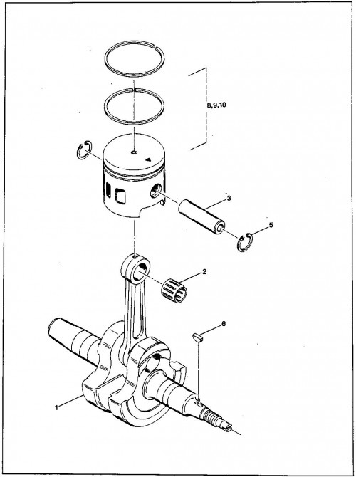
Crankshaft and Piston
| Sl. No. | Part description | Part number | Notes | Quantity (3 wheel) | Quantity (4 wheel) | Purchase |
|---|---|---|---|---|---|---|
| 1 | Crankshaft/Connecting rod unit | 24513-G1 | 1 | 1 | ||
| 2 | Bearing | 21965-G1 | 1 | 1 | ||
| 3 | Pin, piston | 21966-G1 | 1 | 1 | ||
| 5 | Ring, retaining | 14541-G1 | 2 | 2 | ||
| 6 | Key, woodruff | 16863-G1 | 1 | 1 | ||
| 8 | Piston and ring kit | 26519-G01 | A/R | A/R | ||
| 9 | Piston and ring kit | 26519-G02 | .25 over size | A/R | A/R | |
| 10 | Piston and ring kit | 26519-G03 | .50 over size | A/R | A/R |
Cylinder
| Sl. No. | Part description | Part number | Notes | Quantity (3 wheel) | Quantity (4 wheel) | Purchase |
|---|---|---|---|---|---|---|
| 1 | Cylinder assembly | 24505-G1 | includes items 2 and 3 | 1 | 1 | |
| 2 | Cylinder | * | 1 | 1 | ||
| 3 | Stud, exhaust port | 24506-G1 | M8 x 1.25 / 5/16 x 18 x 36 mm LG | 2 | 2 | |
| 5 | Gasket, cylinder | 14533-G1 | 1 | 1 | ||
| 6 | Gasket, head | 24512-G1 | 1 | 1 | ||
| 8 | Cylinder head | 24511-G1 | 1 | 1 | ||
| 9 | Spark plug with washer | 16430-G1 | 1 | 1 | ||
| 10 | Bolt and captive washer | 24320-G1 | M8 x 1.25 x 35 mm LG | 6 | 6 | |
| 13 | Intake manifold assembly | 24507-G1 | includes items 14 and 15 | 1 | 1 | |
| 14 | Intake manifold | * | 1 | 1 | ||
| 15 | Stud | 14526-G1 | M6 x 1.00 x 40 mm LG | 2 | 2 | |
| 17 | Gasket, reed valve | 24509-G1 | 2 | 2 | ||
| 18 | Reed valve unit | 24510-G1 | 1 | 1 | ||
| 19 | Bolt and captive washer | 24299-G2 | M6 x 1.00 x 30 mm LG | 4 | 4 | |
| 21 | Cylinder overhaul kit | 24619-G1 | includes cylinder, studs, piston and ring kit, and required gaskets | 1 | 1 | |
| 23 | Gasket set | 24624-G1 | includes items 5,6,17, exhaust gasket and intake manifold to carburetor gasket | 1 | 1 |
Electrical System – 1989 Early 1990
| Sl. No. | Part description | Part number | Notes | Quantity (3 wheel) | Quantity (4 wheel) | Purchase |
|---|---|---|---|---|---|---|
| 1 | Forward-neutral-reverse switch | XXXXX-XX | See section P for part number and quantity | |||
| 3 | Screw | 00414-G6 | 1/4 - 20 x 3/4 LG | 2 | 2 | |
| 4 | Washer | 00559-G7 | 1/4 | 2 | 2 | |
| 5 | Nut, lock | 11027-G2 | 1/4 - 20 | 2 | 2 | |
| 7 | Washer, lock | 00565-G8 | 5/16 | 4 | 4 | |
| 8 | Nut | 00544-G3 | 5/16 - 18 | 4 | 4 | |
| 10 | Electrical controls assembly | 22658-G1 | 1989/early 1990, includes items 11-17 | 1 | 1 | |
| 11 | Ignitor unit | 23781-G1 | 1989 / early 1990 | 1 | 1 | |
| 12 | Regulator, voltage | 16530-G1 | 1989 / early 1990 | 1 | 1 | |
| 13 | Washer, lock | * | 5 mm | 3 | 3 | |
| 14 | Screw | * | 5 mm x 8 mm LG | 3 | 3 | |
| 15 | Wire harness, voltage regulator | 22657-G1 | 1989 / early 1990 | 1 | 1 | |
| 16 | Panel, electrical | 22369-G1 | 1 | 1 | ||
| 17 | Nut, lock | 11027-G2 | 1/4 - 20 | 4 | 4 | |
| 18 | Clamp | 16172-G1 | 8 | 8 | ||
| 19 | Washer | 00561-G7 | 1/4 | 4 | 4 | |
| 20 | Nut, lock | 11027-G2 | 1/4 - 20 | 4 | 4 | |
| 21 | Clamp, insulated | 11845-G2 | 1 | 1 | ||
| 22 | Nut, lock | 11027-G2 | 1/4 - 20 | 2 | 2 | |
| 23 | Solenoid | 16542-G1 | 12 volt | 1 | 1 | |
| 24 | Wiring harness, solenoid | 22656-G1 | 1 | 1 | ||
| 26 | Nut | 00526-G4 | #10 - 32 | 2 | 2 | |
| 27 | Washer | 00565-G5 | #10 | 2 | 2 | |
| 28 | Faston tab | 14628-G1 | 2 | 2 | ||
| 29 | Nut | 00544-G4 | 5/16 - 18 | 2 | 2 | |
| 30 | Washer, lock | 00565-G8 | 5/16 | 2 | 2 | |
| 33 | Battery, 12 volt | 19548-G1 | 1 | 1 | ||
| 35 | Rod, battery hold down | 18261-G2 | 1 | 1 | ||
| 36 | Rod, battery hold down | 19915-G1 | 1 | 1 | ||
| 38 | Battery cable, negative | 20294-G1 | GXT-/GXI-800 | 1 | 1 | |
| 39 | Battery cable, negative | 20294-G3 | GXT-/GXI-300 | 1 | 1 | |
| 40 | Nut, lock | 11027-G2 | 1/4 - 20 | 3 | 3 | |
| 41 | Washer | 00571-G2 | 5/16 | 2 | 2 | |
| 42 | Screw | 00414-G6 | 1/4 - 20 x 3/4 LG | 1 | 1 | |
| 44 | Screw | 00438-G6 | 5/16 - 18 x 3/4 LG | 2 | 2 | |
| 45 | Washer, lock | 00565-G8 | 5/16 | 2 | 2 | |
| 46 | Nut | 00532-G3 | 5/ 16 - 18 | 2 | 2 | |
| 48 | Ignition switch kit | 17421-G1 | includes items 49-52 and additional pushon terminals | 1 | 1 | |
| 49 | Switch, ignition | * | 1 | 1 | ||
| 50 | Washer, lock | 00568-G6 | 3/4 | 1 | 1 | |
| 51 | Nut, face | 17137-G1 | 1 | 1 | ||
| 52 | Key, ignition | 17063-G1 | 2 | 2 | ||
| 54 | Switch, micro | 10606-G2 | 1 | 1 | ||
| 55 | Screw | 00139-G2 | #6 - 32 x 1 1/4 LG | 2 | 2 | |
| 56 | Nut | 00525-G5 | #6 - 32 | 4 | 4 | |
| 57 | Spacer | 24029-G1 | 1 | 1 | ||
| 58 | Washer, lock | 00565-G3 | #6 | 2 | 2 | |
| 60 | Screw, brass | 13514-G1 | #6 -32 x .22 LG | 2 | 2 | |
| 61 | Wiring harness, starter/generator | 22639-G1 | includes items 62-72 | 1 | 1 | |
| 62 | Wire | 22620-G1 | F2 to solenoid | 1 | 1 | |
| 63 | Wire | 22622-G1 | A2 to B | 1 | 1 | |
| 64 | Wire | 22623-G1 | F1 to A | 1 | 1 | |
| 65 | Wire | 22621-G1 | A1 to D | 1 | 1 | |
| 66 | Wire | 22617-G1 | C to ground | 1 | 1 | |
| 67 | Wire | 19641-G1 | DF to generator | 1 | 1 | |
| 68 | Wire | 22615-G1 | C to solenoid | 1 | 1 | |
| 69 | Clamp | 17618-G1 | 7 | 7 | ||
| 70 | Boot, rubber | 16563-G1 | 4 | 4 | ||
| 71 | Boot, rubber | 16563-G2 | 1 | 1 | ||
| 72 | Loom, flex | 18834-G1 | 1 | 1 | ||
| 73 | Starter/generator | XXXXX-XX | See section KK for part number and qty | |||
| 75 | Battery cable, positive | 19919-G2 | 1 | 1 | ||
| 76 | Wire | 16754-G1 | Accelerator micro switch to F-N-R micro switch | 1 | 1 | |
| 77 | Wire | 22625-G1 | Accelerator micro switch to solenoid | 1 | 1 | |
| 78 | Wire | 20867-G1 | Ignition switch to F-N-R micro switch | 1 | 1 | |
| 79 | Fuse holder and wire assembly | 22624-G1 | inclues item 80 | 1 | 1 | |
| 80 | Fuse, 25 AMP | 18392-G3 | 1 | 1 | ||
| 86 | Coil and bracket assembly | 24202-G1 | includes items 87 - 98 | 1 | 1 | |
| 87 | Ignition coil assembly | 23782-G1 | includes items 88 - 90 | 1 | 1 | |
| 88 | Ignition coil | * | 1 | 1 | ||
| 89 | Nipple, coil | 17420-G1 | 1 | 1 | ||
| 90 | Clamp, coil | 17373-G1 | 1 | 1 | ||
| 91 | Bracket, coil | 23794-G1 | 1 | 1 | ||
| 93 | Lead, spark plug | 17014-G1 | 1 | 1 | ||
| 94 | Grommet | 18345-G1 | 1 | 1 | ||
| 95 | Screw, brass, 5 mm | 24477-G1 | 2 | 2 | ||
| 96 | Washer, lock, 5 mm | 51407-G1 | 2 | 2 | ||
| 97 | Washer, 5 mm | 51408-G1 | 2 | 2 | ||
| 98 | Spacer | 30202-G1 | 2 | 2 | ||
| 100 | Screw and captive washer | 24299-G1 | M6 x 1.00 x 18 mm LG | 1 | 1 |
Electrical System – Later 1990
| Sl. No. | Part description | Part number | Notes | Quantity (4 wheel) | Purchase |
|---|---|---|---|---|---|
| 1 | Forward-neutral-reverse switch | XXXXX-XX | See section P for part number and quantity | ||
| 3 | Screw | 00414-G6 | 1/4 - 20 x 3/4 LG | 2 | |
| 4 | Washer | 00559-G7 | 1/4 | 2 | |
| 5 | Nut, lock | 11027-G2 | 1/4 - 20 | 2 | |
| 7 | Washer, lock | 00565-G8 | 5/16 | 4 | |
| 8 | Nut | 00544-G3 | 5/16 - 18 | 4 | |
| 11 | Ignitor unit | 24881-G1 | Later 1990 | 1 | |
| 12 | Regulator, voltage assembly | 24883-G2 | Later 1990 | 1 | |
| 13 | Washer, lock, 3 mm | * | 3 | ||
| 14 | Screw, 5mm x 8 mm LG | * | 3 | ||
| 15 | Faston tab | 12914-G1 | 4 | ||
| 16 | Wire | 24882-G1 | 1 | ||
| 18 | Label, warning - battery ground | 24876-G1 | 1 | ||
| 19 | Washer | 00561-G7 | 1/4 | 4 | |
| 20 | Nut, lock | 11027-G2 | 1/4 - 20 | 4 | |
| 21 | Clamp, insulated | 11845-G2 | 1 | ||
| 22 | Nut, lock | 11027-G2 | 1/4 - 20 | 2 | |
| 23 | Solenoid, 12 volt | 16542-G1 | 1 | ||
| 24 | Wiring harness, electrical controls | 24874-G1 | Later 1990 | 1 | |
| 26 | Nut | 00526-G4 | #10 - 32 | 2 | |
| 27 | Washer, lock | 00565-G8 | #10 | 2 | |
| 28 | Faston tab | 14628-G1 | 2 | ||
| 29 | Nut | 00544-G4 | 5/16 - 18 | 2 | |
| 30 | Washer, lock | 00567-G8 | 5/16 | 2 | |
| 33 | Battery, 12 volt | 24775-G1 | 1 | ||
| 34 | Retainer, battery | 18258-G2 | 1 | ||
| 35 | Rod, battery hold down | 18261-G1 | 1 | ||
| 36 | Rod, battery hold down | 18262-G1 | 1 | ||
| 38 | Battery cable, negative | 20294-G1 | 1 | ||
| 40 | Nut, lock | 11027-G2 | 1/4 - 20 | 3 | |
| 41 | Washer | 00571-G2 | 5/16 | 2 | |
| 42 | Screw | 00414-G6 | 1/4 - 20 x 3/4 LG | 1 | |
| 46 | Nut | 00669-G3 | 5/16 - 18 | 2 | |
| 48 | Ignition switch kit | 17421-G1 | includes items 49-52 and additional pushon terminals | 1 | |
| 49 | Switch, ignition | * | 1 | ||
| 50 | Washer, lock | 00568-G6 | 3/4 | 1 | |
| 51 | Nut, face | 17137-G1 | 1 | ||
| 52 | Key, ignition | 17063-G1 | 2 | ||
| 54 | Switch, micro | 10606-G2 | 1 | ||
| 55 | Screw | 00139-G2 | #6 - 32 x 1 1/4 LG | 2 | |
| 56 | Nut | 00525-G5 | #6 - 32 | 4 | |
| 57 | Spacer | 24029-G1 | 1 | ||
| 58 | Washer, lock | 00565-G3 | #6 | 2 | |
| 60 | Screw, brass | 13514-G1 | #6 - 32 x .22 LG | 2 | |
| 61 | Wiring harness, power | 24767-G1 | includes items 62 - 72 | 1 | |
| 62 | Wire | 24758-G2 | F2 to solenoid | 1 | |
| 63 | Wire | 24758-G2 | A2 to B | 1 | |
| 64 | Wire | 24758-G1 | F1 to A | 1 | |
| 65 | Wire | 24758-G4 | A1 to D | 1 | |
| 66 | Wire | 24758-G3 | C to ground | 1 | |
| 67 | Wire | 19641-G3 | DF to generator | 1 | |
| 68 | Wire | 22615-G1 | C to solenoid | 1 | |
| 69 | Clamp, nylon | 17618-G1 | 7 | ||
| 70 | Boot, rubber | 16563-G1 | 4 | ||
| 71 | Boot, rubber | 16563-G2 | 1 | ||
| 72 | Loom, flex | 18833-G1 | 1 | ||
| 73 | Starter/generator | XXXXX-XX | See section KK for part number and quantity | ||
| 75 | Battery cable, positive | 25409-G1 | 1 | ||
| 76 | Wire | 16754-G1 | Accelerator micro switch to F-N-R micro switch | 1 | |
| 77 | Wire | 22625-G1 | Accelerator micro switch to solenoid | 1 | |
| 78 | Wire | 20867-G1 | Ignition switch to F-N-R micro switch | 1 | |
| 79 | Fuse holder and wire assembly | 22624-G1 | includes item 80 | 1 | |
| 80 | Fuse, 25 AMP | 18392-G3 | 1 | ||
| 82 | Clamp, nylon | 17618-G1 | 8 | ||
| 83 | Clamp, insulated | 11845-G2 | 1 | ||
| 86 | Coil and bracket assembly | 24202-G2 | includes items 87 - 98 | 1 | |
| 87 | Ignition coil assembly | 23782-G1 | includes items 88 - 90 | 1 | |
| 88 | Ignition coil | * | 1 | ||
| 89 | Nipple, coil | 17420-G1 | 1 | ||
| 90 | Clamp, coil | 17373-G1 | 1 | ||
| 91 | Bracket, coil | 23794-G1 | 1 | ||
| 93 | lead, spark plug | 17014-G1 | 1 | ||
| 94 | Grommet | 18345-G1 | 1 | ||
| 95 | Screw, brass, 5 mm | 24477-G1 | 2 | ||
| 96 | Washer, lock, 5 mm | 51407-G1 | 2 | ||
| 97 | Washer, 5 mm | 51408-G1 | 2 | ||
| 98 | Washer, aluminum | 00945-G1 | 2 | ||
| 100 | Screw and captive washer | 24299-G1 | M6 x 1.00 x 18 mm LG | 1 |
Engine and Starter
| Sl. No. | Part description | Part number | Notes | Quantity (3 wheel) | Quantity (4 wheel) | Purchase |
|---|---|---|---|---|---|---|
| 1 | Engine, EC 25 - 3 PG., service | 24623-G1 | 1 | 1 | ||
| 2 | Screw | 00288-G8 | 7/16 - 14 x 1 LG | 4 | 4 | |
| 3 | Washer,lock | 00566-G2 | 7/16 | 4 | 4 | |
| 4 | Washer | 00922-G3 | 7/16 | 4 | 4 | |
| 6 | Tube, exhaust | 24260-G1 | 1 | 1 | ||
| 7 | Gasket, exhaust | 12394-G1 | 1 | 1 | ||
| 8 | Washer,lock, 8 mm | 18110-G1 | 2 | 2 | ||
| 9 | Nut | 51401-G1 | 5/16 - 18 | 2 | 2 | |
| 11 | Engine frame | XXXXX-XX | See section W for part number and quantity | |||
| 12 | Starter/generator | XXXXX-XX | See section KK for part number and quantity | |||
| 13 | Belt, starter | 16548-G1 | 1 | 1 | ||
| 14 | Screw | 00938-G4 | 1/2 - 13 x 8 LG | 1 | 1 | |
| 15 | Washer | 00560-G3 | 1/2 | 1 | 1 | |
| 16 | Washer, lock | 00566-G3 | 1/2 | 1 | 1 | |
| 17 | Nut | 00533-G1 | 1/2 - 13 | 1 | 1 | |
| 18 | Shims | 24635-G2 | AR | AR | ||
| 19 | Starter/generator support | 24686-G1 | 1 | 1 | ||
| 21 | Rod, adjusting | 24667-G1 | 1 | 1 | ||
| 22 | Nut | 00532-G6 | 3/8 - 24 | 1 | 1 | |
| 23 | Washer, lock | 00566-G1 | 3/8 | 1 | 1 | |
| 24 | Bushing, guide support | 24668-G1 | 1 | 1 | ||
| 25 | Bracket, starter | 24679-G1 | 1 | 1 | ||
| 26 | Bolt and captive washer | 18711-G1 | M8 x 1.25 x 80 mm LG | 2 | 2 | |
| 28 | Drive clutch | XXXXX-XX | See section H for part number and quantity |
Fork Assembly
| Sl. No. | Part description | Part number | Notes | Quantity (3 wheel) | Purchase |
|---|---|---|---|---|---|
| 1 | Fork assembly | 17533-G1 | includes items 2-15 | 1 | |
| 2 | Fork | 17537-G1 | 1 | ||
| 3 | Axle bracket, passenger side | 17542-G1 | 1 | ||
| 4 | Axle bracket, driver's side | 17542-G2 | 1 | ||
| 5 | Shock absorber assembly | 19796-G1 | includes items 6-8 | 2 | |
| 6 | Shock absorber | 17907-G1 | 1 | ||
| 7 | Spring, compression | 19794-G2 | 1 | ||
| 8 | Retainer, spring | 17816-G1 | 1 | ||
| 10 | Nut, lock | 00557-G1 | 1/2 - 13 | 4 | |
| 11 | Bushing, pivot | 15588-G1 | 4 | ||
| 12 | Washer | 00560-G5 | 5/8 | 2 | |
| 13 | Nut, lock | 14390-G7 | 5/8 - 11 | 2 | |
| 14 | Setscrew, square head | 00492-G6 | 1/4 - 20 x 1 3/4 LG | 2 | |
| 15 | Nut | 00544-G1 | 1/4 - 20 | 2 | |
| 16 | Screw | 00378-G4 | #10 - 24 x 1/2 LG | 4 | |
| 17 | Washer, lock | 00565-G5 | #10 | 4 | |
| 18 | Nut | 00526-G3 | #10 - 24 | 4 | |
| 19 | Nut,lock | 11081-G1 | 3/4 - 16 | 2 | |
| 20 | Washer | 00560-G6 | 3/4 | 4 | |
| 21 | Ring, adjuster | 17650-G1 | 2 | ||
| 22 | Hub and axle assembly | 17535-G1 | includes items 23 - 30 | 1 | |
| 23 | Nut | 00545-G8 | 3/4 - 16 | 4 | |
| 24 | Axle, front | 10223-G5 | 1 | ||
| 25 | Spacer, axle | 17536-G1 | 2 | ||
| 26 | Seal, grease | 19471-G1 | 2 | ||
| 27 | Bearing, race | 50908-G1 | 2 | ||
| 28 | Hub assembly | 19888-G1 | includes item 29 | 1 | |
| 29 | Bolt, hub | 19862-G1 | 1/2 - 20 | 4 | |
| 30 | Spacer, axle | 11655-G1 | 2 | ||
| 31 | Spacer | 13136-G1 | 1 | ||
| 32 | Bearing, roller | 11103-G1 | 2 | ||
| 33 | Washer, special | 10669-G3 | 1 | ||
| 34 | Nut, lock | 11098-G1 | 1 3/8 - 12 | 1 | |
| 35 | Retainer, axle nut | 18256-G1 | 2 | ||
| 36 | Shield | 15643-G1 | 1 |
Forward-Neutral-Reverse Switch
| Sl. No. | Part description | Part number | Notes | Quantity (3 wheel) | Quantity (4 wheel) | Purchase |
|---|---|---|---|---|---|---|
| 1 | Forward-neutral-reverse switch assembly | 25396-G1 | includes items 2-32 | 1 | 1 | |
| 2 | Contact board assembly | 14651-G1 | includes items 3-5 | 1 | 1 | |
| 3 | Stop | 24940-G1 | 2 | 2 | ||
| 4 | Washer,lock | 00565-G7 | 1/4 | 2 | 2 | |
| 5 | Screw | 00414-G7 | 1/4 - 20 x 3/4 LG | 2 | 2 | |
| 7 | Cam unit, forward-neutral-reverse switch | 12835-G1 | 1 | 1 | ||
| 8 | Shaft, forward-neutral-reverse switch | 19470-G1 | 1 | 1 | ||
| 9 | Washer | 00560-G1 | 3/8 | 1 | 1 | |
| 10 | Nut, lock | 14390-G1 | 3/8 - 24 | 1 | 1 | |
| 12 | Switch, micro | 10606-G4 | 2 | 2 | ||
| 13 | Screw | 00139-G6 | #6 - 32 x 1 3/4 LG | 4 | 4 | |
| 14 | Spacer, micro switch | 12806-G1 | 4 | 4 | ||
| 15 | Washer, lock | 00565-G3 | #6 | 4 | 4 | |
| 16 | Nut | 00525-G5 | #6 - 32 | 4 | 4 | |
| 18 | Buzzer | 17940-G2 | 1 | 1 | ||
| 19 | Screw | 00138-G5 | #6 - 32 x 5/8 LG | 2 | 2 | |
| 20 | Washer, lock | 00565-G3 | #6 | 2 | 2 | |
| 21 | Nut | 00525-G5 | #6 - 32 | 2 | 2 | |
| 23 | Bracket, mounting | 12863-G1 | 1 | 1 | ||
| 24 | Support, bracket mounting | 15461-G1 | 1 | 1 | ||
| 25 | Screw | 00414-G8 | 1/4 - 20 x 1 LG | 2 | 2 | |
| 26 | Washer | 00559-G7 | 1/4 | 2 | 2 | |
| 27 | Washer, lock | 00565-G7 | 1/4 | 2 | 2 | |
| 28 | Nut | 00532-G1 | 1/4 - 20 | 2 | 2 | |
| 30 | Screw, brass | 13514-G1 | #6 - 32 x .22 LG | 4 | 4 | |
| 31 | Faston tab | 14628-G1 | 4 | 4 | ||
| 32 | Washer, lock, external tooth | 00567-G3 | #6 | 4 | 4 | |
| 34 | Switch handle kit | 20325-G1 | includes items 35 and 36 | 1 | 1 | |
| 35 | Handle, plastic | 19886-G1 | 1 | 1 | ||
| 36 | Screw | 00740-G4 | #10 - 32 x 1/2 LG | 1 | 1 |
Four Wheel Front Suspension
| Sl. No. | Part description | Part number | Notes | Quantity (4 wheel) | Purchase |
|---|---|---|---|---|---|
| 1 | Front axle assembly | 24054-G3 | includes items 2-45 | 1 | |
| 2 | Axle | 23918-G1 | 1 | ||
| 3 | King pin | 25177-G2 | 2 | ||
| 8 | Bearing, thrust | 16982-G1 | 2 | ||
| 9 | Washer | 00879-G7 | 7/8 | 2 | |
| 10 | Nut, slotted | 00886-G1 | 5/8 - 18 | 2 | |
| 11 | Cotter pin | 10387-G1 | 1/4 x 1 1/2 LG | 2 | |
| 12 | Washer | 00879-G5 | 5/8 | 2 | |
| 14 | Spindle assembly, driver's side | 23925-G1 | includes items 15 - 18 | 1 | |
| 15 | Spindle, driver's side | * | 1 | ||
| 16 | Bearing, bronze | 16623-G1 | 2 | ||
| 17 | Grease fitting | 10389-G3 | 1 | ||
| 18 | Seal | 16626-G1 | 1 | ||
| 19 | Spindle assembly, passenger side | 23924-G1 | includes items 20 - 23 | 1 | |
| 20 | Spindle, passenger side | * | 1 | ||
| 21 | Bearing, bronze | 16623-G1 | 2 | ||
| 22 | Grease fitting | 10389-G3 | 1 | ||
| 23 | Seal | 16626-G1 | 1 | ||
| 25 | Hub assembly | 19932-G1 | includes items 26 and 27 | 2 | |
| 26 | Bolt, hub | 19862-G1 | 1/2 - 20 | 4 | |
| 27 | Race, bearing | * | 2 | ||
| 28 | Bearing and race assembly | 50892-G1 | includes items 29 and 30 | 2 | |
| 29 | Roller, bearing | 11750-G2 | 2 | ||
| 30 | Race, bearing | * | 2 | ||
| 31 | Nut, slotted | 12093-G1 | 1- 14 | 2 | |
| 32 | Cotter pin | 10387-G1 | 1/4 x 1 1/2 LG | 2 | |
| 33 | Seal | 19472-G1 | |||
| 34 | Tie rod assembly | 19202-G2 | includes items 35 - 45 | 1 | |
| 35 | Tie rod end assembly, L.H. thread | 20795-G1 | includes items 36 - 39 | 1 | |
| 36 | Nut | 18434-G1 | 9/16 - 18, L.H., thread | 1 | |
| 37 | Boot, rubber | 50641-G1 | 1 | ||
| 38 | Nut, slotted | 50209-G1 | 7/16 - 20 | 1 | |
| 39 | Cotter pin | 10387-G2 | 3/16 x 1 LG | 1 | |
| 40 | Tie rod end assembly, R.H., thread | 20795-G2 | includes items 41 - 44 | 1 | |
| 41 | Nut | 18434-G2 | 9/16 - 18, R.H., thread | 1 | |
| 42 | Boot, rubber | 50641-G1 | 1 | ||
| 43 | Nut, slotted | 50209-G1 | 7/16 - 20 | 1 | |
| 44 | Cotter pin | 10387-G2 | 3/16 x 1 LG | 1 | |
| 45 | Grease fitting | 10389-G3 | 2 | ||
| 47 | Tie rod assembly | 18377-G1 | includes items 48 - 58 | 1 | |
| 48 | Tir rod end assembly, L.H. thread | 20795-G1 | includes items 49 - 52 | 1 | |
| 49 | Nut | 18434-G1 | 9/16 - 18, L.H., thread | 1 | |
| 50 | Boot, rubber | 50641-G1 | 1 | ||
| 51 | Nut, slotted | 50209-G1 | 7/16 - 20 | 1 | |
| 52 | Cotter pin | 10387-G2 | 3/16 x 1 LG | 1 | |
| 53 | Tie rod end assembly, R.H., thread | 20795-G2 | includes items 54 - 57 | 1 | |
| 54 | Nut, 9/16 - 18, R.H. Thread | 18434-G2 | 1 | ||
| 55 | Boot, rubber | 50641-G1 | 1 | ||
| 56 | Nut, slotted | 50209-G1 | 7/16 - 20 | 1 | |
| 57 | Cotter pin | 10387-G2 | 3/16 x 1 LG | 1 | |
| 58 | Grease fitting | 10389-G3 | 2 | ||
| 59 | Idler assembly | 23929-G1 | includes items 60 and 61 | 1 | |
| 60 | Bushing, flanged | 15012-G1 | 2 | ||
| 61 | Grease fitting | 10389-G3 | 1 | ||
| 62 | Shaft, idler | 16417-G2 | 1 | ||
| 63 | Washer, wave type, spring | 13221-G1 | 1 | ||
| 64 | Cotter pin | 10387-G1 | 1/4 x 1 1/2 LG | 1 | |
| 65 | Retainer, spring | 15023-G2 | 2 | ||
| 66 | Screw, black | 00876-G4 | 3/8 - 16 x 1 1/2 LG | 8 | |
| 67 | Washer, lock, black | 00878-G1 | 3/8 | 8 | |
| 68 | Nut,black | 00877-G5 | 3/8 - 16 | 8 | |
| 69 | Retainer, spring | 15023-G2 | 2 | ||
| 70 | Nut | 00532-G5 | 3/8 -16 | 6 | |
| 71 | Washer, lock | 00566-G1 | 3/8 | 6 | |
| 72 | Screw | 00427-G8 | 3/8 - 16 x 2 LG | 6 | |
| 74 | Leaf spring | 24025-G1 | 2 leaf | 2 | |
| 75 | Leaf spring | 24065-G1 | 3 leaf | 2 | |
| 76 | Cap, spindle | 12091-G1 | 2 | ||
| 78 | Shock absorber | 15707-G1 | 2 | ||
| 79 | Washer | 10435-G1 | 13/ 32 | 8 | |
| 80 | Bushing, rubber | 10194-G1 | 8 | ||
| 81 | Nut | 00532-G6 | 3/8 - 24 | 4 | |
| 82 | Nut, lug | 14723-G1 | 1/2 - 20 | 8 |
Four Wheel Front Suspension – First Used for Model Year 1990
| Sl. No. | Part description | Part number | Notes | Quantity (4 wheel) | Purchase |
|---|---|---|---|---|---|
| 1 | Front axle assembly | 24054-G5 | includes items 2-45 | 1 | |
| 2 | Axle | 23918-G2 | 1 | ||
| 3 | King pin | 25177-G2 | 2 | ||
| 8 | Bearing, thrust | 16982-G1 | 2 | ||
| 9 | Washer | 00879-G7 | 7/8 | 2 | |
| 10 | Nut, slotted | 00886-G1 | 5/8 - 18 | 2 | |
| 11 | Cotter pin | 19060-G1 | 1/4 x 1 1/2 LG | 2 | |
| 12 | Washer | 00879-G5 | 5/8 | 2 | |
| 14 | Spindle assembly, driver's side | 23925-G1 | includes items 15 - 18 | 1 | |
| 15 | Spindle, driver's side | * | 1 | ||
| 16 | Bearing, bronze | 16623-G1 | 2 | ||
| 17 | Grease fitting | 10389-G3 | 1 | ||
| 18 | Seal | 16626-G1 | 1 | ||
| 19 | Spindle assembly, passenger side | 23924-G2 | includes items 20 - 23 | 1 | |
| 20 | Spindle, passenger side | * | 1 | ||
| 21 | Bearing, bronze | 16623-G1 | 2 | ||
| 22 | Grease fitting | 10389-G3 | 1 | ||
| 23 | Seal | 16626-G1 | 1 | ||
| 25 | Hub assembly | 19932-G1 | includes items 26 and 27 | 2 | |
| 26 | Bolt, hub | 19862-G1 | 1/2 - 20 | 4 | |
| 27 | Race, bearing | * | 2 | ||
| 28 | Bearing and race assembly | 50892-G1 | includes items 29 and 30 | 2 | |
| 29 | Roller, bearing | 11750-G2 | 2 | ||
| 30 | Race, bearing | * | 2 | ||
| 31 | Nut, slotted | 12093-G1 | 1- 14 | 2 | |
| 32 | Cotter pin | 00798-G8 | 1/4 x 1 1/2 LG | 2 | |
| 33 | Seal | 25146-G1 | 1 | ||
| 34 | Tie rod assembly | 19202-G1 | includes items 35 - 45 | 1 | |
| 35 | Tie rod end assembly,L.H. thread | 20795-G1 | includes items 36 - 39 | 1 | |
| 36 | Nut | 18434-G1 | 9/16 - 18, L.H., thread | 1 | |
| 37 | Boot, rubber | 50641-G1 | 1 | ||
| 38 | Nut, slotted | 50209-G1 | 7/16 - 20 | 1 | |
| 39 | Cotter pin | 10387-G2 | 3/16 x 1 LG | 1 | |
| 40 | Tie rod end assembly, R.H. thread | 20795-G2 | includes items 41 - 44 | 1 | |
| 41 | Nut | 18434-G2 | 9/16 - 18 R.H. thread | 1 | |
| 42 | Boot, rubber | 50641-G1 | 1 | ||
| 43 | Nut, slotted | 50209-G1 | 7/16 - 20 | 1 | |
| 44 | Cotter pin | 10387-G2 | 3/16 x 1 LG | 1 | |
| 45 | Grease fitting | 10389-G3 | 2 | ||
| 47 | Tie rod assembly | 18377-G1 | includes items 48 - 58 | 1 | |
| 48 | Tie rod end assembly,L.H. thread | 20795-G1 | Includes items 49 - 52 | 1 | |
| 49 | Nut | 18434-G1 | 9/16 - 18, L.H. thread | 1 | |
| 50 | Boot, rubber | 50641-G1 | 1 | ||
| 51 | Nut, slotted | 50209-G1 | 7/ 16 - 20 | 1 | |
| 52 | Cotter pin | 10387-G2 | 3/16 x 1 LG | 1 | |
| 53 | Tir rod end assembly, R.H. thread | 20795-G2 | includes items 54 - 57 | 1 | |
| 54 | Nut | 18434-G2 | 9/16 - 18 , R.H. thread | 1 | |
| 55 | Boot, rubber | 50641-G1 | 1 | ||
| 56 | Nut, slotted | 50209-G1 | 7/ 16 - 20 | 1 | |
| 57 | Cotter pin | 10387-G2 | 3/16 x 1 LG | 1 | |
| 58 | Grease fitting | 10389-G3 | 2 | ||
| 59 | Idler assembly | 23929-G1 | includes items 60 and 61 | 1 | |
| 60 | Bushing, flanged | 15012-G1 | 2 | ||
| 61 | Grease fitting | 10389-G3 | 1 | ||
| 62 | Shaft, idler | 16417-G2 | 1 | ||
| 63 | Washer, wave type, spring | 13221-G1 | 1 | ||
| 64 | Cotter pin | 10387-G1 | 1/4 x 1 1/2 LG | 1 | |
| 65 | Retainer, spring | 15023-G2 | 2 | ||
| 66 | Screw, black | 00876-G4 | 3/8 - 16 x 1 1/2 LG | 8 | |
| 67 | Washer, lock, black | 00878-G1 | 3/8 | 8 | |
| 68 | Nut, black | 00877-G5 | 3/8 - 16 | 8 | |
| 69 | Retainer, spring | 15023-G2 | 2 | ||
| 70 | Nut | 00532-G5 | 3/8 - 16 | 6 | |
| 71 | Washer, lock | 00566-G1 | 3/8 | 6 | |
| 72 | Screw | 00427-G6 | 3/8 - 16 x 2 LG | 6 | |
| 74 | Leaf spring | 24025-G1 | 2 leaf | 2 | |
| 75 | Leaf spring | 24065-G1 | 3 leaf | 2 | |
| 76 | Cap, spindle | 12091-G1 | 2 | ||
| 78 | Shock, absorber | 15707-G1 | 2 | ||
| 79 | Washer | 10435-G1 | 13/32 | 8 | |
| 80 | Bushing, rubber | 10194-G1 | 8 | ||
| 81 | Nut | 00532-G6 | 3/8 - 24 | 4 | |
| 82 | Nut, lug | 14723-G1 | 1/2 - 20 | 8 |
Front Shield Bumper and Shield
| Sl. No. | Part description | Part number | Notes | Quantity (4 wheel) | Purchase |
|---|---|---|---|---|---|
| 1 | Screw | 00427-G2 | 3/8 - 16 x 1 1/4 LG | 2 | |
| 2 | Washer | 00560-G1 | 3/8 | 2 | |
| 3 | Nut, lock | 11098-G5 | 3/8 - 16 | 2 | |
| 4 | Support, bumper | 23885-G1 | 2 | ||
| 5 | Screw | 00427-G2 | 3/8 - 16 x 1 1/4 LG | 2 | |
| 6 | Washer, lock | 00566-G1 | 3/8 | 2 | |
| 7 | Washer | 00560-G1 | 3/8 | 2 | |
| 8 | Nut, lock | 11098-G5 | 3/8 - 16 | 2 | |
| 10 | Bumper | 23876-G1 | 1 | ||
| 12 | Screw | 00427-G8 | 3/8 - 16 x 2 LG | 2 | |
| 13 | Washer, lock | 00566-G1 | 3/8 | 2 | |
| 14 | Washer | 00560-G1 | 3/8 | 2 | |
| 15 | Nut, lock | 11098-G5 | 3/8 - 16 | 2 | |
| 17 | Rail, bumper, driver's side | 23879-G1 | 1 | ||
| 18 | Rail, bumper, passenger side | 23879-G2 | 1 | ||
| 20 | Screw | 00427-G2 | 3/8 - 16 x 1 1/4 LG | 4 | |
| 21 | Washer, lock | 00566-G1 | 3/8 | 4 | |
| 22 | Nut, lock | 11098-G5 | 3/8 - 16 | 4 | |
| 24 | Shield | 23881-G1 | 1 | ||
| 25 | Screw | 00414-G8 | 1/4 - 20 x 1 LG | 2 | |
| 26 | Washer | 00559-G7 | 1/4 | 2 | |
| 27 | Washer, neoprene | 12905-G1 | 1/4 | 2 | |
| 28 | Nut, lock | 14390-G4 | 1/4 - 20 | 2 |
Front Shield
| Sl. No. | Part description | Part number | Notes | Quantity (4 wheel) | Purchase |
|---|---|---|---|---|---|
| 1 | Shield | 23881-G1 | 1 | ||
| 3 | Screw | 00414-G8 | 1/4 - 20 x 1 LG | 2 | |
| 4 | Washer | 00559-G7 | 1/4 | 2 | |
| 5 | Nut, lock | 14390-G4 | 1/4 - 20 | 2 | |
| 9 | Support, shield | 25054-G1 | 1 | ||
| 11 | Screw | 00258-G8 | 3/8 - 16 x 1 LG | 2 | |
| 12 | Washer | 005660-G1 | 3/8 | 2 | |
| 13 | Washer, lock | 00566-G1 | 3/8 | 2 | |
| 14 | Nut | 00532-G5 | 3/8 - 16 | 2 |
Fresh Air Intake System
| Sl. No. | Part description | Part number | Notes | Quantity (3 wheel) | Quantity (4 wheel) | Purchase |
|---|---|---|---|---|---|---|
| 1 | Air cleaner assembly | 23394-G1 | includes items 2-6 | 1 | 1 | |
| 2 | Canister | 23403-G1 | 1 | 1 | ||
| 3 | Element | 14416-G1 | 1 | 1 | ||
| 4 | Unloader, dust | 14417-G1 | 1 | 1 | ||
| 5 | Clamp, nylon | 17618-G1 | 1 | 1 | ||
| 6 | Gasket | 14418-G1 | 1 | 1 | ||
| 7 | Retainer | 18620-G1 | 1 | 1 | ||
| 8 | Adapter | 24536-G2 | 1 | 1 | ||
| 9 | Wing nut, lock | 14419-G1 | 1/4 - 20 | 1 | 1 | |
| 10 | Washer | 00559-G7 | 1/4 | 1 | 1 | |
| 11 | Rod | 18364-G1 | 1 | 1 | ||
| 12 | Nut, lock | 11027-G2 | 1/4 - 20 | 2 | 2 | |
| 14 | Clamp, hose | 11391-G1 | 1 | 1 | ||
| 15 | Hose, convoluted | 22335-G1 | 1 | 1 | ||
| 16 | Clamp, hose | 11391-G2 | 1 | 1 | ||
| 17 | Label, caution, air intake | 23658-G1 | 1 | 1 | ||
| 18 | Clamp, hose | 11391-G1 | 1 | 1 | ||
| 19 | Funnel, air inlet | 23379-G1 | 1 | 1 | ||
| 20 | Hose, convoluted | 23653-G1 | 9 RIBS | 1 | 1 | |
| 21 | Clamp, nylon | 17618-G1 | 2 | 2 | ||
| 22 | Box, air inlet | 23376-G1 | 1 | 1 | ||
| 23 | Gasket, neoprene | 23380-G1 | 1 | 1 | ||
| 24 | Nut, lock | 11027-G2 | 1/4 - 20 | 4 | 4 | |
| 25 | Label, air cleaner | 22592-G1 | 1 | 1 | ||
| 29 | Hose, convoluted | 23653-G1 | 2 RIBS, early 1989 | 1 | 1 |
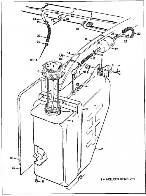
Fuel System – 1989 Early 1990
| Sl. No. | Part description | Part number | Notes | Quantity (3 wheel) | Quantity (4 wheel) | Purchase |
|---|---|---|---|---|---|---|
| 1 | Fuel tank assembly | 18293-G1 | includes items 2-4 | 1 | 1 | |
| 2 | Tank, fuel | 18166-G1 | 1 | 1 | ||
| 3 | Tube, siphon | 18287-G1 | 1 | 1 | ||
| 4 | Plug, pipe | 23551-G1 | 1 | 1 | ||
| 5 | Label, caution | 18695-G1 | 1 | 1 | ||
| 6 | Gauge, fuel | 14099-G2 | 1 | 1 | ||
| 7 | Screw | 00439-G1 | 5/16 - 18 x 1 1/8 LG | 2 | 2 | |
| 8 | Washer | 00559-G8 | 5/16 | 4 | 4 | |
| 9 | Washer, neoprene | 14091-G1 | 2 | 2 | ||
| 10 | Nut, lock | 11098-G6 | 5/16 - 18 | 2 | 2 | |
| 11 | Strap,fuel tank | 18302-G1 | 1 | 1 | ||
| 12 | Nut, lock | 14390-G4 | 1/4 - 20 | 1 | 1 | |
| 14 | Label, oil injection | 18698-G1 | 1 | 1 | ||
| 15 | Label, warning, fueling hazard | 18827-G1 | 1 | 1 | ||
| 17 | Clamp | 18292-G1 | 1 | 1 | ||
| 18 | Tubing, bulk | 17470-G1 | 6 1/4 LG | 1 | 1 | |
| 19 | Clamp | 18292-G1 | 1 | 1 | ||
| 20 | Filter, fuel | 12902-G1 | 1 | 1 | ||
| 21 | Clamp | 18292-G1 | 1 | 1 | ||
| 22 | Tubing, bulk | 17470-G1 | 2 3/4 LG | 1 | 1 | |
| 23 | Clamp | 18292-G1 | 1 | 1 | ||
| 24 | Line, fuel | 22555-G1 | 1 | 1 | ||
| 25 | Tubing, bulk | 17470-G1 | 2 | 2 | ||
| 26 | Retainer, fuel line | 18358-G1 | 2 | 2 | ||
| 27 | Rivet | 10570-G2 | 2 | 2 | ||
| 28 | Clamp | 18292-G1 | 1 | 1 | ||
| 29 | Tubing, bulk | 17470-G1 | 13.25 LG | 1 | 1 | |
| 30 | Clamp, hose | 11391-G4 | 1 | 1 | ||
| 31 | Trim, black | 22281-G9 | 1 | 1 | ||
| 32 | Shield, fuel tank | 19745-G1 | 1 | 1 | ||
| 33 | Strip, protective | 18970-G2 | 1 | 1 | ||
| 34 | Rivet | 15058-G1 | 1 | 1 | ||
| 36 | Pump, fuel | 24233-G1 | includes items 37 | 1 | 1 | |
| 37 | "O" ring, fuel pump | 14566-G1 | 1 | 1 | ||
| 38 | Insulator, fuel pump | 14430-G1 | 1 | 1 | ||
| 39 | Gasket, insulator | 14429-G1 | 1 | 1 | ||
| 40 | Screw | 24319-G1 | M6 x 1.00 x 28 mm LG | 2 | 2 | |
| 41 | Washer, lock, 6 mm | 51400-G1 | 2 | 2 | ||
| 42 | Washer, 6 mm | 51410-G1 | 2 | 2 | ||
| 44 | Clamp, hose | 11391-G4 | 1 | 1 | ||
| 45 | Tube, bulk | 17470-G1 | 3 1/4 LG | 1 | 1 | |
| 46 | Clamp | 18292-G1 | 1 | 1 | ||
| 47 | Filter | 23013-G1 | 1 | 1 | ||
| 48 | Clamp | 18292-G1 | 1 | 1 | ||
| 49 | Tube, bulk | 17470-G1 | 5 LG | 1 | 1 | |
| 50 | Clamp, hose | 11391-G4 | 1 | 1 | ||
| 52 | Carburetor, BV 18 - 15 | XXXX-XX | See section G for part number and quantity | |||
| 53 | Gasket, air intake | 22611-G1 | 1 | 1 | ||
| 54 | Adapter, air intake | 14147-G1 | 1 | 1 | ||
| 55 | Screw | 12547-G7 | M6 x 1.00 x 8 mm LG | 2 | 2 | |
| 56 | Washer | 00565-G7 | 1/4 | 2 | 2 | |
| 58 | Gasket, carburetor | 14031-G1 | 2 | 2 | ||
| 59 | Bracket, choke | 22375-G1 | 1 | 1 | ||
| 60 | Washer, 6 mm | 51410-G1 | 2 | 2 | ||
| 61 | Washer, lock, 6 mm | 51400-G1 | 2 | 2 | ||
| 62 | Nut, 6mm | 13632-G1 | 2 | 2 | ||
| 64 | Cable, choke | 22431-G1 | 1 | 1 | ||
| 65 | Washer, lock | 00568-G4 | 9/16 | 1 | 1 | |
| 66 | Nut | 00545-G4 | 9/16 - 18 | 1 | 1 | |
| 67 | Grommet | 23858-G1 | 1 | 1 | ||
| 68 | Support, choke cable | 24032-G1 | 1 | 1 | ||
| 69 | Grommet | 23858-G1 | 1 | 1 | ||
| 70 | Screw | 00414-G8 | 1/4 - 20 x 1 LG | 1 | 1 | |
| 72 | Washer, lock | 00565-G7 | 1/4 | 1 | 1 | |
| 73 | Nut | 00532-G1 | 1/4 - 20 | 1 | 1 | |
| 74 | Washer, lock | 00567-G8 | 5/16 | 1 | 1 | |
| 75 | Nut | 00544-G4 | 5/16 | 2 | 2 | |
| 76 | Clamp, cable kit | 51388-G1 | 1 | 1 |
Fuel System – Starting Late 1990
| Sl. No. | Part description | Part number | Notes | Quantity (3 wheel) | Quantity (4 wheel) | Purchase |
|---|---|---|---|---|---|---|
| 1 | Fuel tank assembly | 18293-G1 | includes items 2-4 | 1 | 1 | |
| 2 | Tank, fuel | 18166-G1 | 1 | 1 | ||
| 3 | Tube, siphon | 18287-G1 | 1 | 1 | ||
| 4 | Plug, pipe | 23551-G1 | 1 | 1 | ||
| 5 | Label, caution | 18695-G1 | 1 | 1 | ||
| 6 | Gauge, fuel | 14099-G2 | 1 | 1 | ||
| 7 | Screw | 00439-G1 | 5/16 - 18 x 1 1/8 LG | 2 | 2 | |
| 8 | Washer | 00559-G8 | 5/16 | 4 | 4 | |
| 9 | Washer, neoprene | 14091-G1 | 2 | 2 | ||
| 10 | Nut, lock | 11098-G6 | 5/16 - 18 | 2 | 2 | |
| 11 | Strap, fuel tank | 18302-G1 | 1 | 1 | ||
| 12 | Nut, lock | 14390-G4 | 1/4 - 20 | 1 | 1 | |
| 14 | Label, oil injection | 18698-G1 | 1 | 1 | ||
| 15 | Label, warning, fueling hazard | 18827-G1 | 1 | 1 | ||
| 17 | Clamp | 18292-G1 | 3 | 3 | ||
| 18 | Fuel pump and filter assembly | 25294-G1 | 1 | 1 | ||
| 19 | Filter, fuel, large | 12902-G1 | 1 | 1 | ||
| 20 | Filter, fuel, small | 23013-G1 | 1 | 1 | ||
| 21 | Tube, bulk | 17470-G1 | 6.25 LG | 1 | 1 | |
| 22 | Tube, bulk | 17470-G1 | 17.00 LG | 2 | 2 | |
| 23 | Pump, fuel | 25284-G1 | 1 | 1 | ||
| 24 | Tube, bulk | 17470-G1 | 13.25 LG | 1 | 1 | |
| 25 | Tube bulk pulse | 17470-G1 | 1 | 1 | ||
| 26 | Clamp, hose, spring | 18292-G1 | 5 | 5 | ||
| 27 | Clamp, hose | 11391-G4 | 2 | 2 | ||
| 28 | Nut, lock | 14390-G4 | 1/4 - 20 | 2 | 2 | |
| 29 | Rivet | 15058-G1 | 3/16 | 3 | 3 | |
| 30 | Clamp, cushioned | 25325-G1 | 4 | 4 | ||
| 31 | Screw | 00414-G8 | 1/4 - 20 x 3/4 LG | 2 | 2 | |
| 32 | Shield, fuel tank | 19745-G1 | 1 | 1 | ||
| 33 | Strip, protective | 18970-G2 | 1 | 1 | ||
| 34 | Rivet | 15058-G1 | 1 | 1 | ||
| 37 | Adapter, engine pulse | 25310-G1 | 1 | 1 | ||
| 38 | Adapter, pulse line | 1 | 1 | |||
| 39 | Brass fitting, multi barbed | 1 | 1 | |||
| 40 | Gasket, insulator | 25401-G1 | 1 | 1 | ||
| 43 | screw and washer | 24319-G1 | M6 x 1.00 x 28MM LG | 2 | 2 | |
| 44 | Washer, 6 MM | 51410-G1 | 2 | 2 | ||
| 52 | Carburetor, BV 18 - 15 | XXXX-XX | See section G for part number and quantity | |||
| 53 | Gasket, air intake | 22611-G1 | 1 | 1 | ||
| 54 | Adapter, air intake | 14147-G1 | 1 | 1 | ||
| 55 | Screw | 12547-G7 | M6 x 1.00 x 8 mm LG | 2 | 2 | |
| 56 | Washer | 00565-G7 | 1/4 | 2 | 2 | |
| 58 | Gasket, carburetor | 14031-G1 | 2 | 2 | ||
| 59 | Bracket, choke | 22375-G1 | 1 | 1 | ||
| 60 | Washer, 6mm | 51410-G1 | 2 | 2 | ||
| 61 | Washer, lock, 6 mm | 51400-G1 | 2 | 2 | ||
| 62 | Nut, 6 mm | 13632-G1 | 2 | 2 | ||
| 64 | Cable, choke | 22431-G1 | 1 | 1 | ||
| 65 | Washer, lock | 00568-G4 | 9/16 | 1 | 1 | |
| 66 | Nut | 00545-G4 | 9/16 - 18 | 1 | 1 | |
| 67 | Grommet | 23858-G1 | 1 | 1 | ||
| 68 | Support, choke cable | 24032-G1 | 1 | 1 | ||
| 69 | Grommet | 23858-G1 | 1 | 1 | ||
| 70 | Screw | 00414-G8 | 1/4 - 20 x 1 LG | 1 | 1 | |
| 72 | Washer, lock | 00565-G7 | 1/4 | 1 | 1 | |
| 73 | Nut | 00532-G1 | 1/4 - 20 | 1 | 1 | |
| 74 | Washer, lock | 00567-G8 | 5/16 | 1 | 1 | |
| 75 | Nut | 00544-G4 | 5/16 | 2 | 2 | |
| 76 | Clamp, cable kit | 51388-G1 | 1 | 1 |
Horn and Accessory Wiring
| Sl. No. | Part description | Part number | Notes | Quantity (4 wheel) | Purchase |
|---|---|---|---|---|---|
| 1 | Wiring harness | 22069-G1 | 1 | ||
| 2 | Clip, cable, insulated | 11845-G5 | 3 | ||
| 3 | Rivet, drive, plastic | 18436-G1 | 3 | ||
| 4 | Clamp, nylon | 17618-G1 | 5 | ||
| 5 | Hour meter kit | 19318-G2 | includes items 6 -9 | 1 | |
| 6 | Hour meter | 21573-G1 | Includes mounting hardware | 1 | |
| 7 | Bracket, hour meter | 18001-G1 | 1 | ||
| 8 | Screw | 00414-G4 | 1/4 - 20 x 1/ 2 LG | 2 | |
| 9 | Nut,lock | 11027-G2 | 1/4 - 20 | 2 | |
| 11 | Fuse, 15 AMP | 18392-G1 | hour meter | 1 | |
| 12 | Fuse block | 22674-G1 | 1 | ||
| 13 | Screw | 00138-G4 | #6 - 32 x 1/2 LG | 2 | |
| 14 | Washer, lock | 00565-G3 | #6 | 2 | |
| 15 | Nut | 00525-G5 | #6 - 32 | 2 | |
| 16 | Bracket, mounting, fuse block | 24602-G1 | 1989 gas vehicles only | 1 | |
| 17 | Nut, lock | 11027-G2 | 1/4 - 20 (1989 gas vehicles only) | 1 | |
| 18 | Switch, headlamp | 18431-G1 | 1 | ||
| 19 | Headlamp assembly | 20572-G1 | Spirit, includes items 20 - 23 | 2 | |
| 20 | Socket | * | 1 | ||
| 21 | Bulb | 22491-G1 | 1 | ||
| 22 | Lens, headlamp | * | 1 | ||
| 23 | Screw | 20607-G1 | #10 - 24 x 2 LG | 4 | |
| 24 | Fuse, 20 Amp | 18392-G2 | headlamps and taillights | 1 | |
| 26 | Headlamp | 23686-G1 | Requires item 27 for installation | 2 | |
| 27 | Screw | 00906-G6 | 10 - 16 x 1 LG | 2 | |
| 28 | Taillight assembly | 20642-G1 | 2 | ||
| 29 | Lens, taillight | 22000-G1 | 1 | ||
| 30 | Grommet | 21999-G1 | 1 | ||
| 31 | Bulb | 21759-G1 | 1 | ||
| 32 | Socket | 21998-G2 | 1 | ||
| 35 | Switch, horn | 22242-G1 | includes wires | 1 | |
| 36 | Rivet | 14601-G8 | 2 | ||
| 37 | Cover, steering column | 20961-G3 | without turn signals | 1 | |
| 38 | Horn | 32860-G1 | 1 | ||
| 39 | Screw | 00438-G6 | 5/16 - 18 x 3/4 LG | 1 | |
| 40 | Nut, lock | 11027-G1 | 5/16 - 18 | 1 | |
| 41 | Bracket, horn | 24617-G1 | 1 | ||
| 42 | Screw, stainless steel | 16705-G2 | 1/4 - 20 x 5/8 LG | 2 | |
| 43 | Nut, lock | 11027-G2 | 1/4 - 20 | 2 | |
| 44 | Clip, cable, insulated | 24676-G1 | 2 | ||
| 45 | Rivet | 10570-G2 | 2 | ||
| 46 | Wiring harness | 24605-G1 | 1 | ||
| 47 | Horn | 32860-G1 | 1 | ||
| 48 | Screw | 13437-G9 | 1/4 - 20 x 3/4 LG | 1 | |
| 49 | Nut, lock | 11027-G2 | 1/4 - 20 | 1 | |
| 50 | Switch, turn signal assembly | 17867-G1 | includes item 51 | 1 | |
| 51 | Flasher, turn signal | 21640-G1 | 1 | ||
| 52 | Screw | 00372-G4 | #8 - 32 x 1/2 LG | 1 | |
| 53 | Washer, lock | 00565-G4 | #8 | 1 | |
| 54 | Nut | 00526-G1 | #8 - 32 | 1 | |
| 55 | Cover, steering column | 20965-G3 | with turn signals | 1 | |
| 56 | Fuse, 20 AMP | 18392-G2 | turnsignals | 1 | |
| 57 | Tape, vinyl | 19344-G1 | AR | ||
| 60 | Turn signal assembly | 20570-G2 | includes items 61 - 66 | 2 | |
| 61 | Terminal, male | 18995-G1 | 1 | ||
| 62 | Turn signal, amber | 20574-G2 | includes items 63 - 66 | 1 | |
| 63 | Screw | * | 2 | ||
| 64 | Lens, turn signal | * | 1 | ||
| 65 | Bulb | 21760-G1 | 1 | ||
| 66 | Housing, turn signal | * | 1 | ||
| 67 | Washer, lock | 00563-G7 | 1/4 | 1 | |
| 68 | Wire, jumper | 20606-G1 | 1 | ||
| 69 | Nut, lock | 00532-G1 | 1/4 - 20 | 1 | |
| 73 | Meter kit, state of charge | 19197-G7 | Round, includes items 74 - 77 | 1 | |
| 74 | Meter, state of charge | 19714-G1 | 1 | ||
| 75 | Bracket | 18001-G1 | 1 | ||
| 76 | Screw | 00414-G4 | 1/4 - 20 x 1/2 LG | 2 | |
| 77 | Nut, lock | 11027-G2 | 1/4 - 20 | 2 | |
| 79 | Meter kit, state of charge | 19197-G3 | Square, includes items 80 - 85 | 1 | |
| 80 | Meter, state of charge | 19196-G2 | 1 | ||
| 81 | Screw | 00372-G5 | #8 - 32 x 5/8 LG | 2 | |
| 82 | Washer | 00559-G4 | #8 | 2 | |
| 83 | Washer, lock | 00565-G4 | #8 | 2 | |
| 84 | Nut | 00526-G1 | #8 - 32 | 2 |
Inner Frame and Powertrain Support
| Sl. No. | Part description | Part number | Notes | Quantity (3 wheel) | Quantity (4 wheel) | Purchase |
|---|---|---|---|---|---|---|
| 1 | Engine frame complete | 24714-G1 | includes item 2 and factory installed engine mounts | 1 | 1 | |
| 3 | Engine mount kit | 14580-G3 | includes items 4-8 | 1 | 1 | |
| 4 | Mount, isolation | * | 25 LB., yellow color coded | 2 | 2 | |
| 5 | Mount, isolation | * | 35 LB., plain | 2 | 2 | |
| 6 | Screw | 00156-G4 | #10 - 32 x 1/2 LG | 16 | 16 | |
| 7 | Washer, lock | 00565-G5 | #10 | 16 | 16 | |
| 8 | Nut | 00526-G4 | #10 - 32 | 16 | 16 | |
| 10 | Screw | 00428-G4 | 3/8 - 16 x 2 1/2 LG | 4 | 4 | |
| 11 | Washer, snubber | 16537-G1 | 8 | 8 | ||
| 12 | Washer | 00560-G1 | 3/8 | 2 | 2 | |
| 13 | Washer | 15121-G1 | 4 | 4 | ||
| 14 | Washer, lock | 00566-G1 | 3/8 | 4 | 4 | |
| 15 | Nut, lock | 00550-G5 | 3/8 - 16 | 4 | 4 | |
| 21 | Inner frame | 23579-G1 | 1989 only | 1 | 1 | |
| 22 | Inner frame | 24991-G1 | Frist used on 1990 vehicles | 1 | 1 | |
| 24 | Mount, isolation | 12302-G2 | 4 | 4 | ||
| 25 | Nut, lock | 00551-G1 | 1/2 - 13 | 2 | 2 | |
| 26 | Washer, lock | 00566-G3 | 1/2 | 2 | 2 | |
| 27 | Screw | 00405-G8 | 1/2 - 13 x 4 LG | 2 | 2 | |
| 30 | Screw | 00428-G6 | 3/8 - 16 x 2 3/4 LG | 4 | 4 | |
| 31 | Washer | 00560-G1 | 3/8 | 4 | 4 | |
| 32 | Nut, lock | 00550-G5 | 3/8 - 16 | 4 | 4 | |
| 35 | Bumper | 13728-G1 | 2 | 2 | ||
| 36 | Rivet | 14601-G1 | 2 | 2 | ||
| 37 | Washer | 00559-G5 | #10 | 2 | 2 | |
| 39 | Shock absorber assembly | 21780-G1 | includes item 40 | 2 | 2 | |
| 40 | Bushing, rubber | 21779-G1 | 2 | 2 | ||
| 41 | Washer | 00560-G5 | 5/8 | 4 | 4 | |
| 42 | Nut, lock | 00551-G5 | 5/8 - 11 | 2 | 2 | |
| 43 | Screw | 00428-G4 | 3/8 - 16 x 2 1/2 LG | 2 | 2 | |
| 44 | Washer, lock | 00566-G1 | 3/8 | 2 | 2 | |
| 45 | Nut, lock | 00550-G5 | 3/8 - 16 | 2 | 2 | |
| 46 | Spring, compression | 14095-G1 | 2 | 2 | ||
| 48 | Muffler | 22318-G1 | 1 | 1 | ||
| 49 | Pad, muffler | 24208-G1 | 1 | 1 | ||
| 50 | Muffler pan support assembly | 24697-G1 | includes items 51 - 54 | 1 | 1 | |
| 51 | Pan, muffler support | 22677-G1 | 1 | 1 | ||
| 52 | Strap, muffler | 24688-G1 | 2 | 2 | ||
| 53 | Angle, strap | 24687-G1 | 2 | 2 | ||
| 54 | Rivet | 00943-G1 | 4 | 4 | ||
| 55 | Screw | 00439-G2 | 5/16 - 18 x 1 1/4 LG | 2 | 2 | |
| 56 | Washer | 00642-G8 | 5/16 | 2 | 2 | |
| 57 | Nut, lock | 00892-G3 | 5/16 - 18 | 2 | 2 | |
| 59 | Bolt, carriage | 00764-G1 | 5/16 - 18 x 3/4 LG | 4 | 4 | |
| 60 | Spacer, lower | 25315-G1 | 2 | 2 | ||
| 61 | Nut, lock | 00892-G3 | 5/16 - 18 | 4 | 4 | |
| 64 | Bar, engine | 24680-G1 | 1 | 1 | ||
| 65 | Screw | 00929-G2 | 5/16 - 18 x 1 1/4 LG | 2 | 2 | |
| 66 | Washer | 00928-G1 | 5/16 | 4 | 4 | |
| 67 | Washer, lock | 00931-G2 | 5/16 - 18 | 2 | 2 | |
| 68 | Nut | 00930-G3 | 5/16 - 18 | 2 | 2 | |
| 70 | Screw | 00439-G2 | 5/16 - 18 x 1 1/4 LG | 2 | 2 | |
| 71 | Nut, lock | 00892-G3 | 5/16 - 18 | 2 | 2 |
Oil Injection
| Sl. No. | Part description | Part number | Notes | Quantity (3 wheel) | Quantity (4 wheel) | Purchase |
|---|---|---|---|---|---|---|
| 1 | Oil tank assembly | 24076-G1 | includes items 2-9 | 1 | 1 | |
| 2 | Tank, oil | 23838-G1 | 1 | 1 | ||
| 3 | Cap | 17430-G1 | 1 | 1 | ||
| 5 | Clamp | 18292-G1 | 3 | 3 | ||
| 6 | Tube, vinyl | 24889-G2 | 1/4 x 5 LG | 2 | 2 | |
| 7 | Filter | 23013-G1 | 1 | 1 | ||
| 9 | Sealant, 1 OZ | 24881-G2 | A/R | A/R | ||
| 10 | Screw | 00414-G5 | 1/4 - 20 x 5/8 LG | 2 | 2 | |
| 11 | Washer | 00642-G7 | 1/4 | 2 | 2 | |
| 12 | Nut, lock | 11027-G2 | 1/4 - 20 | 2 | 2 | |
| 14 | Clamp, hose | 18292-G1 | 1 | 1 | ||
| 16 | Oil pump kit | 23866-G1 | includes items 17 - 23 | 1 | 1 | |
| 17 | Oil pump assembly | 23865-G1 | includes item 18 | 1 | 1 | |
| 18 | "O" ring | 17415-G1 | 1 | 1 | ||
| 21 | Screw and captive washer | 24660-G1 | M8 x 30 mm LG | 1 | 1 | |
| 22 | Screw and captive washer | 24140-G1 | M5 x 20 mm LG | 1 | 1 | |
| 23 | Clamp, hose | 17359-G1 | 1 | 1 | ||
| 25 | Tube, vinyl | 17434-G3 | 1 | 1 | ||
| 26 | Clamp, hose | 17359-G1 | 1 | 1 | ||
| 27 | Valve, check | 17361-G1 | 1 | 1 | ||
| 28 | Gasket | 17363-G1 | 2 | 2 | ||
| 29 | Bolt, banjo | 17362-G1 | 1 | 1 | ||
| 32 | Nut, lock | 00925-G8 | #10 - 32 | 1 | 1 | |
| 34 | Ball | 24479-G1 | 2 | 2 | ||
| 36 | Adjusting rod assembly | 22587-G1 | includes items 37 - 39 | 1 | 1 | |
| 37 | Rod, adjusting | 22602-G1 | 5.88 LG | 1 | 1 | |
| 38 | Socket | 24465-G1 | 2 | 2 | ||
| 39 | Nut | 00526-G4 | #10 - 32 | 2 | 2 | |
| 41 | Pivot assembly | 24203-G1 | includes items 42 - 46 | 1 | 1 | |
| 42 | Pivot bracket | 22365-G1 | 1 | 1 | ||
| 43 | Bearing | 23860-G1 | 2 | 2 | ||
| 44 | Ball | 24479-G1 | 2 | 2 | ||
| 46 | Nut, lock | 00921-G8 | #10 - 32 | 2 | 2 | |
| 47 | Washer, spring | 24609-G1 | 1 | 1 | ||
| 48 | Washer, nylon | 24621-G1 | 5/16 | 3 | 3 | |
| 49 | Nut, lock | 00892-G4 | 5/16 - 24 | 1 | 1 | |
| 51 | Adjusting rod assembly | 22587-G2 | Includes items 52 - 54 | 1 | 1 | |
| 52 | Rod, adjusting | 22602-G2 | 8.80 LG | 1 | 1 | |
| 53 | Socket | 24465-G1 | 2 | 2 | ||
| 54 | Nut | 00526-G4 | #10 - 32 | 2 | 2 | |
| 56 | Oil tank assembly | 19666-G1 | includes items 57 and 58 | 1 | 1 | |
| 57 | Oil tank | 17401-G1 | 1 | 1 | ||
| 58 | Cap | 17430-G1 | 1 | 1 | ||
| 59 | Plug, hole | 23516-G1 | 1 | 1 | ||
| 60 | Clamp | 17433-G1 | 4 | 4 | ||
| 61 | Tube, vinyl | 17431-G3 | 1/4 x 10 LG | 1 | 1 | |
| 62 | FIlter | 23013-G1 | 1 | 1 | ||
| 63 | Tube, vinyl | 17431-G1 | 1/4 x 3 LG | 1 | 1 |
Rear Axle
| Sl. No. | Part description | Part number | Notes | Quantity (3 wheel) | Quantity (4 wheel) | Purchase |
|---|---|---|---|---|---|---|
| 1 | Rear axle, governor, and brake assembly, model year 1989 | 23601-G2 | includes items 3, 4, 6-64 | 1 | 1 | |
| 2 | Rear axle, governor, and brake assembly, model year 1990 | 25114-G2 | includes items 3, 5-64 | 1 | 1 | |
| 3 | Brake set | XXXXX-XX | See section NN for part number and quantity | |||
| 4 | Rear axle/governor assembly, model year 1989 | 23539-G2 | includes items 6-64 | 1 | 1 | |
| 5 | Rear axle/governor assembly, model year 1990 | 25113-G2 | includes items 6 - 64 | 1 | 1 | |
| 6 | Gear set | 24634-G1 | includes items 7-14 | 1 | 1 | |
| 7 | Input gear, governor and bearing assembly | * | includes items 8-11 | 1 | 1 | |
| 8 | Gear, input | * | 1 | 1 | ||
| 9 | Governor unit | * | 1 | 1 | ||
| 10 | Ball bearing, input gear | 23520-G1 | 1 | 1 | ||
| 11 | Ball bearing, input gear, clutch side | 23519-G1 | 1 | 1 | ||
| 13 | Gear, intermediate | * | 1 | 1 | ||
| 14 | Gear, output | * | 1 | 1 | ||
| 16 | Arm and bushing set | 24629-G1 | includes items 17 and 18 | 1 | 1 | |
| 17 | Actuator arm | 24630-G1 | 1 | 1 | ||
| 18 | Bushing | 24631-G1 | 1 | 1 | ||
| 19 | Seal, actuator arm | 25592-G1 | 1 | 1 | ||
| 20 | Washer, actuator arm | 24632-G1 | 1 | 1 | ||
| 21 | Ring, snap | 24633-G1 | 1 | 1 | ||
| 24 | Seal set | 24627-G1 | includes items 25-27 | 1 | 1 | |
| 25 | Seal, "O" ring, thick | * | 3 | 3 | ||
| 26 | Seal, "O" ring, thin | * | 3 | 3 | ||
| 27 | Seal, "O" ring | * | 2 | 2 | ||
| 29 | Ball bearing, intermediate gear | 23521-G1 | 2 | 2 | ||
| 30 | Ring, retaining | 23530-G1 | 3 | 3 | ||
| 31 | Plug, cap | 24461-G1 | 2 | 2 | ||
| 32 | Ball bearing, output gear | 17473-G1 | 2 | 2 | ||
| 34 | Differential assembly | 18463-G1 | 1 | 1 | ||
| 38 | Valve, vent, late 1989 and 1990 | 25229-G1 | 1 | 1 | ||
| 43 | Screw | 00433-G1 | 3/8 - 24 x 1 1/8 LG | 4 | 4 | |
| 44 | Nut | 00532-G6 | 3/8 - 24 | 4 | 4 | |
| 46 | Axle housing assembly | * | includes items 47 and 48 | 1 | 1 | |
| 47 | Retainer, bearing | * | 2 | 2 | ||
| 48 | Screw | 15118-G1 | 3/8 - 16 x 2 1/8 LG | 4 | 4 | |
| 50 | Washer | 25227-G1 | 1 | 1 | ||
| 51 | Plug, fill/check | 25226-G1 | 1 | 1 | ||
| 52 | Sealant | 20536-G1 | Enough for 1 application | 1 | 1 | |
| 53 | Cover | 25228-G1 | 1 | 1 | ||
| 54 | Screw | 15558-G1 | 5/16 - 18 x 3/4 LG | 10 | 10 | |
| 56 | Shaft, axle, passenger side | 20377-G7 | 1 | 1 | ||
| 57 | Shaft, axle, driver's side | 20377-G8 | 1 | 1 | ||
| 58 | Seal, axle | 15114-G1 | 2 | 2 | ||
| 59 | Ring, retaining | 15113-G1 | 4 | 4 | ||
| 60 | Ball bearing, axle | 15112-G1 | 2 | 2 | ||
| 61 | Washer, 20 mm | 15485-G1 | 2 | 2 | ||
| 62 | Washer, brake drum | 15487-G1 | 5/8 | 2 | 2 | |
| 63 | Nut, slotted | 15483-G1 | 5/8 - 18 | 2 | 2 | |
| 64 | Cotter pin | 10387-G1 | 1/8 x 1 1/2 LG | 2 | 2 | |
| 65 | Adapter, spindle cap, model 1990 | 24939-G1 | 1 | 1 | ||
| 67 | Governor bracket and arm assembly | 23602-G1 | includes items 68 - 80 | 1 | 1 | |
| 68 | Arm, governor | 23585-G1 | 1 | 1 | ||
| 69 | Governor bracket assembly | 22751-G2 | includes items 70 - 77 | 1 | 1 | |
| 70 | Rod, governor bracket | 22666-G1 | 1 | 1 | ||
| 71 | Bushing | * | 1 | 1 | ||
| 72 | Bracket, governor | 22752-G1 | 1 | 1 | ||
| 73 | Cap, spring | 15292-G1 | 2 | 2 | ||
| 74 | Spring, compression | 23578-G1 | 1 | 1 | ||
| 75 | Adjuster, governor | 23859-G1 | 1 | 1 | ||
| 76 | Bushing | * | 1 | 1 | ||
| 77 | Nut | 00526-G4 | #10 - 32 | 1 | 1 | |
| 78 | Ball | 24479-G1 | 1 | 1 | ||
| 79 | Nut, flex lock | 00921-G8 | #10 - 32 | 1 | 1 | |
| 80 | Nut, lock | 14390-G4 | 1/4 - 20 | 1 | 1 | |
| 82 | Washer, special | 23588-G1 | 1 | 1 | ||
| 83 | Spring, torsion | 23577-G1 | 1 | 1 | ||
| 84 | Washer, lock | 00567-G7 | 1/4 | 1 | 1 | |
| 85 | Nut | 00544-G2 | 1/4 - 28 | 1 | 1 | |
| 86 | Tube, pivot | 23584-G1 | 1 | 1 | ||
| 88 | Vent tube assembly, model year 1989 | 24502-G1 | includes items 89-92 | 1 | 1 | |
| 89 | Tube, vinyl | 17431-G5 | 1/4 I.D. (4 1/2 LG) | 1 | 1 | |
| 90 | Clamp, cable, insulated | 11845-G5 | 1 | 1 | ||
| 91 | Connector, female | 24466-G1 | 1 | 1 | ||
| 92 | Vent, valve | 24464-G1 | 1 | 1 | ||
| 93 | Fitting, plastic | 24878-G1 | 1 | 1 | ||
| 94 | Clamp | 17433-G2 | 1 | 1 | ||
| 95 | Adjusting rod assembly | 22587-G4 | includes items 96-98 | 1 | 1 | |
| 96 | Rod, adjusting | 22602-G4 | 1 | 1 | ||
| 97 | Socket | 24465-G1 | 2 | 2 | ||
| 98 | Nut | 00526-G4 | #10 - 32 | 2 | 2 | |
| 100 | Plug, pipe, late 89 models | 24459-G1 | 1 | 1 | ||
| 101 | Spindle cap, model year 1990 | 12091-G1 | 2 | 2 | ||
| 102 | Decal, warning - governor | 24880-G1 | 1 | 1 | ||
| 103 | Slide hammer kit | ** | NA | NA | ||
| 104 | Tool, seal installation | ** | NA | NA |
Seats and Bag Holder
| Sl. No. | Part description | Part number | Notes | Quantity (3 wheel) | Quantity (4 wheel) | Purchase |
|---|---|---|---|---|---|---|
| 1 | Back rest assembly, white | 24115-G2 | includes items 6, 11-14 | 2 | 2 | |
| 2 | Back rest assembly, oyster | 24115-G6 | includes items 7, 11-14 | 2 | 2 | |
| 3 | Back rest assembly, tan | 24115-G7 | includes items 8, 11-14 | 2 | 2 | |
| 4 | Back rest assembly, gray | 24115-G8 | includes items 9, 11-14 | 2 | 2 | |
| 6 | Cover, back rest cushion, white | 14371-G1 | 1 | 1 | ||
| 7 | Cover, back rest cushion, oyster | 14371-G4 | 1 | 1 | ||
| 8 | Cover, back rest cushion, tan | 14371-G5 | 1 | 1 | ||
| 9 | Cover, back rest cushion, gray | 14371-G8 | 1 | 1 | ||
| 11 | Cushion foam, back rest | 25433-G1 | 1 | 1 | ||
| 12 | Plywood seat back | 19226-G1 | 1 | 1 | ||
| 13 | Nut, tee | * | 2 | 2 | ||
| 14 | Staple, flat | * | 60 | 60 | ||
| 15 | Screw, self-tapping, stainless steel | 00924-G6 | #8 - 15 x 3/4 LG | 4 | 4 | |
| 16 | Cover, back rest, black | 19056-G3 | 2 | 2 | ||
| 17 | Screw, self-tapping, stainless steel | 00666-G6 | #10 - 16 x 3/4 LG | 4 | 4 | |
| 18 | Screw | 00414-G8 | 1/4 - 20 x 1 LG | 4 | 4 | |
| 19 | Screw, stainless steel | 00661-G8 | 1/4 - 20 x 1 LG, Freedom only | 4 | 4 | |
| 20 | Washer, lock | 00565-G7 | 1/4 | 4 | 4 | |
| 21 | Washer, lock, stainless steel | 00664-G7 | 1/4, freedom only | 4 | 4 | |
| 22 | Washer, lock | 00559-G7 | 1/4 | 4 | 4 | |
| 23 | Washer, stainless steel | 00660-G7 | 1/4, freedom only | 4 | 4 | |
| 24 | Screw, truss | 00763-G4 | 5/16 - 18 x 1 1/2 LG | 2 | 2 | |
| 25 | Screw, truss, stainless steel | 00762-G4 | 5/16 - 18 x 1 1/2 LG, Freedom only | 2 | 2 | |
| 26 | Seat back bracket and bag holder | 16924-G2 | 1 | 1 | ||
| 27 | Extrusion, vinyl | 14643-G2 | 1 | 1 | ||
| 28 | Strap, retainer | 15902-G1 | 1 | 1 | ||
| 29 | Anchor, plate | 16610-G1 | 1 | 1 | ||
| 30 | Rivet | 17226-G1 | 2 | 2 | ||
| 31 | Retainer, strap | 16920-G1 | 2 | 2 | ||
| 32 | Rivet, aluminum black | 15058-G1 | 4 | 4 | ||
| 33 | Nut, tee | 16935-G1 | 4 | 4 | ||
| 34 | Screw, lock | 00439-G6 | 5/16 - 18 x 1 3/4 LG | 4 | 4 | |
| 35 | Screw, lock, stainless steel | 00685-G7 | 5/16 - 18 x 1 3/4 LG, freedom only | 2 | 2 | |
| 36 | Nut, lock | 11027-G1 | 5/16 - 18 | 4 | 4 | |
| 37 | Nut, lock | 00891-G3 | 5/16 - 18, freedom only | 4 | 4 | |
| 38 | Screw | 00427-G4 | 3/8 - 18 x 1 1/2 LG | 2 | 2 | |
| 39 | Screw, stainless steel | 00665-G4 | 3/8 - 16 x 1 1/2 LG, freedom only | 2 | 2 | |
| 40 | Nut, lock | 11027-G5 | 3/8 - 16 | 2 | 2 | |
| 41 | Nut, lock | 00891-G5 | 3/8 - 16, freedom only | 2 | 2 | |
| 44 | Seat bottom assembly, white, electric vehicle | 24077-G2 | includes items 54, 59 - 66 | 1 | 1 | |
| 45 | Seat bottom assembly, oyster, electric vehicle | 24077-G6 | includes items 55, 59 - 66 | 1 | 1 | |
| 46 | Seat bottom assembly, tan, electric vehicle | 24077-G7 | includes items 56, 59-66 | 1 | 1 | |
| 47 | Seat bottom assembly, gray, electric vehicle | 24077-G8 | includes items 57-66 | 1 | 1 | |
| 49 | Seat bottom assembly, white, gasoline vehicle | 22460-G02 | includes items 54, 59-65, 68-75 | 1 | 1 | |
| 50 | Seat bottom assembly, oyster, gasoline vehicle | 22460-G06 | includes items 55, 59-65, 68-75 | 1 | 1 | |
| 51 | Seat bottom assembly, tan, gasoline vehicle | 22460-G07 | includes items 56, 59-65, 68-75 | 1 | 1 | |
| 52 | Seat bottom assembly, gray, gasoline vehicle | 22460-G08 | includes items 57, 59-65, 68-75 | 1 | 1 | |
| 54 | Cover, seat bottom cushion, white | 15146-G1 | 1 | 1 | ||
| 55 | Cover, seat bottom cushion, oyster | 15146-G2 | 1 | 1 | ||
| 56 | Cover, seat bottom cushion, tan | 15146-G3 | 1 | 1 | ||
| 57 | Cover, seat bottom cushion, gray | 15146-G4 | 1 | 1 | ||
| 59 | Cushion foam | 25432-G1 | 1 | 1 | ||
| 61 | Webbing | 11394-G1 | 1 | 1 | ||
| 62 | Trim, vinyl | 17113-G1 | 1 | 1 | ||
| 63 | Staple | * | 24 | 24 | ||
| 64 | Staple | * | 4 | 4 | ||
| 65 | Staple, flat | * | 110 | 110 | ||
| 66 | Soiling slab | 17074-G1 | 2 | 2 | ||
| 68 | Gasket, seat, front | 12727-G7 | Gas vehicle only | 1 | 1 | |
| 69 | Gasket, seat, rear | 17283-G1 | 1 | 1 | ||
| 70 | Staple | * | 71 | 71 | ||
| 72 | Plywood seat bottom | 12441-G2 | 1 | 1 | ||
| 74 | Shield, heat | 25588-G1 | 1 | 1 | ||
| 75 | Screw, self-tapping | 00114-G6 | 1/4 - 10 x 3/4 LG | 10 | 10 | |
| 77 | Bracket, seat hinge | 18250-G1 | 2 | 2 | ||
| 78 | Screw, self-tapping | 00114-G6 | 1/4 - 10 x 3/4 LG, gasoline vehicle | 4 | 4 |
Solid State Ignition
| Sl. No. | Part description | Part number | Notes | Quantity (3 wheel) | Quantity (4 wheel) | Purchase |
|---|---|---|---|---|---|---|
| 1 | Pulser assembly | 24518-G1 | includes items 2-9 | 1 | 1 | |
| 2 | Plate, coil | * | 1 | 1 | ||
| 3 | Coil, pulser | 17452-G1 | 1 | 1 | ||
| 4 | Wire, harness | 24508-G1 | 1 | 1 | ||
| 5 | Grommet | 24516-G1 | 1 | 1 | ||
| 6 | Clamp | 24520-G1 | 2 | 2 | ||
| 7 | Screw and captive washer | 17456-G1 | M4 x .70 x 3.5 mm LG | 1 | 1 | |
| 8 | Screw and captive washer | 17457-G1 | M4 x .70 x 10 mm LG | 2 | 2 | |
| 9 | Connector | 17459-G1 | 1 | 1 | ||
| 12 | Screw and captive washer | 16908-G1 | M5 x .80 x 16 mm LG | 2 | 2 | |
| 14 | Screw, flat head | 21968-G1 | M4 x .70 x 15 mm LG | 3 | 3 | |
| 15 | Rotor | 17458-G1 | 1 | 1 | ||
| 16 | Flywheel | 18457-G1 | 1 | 1 | ||
| 17 | Screw and captive washer | 21967-G1 | M6 x 1.00 x 9.5 mm LG | 2 | 2 | |
| 19 | Fan | 18458-G1 | 1 | 1 | ||
| 20 | Washer, lock | 18459-G1 | 2 | 2 | ||
| 22 | Bolt and captive washer | 12547-G2 | M6 x 1.00 x 16 mm LG | 6 | 6 | |
| 24 | Washer, lock | 16865-G1 | 1 | 1 | ||
| 25 | Nut | 16864-G1 | 1 | 1 |
Starter / Generator
| Sl. No. | Part description | Part number | Notes | Quantity (3 wheel) | Quantity (4 wheel) | Purchase |
|---|---|---|---|---|---|---|
| 1 | Starter/generator, complete | 16511-G1 | includes items 2-53, interchangeable with 16874-G1 | 1 | 1 | |
| 2 | Cover, rear | 16885-G1 | 1 | 1 | ||
| 3 | Terminal assembly, A | 16886-G1 | includes items 4 - 9 | 2 | 2 | |
| 4 | Terminal | * | 2 | 2 | ||
| 5 | Insulator | * | 2 | 2 | ||
| 6 | Insulator | * | 2 | 2 | ||
| 7 | Washer | * | 2 | 2 | ||
| 8 | Washer, lock | * | 4 | 4 | ||
| 9 | Nut | * | 4 | 4 | ||
| 11 | Cover kit, terminal | 16896-G1 | includes 4 rubber boots | 1 | 1 | |
| 12 | Brush holder | 16887-G1 | 1 | 1 | ||
| 13 | Screw | * | 4 | 4 | ||
| 14 | Wire, brush connection | 16890-G1 | 2 | 2 | ||
| 15 | Brush | 16888-G1 | 4 | 4 | ||
| 16 | Spring, brush | 16889-G1 | 4 | 4 | ||
| 17 | Screw | * | 2 | 2 | ||
| 18 | Ball bearing | 16876-G1 | 1 | 1 | ||
| 19 | Armature | 16875-G1 | 1 | 1 | ||
| 22 | Coil, field | 16880-G1 | 1 | 1 | ||
| 23 | Bushing assembly, insulating (DF) | 16882-G1 | includes items 24-27 | 1 | 1 | |
| 24 | Insulator | * | 1 | 1 | ||
| 25 | Washer | * | 1 | 1 | ||
| 26 | Washer, lock | * | 2 | 2 | ||
| 27 | Nut | * | 2 | 2 | ||
| 31 | Bushing assembly, insulating (F) | 16881-G1 | includes items 32-35 | 2 | 2 | |
| 32 | Insulator | * | 1 | 1 | ||
| 33 | Washer | * | 1 | 1 | ||
| 34 | Washer, lock | * | 2 | 2 | ||
| 35 | Nut | * | 2 | 2 | ||
| 36 | Screw, pole piece | 16883-G3 | 4 | 4 | ||
| 38 | Cover, front | 16884-G1 | 1 | 1 | ||
| 39 | Spacer | 16879-G1 | 1 | 1 | ||
| 40 | Ball bearing | 16877-G1 | 1 | 1 | ||
| 41 | Bearing holder | 16878-G1 | 1 | 1 | ||
| 42 | Screw | * | 3 | 3 | ||
| 44 | Through bolt | 16895-G1 | includes 45 and 46 | 2 | 2 | |
| 45 | Washer,lock | * | 2 | 2 | ||
| 46 | Washer | * | 2 | 2 | ||
| 47 | Cover, brush | 16894-G1 | 4 | 4 | ||
| 48 | Pulley | 16892-G1 | 1 | 1 | ||
| 49 | Washer, lock | * | 1 | 1 | ||
| 50 | Nut | * | 1 | 1 | ||
| 51 | Key | 16891-G1 | 1 | 1 | ||
| 53 | Pulley hardware kit | 16893-G1 | includes items 13,17,42,49 and 50 | 1 | 1 |
Steering
| Sl. No. | Part description | Part number | Notes | Quantity (3 wheel) | Quantity (4 wheel) | Purchase |
|---|---|---|---|---|---|---|
| 1 | Plate, scorecard holder assembly | 23650-G1 | includes items 2-5 | 1 | 1 | |
| 2 | Clip, scorecard | 23290-G1 | 1 | 1 | ||
| 3 | Spring, stainless steel | 18410-G1 | 2 | 2 | ||
| 4 | Screw, stainless steel | 18411-G1 | #6 - 18 x 3/4 LG | 2 | 2 | |
| 5 | Plate, scorecard holder | 23289-G1 | 1 | 1 | ||
| 6 | Screw, self-tapping | 18464-G1 | #8 x 7/8 LG | 2 | 2 | |
| 9 | Hub, cover extension | 23225-G1 | 1 | 1 | ||
| 11 | Wheel, steering | 23172-G1 | 1 | 1 | ||
| 12 | Nut, lock | 14390-G2 | 5/8 - 18 | 1 | 1 | |
| 13 | Steering unit assembly | 19152-G3 | vehicles with horn, includes items 15 - 57 | 1 | 1 | |
| 14 | Steering unit assembly | 19152-G1 | vehicles without horn, includes items 15 - 57 | 1 | 1 | |
| 15 | Steering, shaft assembly | 17163-G1 | includes items 16 - 20 | 1 | 1 | |
| 16 | Shaft, steering | * | 1 | 1 | ||
| 17 | Pin, dowel | * | 1/4 | 2 | 2 | |
| 18 | Coupling | * | 1 | 1 | ||
| 19 | Washer, thrust | * | 1 | 1 | ||
| 20 | Pinion, steering | * | 1 | 1 | ||
| 22 | Steering column unit | 19153-G2 | 1 | 1 | ||
| 23 | Grease fitting | * | 1 | 1 | ||
| 24 | Screw | 00444-G8 | 5/16 - 24 x 1 LG | 4 | 4 | |
| 25 | Washer, lock | 00565-G8 | 5/16 | 4 | 4 | |
| 27 | Sleeve | 17140-G1 | 1 | 1 | ||
| 28 | Bushing and seal | 17161-G1 | 1 | 1 | ||
| 32 | Washer, wave tape, spring | 51294-G1 | 2 | 2 | ||
| 34 | Gear, reduction | 23279-G1 | 1 | 1 | ||
| 35 | Washer, thrust | 13059-G2 | 1 | 1 | ||
| 37 | Gasket, housing | 19154-G1 | 1 | 1 | ||
| 38 | Clamp, nylon | 17618-G1 | 1 | 1 | ||
| 43 | Housing assembly | 13097-G1 | includes item 44 | 1 | 1 | |
| 44 | Cover, rack | 13570-G1 | 1 | 1 | ||
| 45 | Rack and rod assembly | 15407-G1 | includes items 48 - 57 | 1 | 1 | |
| 48 | Grease fitting | 18456-G1 | 90 | 1 | 1 | |
| 49 | Rubber boot, tie rod end | 50641-G1 | 1 | 1 | ||
| 53 | Bellows | 17617-G1 | 1 | 1 | ||
| 55 | Clamp, hose | 11391-G1 | 1 | 1 | ||
| 57 | Nut, slotted | 50209-G1 | 7/16 - 20 | 1 | 1 | |
| 58 | Cotter pin | 10387-G2 | 3/16 x 1 LG | 1 | 1 | |
| 59 | Screw, self-tapping | 00118-G2 | #6 - 18 x 1/4 LG | 1 | 1 | |
| 60 | Screw | 00276-G6 | 5/16 - 24 x 3/4 LG | 3 | 3 | |
| 61 | Washer, lock | 00565-G8 | 5/16 | 3 | 3 |
Wheel Brake
| Sl. No. | Part description | Part number | Notes | Quantity (3 wheel) | Quantity (4 wheel) | Purchase |
|---|---|---|---|---|---|---|
| 1 | Brake assembly, driver's side | 22997-G2 | includes items 2-8, 14-30 | 1 | 1 | |
| 2 | Backing plate, driver's side | 22518-G1 | 1 | 1 | ||
| 3 | Adjuster, driver's side | 23360-G1 | 1 | 1 | ||
| 4 | Lever assembly, driver's side | 23357-G1 | includes items 5-8 | 1 | 1 | |
| 5 | Spring | * | 1 | 1 | ||
| 6 | Retainer | * | 1 | 1 | ||
| 7 | Washer, shoulder | * | 1 | 1 | ||
| 8 | Spring, torsion, driver's side | 23536-G1 | 1 | 1 | ||
| 9 | Brake assembly, passenger side | 22997-G1 | includes items 10-30 | 1 | 1 | |
| 10 | Backing plate, passenger side | 22519-G1 | 1 | 1 | ||
| 11 | Adjuster, passenger side | 23361-G1 | 1 | 1 | ||
| 12 | Lever assembly, passenger side | 23358-G1 | includes items 5-7 and 13 | 1 | 1 | |
| 13 | Spring, torsin, passenger side | 23537-G1 | 1 | 1 | ||
| 14 | Adjuster body | 23363-G1 | 1 | 1 | ||
| 15 | Washer | 23382-G1 | 1 | 1 | ||
| 16 | Washer, thrust | 23362-G1 | 1 | 1 | ||
| 18 | Dust cover | 22511-G1 | 1 | 1 | ||
| 19 | Anchor block | 23356-G1 | 1 | 1 | ||
| 20 | Washer, lock | 00565-G1 | 1/4 | 2 | 2 | |
| 21 | Nut, 6 mm | 13632-G1 | 2 | 2 | ||
| 23 | Spring, brake, adjuster | 23359-G1 | 1 | 1 | ||
| 24 | Spring, brake, anchor | 17290-G1 | 1 | 1 | ||
| 25 | Spring, shoe, clamp | 17291-G1 | 2 | 2 | ||
| 26 | Pin, tension | 17292-G1 | 2 | 2 | ||
| 28 | Brake shoe set | 23364-G1 | includes items 29 and 30 | 1 | 1 | |
| 29 | Brake shoe, leading | * | 1 | 1 | ||
| 30 | Brake shoe, trailing | * | 1 | 1 | ||
| 33 | Bolt | 17083-G1 | 5/16 - 24 X 3/4 LG | 8 | 8 | |
| 34 | Nut,lock | 15126-G1 | 5/16 - 24 | 8 | 8 | |
| 37 | Washer | 15485-G1 | 51/64 | 2 | 2 | |
| 38 | Brake drum assembly | 19186-G1 | includes item 39 | 2 | 2 | |
| 39 | Lug bolt | 19862-G1 | 1/2 - 20 x 1 7/32 LG | 4 | 4 | |
| 43 | Washer | XXXXX-XX | See section CC for part number and quantity | |||
| 44 | Nut, slotted | XXXXX-XX | See section CC for part number and quantity | |||
| 45 | Cotter pin | XXXXX-XX | See section CC for part number and quantity |
Wheel Brake – First Used for Model Year 1990
| Sl. No. | Part description | Part number | Notes | Quantity (3 wheel) | Quantity (4 wheel) | Purchase |
|---|---|---|---|---|---|---|
| 1 | Brake assembly, passenger side | 22997-G2 | includes items 2-8, 14-30 | 1 | 1 | |
| 2 | Backing plate, passenger side | 22518-G1 | 1 | 1 | ||
| 3 | Adjuster, passenger side | 23360-G1 | 1 | 1 | ||
| 4 | Lever assembly, passenger side | 23357-G1 | includes items 5-8 | 1 | 1 | |
| 5 | Spring | * | 1 | 1 | ||
| 6 | Retainer | * | 1 | 1 | ||
| 7 | Washer, shoulder | * | 1 | 1 | ||
| 8 | Spring, torsion, passenger side | 23536-G1 | 1 | 1 | ||
| 9 | Brake assembly, driver's side | 22997-G1 | includes items 10 - 30 | 1 | 1 | |
| 10 | Backing plate, driver's side | 22519-G1 | 1 | 1 | ||
| 11 | Adjuster, driver's side | 23361-G1 | 1 | 1 | ||
| 12 | Lever assembly, driver's side | 23358-G1 | includes items 5-7 and 13 | 1 | 1 | |
| 13 | Spring, torsion, driver's side | 23537-G1 | 1 | 1 | ||
| 14 | Adjuster body | 23363-G1 | 1 | 1 | ||
| 15 | Washer | 23382-G1 | 1 | 1 | ||
| 16 | Washer, thrust | 23362-G1 | 1 | 1 | ||
| 18 | Dust cover | 22519G-1 | 1 | 1 | ||
| 19 | Anchor block | 23356-G1 | 1 | 1 | ||
| 20 | Washer, lock | 00565-G1 | 1/4 | 2 | 2 | |
| 21 | Nut | 13632-G1 | 6 mm | 2 | 2 | |
| 23 | Spring, brake, adjuster | 23359-G1 | 1 | 1 | ||
| 24 | Spring, brake, anchor | 17290-G1 | 1 | 1 | ||
| 25 | Spring, shoe,clamp | 17291-G1 | 2 | 2 | ||
| 26 | Pin, tension | 17292-G1 | 2 | 2 | ||
| 28 | Brake shoe set | 23364-G1 | includes items 29 and 30 | 1 | 1 | |
| 29 | Brake shoe, leading | * | 1 | 1 | ||
| 30 | Brake shoe, trailing | * | 1 | 1 | ||
| 33 | Bolt | 17083-G1 | 5/16 - 24 x 3/4 LG | 8 | 8 | |
| 34 | Nut, lock | 15126-G1 | 5/16 - 24 | 8 | 8 | |
| 37 | Washer | 15485-G1 | 51/64 | 2 | 2 | |
| 38 | Brake drum assembly | 19186-G1 | includes item 39 | 2 | 2 | |
| 39 | Lug bolt | 19862-G1 | 1/2 - 20 x 1 7/32 LG | 4 | 4 | |
| 43 | Washer | XXXXX-XX | See section CC for part number and quantity | |||
| 44 | Nut, slotted | XXXXX-XX | See section CC for part number and quantity | |||
| 45 | Cotter pin | XXXXX-XX | See section CC for part number and quantity |
Wheels and Tires
| Sl. No. | Part description | Part number | Notes | Quantity (3 wheel) | Quantity (4 wheel) | Purchase |
|---|---|---|---|---|---|---|
| 1 | 18 x 8.50 x 8 tire and wheel rim assembly, standard RIB | 15170-G1 | AR | AR | ||
| 2 | 18 x 8.50 x 8 tire, standard RIB | 11594-G1 | AR | AR | ||
| 3 | 18 x 8.50 x 8 tire and wheel rim assembly, softrac | 14697-G2 | AR | AR | ||
| 4 | 18 x 8.50 x 8 tire, softrac | 14697-G1 | AR | AR | ||
| 7 | 18 x 8.50 x 8 tire and wheel rim assembly, power RIB | 14728-G2 | AR | AR | ||
| 8 | 18 x 8.50 x 8 tire, power RIB | 14728-G1 | AR | AR | ||
| 9 | 18 x 8.50 x 8 tire and wheel rim assembly, terra guard | 20258-G1 | AR | AR | ||
| 10 | 18 x 8.50 x 8 tire, terra guard | 20259-G1 | AR | AR | ||
| 11 | Wheel rim, 1 piece 8.50/9.50 x 8, standard | 15169-G1 | included in items 1,3,7, and 9 | AR | AR | |
| 12 | Valve stem | 11657-G1 | included in items 1,3,7, and 9 | AR | AR | |
| 13 | 18 x 8.50 x 8 tire and wheel rim assembly, power RIB, white wall | 14728-G4 | AR | AR | ||
| 14 | 18 x 8.50 x 8 tire, power RIB, white wall | 14728-G3 | AR | AR |
Service Accessories and Special Tools
| Sl. No. | Part description | Part number | Notes | Quantity | Purchase |
|---|---|---|---|---|---|
| 1 | Ammeter | 16489-G2 | |||
| 2 | Dipstick, service | 23528-G1 | |||
| 3 | Puller, drive clutch | 19779-G2 | |||
| 4 | Puller, flywheel | 17086-G1 | |||
| 5 | Seal installation tool | 18739-G1 | Rear axle shaft seal | ||
| 6 | Slide hammer kit | 18753-G1 | Axle puller | ||
| 7 | Tool kit, metric | 14708-G1 | 244 cc engine, includes clutch puller | ||
| 8 | Volt OHM meter | 51020-G2 | VOM | ||
| 9 | Primer | 51130-G1 | Spray can | ||
| 10A | Gloss black | 50633-G1 | Spray can | ||
| 10B | Gloss black | 50633-G3 | Quarts | ||
| 10C | Gloss black | 50633-G4 | Gallons | ||
| 11A | Flat black | 15430-G1 | Spray can | ||
| 11B | Flat black | 15632-G1 | Quarts | ||
| 11C | Flat black | 15632-G2 | Gallons | ||
| 12A | Glenwood green | 50628-G1 | Spray can | ||
| 12B | Glenwood green | 50628-G3 | Quarts | ||
| 12C | Glenwood green | 50628-G4 | Gallons | ||
| 13A | Bimini blue | 50630-G1 | (mist blue) spray can | ||
| 13B | Bimini blue | 50630-G3 | (mist blue) Quarts | ||
| 13C | Bimini blue | 50630-G4 | (mist blue) Gallons | ||
| 14A | Arctic white | 50632-G1 | (Pure white) Spray can | ||
| 14B | Arctic white | 50632-G3 | (Pure white) Quarts | ||
| 14C | Arctic white | 50632-G4 | (pure white) Gallons | ||
| 15A | Pearl grey | 24643-G1 | (Georgia grey) Spray can | ||
| 15B | Pearl grey | 24643-G2 | (Georgia grey) Quarts | ||
| 15C | Pearl grey | 24643-G3 | (Georgia grey) gallons | ||
| 16A | Bright red | 24644-G1 | (Bulldog red) Spray can | ||
| 16B | Bright red | 24644-G2 | (Bulldog red) Quarts | ||
| 16C | Bright red | 24644-G3 | (Bulldog red) gallons | ||
| 17A | Frost beige | 20874-G1 | Spray can | ||
| 17B | Frost beige | 20874-G2 | Quarts | ||
| 17C | Frost beige | 20874-G3 | Gallons | ||
| 18A | Primer kit | 25555-G01 | High solids, Quarts | ||
| 18B | Primer kit | 25555-G02 | High solids, gallons | ||
| 19A | Glenwood green | 25556-G01 | High solids, Quarts | ||
| 19B | Glenwood green | 25556-G02 | High solids, gallons | ||
| 20A | Mist blue | 25556-G03 | High solids, Quarts | ||
| 20B | Mist blue | 25556-G04 | High solids, gallons | ||
| 21A | Bulldog red | 25556-G05 | High solids, Quarts | ||
| 21B | Bulldog red | 25556-G06 | High solids, gallons | ||
| 22A | White | 25556-G07 | High solids, Quarts | ||
| 22B | White | 25556-G08 | High solids, gallons | ||
| 23A | Georgia grey | 25556-G09 | High solids, Quarts | ||
| 23B | Georgia grey | 25556-G10 | High solids, gallons | ||
| 24A | Turf green | 25556-G11 | High solids, Quarts | ||
| 24B | Turf green | 25556-G12 | High solids, gallons | ||
| 25A | Frost beige | 25556-G13 | High solid, quarts | ||
| 25B | Frost beige | 25556-G14 | High solid, gallons | ||
| 26A | Black | 25556-G15 | High solids, Quarts | ||
| 26B | Black | 25556-G16 | High solids, gallons | ||
| 27A | Special colors | 25556-G17 | High solids, Quarts | ||
| 27B | Special colors | 25556-G18 | High solids, gallons |






















































