Coastal Fleet Series Golf Car
Accelerator
| Sl.No | Part Description | Part number | Notes | Quantity | Purchase |
|---|---|---|---|---|---|
| 1 | Pedal Box Assembly | 73333-G09 | includes items 3-19, 21, 23, 26 - 43 | 1 | |
| 2 | Pedal Box Assembly, PDS model only | 73333-G10 | includes items 3 - 17, 20 ,21, 21 - 43 | 1 | |
| 3 | Pedal Box And Cover | 25853-G01 | Seal and Bearing | 1 | |
| 4 | Inductive Throttle Sensor | 25854-G01 | 1 | ||
| 5 | Self Threading Nut | 00983-G01 | 3/16" | 2 | |
| 7 | Plunger | 602484 | 1 | ||
| 11 | Accelerator Rod | 73332-G01 | 1 | ||
| 12 | Nut | 00532-G4 | 5/16 - 24 | 1 | |
| 13 | Clevis Yoke | 10385-G4 | Adjustable | 1 | |
| 14 | Spring Retainer | 17677-G2 | 3/8" | 1 | |
| 15 | Compression Spring | 73046-G01 | 1 | ||
| 16 | Accelerator Rod Bushing | 17979-G1 | 1 | ||
| 17 | Spring Retainer | 17677-G1 | 1/2" | 1 | |
| 19 | Micro Switch | 25861-G01 | 1 | ||
| 20 | Micro Switch | 25861-G02 | PDS model only | 1 | |
| 21 | Screw | 01050-G01 | #4 - 14 x 5/8" LG | 2 | |
| 23 | Wiring Harness | 25879-G03 | Pedal Box Assembly | 1 | |
| 24 | Wiring Harness | 25879-G05 | Pedal Box Assembly, PDS model only | 1 | |
| 26 | Screw | 00684-G6 | #8 - 32 x 3/4" LG, Stainless Steel | 2 | |
| 28 | Accelerator Pedal Bracket | 70116-G02 | 1 | ||
| 29 | Screw | 01051-G01 | #8 - 16 x 1/2" LG | 4 | |
| 31 | Accelerator Pedal Assembly | 25799-G03 | includes itmes 32 - 35 | 1 | |
| 32 | Accelerator Pedal | * | 1 | ||
| 33 | Accelerator Pedal Pad Kit | 27844-G01 | includes items 34, 35 | 1 | |
| 34 | Accelerator Pedal Pad | 27512-G01 | 1 | ||
| 35 | Oval Rivet | 15766-G1 | 3/16" x 7/16" LG | 6 | |
| 37 | Nylon Bushing | 17838-G1 | 3 | ||
| 38 | Pedal Pivot Pin | 74432-G01 | 1 | ||
| 39 | Pushnut | 12064-G6 | 9/32" I.D. | 1 | |
| 41 | Clevis Pin | 10386-G3 | 5/16" x 13/16" LG | 1 | |
| 42 | Teflon Washer | 17255-G1 | 5/16" | 1 | |
| 43 | Cotter Pin | 10387-G3 | 3/32" x 3/4" LG | 1 | |
| 45 | Bolt | 00715-G2 | 5/16 - 18 x 4/5" LG | 4 | |
| 46 | Pedal Pivot Cover | 70135-G01 | 1 |
Battery Charger – Portable 36 Volt
| Sl.No | Part Description | Part number | Notes | Quantity | Purchase |
|---|---|---|---|---|---|
| 1 | Powerwise Charger | 28115-G01 | 10'Cord, includes items 3 - 63 | 1 | |
| 2 | Powerwise + Charger | 28115-G02 | Portable, 10' Cord, includes items 3-13, 18-63, 70-76 | 1 | |
| 3 | Chassis | * | 1 | ||
| 4 | Screw | 00513-G6 | #8 - 18 x 1 3/4" LG | 2 | |
| 5 | Washer | 00559-G4 | #8 | 2 | |
| 6 | Expansion Nut | 11572-G3 | 2 | ||
| 7 | Heat Sink | 28104-G01 | 1 | ||
| 8 | Screw | 00372-G4 | #8 - 32 x 1/2" LG | 4 | |
| 9 | Washer | 00559-G4 | #8 | 4 | |
| 10 | Lock washer | 00565-G4 | #8 | 4 | |
| 11 | Nut | 00526-G1 | #8 - 32 | 4 | |
| 12 | Diode | 28548-G01 | 1 | ||
| 13 | Electrical Clip | 28110-G01 | 1 | ||
| 15 | Label | * | Powerwise | 1 | |
| 16 | Control / Power input board | 28667-G01 | 1 | ||
| 18 | Cover | * | 1 | ||
| 19 | Handle | 28102-G01 | 1 | ||
| 20 | Screw | 00614-G4 | #8 - 18 x 1/2" LG | 6 | |
| 21 | Label | 28136-G01 | Ventilation | 1 | |
| 22 | Label | 28136-G02 | Cord Condition | 1 | |
| 24 | Capacitor Bracket | 26979-G01 | 1 | ||
| 25 | Capacitor | 28109-G01 | 1 | ||
| 26 | Screw | 00969-G01 | #8 - 32 x 3/5" LG | 3 | |
| 27 | Bolt | 00414-G5 | 1/4 - 20 x 5/8" LG | 3 | |
| 28 | Lock Nut | 11027-G2 | 1/4 - 20 | 3 | |
| 29 | AC Cord | 19388-G4 | 1 | ||
| 30 | Strain Relief | 13557-G2 | AC | 1 | |
| 31 | Strain Relief | 13557-G3 | DC | 1 | |
| 33 | DC Cord and Handle Assembly | 73345-G01 | includes items 34 - 43 | 1 | |
| 34 | Plug | 73051-G11 | Top Half | 1 | |
| 35 | Plug | 73051-G12 | Bottom Half | 1 | |
| 36 | Auxilary Contact | 73051-G27 | 1 | ||
| 37 | Male Pin | 73051-G14 | 2 | ||
| 38 | Screw | 73051-G08 | #10 - 32 x 1/2" LG (Brass) | 2 | |
| 39 | Magnet | 73051-G15 | 1 | ||
| 40 | Screw | 73051-G16 | #6 - 32 x 1/2" LG (Stainless Steel) | 2 | |
| 41 | Lock Nut | 73051-G10 | #6 - 32 | 4 | |
| 42 | Screw | 73051-G17 | #6 - 32 x 1" LG (Stainless steel) | 2 | |
| 43 | DC Cord | 73344-G01 | 10' LG | 1 | |
| 45 | Ammeter | 28105-G01 | 1 | ||
| 46 | Screw | 01051-G01 | #8 - 16 x 1/2" LG | 2 | |
| 47 | Washer | 00559-G4 | #8 | 2 | |
| 48 | Washer | 01003-G01 | #10 (Brass) | 4 | |
| 49 | Shoulder Washer | 22589-G2 | #10 | 1 | |
| 50 | Nylon Washer | 00771-G6 | 3/8" | 1 | |
| 51 | Nut | 00528-G4 | #10 - 32 (Brass) | 3 | |
| 52 | 50 AMP Fuse | 28106-G01 | 1 | ||
| 53 | Lock Washer | 00565-G5 | #10 | 4 | |
| 54 | Screw | 00378-G4 | #10 - 24 x 1/2" LG | 2 | |
| 55 | Nut | 00526-G3 | #10 - 24 | 2 | |
| 56 | Transformer | 28103-G01 | 1 | ||
| 57 | Spacer Support | 27877-G01 | 4 | ||
| 58 | Wire Tie | 17618-G1 | 2 | ||
| 60 | Screw | 00372-G3 | #8 - 32 x 3/8" LG | 1 | |
| 61 | 16 GA Wire | 25977-G32 | Green 4' | 1 | |
| 62 | Lock washer | 00565-G4 | #8 | 1 | |
| 63 | Nut | 00526-G1 | #8 - 32 | 1 | |
| 65 | Powerwise Charger | 28115-G07 | Portable, 18'Cord, includes items 3 -31, 45-63, 66, 67 | 1 | |
| 66 | DC Cord and Handle Assembly | 73345-G03 | includes items 34-42, 67 | 1 | |
| 67 | DC Cord | 73344-G03 | 18' LG | 1 | |
| 69 | Powerwise + Charger | 28115-G08 | Portable, 18'Cord, includes items 3-13, 18-31, 45-63, 66, 67, 70-76 | 1 | |
| 70 | Label | * | Powerwise + | 1 | |
| 71 | Control Board | 28667-G02 | 1 | ||
| 72 | Power Input Board | 28667-G03 | 1 | ||
| 74 | Screw | 01005-G01 | #6 - 19 x 5/16" LG | 3 | |
| 75 | Washer | 00559-G3 | #6 | 3 | |
| 76 | Support Spacer | 28111-G01 | 3 |
Body Front
table id=47 /]
Body Mid Section
| Sl.No | Part Description | Part number | Notes | Quantity | Purchase |
|---|---|---|---|---|---|
| 1 | Upper floorpan | 70662-G01 | 1 | ||
| 2 | Lower floorpan | 70451-G01 | 1 | ||
| 3 | Access cover | 70452-G01 | 1 | ||
| 4 | Rivet | 14601-G11 | 3/16" x 9/16" LG (Aluminum) | 16 | |
| 5 | Floormat | 70995-G01 | 1 | ||
| 9 | Seat frame | 70441-G01 | 1 | ||
| 10 | Bolt | 00715-G2 | 5/16 - 18 x 13/16" LG | 2 | |
| 12 | Battery pack | 70046-G02 | 1 | ||
| 13 | Bolt | 00715-G2 | 5/16 - 18 x 13/16" LG | 2 | |
| 14 | Bolt | 00438-G6 | 5/16 - 18 x 3/4" LG | 2 | |
| 15 | Washer | 00559-G8 | 5/16" | 2 | |
| 16 | Lock nut | 11098-G6 | 5/16 - 18 (Stainless steel) | 2 | |
| 17 | Screw | 70200-G01 | 3/8 - 16 x 3/4" LG | 2 | |
| 19 | Bracket | 70444-G02 | 1 | ||
| 20 | Bolt | 28272-G01 | 1/4 - 20 x 5/8" LG | 2 | |
| 21 | Washer | 01110-G01 | 1/4" (Stainless steel) | 2 | |
| 22 | Lock nut | 11027-G2 | 1/4 - 20 | 2 | |
| 24 | Splash panel | 70244-G03 | 2 | ||
| 25 | Bolt | 00715-G2 | 5/16 - 18 x 13/16" LG | 8 | |
| 28 | Fender liner | 71812-G01 | Passenger side | 1 | |
| 29 | Fender liner | 71812-G02 | Driver side | 1 | |
| 30 | Rivet | 16816-G2 | 1/4" x 3/4" LG | 8 |
Body Rear
| Sl.No | Part Description | Part number | Notes | Quantity | Purchase |
|---|---|---|---|---|---|
| 1 | Rear body | 71912-G0** | Without taillights, includes items 3, 4 | 1 | |
| 3 | Bagwell liner | 71318-G01 | 1 | ||
| 4 | Ratchet fastener | 16816-G1 | 1/4" x 9/16" LG | 26 | |
| 5 | Rivet | 10570-G10 | 5/32" x 9/16" LG (Stainless steel) | 6 | |
| 6 | Rivet | 10570-G12 | 1/4" x 9/16" LG (Aluminum) | 4 | |
| 7 | Rivet | 18436-G1 | 1/4" x 3/4" LG | 2 | |
| 11 | Fender scuffguard | 75126-G01 | Driver side | 1 | |
| 12 | Fender scuffguard | 75126-G02 | Passenger side | 1 | |
| 13 | Rivet | 16816-G2 | 1/4" x 3/4" LG | 8 | |
| 17 | Access panel | 71320-G01 | 1 | ||
| 18 | J' clip | 71364-G02 | 1 | ||
| 19 | Screw | 01107-G01 | #8 x 5/8" LG (Stainless steel) | 5 | |
| 23 | Seat hinge plate | 71609-G01 | 2 | ||
| 24 | Rivet | 10570-G11 | 3/16" x 3/4" LG (Stainless steel) | 4 | |
| 28 | Rear bumper | 71578-G01 | 1 | ||
| 29 | Washer | 00571-G2 | 5/16" | 4 | |
| 30 | Bolt | 71102-G01 | 1/4 - 20 x 3/4" LG | 4 | |
| 31 | Bumper plug | 71514-G01 | 4 | ||
| 32 | Rivet | 14601-G17 | 3/16" x 9/16" LG (Aluminum) | 4 | |
| 36 | Rocker panel | 71501-G01 | Passenger side | 1 | |
| 37 | Rocker panel | 71502-G01 | Driver side | 1 | |
| 38 | Rivet | 15058-G6 | 3/16" x 15/16" LG (Aluminum) | 4 | |
| 42 | Sill plate | 71507-G01 | Passenger side | 1 | |
| 43 | Sill plate | 71507-G02 | Driver side | 1 | |
| 44 | Screw | 16705-G1 | 1/4 - 20 x 1" LG (Stainless steel) | 4 | |
| 45 | Spacer | 23726-G4 | 5/16" | 4 | |
| 46 | Lock Nut | 14390-G04 | 1/4 - 20 (Stainless steel) | 4 | |
| 50 | Label | 73330-G01 | Precision drive system | AR | |
| 54 | Label | * | Serial number | 1 | |
| 55 | Label | 74755-G01 | E-Shield | 1 | |
| 58 | Hole plug | 71316-G01 | Dash mounted direction selector switch only | 1 |
Body Accessories
| Sl.No | Part Description | Part number | Notes | Quantity | Purchase |
|---|---|---|---|---|---|
| 1 | Sand bottle divot repair kit | 28661-G01 | includes items 2 - 4 | 1 | |
| 2 | Bolt | 71102-G01 | 1/4 - 20 x 3/4" LG | 1 | |
| 3 | Sand bottle holder | 28660-G01 | 1 | ||
| 4 | Sand bottle | 28659-G01 | 1 | ||
| 7 | Basket divot repair kit | 23300-G01 | includes scoop | 1 | |
| 10 | Side basket kit | 75007-G02 | Includes items 11 - 13 | 1 | |
| 11 | Side Basket | 75460-G01 | 1 | ||
| 12 | Bolt | 71102-G01 | 1/4 - 20 x 3/4" LG | 3 | |
| 13 | Flat washer | 00793-G2 | 1/4" (Stainless steel) | 3 | |
| 16 | Center basket kit | 75003-G02 | includes items 17 - 20 | 1 | |
| 17 | Center basket | 75461-G01 | 1 | ||
| 18 | Bolt | 71102-G01 | 1/4 - 20 x 3/4" LG | 2 | |
| 19 | Flat washer | 00793-G2 | 1/4" (Stainless steel) | 2 | |
| 20 | Screw | 01105-G01 | #10 x 5/8" LG (Stainless Steel) | 2 |
Body Accessories
| Sl.No | Part Description | Part number | Notes | Quantity | Purchase |
|---|---|---|---|---|---|
| 1 | Massage holder | 75509-G01 | One piece | 1 | |
| 2 | Message holder | 75496-G01 | 1 | ||
| 5 | Cooler jug and bracket kit | 75495-G01 | 1 | ||
| 6 | Box cooler and bracket kit | 75344-G01 | 1 | ||
| 9 | Rake holder | 25885-G01 | 1 | ||
| 10 | Square head bolt | 00989-G6 | 1/4 - 20 x 3/4" LG | 2 | |
| 11 | Lock nut | 11027-G2 | 1/4 - 20 | 2 | |
| 12 | Rake | 14735-G1 | 1 | ||
| 16 | Ash tray kit | 75109-G02 | includes items 17 - 20 | 1 | |
| 17 | Ash tray | 27731-G01 | 1 | ||
| 18 | Gasket | 27736-G01 | 1 | ||
| 19 | Bracket | 75108-G02 | 1 | ||
| 20 | Screw | 00100-G4 | #10 - 16 x 1/2" LG | 4 |
Brakes
| Sl.No | Part Description | Part number | Notes | Quantity | Purchase |
|---|---|---|---|---|---|
| 1 | Brake pedal assembly | 70612-G02 | Without brake lights, includes items 2, 10 | 1 | |
| 2 | Torsion spring | 70681-G01 | 2 | ||
| 3 | Pivot pin | 70682-G01 | 1 | ||
| 4 | Pushnut | 01071-G01 | 5/16" | 2 | |
| 5 | Brake pedal | * | 1 | ||
| 6 | Park brake pedal | 70611-G02 | 1 | ||
| 7 | Brake/Park brake pedal pad kit | 70274-G01 | includes items 8 - 10 | 1 | |
| 8 | Service brake pad | * | 1 | ||
| 9 | Park brake pedal pad | * | 1 | ||
| 10 | Oval rivet | 15766-G1 | 3/16" x 7/16" LG | 9 | |
| 12 | Shoulder bolt | 70582-G01 | 3/8 - 16 x 4" LG (Stainless steel) | 1 | |
| 13 | Flanged bushing | 70581-G01 | 2 | ||
| 14 | Torsion spring | 70676-G01 | 1 | ||
| 15 | Washer | 00643-G1 | 3/8" | 1 | |
| 16 | Lock nut | 11098-G5 | 3/8 - 16 | 1 | |
| 18 | Compensator assembly | 70272-G04 | includes items 19, 20 | 1 | |
| 19 | Spherical nut | 00963-G01 | 5/16 - 24 | 1 | |
| 20 | Lock nut | 11098-G9 | 5/16 - 24 | 1 | |
| 22 | Equalizer and brake cable assembly | 70969-G03 | includes items 23 - 26 | 1 | |
| 23 | Equalizer bracket | 28082-G01 | 1 | ||
| 24 | Brake compensator bumper | 28083-G01 | 2 | ||
| 25 | Brake cable | * | Driver side | 1 | |
| 26 | Brake cable | * | Passenger side | 1 | |
| 28 | Retaining ring | 01111-G01 | 4/5" (Stainless steel) | 4 | |
| 30 | Clevis pin | 10386-G3 | 5/16" x 13/16" LG | 1 | |
| 31 | Cotter pin | 10387-G3 | 3/32" x 3/4" LG | 3 | |
| 32 | Clevis pin | 14443-G2 | 5/16" x 5/8" LG | 2 | |
| 34 | Kick-off link | 70601-G01 | 1 | ||
| 35 | Nylon bushing | 17838-G1 | 2 | ||
| 36 | Teflon washer | 20835-G1 | 3/8" | 2 | |
| 37 | Washer | 00559-G8 | 5/16" | 2 | |
| 38 | Cotter pin | 10387-G3 | 3/32" x 3/4" LG | 2 | |
| 39 | Kick-off cam pivot | 70098-G01 | 1 | ||
| 40 | Flanged bearing | 10097-G6 | 2 | ||
| 41 | Kick-off cam | 70587-G01 | 1 | ||
| 42 | Setscrew | 71215-G01 | 1/4 - 20 x 1/2" LG | 2 | |
| 43 | Spacer | 14134-G4 | 1 | ||
| 45 | Adjust able bumper | 70113-G01 | 1 | ||
| 46 | Lock nut | 11027-G1 | 5/16 - 18 | 1 | |
| 48 | Catch bracket | 70080-G02 | 1 | ||
| 49 | Bolt | 00414-G6 | 1/4 - 20 x 3/4" LG | 2 | |
| 50 | Lock nut | 00891-G2 | 1/4 - 20 (Stainless Steel) | 2 | |
| 53 | Brake assembly | 70998-G01 | Driver side, includes items 55 - 63, 65, 66 | 1 | |
| 54 | Brake assembly | 70998-G02 | Passenger side, includes items 55 - 62, 64 - 66 | 1 | |
| 55 | Brake shoe kit | 70794-G01 | includes item 56 | 2 | |
| 56 | Brake shoe | * | 2 | ||
| 57 | Brake spring kit | 27944-G01 | includes items 58 - 62 | 2 | |
| 58 | upper spring | * | 1 | ||
| 59 | Lower spring | * | 1 | ||
| 60 | Pin | * | 2 | ||
| 61 | Cup and spring | * | 2 | ||
| 62 | Adjuster spring | * | 1 | ||
| 63 | Brake adjuster kit | 72582-G01 | Driver side, includes items 65, 66 | ||
| 64 | Brake adjuster kit | 72582-G02 | Passenger side, includes items 65, 66 | 1 | |
| 65 | Adjuster | * | 1 | ||
| 66 | Teflon washer | * | 2 | ||
| 67 | Bolt | 17083-G2 | 5/16 - 24 x 1" LG | 8 | |
| 68 | Lock nut | 15126-G2 | 5/16 - 24 | 8 | |
| 69 | Washer | 15485-G1 | 13/16" | 2 | |
| 71 | Brake drum assembly | 19186-G1 | includes items 72 - 73 | 2 | |
| 72 | Brake drum | * | 1 | ||
| 73 | Lug bolt | 19862-G1 | 1/2 - 20 x 1 3/16" LG | 4 | |
| 76 | Washer | 15487-G1 | 1 3/8" O.D. x 21/32" | 2 | |
| 77 | Castellated nut | 15483-G1 | 5/8 - 18 | 2 | |
| 78 | Cotter pin | 10387-G1 | 1/8" x 1 1/2" LG | 2 | |
| 79 | Spindle cap | 74175-G01 | 2 | ||
| 81 | Brake cable bracket | 72036-G03 | Passenger side | 1 | |
| 82 | Brake cable bracket | 72036-G04 | Driver side | 1 |
Direction selector
| Sl.No. | Part Description | Part Number | Notes | Quantity | Purchase |
|---|---|---|---|---|---|
| 1 | Direction selector handle | 71205-G01 | 1 | ||
| 2 | Screw | 00740-G4 | #10 - 32 x 1/2" LG (Stainless steel) | 1 | |
| 3 | Direction selector shaft | 70233-G01 | 1 | ||
| 4 | Bushing | 25664-G2 | 1 | ||
| 5 | Offset shift linkage arm | 70334-G01 | 1 | ||
| 6 | Linkage rod | 70313-G01 | 1 | ||
| 7 | Shift linkage arm | 70232-G03 | 1 | ||
| 8 | Bushing | 22754-G3 | 2 | ||
| 9 | Lock nut | 14390-G1 | 3/8 - 24 | 2 | |
| 11 | Direction selector cover | 73049-G01 | 1 | ||
| 12 | Screw | 00114-G6 | 1/4 - 14 x 3/4" LG | 1 | |
| 13 | Washer | 16469-G1 | 1/4" | 1 | |
| 15 | Bolt | 00438-G6 | 5/16 - 18 x 3/4" LG | 2 | |
| 16 | Washer | 00571-G2 | 5/16" (Stainless steel) | 2 | |
| 17 | lock nut | 11098-G6 | 5/16 - 18 (Stainless steel) | 2 | |
| 19 | Direction selector assembly | 70578-G02 | includes items 20 - 50 | 1 | |
| 20 | Direction selector shaft | 73027-G01 | 1 | ||
| 21 | Cam | 12835-G1 | 1 | ||
| 22 | Micro switch | 10606-G2 | 2 | ||
| 23 | Screw | 00645-G7 | #6 - 32 x 2" LG | 4 | |
| 24 | Cover bracket | 73048-G01 | 1 | ||
| 25 | Lock washer | 00565-G3 | #6 | 6 | |
| 26 | Push on male terminal | 14628-G1 | 3 | ||
| 27 | Nut | 00525-G5 | #6 - 32 | 6 | |
| 28 | Screw | 00645-G5 | #6 - 32 x 5/8" LG | 2 | |
| 29 | Spacer | 12806-G1 | 4 | ||
| 30 | Washer | 00560-G1 | 3/8" | 1 | |
| 31 | Lock nut | 14390-G1 | 3/8 - 24 | 1 | |
| 32 | 18 GA wire | 25978-G37 | red 4" | 1 | |
| 33 | Screw | 13514-G1 | 4 | ||
| 34 | Lock washer | 00567-G3 | #6 | 4 | |
| 35 | 18 GA wire | 25978-G343 | Red 6" | 1 | |
| 36 | Bolt | 00414-G8 | 1/4 - 20 x 1" LG (Stianless steel) | 2 | |
| 37 | Washer | 00559-G7 | 1/4" (Stainless steel) | 4 | |
| 38 | Lock washer | 00565-G7 | 1/4" (Stainless steel) | 2 | |
| 39 | Nut | 00532-G1 | 1/4 - 20 | 2 | |
| 40 | Support bracket | 15461-G1 | 1 | ||
| 41 | Direction selector mounting bracket | 73031-G02 | 1 | ||
| 42 | Reverse warning buzzer | 73290-G02 | Continuous tone | 1 | |
| 44 | Contact board assembly | 14651-G1 | includes items 45 - 50 | 1 | |
| 45 | Stop | 24940-G1 | 2 | ||
| 46 | Lock washer | 00565-G7 | 1/4" (Stainless steel) | 2 | |
| 47 | Bolt | 00414-G6 | 1/4 - 20 x 3/4" LG | 2 | |
| 48 | Contact stud | 18888-G1 | 5/16 - 18 | 4 | |
| 49 | Lock washer | 00565-G8 | 5/16" | 4 | |
| 50 | Nut | 00544-G3 | 5/16 - 18 | 4 |
Electrical system
| Sl.No. | Part Description | Part Number | Notes | Quantity | Purchase |
|---|---|---|---|---|---|
| 1 | 6 Volt battery | XXXXX-GXX | 6 | ||
| 4 | Hold down bolt | 01101-G01 | Stainless steel | 2 | |
| 5 | Battery retainer | 70045-G01 | 1 | ||
| 6 | Lock nut | 11027-G1 | 5/16 - 18 | 2 | |
| 7 | 4 GA wire | 607651 | Green 10" | 1 | |
| 8 | 4 GA wire | 607590 | Green 7" | 5 | |
| 9 | Nut | 00702-G2 | 5/16 - 18 | 12 | |
| 13 | Charger receptacle assembly | 73063-G01 | includes items 14 - 23 | 1 | |
| 14 | Receptacle cover | * | 1 | ||
| 15 | Receptacle bottom | * | 1 | ||
| 16 | Female connector | 73051-G05 | 2 | ||
| 17 | Insulator sleeve | 73051-G06 | 1 | ||
| 19 | Screw | 73051-G08 | #10 - 32 x 1/2" LG (Brass) | 2 | |
| 20 | Screw | 73051-G09 | #6 - 32 x 1 3/4" LG (Stainless steel) | 3 | |
| 21 | Lock nut | 73051-G10 | #6 - 32 | 3 | |
| 22 | Wire harness | * | Charger | 1 | |
| 23 | Wire tie | 17618-G1 | 2 | ||
| 27 | Rivet | 71055-G01 | 3/16" x 1" LG (Aluminum) | 4 | |
| 28 | Wire tie | 17618-G1 | 3 | ||
| 32 | Cable clamp | 27327-G02 | 1 | ||
| 33 | Rivet | 10570-G11 | 3/16" x 3/4" LG (Stainless steel) | 1 | |
| 34 | Wire tie | 17618-G1 | 8 | ||
| 38 | Lock washer | 00993-G01 | 5/16" (Silicon bronze) | AR | |
| 39 | Nut | 28418-G01 | 5/16 - 18 (Brass) | AR | |
| 40 | Lock washer | 00993-G02 | 1/4" (Silicon bronze) | 2 | |
| 41 | Nut | 28418-G02 | 1/4 - 20 (Brass) | 2 | |
| 45 | Fuse block | 22674-G1 | 1 | ||
| 46 | Rivet | 01041-G01 | 1/8" x 13/16" LG | 2 | |
| 47 | 15 AMP fuse | 18392-G1 | AR | ||
| 51 | Key switch kit | 17421-G1 | W/o lights - standard - with hardware | 1 | |
| 52 | Key swith | 17955-G1 | Without lights - non standard | 1 | |
| 55 | Lock washer | 00568-G6 | 3/4" | 1 | |
| 56 | Face nut | 17137-G1 | 3/4 - 20 | 1 | |
| 57 | Key | 17063-G1 | Set | 1 |
Electrical system – Series
| Sl.No | Part Description | Part Number | Notes | Quantity | Purchase |
|---|---|---|---|---|---|
| 1 | Plate | 601015 | Key switch only | 1 | |
| 2 | Label | 71145-G01 | Key switch only | 1 | |
| 5 | Plate | 73030-G02 | Key switch, state of charge meter | 1 | |
| 6 | Label | 71123-G02 | Key switch w/o lights, State of charge meter | 1 | |
| 9 | Drive rivet | 33623-G02 | 3/16" x 3/8" LG | 2 | |
| 12 | Wire harness | 73041-G01 | Key switch | 1 | |
| 15 | State of charge meter | 33636-G01 | 1 | ||
| 16 | Wire harness | 74018-G01 | State of charge meter | 1 | |
| 17 | 18 GA wire | 25978-G74 | Red 6" | 1 | |
| 21 | lock washer | 00565-G8 | 5/16" | 4 | |
| 22 | Nut | 00532-G3 | 5/16 - 18 | 4 |
Electronic speed control – Series
| Sl.No | Part Description | Part Number | Notes | Quantity | Purchase |
|---|---|---|---|---|---|
| 1 | Electronic speed control assembly | 73056-G04 | includes items 2 - 31 | 1 | |
| 2 | lock washer | * | #10 | 2 | |
| 3 | Nut | * | 10 - 32 | 2 | |
| 5 | Diode | 30353-G1 | 3 AMP | 1 | |
| 6 | Resistor | 21764-G1 | 1 | ||
| 7 | Wire harness | 73103-02 | Control | 1 | |
| 8 | Nut | * | 5/16 - 24 | 2 | |
| 10 | lock washer | * | 5/16" | 2 | |
| 11 | 4 GA Wire green | 607591 | 11.5" | 1 | |
| 12 | 18 GA wire | 25978-G10 | Sol - B | 1 | |
| 13 | Lock Nut | 800706 | 1/4 - 20 | 2 | |
| 15 | Solenoid | 27855-G01 | 36 Volt | 1 | |
| 16 | Heatsink | 73471-G01 | 1 | ||
| 17 | Electronic speed controller | 25864-G05 | 1 | ||
| 18 | Thermal mounting pad | 73190-G01 | 1 | ||
| 19 | Bolt | 71102-G01 | 1/4 - 20 x 3/4" LG | 9 | |
| 20 | Cover | 73028-G01 | 1 | ||
| 21 | Wire tie | 31539-G1 | 1 | ||
| 22 | Double tube clamp | 73053-G01 | 1 | ||
| 23 | Bolt | 71102-03 | 1/4 - 20 x 13/16" LG | 3 | |
| 24 | 4 GA wire harness | 607656 | Green | 1 | |
| 26 | Bolt | 00270-G5 | 5/16 - 18 x 5/8" LG | 3 | |
| 27 | Lock nut | 11027-G1 | 5/16 - 18 | 3 | |
| 29 | Solenoid bracket | 25866-G01 | 1 |
Electric motor
| Sl.No | Part Description | Part Number | Notes | Quantity | Purchase |
|---|---|---|---|---|---|
| 1 | Motor | 73445-G01 | Series, fleet speed, includes items 3 - 12 | 1 | |
| 2 | Motor | 73445-G02 | Series, high speed, includes items 3 - 11, 14 | 1 | |
| 3 | Armature | 73120-G01 | 1 | ||
| 4 | Brush spring | 73120-G03 | 4 | ||
| 5 | Brush plate and box | 73120-G15 | 1 | ||
| 6 | Brush replacement kit | 73120-G25 | includes hardware | 1 | |
| 7 | Bearing | 73120-G07 | 1 | ||
| 8 | Snap ring | 73120-G06 | 1 | ||
| 9 | Cover plate and screw | 73120-G09 | 1 | ||
| 10 | Commutator end housing | 73120-G08 | 1 | ||
| 11 | Cap | 73120-G16 | 1 | ||
| 12 | Frame and field coil | 73120-G29 | G02 motor, includes hardware | 1 | |
| 14 | Frame and field coil | 73120-G31 | G03 motor, includes hardware | 1 | |
| 16 | Motor | 73445-G02 | Separately excited, Pds, Includes items 17 - 29 | 1 | |
| 17 | Armature | 73120-G18 | 1 | ||
| 18 | Brush spring | 73120-03 | 4 | ||
| 19 | Brush plate and box | 73120-G15 | 1 | ||
| 20 | Brush replacement kit | 73120-G25 | includes hardware | 1 | |
| 21 | Bearing | 73120-G07 | 1 | ||
| 22 | Snap ring | 73120-G06 | 1 | ||
| 23 | Cover plate and screw | 73120-G09 | 1 | ||
| 24 | Frame and field coil | 73120-G31 | includes hardware | 1 | |
| 25 | Commutator end housing | 73120-G19 | 1 | ||
| 26 | Magnet | 73328-G01 | 1 | ||
| 27 | Screw | 01037-G02 | #10 - 32 x 1/2" LG | 1 | |
| 28 | Retaining ring | 73277-G01 | 2 | ||
| 29 | Speed sensor | 73327-G01 | 1 | ||
| 30 | Spline bumper | 24261-G1 | 1 |
Front suspension steering
| Sl.No | Part Description | Part Number | Notes | Quantity | Purchase |
|---|---|---|---|---|---|
| 1 | Front axle | 602513 | 1 | ||
| 3 | Spindle and hub assembly | 70942-G03 | 4 Lug (Passenger side, includes items 4 - 13 | 1 | |
| 4 | Spindle assembly | 70940-G04 | Passenger side, includes items 5 - 6 | 1 | |
| 5 | Bearing | 70648-G01 | 1 | ||
| 6 | Bearing | 70749-G01 | DP4 | 1 | |
| 7 | Grease seal | 25146-G1 | 1 | ||
| 8 | Roller bearing and race assembly | 50892-G1 | 2 | ||
| 9 | Wheel hub assembly with races | 70589-G1 | 4 lug, includes item 10 | 1 | |
| 10 | Lug bolt | 19862-G1 | 1/2 - 20 x 1 7/32" LG | 4 | |
| 11 | Slotted nut | 12093-G1 | 1 - 14 | 1 | |
| 12 | Cotter pin | 00798-G8 | 5/32" x 1 3/4" LG | 1 | |
| 13 | Spindle cap | 12091-G2 | 2 | ||
| 16 | Spindle and hub assembly | 70673-G03 | 4 lug, driver side, includes items 7 - 13 & 17 | 1 | |
| 17 | Spindle assembly | 70742-G02 | Driver side, includes items 5 - 6 | 1 | |
| 18 | Bolt | 00407-G6 | 1/2 - 13 x 6" LG | 2 | |
| 19 | Washer | 00560-G3 | 1/2" | 4 | |
| 20 | King pin tube | 70745-G01 | 2 | ||
| 21 | Thrust washer | 70754-G01 | Stainless steel | 2 | |
| 22 | Lock nut | 14390-G6 | 1/2 - 13 | 2 | |
| 25 | Shock absorber | 76419-G01 | 2 | ||
| 28 | Shock absorber washer | 10435-G1 | 8 | ||
| 29 | Rubber shock absorber bushing | 10194-G1 | 8 | ||
| 30 | Nut | 00532-G6 | 3/8 - 24 | 4 | |
| 31 | Vinyl cap | 10044-G01 | 4 | ||
| 34 | Lead spring | 70664-G03 | Heavy duty, see part number of spring | 2 | |
| 35 | Spring plate | 70163-G03 | 4 | ||
| 37 | Lock nut | 00734-G1 | 7/16 - 14 | 11 | |
| 38 | Bolt | 00463-G11 | 7/16 - 14 x 1 3/4" LG | 11 | |
| 41 | Rack and pinion unit | 70964-G02 | Complete, includes items 42 - 65 | 1 | |
| 42 | Steering rack cover & bearing | 70965-G01 | 1 | ||
| 43 | Steering box installation tag | * | 1 | ||
| 44 | Jam nut | * | 1/2 - 20 | 1 | |
| 45 | Retaining ring | 70750-G01 | External | 1 | |
| 46 | Ball bearing | 15115-G1 | 1 | ||
| 47 | Pinion | 70603-G01 | 1 | ||
| 48 | Retaining ring | 70751-G01 | Internal | 1 | |
| 49 | Seal pinion | 70638-G01 | 1 | ||
| 50 | Rack steering | 70604-01 | 1 | ||
| 51 | Screw | 01053-G01 | 10- 32 | 1 | |
| 52 | Rack loader | 70590-G01 | 1 | ||
| 53 | Spring compression | 70666-G01 | 1 | ||
| 54 | Gasket rack loader | 70645-G01 | 1 | ||
| 55 | cover rack loader | 70591-G01 | 1 | ||
| 56 | Screw | 71102-G01 | 1/4 - 20 | 2 | |
| 57 | Grease fitting | 10389-G3 | Straight | 1 | |
| 58 | Rack ball joint | 70695-G01 | includes items 59 - 61 | 1 | |
| 59 | Rubber Boot | 50641-G1 | 1 | ||
| 60 | Slotted nut | 50209-G2 | 7/16 - 20 | 1 | |
| 61 | Cotter pin | 10387-G2 | 3/32" x 1" LG | 1 | |
| 62 | Rod end | 74694-G01 | Inner | 1 | |
| 63 | Rack boot | 70961-G01 | 1 | ||
| 64 | Wire tie | 12416-G2 | 1 | ||
| 65 | Wire tie | 11391-G8 | 1 | ||
| 70 | Bolt | 00464-G6 | 7/16 - 14 x 2 3/4" LG | 2 | |
| 71 | Bolt | 01068-G01 | 7/16 - 14 x 3 1/2" LG | 1 | |
| 72 | Spacer | 70667-G02 | 2 | ||
| 73 | Spacer | 70667-G03 | Short | 1 | |
| 74 | Nut | 00532-G7 | 7/16 - 14 | 1 | |
| 75 | Flat washer | 00560-G2 | 7/16" | 4 | |
| 76 | Lock nut | 00734-G1 | 7/16 - 14 | 3 | |
| 79 | Steering shaft | 70607-G01 | 1 | ||
| 81 | Steering column kit | 70758-G06 | includes items 82 - 84 | 1 | |
| 82 | Steering column | 70610-G03 | 1 | ||
| 83 | Steering column bushing | 28569-G01 | 1 | ||
| 84 | Screw | 01022-G01 | #6 - 20 x 5/16" LG | 1 | |
| 86 | Steering column kit | 70758-G08 | Horn, includes items 87 - 89 | 1 | |
| 87 | Steering column | 70610-G04 | 1 | ||
| 88 | Steering column bushing | 28569-G01 | 1 | ||
| 89 | Screw | 01022-G01 | #6 - 20 x 5/16" LG | 1 | |
| 92 | Bolt | 01006-G01 | 3/8 - 16 x 1 1/4" LG | 4 | |
| 93 | Lock washer | 00879-G1 | 3/8" | 4 | |
| 96 | Cover | 70997-G01 | 1 | ||
| 97 | Rivet | 71055-G01 | 3/16" x 1" LG (Aluminum) | 1 | |
| 100 | Intermediate shaft | 70580-G01 | Includes items 101, 102 | 1 | |
| 101 | Bolt | 01055-G01 | M8 x 1.25 - 05 | 2 | |
| 102 | Lock washer | 00565-G8 | 5/16" | 2 | |
| 105 | Retaining ring | 70751-G01 | Internal | 1 | |
| 106 | Retaining ring | 70888-G01 | External | 1 | |
| 107 | Ball bearing | 15112-G1 | 1 | ||
| 108 | Wave washer | 70887-G01 | 1 | ||
| 109 | Steering wheel | 602980 | 1 | ||
| 110 | Steering wheel cover | 71147-G01 | 1 | ||
| 111 | Label | 74815-G01 | E-Z-GO | 1 | |
| 113 | Steering wheel | 602979 | 1 | ||
| 116 | Lock nut | 14390-G2 | 5/8 - 18 | 1 | |
| 117 | Label | 28909-G01 | Jacobsen | 1 | |
| 119 | Tie rod assembly | 70876-G02 | includes items 120 - 124 | 1 | |
| 120 | Threaded rod | 70897-G02 | 24" LG | 1 | |
| 121 | Tie rod end | 70902-G01 | Left hand threads | 1 | |
| 122 | Jam nut | 01069-G01 | M12 x 1.25 - 05 (Left hand threads) | 1 | |
| 123 | Tie od end | 70902-G02 | Right hand threads | 1 | |
| 124 | Jam nut | 01069-G02 | M12 x 1.25 - 05 (Right hand threads) | 1 | |
| 125 | Lock nut | 00734-G1 | 7/16 - 14 | 2 | |
| 127 | French steering column safety label | 75928-G01 | 1 | ||
| 128 | French clipboard safety label | 27647-G02 | Electric | 1 | |
| 129 | French clipboard safety label | 27826-G02 | Gas | 1 |
Rear axle
| Sl.No | Part Description | Part Number | Notes | Quantity | Purchase |
|---|---|---|---|---|---|
| 1 | Rear axle assembly | 73500-G01 | includes items 2 - 7 | 1 | |
| 2 | Axle shaft | 20377-G12 | Passenger side | 1 | |
| 3 | Axle shaft | 20377-G11 | Driver side | 1 | |
| 4 | Differential cover | * | 1 | ||
| 5 | Fill plug with 'O' ring | 28610-G01 | 1 | ||
| 6 | Bolt | 15558-G1 | 5/16 - 18 x 3/4" LG | 10 | |
| 7 | Vent | 73050-G01 | 1 | ||
| 9 | Scuff guard | 72763-G02 | 1 | ||
| 11 | Spline bumper | XXXXX-XXX | See electric motor | 1 | |
| 12 | Bolt | 00797-G2 | 1/4 - 20 x 1 1/4" LG | 3 | |
| 13 | Lock washer | 00565-G7 | 1/4" (Stainless Steel) | 3 | |
| 14 | Washer | 00559-G7 | 1/4" (Stainless Steel) | 3 | |
| 15 | Moly lube | 28095-G01 | 2 OZ | AR |
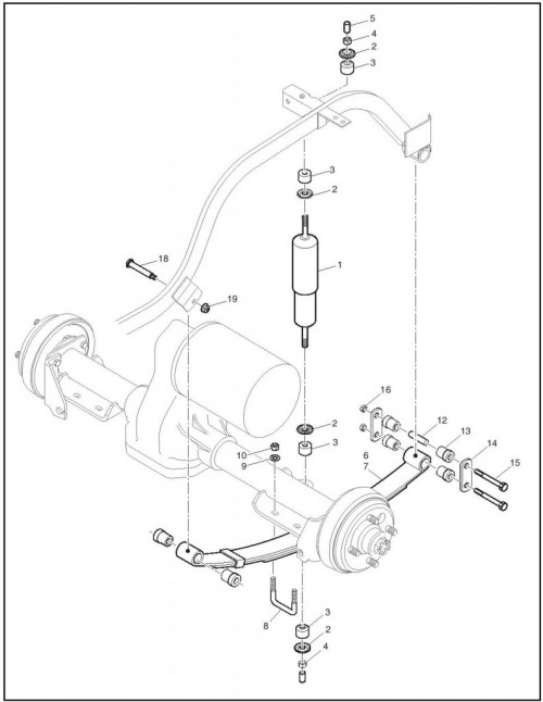
Rear Suspension
| Sl.No | Part Description | Part Number | Notes | Quantity | Purchase |
|---|---|---|---|---|---|
| 1 | Shock absorber | 76418-G01 | 2 | ||
| 2 | Shock absorber washer | 10435-G1 | 8 | ||
| 3 | Rubber bushing | 10194-G1 | 8 | ||
| 4 | Nut | 00532-G6 | 3/8 - 24 | 4 | |
| 5 | Vinyl cap | 10044-G01 | 4 | ||
| 6 | Leaf spring | 603109 | 2 Leaf | 2 | |
| 7 | Leaf spring | 74207-G03 | 4 Leaf | 2 | |
| 8 | U' bolt | 72618-G01 | 3/8 - 16 x 2" x 2 1/2" LG | 4 | |
| 9 | Washer | 00560-G1 | 3/8" | 8 | |
| 10 | Lock Nut | 11098-G5 | 3/8 - 16 | 8 | |
| 12 | Spacer | 70289-G02 | 4 | ||
| 13 | Flanged bushing | 70291-G01 | Leaf spring | 12 | |
| 14 | Shackle plate | 70290-G02 | 4 | ||
| 15 | Bolt | 00665-G9 | 3/8 - 16 x 3 1/2" LG (Stainless steel) | 4 | |
| 16 | Lock Nut | 11098-G5 | 3/8 - 16 | 4 | |
| 18 | Shoulder bolt | 14158-G1 | 3/8 - 16 x 3 1/4" LG | 2 | |
| 19 | Lock Nut | 12262-G1 | 3/8 - 16 | 2 |
Seating and bag holder – Golf car
| Sl.No | Part Description | Part Number | Notes | Quantity | Purchase |
|---|---|---|---|---|---|
| 1 | Seat bottom assembly | 71611-G** | includes items 2 - 4 | 1 | |
| 2 | Vinyl seat bottom cover | 71602-G** | 1 | ||
| 3 | Vinyl trim | 71012-G01 | Seat bottom | 1 | |
| 4 | Rubber pad | 17074-G1 | 2 | ||
| 5 | Two tone vinyl seat bottom | 604912-G** | 1 | ||
| 6 | Hip restraint | 71701-G01 | Passenger side | 1 | |
| 7 | Hip restraint | 71702-G01 | Driver side | 1 | |
| 8 | Bolt | 71204-G01 | 1/4 - 20 x 7/8" LG | 8 | |
| 10 | Seat hinge | 71610-G01 | 2 | ||
| 11 | Screw | 00720-G08 | #12 - 14 x 1" LG (Stainless steel) | 4 | |
| 13 | Seat back assembly | 71751-G** | includes items 14 - 16 | 1 | |
| 14 | Vinyl seat back cover | 71753-G** | 1 | ||
| 15 | Plastic seat back cover | 71752-G01 | 1 | ||
| 16 | Screw | 01107-G01 | #8 x 5/8" LG (Stainless steel) | 4 | |
| 17 | Two tone vinyl seat back | 604916-G** | 1 | ||
| 19 | Seat support bracket | 71811-G03 | 2 | ||
| 20 | Bolt | 00661-G8 | 1/4 - 20 x 1" LG (Stainless steel) | 4 | |
| 21 | Lock washer | 00664-G7 | 1/4" (Stainless steel) | 4 | |
| 22 | Bolt | 01075-G01 | 3/8 - 16 x 2 3/4" LG | 4 | |
| 24 | Bag holder bracket | 71851-G01 | 1 | ||
| 25 | Bag retainer clamp | 71856-G01 | 2 | ||
| 26 | Bag retainer strap | 71853-G01 | 1 | ||
| 27 | Ratchet fastener | 16816-G1 | 1/4" x 9/16" LG | 2 | |
| 28 | Carriage bolt | 01102-G01 | 1/4 - 20 x 1 1/2" LG (Stainless steel) | 2 | |
| 29 | Lock nut | 11027-G2 | 1/4 - 20 | 2 |
Tow bar permanent
| Sl.No | Part Description | Part Number | Notes | Quantity | Purchase |
|---|---|---|---|---|---|
| 1 | Mounting plate | 75318-G01 | 1 | ||
| 2 | Stop mount plate | 75319-G01 | 1 | ||
| 3 | Screw | 16705-G1 | 1/4 - 20 x 1" LG (Stainless steel) | 3 | |
| 4 | Lock nut | 00891-G2 | 1/4 - 20 (Stainless steel) | 3 | |
| 5 | Female stop | 75338-G02 | 1 | ||
| 8 | Tow bar assembly | 75304-G01 | Towing vehicle, includes items 9 - 29 | 1 | |
| 9 | Tow bar | 75299-G01 | 1 | ||
| 10 | Upper pivot | 75302-G01 | 1 | ||
| 11 | Lower pivot | 75291-G01 | 1 | ||
| 12 | Bolt | 00410-G8 | 1/2 - 20 x 3" LG | 1 | |
| 13 | Washer | 00675-G3 | 1/2" (Stainless steel) | 1 | |
| 14 | Spring washer | 75339-G01 | 1 | ||
| 15 | Washer | 00571-G5 | 1/2" | 1 | |
| 16 | Lock nut | 11098-G8 | 1/2 - 20 | 1 | |
| 17 | Latch stop | 75362-G01 | 1 | ||
| 18 | Washer | 75340-G01 | 3/8" | 2 | |
| 19 | Pivot pin | 75360-G01 | 1 | ||
| 20 | Spring pin | 13571-G7 | 1 | ||
| 21 | Latch | 75303-G01 | 1 | ||
| 22 | Compression spring | 20852-G2 | 1 | ||
| 23 | Cup washer | 25661-G02 | 1 | ||
| 24 | Shoulder Bolt | 13005-G4 | 5/16 - 18 x 2" LG | 1 | |
| 25 | Label | 75370-G01 | Warning | 1 | |
| 26 | Male stop | 75338-G03 | 1 | ||
| 27 | Bolt | 12547-G4 | 6MM X 1 X 30 MM LG | 1 | |
| 28 | Lock washer | 00565-G8 | 5/16" | 1 | |
| 29 | Acorn nut | 00520-G3 | 5/16 - 18 (Stainless steel) | 1 | |
| 31 | Tow bar hitch assembly | 75308-G01 | towed vehicle, includes items 32 - 49 | 1 | |
| 32 | Hitch | 75305-G01 | 1 | ||
| 33 | Pivot bolt | 75292-G01 | 1 | ||
| 34 | Thrust washer | 75309-G01 | 2 | ||
| 35 | Washer | 75342-G01 | 3/4" | 1 | |
| 36 | Castellated nut | 00518-G8 | 3/4 - 16 | 1 | |
| 37 | Cotter prin | 10387-G1 | 1/8" x 1 1/2" LG | 2 | |
| 38 | Bearing | 75307-G01 | 1 | ||
| 39 | Lock washer | 00566-G6 | 3/4" | 1 | |
| 40 | Nut | 00533-G8 | 3/4 - 16 | 1 | |
| 42 | The rod assembly | 602981 | includes items 43 - 47 | 1 | |
| 43 | Threaded rod | 603089 | 1 | ||
| 44 | Tie rod end | 27205-G01 | Left hand threads | 1 | |
| 45 | Jam nut | 18434-G3 | M12 x 1.25-05 (Left hand threaded) | 1 | |
| 46 | Tie rod end | 27205-G02 | Right hand threads | 1 | |
| 47 | Jam nut | 18434-G4 | M12 x 1.25-05 (Right hand threads) | 1 | |
| 48 | Castellated nut | 50209-G2 | 7/16 - 20 | 2 | |
| 49 | Cotter pin | 10387-G2 | 3/32" x 1" LG | 2 |
Tow bar casual
| Sl.No | Part Description | Part Number | Notes | Quantity | Purchase |
|---|---|---|---|---|---|
| 1 | Casual tow bar | 75033-G01 | includes items 2 - 15 | 1 | |
| 2 | Tow bar | * | 1 | ||
| 3 | Tie rod | 75034-G01 | includes nut and cotter pin | 1 | |
| 4 | Coupling | 75060-G01 | 1 | ||
| 5 | Lock pin | * | 1 | ||
| 6 | Compression spring | 75065-G01 | 1 | ||
| 7 | Washer | 00922-G2 | 3/8" | 1 | |
| 8 | Cotter pin | 10387-G2 | 3/32" x 1" LG | 1 | |
| 9 | Safety pin | 75068-G01 | 1 | ||
| 10 | Wire rope | 14869-G5 | 1 | ||
| 11 | Ferrule | 16783-G1 | 3 | ||
| 12 | Ferrule | 75067-G01 | 1 | ||
| 13 | Hex head plug | 75035-G02 | 1 | ||
| 14 | Wire rope | 14869-G3 | 1 | ||
| 15 | Label | 75091-G01 | Warning | 1 |
Weather protection – golf car
| Sl.No | Part Description | Part Number | Notes | Quantity | Purchase |
|---|---|---|---|---|---|
| 1 | Sun top kit | 75040-G** | golf car, includes items 2 - 19 | 1 | |
| 2 | Sun top | 27069-G** | 1 | ||
| 3 | Front strut | 75045-G05 | 1 | ||
| 4 | Bolt | 01035-G01 | 5/16 - 18 x 2 1/4" LG | 4 | |
| 5 | Lock washer | 00905-G8 | 5/16" | 4 | |
| 6 | Spacer | 75048-G01 | 1/2" | 2 | |
| 7 | Washer | 00570-G2 | 5/16" | 6 | |
| 8 | Rear strut | 75046-G02 | 2 | ||
| 10 | Bolt | 00685-G7 | 5/16 - 18 x 1 3/4" LG (Stainless steel) | 4 | |
| 11 | Washer | 01110-G03 | 5/16" (Stainless steel) | 8 | |
| 12 | Teflon washer | 17255-G1 | 5/16" | 4 | |
| 13 | Lock nut | 01109-G01 | 5/16 - 18 (Stainless steel) | 4 | |
| 14 | Screw | 00753-G5 | 1/4 - 20 x 2" LG (Stainless steel) | 2 | |
| 15 | Screw | 00753-G6 | 1/4 - 20 x 2 1/4" LG (Stainless steel) | 2 | |
| 16 | Washer | 01110-G01 | 1/4" (Stainless steel) | 8 | |
| 17 | Spacer | 75051-G01 | 4 | ||
| 18 | Lock Nut | 00654-G2 | 1/4 - 20 (Stainless steel) | 4 | |
| 19 | End cap | 19853-G1 | 1" | 2 | |
| 21 | Rear view mirror kit | 19528-G3 | includes items 22 - 24 | 1 | |
| 22 | Rear view mirror | 19496-G1 | 1 | ||
| 23 | Support bracket | 19502-G3 | 1 | ||
| 24 | Screw | 19527-G1 | #8 - 32 x 5/8" LG (Stainless steel) | 1 | |
| 26 | Windshield kit | 75524-G01 | Golf car, includes items 27 - 33 | 1 | |
| 27 | Windshield | * | 1 | ||
| 28 | Sash | EGWHC12 | 26" LG | 2 | |
| 29 | Screw | EGWHS12 | 1/4 - 20 x 1 3/4" LG (Stainless steel) | 2 | |
| 30 | Washer | EGWHW12 | 1/4" (Stainless steel) | 4 | |
| 31 | Rubber grommet | EGWHG13 | 2 | ||
| 32 | Lock nut | EGWHN12 | 1/4 - 20 (Stainless steel) | 2 | |
| 33 | Label | EGWHL14 | Safety | 1 | |
| 35 | Fold down windshield kit | 74910-G01 | Golf car, includes items 36 - 44 | 1 | |
| 36 | Windshield | 110-052C | 1 | ||
| 37 | Sash | 110-032A | 12" LG | 2 | |
| 38 | Screw | EGWHS12 | 1/4 - 20 x 1 3/4" LG (Stainless steel) | 2 | |
| 39 | Washer | EGWHW12 | 1/4" (Stainless steel) | 4 | |
| 40 | Rubber grommet | EGWHG13 | 2 | ||
| 41 | Lock nut | EGWHN12 | 1/4 - 20 (Stainless steel) | 2 | |
| 42 | Top grip | 110-055C | 3/4" x 2" | 2 | |
| 43 | Bottom grip | 110-056C | 2 | ||
| 44 | Label | 110-066 | Safety | 1 | |
| 45 | Bumpers | 110-080B | 2 |
Wheels and tires
| Sl.No | Part Description | Part Number | Notes | Quantity | Purchase |
|---|---|---|---|---|---|
| 1 | Tire and wheel assembly | 27771-G01 | Links 1 18 x 8.5 - 8, includes items 2 - 4 | 4 | |
| 2 | Links 1 carlisle tire | 28757-G01 | 18 x 8.5 - 8 | 1 | |
| 3 | Wheel rim | 28759-G01 | 4 Lug | 1 | |
| 4 | Valve stem | 11657-G2 | 1 | ||
| 6 | Wheel and tire assembly | 27771-G03 | Turf saver 18 x 8.5 - 8, includes items 7 - 9 | 4 | |
| 7 | Carlisle tire | 28757-G03 | Turf saver 18 x 8.5 - 8 | 1 | |
| 8 | Wheel rim | 28759-G01 | 4 Lug | 1 | |
| 9 | Valve stem | 11657-G2 | 1 | ||
| 11 | Wheel and tire assembly sure trail | 27774-G01 | 6 Ply 18.5 x 8.5 - 8, includes items 12 - 14 | 4 | |
| 12 | Carlisle tire | 28842-G01 | Sure trail, 6 ply 18 x 8.5 - 8 | 1 | |
| 13 | Wheel rim | 28759-G01 | 4 Lug | 1 | |
| 14 | Valve stem | 11657-G2 | 1 | ||
| 16 | Wheel and tire assembly sure trail | 27772-G02 | Turf glide 18 x 8.5 - 8, includes items 17 - 19 | 4 | |
| 17 | Carlisle tire | 27772-G06 | Turf glide 18 x 8.5 - 8 | 1 | |
| 18 | Wheel rim | 15169-G1 | 4 Lug | 1 | |
| 19 | Valve stem | 11657-G2 | 1 | ||
| 21 | Wheel and tire assembly | 27772-G04 | Fairway 18 x 8.5 - 8, includes items 22-24 | 4 | |
| 22 | Carlisle tire | 27772-G08 | Fairway 18 x 8.5 - 8 | 1 | |
| 23 | Wheel rim | 15169-G1 | 4 Lug | 1 | |
| 24 | Valve stem | 11657-G2 | 1 | ||
| 26 | Lug Nut | 14723-G1 | 1/2 - 20 | 8 | |
| 32 | Gold spoke hubcap | 19241-G2 | 4 | ||
| 34 | Silver spoke hubcap | 19241-G1 | 4 |
Specialty Products
| Sl.No | Part Description | Part Number | Notes | Quantity | Purchase |
|---|---|---|---|---|---|
| 1 | Battery Maintenance Kit | 25587-G01 | |||
| 2 | Seal Installation Tool | 18739-G1 | Rear Axle Shaft Seal | ||
| 3 | Battery Set Discharger | 28251-G01 | 36 Volt, 75 Amp | ||
| 4 | Current Indicator | 16489-G2 | |||
| 5 | Digital Multi-Meter | 27481-G01 | |||
| 6 | Crimping Tool | 27765-G01 | |||
| 7 | Tubeless Tire Repair Kit | 606009 | |||
| 8 | Tire Plugger Refill Pack | 606831 | 50/Box | ||
| 9 | Pen 3 Ounce - Hunter Green | 28432-G02 | 89 Ml | ||
| 10 | Pen 3 Ounce - Champagne Beige | 28432-G01 | 89 Ml | ||
| 11 | Pen 3 Ounce - White | 28432-G05 | 89 Ml | ||
| 12 | Pen 3 Ounce - Industrial Yellow | 28432-G03 | 89 Ml | ||
| 13 | Pen 3 Ounce - Orange | 28432-G04 | 89 Ml | ||
| 14 | Pen 3 Ounce - Steel Blue Pearl | 28432-G** | 89 Ml | ||
| 15 | Pen 3 Ounce - Camouflage Paint | 75831-G01 | Three Pens | 89 Ml | |
| 16 | Aerosol 12 Ounce - Hunter Green | 28140-G09 | 360 Ml | ||
| 17 | Aerosol 12 Ounce - Champagne Beige | 28140-G15 | 360 Ml | ||
| 18 | Aerosol 12 Ounce - Industrial Yellow | 28140-G14 | 360 Ml | ||
| 19 | Plexus® Cleaner, 13 Ounce | 28433-G02 | For Windshields | 380 Ml | |
| 20 | Battery Protector, 14 Ounce Spray | 27619-G02 | 410 Ml | ||
| 21 | E-Z-Go All Surface Cleaner | 606311 | |||
| 22 | E-Z-Go Fiberglass/Plastic Restorer | 606313 | |||
| 23 | W/Shield And Plastic Protector | 606314 | |||
| 24 | 4 Oz Hand Cleaner | 607636 | |||
| 25 | 64 Oz Hand Cleaner | 607637 |
Options Accessories
| Sl.No | Part Description | Part Number | Notes | Quantity | Purchase |
|---|---|---|---|---|---|
| 1 | 2 Bag Attachment | 75183-G01 | Body -Footrest | ||
| 2 | 4 Bag Attachment | 75335-G01 | Body - Accessories | ||
| 3 | 8" Chrome Hubcap | 14913-G* | Wheels And Tires | ||
| 4 | 6" Chrome Hubcap | 16042-G* | Wheels And Tires | ||
| 5 | Gold Spoke Hubcap | 19241-G* | Wheels And Tires | ||
| 6 | Silver Spoke Hubcap | 19241-G* | Wheels And Tires | ||
| 7 | Ashtray Kit | 75109-G02 | Body - Accessories | ||
| 8 | Center Basket | 75003-G01 | Body - Accessories | ||
| 9 | Cooler Jug And Bracket Kit | 75495-G01 | Body - Accessories | ||
| 10 | Cooler Box And Bracket Kit | 75344-G01 | Body - Accessories | ||
| 11 | Divot Repair Kit | 23300-G1 | Body - Accessories | ||
| 12 | Message Holder Kit | 75509-G01 | Requires Sun Top, Body - Accessories | ||
| 13 | Message Holder Kit | 75496-G01 | Requires Sun Top, Body - Accessories | ||
| 14 | Rear View Mirror | 19528-G2 | Requires Sun Top, Weather Protection - Golf Car | ||
| 15 | Sand Bottle | 28661-G** | Body - Accessories | ||
| 16 | Sand Rake | 14735-G1 | Body - Accessories | ||
| 17 | Sand Rake Holder | 75006-G01 | Body - Accessories | ||
| 18 | Sand Mug - Kit, Single | 606951 | Body - Accessories | ||
| 19 | Sand Mug - Kit, Double | 606986 | Body - Accessories | ||
| 20 | Side Basket | 75007-G** | Body - Accessories | ||
| 21 | Sun Top Kit, Golf Car | 75040-G** | Weather Protection - Golf Car | ||
| 22 | Tow Bar Kit | 75033-G01 | Tow Bar - Casual | ||
| 23 | Tow Bar Kit | 75304-G01 | Tow Bar - Permanent | ||
| 24 | Windshield Kit, Golf Car | 75524-G01 | Weather Protection, Golf Car | ||
| 25 | Windshield Kit, Fold Down, Golf Car | 74910-G01 | Weather Protection, Golf Car | ||
| 26 | Tire Dominator 20X11-10 | 605316 | Wheels And Tires | ||
| 27 | Pathfinder Tire, Brushed Wheel Lh | 605355 | Wheels And Tires | ||
| 28 | Pathfinder Tire, Brushed Wheel Rh | 605356 | Wheels And Tires | ||
| 29 | Pro Tour - Polished Wheel | 605317 | Wheels And Tires | ||
| 30 | Pro Tour, Tire 205/50-10 | 605315 | Wheels And Tires | ||
| 31 | V-Stem-Brushed Spoked Wheel | 605351 | Wheels And Tires | ||
| 32 | Pro Brushed Wheel | 605318 | Wheels And Tires | ||
| 33 | Dominator - Polished Wheel | 605319 | Wheels And Tires | ||
| 34 | Dominator - Brushed Wheel | 605320 | Wheels And Tires | ||
| 35 | Chrome Center Cap - Spoked Wheel | 604929 | Wheels And Tires | ||
| 36 | Nut, Lug-Chrome | 605310 | Wheels And Tires | ||
| 37 | V-Stem-Polished Spoked Wheel | 605311 | Wheels And Tires | ||
| 38 | Pathfinder Tire 22X11-10 | 604928 | Wheels And Tires | ||
| 39 | Pathfinder Tire, Polished Wheel Lh | 604930 | Wheels And Tires | ||
| 40 | Pathfinder Tire, Polished Wheel Rh | 605228 | Wheels And Tires | ||
| 41 | Jack-Up Kit | 74786-G02 | Wheels And Tires | ||
| 42 | Bfs Installation | 607108 | Electrical System | ||
| 43 | Nozzle Gun - Bfs | 606238 | Electrical System |





























